一个由硬件和软件构成的复合结构确保车辆系统的供电。主要有 2 项用于供电的软件功能:
动力管理系统保证始终有足够的起动马达电流可供使用。
动力管理系统在发动机静止时也监控车辆。
动力管理系统包括车辆中产生、存储和消耗电能的所有组件。
动力管理系统的数据分布在多个控制单元上。
电源管理是动力管理系统的一个分系统。电源管理由发动机控制单元执行 (DME 或 DDE:数字式发动机电子伺控系统或数字式柴油机电子伺控系统)。
在行车过程中电源管理调节发电机功率以及蓄电池充电情况。
将描述供电系统的下列部件:
系统电路图

索引 |
解释 |
索引 |
解释 |
|---|---|---|---|
1 |
数字式发动机电子伺控系统 (DME) 或数字式柴油机电子伺控系统 (DDE) |
2 |
发电机 |
3 |
起动马达 |
4 |
后部分电器 |
5 |
继电器盒 |
6 |
电控辅助加热器 (仅限装备柴油发动机的车型) |
7 |
接线盒电子装置 (JBE) 与前部分电器 |
8 |
蓄电池负极上的智能型蓄电池传感器 (IBS) |
9 |
蓄电池正极 |
10 |
便捷进入及起动系统 (CAS) |
11 |
保险丝组 |
|
|
BSD |
串行数据接口 |
Kl. 15 WUP |
唤醒导线 (总线端 Kl. 15 唤醒) |
K-Bus |
车身总线 |
K-CAN |
车身 CAN |
PT-CAN |
传动系 CAN |
|
|
安装的蓄电池的容量与使用的发动机和车辆装备有关。所需容量的选择标准有:
发电机在发动机运转时产生一个可变充电电压,给蓄电池充电。
此可变充电电压由电源管理根据温度和电流通过 DME/DDE 通过提高发动机转速来影响。
JBE 是车辆上的中央数据接口 (总线网关)。
JBE 是接线盒的组成部分。接线盒是一个由接线盒电子装置和前部分电器组成的总成。前部分电器和 JBE 不能单独更换。
在分电器中安装有保险丝和继电器。下列继电器对供电特别重要:
存在下列分电器:
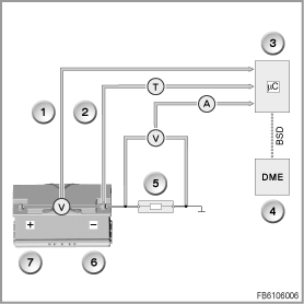
IBS 是一个机电一体化的智能型蓄电池传感器,带自己专用的微处理器。此微处理器是电子模块的组成部分。电子模块用于检测电压、流过的电流和蓄电池温度。
在电子模块中安装了下列组件:
IBS 不断测量蓄电池的下列值:
为了进行数据传输,IBS 通过串行数据接口 (BSD) 与数字式发动机电子伺控系统 (DME) 或数字式柴油机电子伺控系统 (DDE) 连接。

索引 |
解释 |
索引 |
解释 |
|---|---|---|---|
1 |
测量蓄电池正极和蓄电池负极之间的蓄电池电压 |
2 |
测量蓄电池温度 (T) |
3 |
智能型蓄电池传感器 (IBS) 中的微处理器 (C) |
4 |
数字式发动机电子伺控系统 (DME) 或数字式柴油机电子伺控系统 (DDE) |
5 |
电流测量 (A) [间接,通过测量电阻 (并联电阻) 上成正比的电压降 (V)] |
6 |
蓄电池负极 |
7 |
蓄电池正极 |
|
|
BSD |
用于向 DME 或 DDE 传送数值的串行数据接口 (BSD) |
|
|
在行驶模式下和在车辆处于静止状态时查询这些测量值:
便捷进入及起动系统参与总线端控制 (总线端 Kl. R、总线端 Kl. 15、总线端 Kl. 30g)。
总线端控制为供电提供基本信息。
CAS 已与下列部件和控制单元连接:
DME 或 DDE 按如下方式参与供电:当发电机电压下降时,DME/DDE 根据需要提高发动机转速。这方面的软件被称为 "电源管理"。
DME/DDE 是 PT-CAN (动力传动系控制器区域网络) 上的总线部件。
DME/DDE 分析当前的蓄电池状态。因此 DME/DDE 也影响总线端 Kl. 30g-f。
当乘员保护系统触发时,MRS 控制单元向其它控制单元发送一个信息。DME 根据事故严重程度断开例如电动燃油泵。
串行数据接口是发动机控制单元 (DME 或 DDE) 和发电机之间的数据线。
2 根蓄电池导线将蓄电池与发动机室连接:
配置情况与发动机型号和国家规格有关。
描述了供电的下列系统功能:
电源管理是发动机控制单元 (DME/DDE:数字式发动机电子伺控系统或数字式柴油机电子伺控系统)。
电源管理计算用于供电调节的标准值。
车型系列 E70 将只安装高级电源管理 (APM)。
高级电源管理

索引 |
解释 |
索引 |
解释 |
|---|---|---|---|
1 |
高级电源管理 (APM) |
2 |
蓄电池数据: |
3 |
智能型蓄电池传感器 (IBS) |
4 |
发动机 |
5 |
用电器 |
6 |
发电机 (G) |
7 |
蓄电池 |
8 |
充电电压的规定标准值 |
9 |
用电器断开或减小功率消耗 |
10 |
怠速转速提升 |
智能型蓄电池传感器 (IBS) 对高级电源管理的更大功能范围起决定作用。IBS 向电源管理提供关于蓄电池状态的信息。不再需要借助车外温度计算蓄电池温度。蓄电池温度直接由 IBS 测量。
高级电源管理能够执行下列功能:
动力管理系统监控和控制车辆的电源供应和消耗。监控和控制通过不同组件联合进行。动力管理系统将不同功能或信号及特性线相结合,以便产生和输出控制信号。
将描述下列功能:
总线端控制
许多用电器通过总线端 Kl. 30g 或通过总线端 Kl. 30g-f 连接到供电上。
但某些用电器也仍旧直接由总线端 Kl. 30 供电。例如防盗报警系统即使在点火开关处于关闭状态时也必须激活。
动力管理系统内的数据传输
在发动机静止时,某些用电器通过总线端 Kl. 30g 按如下方式断开:CAS (便捷进入及起动系统) 按时间控制断开总线端 Kl. 30g 继电器。
车辆处于静止状态时的供电
迄今为止已知下列总线端为电器供电:
休眠电流监控
由于不同的原因必须进行休眠电流监控。
CAS (便捷进入及起动系统) 按如下方式转发总线端控制的数据:
CAS (便捷进入及起动系统) 转换下列总线端的相应继电器:
JBE (接线盒电子装置) 转换下列总线端的相应继电器:
给这些总线端上的控制单元供电并将它们 "唤醒"。
相应的车辆系统被激活。
主要通过总线端 Kl. 30g 和通过总线端 Kl. 30g-f 给用电器供电。但某些用电器也仍旧直接由总线端 Kl. 30 供电。例如防盗报警系统即使在点火开关处于关闭状态时也必须激活。
如果车辆静止状态下的蓄电池电流 (自总线端 Kl. R 断开后 68 分钟起) 超过 80 毫安 (mA) (厂方设定,可调整),则在 DME/DDE 中存储一个故障代码存储记录,并向客户显示一条检查控制信息 (蓄电池在静止状态下的放电过高)。
在怀疑电流消耗过高时,无论如何都应进行一次休眠电流测量。
如果发动机控制单元和发电机之间的串行数据接口断路,则发电机电压被恒定调节到 14.3 V。
将给出下列一般说明:
蓄电池的连续充电
提示!连续充电装置不能连接到点烟器上。
点烟器由接线盒中的分电器通过一个继电器供电。在总线端 Kl. 15 断开后,该继电器释放。这就意味着,连接在点烟器上的连续充电装置被从蓄电池上脱开。蓄电池只能通过外部起动接线柱充电。只有这样才能记录车辆的能量输入。
智能型蓄电池传感器的保护
小心!存在机械高负荷时有损坏的危险。
更换蓄电池
小心!在更换蓄电池时 IBS 和导线有损坏的危险。
在更换蓄电池时 IBS (智能型蓄电池传感器) 和导线可能由于机械高负荷损坏。
在更换蓄电池时注意:
提示!在更换蓄电池时执行服务功能 "记录更换蓄电池"。
在更换蓄电池时使用批量安装的蓄电池参数 (容量)。车辆所需的蓄电池参数已在便捷进入及起动系统 (CAS) 中和发动机电子系统 (DME/DDE) 中设码。
发电机
安装的发电机型号取决于使用的发动机和车辆装备。
电源诊断
由于蓄电池放完电或车载网络有问题而引起的故障停车可能有不同的原因。在大多数情况下,原因不在于蓄 电池本身。由于这个原因,更换蓄电池仅在极个别的情况下能够长期解决问题。
必须对故障源进行系统诊断。
当车辆来到修理厂时,投诉的故障常常不再存在。因此车辆中存储的数据是故障诊断的基础。关于蓄电池状态以及不同总线系统的功能过程的信息被存储在相应的控制单元中。
这些信息可由 BMW 诊断系统调用并分析。在 BMW 诊断系统中存在一个这方面的测试模块。此用于电源诊断的测试模块从相应控制单元中读取所有相关数据。

索引 |
解释 |
索引 |
解释 |
|---|---|---|---|
1 |
车载网络与控制单元
|
2 |
接线盒电子装置 (JBE) |
3 |
BMW 诊断系统 |
4 |
数字式发动机电子伺控系统 (DME) 或数字式柴油机电子伺控系统 (DDE) |
5 |
蓄电池负极上的智能型蓄电池传感器 (IBS) |
|
|
显示下列信息:
电源诊断可识别下列故障:
蓄电池数据已在便捷进入及起动系统 (CAS) 中设码。数据可通过 BMW 诊断系统读取。
保留印刷错误、内容疏忽和技术更改的可能性。