在 E70 中自 2007 年 10 月起提供电动后行李箱盖提升装置。第一次使用一个主轴驱动的系统。
上部后行李箱盖可通过按动按钮自动打开或关闭。下部后行李箱盖仍旧手动打开。
后行李箱盖的打开角度可通过中央信息显示器 (CID) 上的一个菜单用控制器分五档规定。后行李箱盖这时只打开到一个设定的角度。
将描述后行李箱盖提升装置的下列部件:
安装主轴驱动装置代替后行李箱盖上的左右空气压力挺杆。主轴驱动装置由下列部件组成:

索引 |
解释 |
索引 |
解释 |
|---|---|---|---|
1 |
弹簧套件 |
2 |
主轴 |
3 |
变速档位 |
4 |
主轴驱动装置马达 |
5 |
霍尔传感器 |
|
|

索引 |
解释 |
索引 |
解释 |
|---|---|---|---|
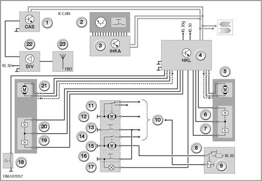
1 |
便捷进入及起动系统 (CAS) |
2 |
中央控制台开关中心内的后行李箱盖按钮 |
3 |
自动恒温空调 (IHKA) |
4 |
后行李箱盖提升装置 (HKL) |
5 |
右侧主轴驱动装置马达 |
6 |
右侧霍尔传感器 |
7 |
右侧霍尔传感器 |
8 |
后部分电器 |
9 |
自动软关系统 (SCA) 继电器 |
10 |
用于接线盒控制单元的接口 |
11 |
后行李箱盖触点开关 |
12 |
上部后行李箱盖锁马达 |
13 |
后行李箱盖外部后行李箱盖按钮 |
14 |
自动软关系统驱动装置触点 |
15 |
后行李箱盖自动软关系统马达 |
16 |
后行李箱盖内部后行李箱盖按钮 |
17 |
后行李箱盖内部后行李箱盖按钮照明 |
18 |
下部后行李箱盖微开关 |
19 |
左侧霍尔传感器 |
20 |
左侧霍尔传感器 |
21 |
左侧主轴驱动装置马达 |
22 |
遥控接收器 |
23 |
左侧霍尔传感器 |
|
|

索引 |
解释 |
索引 |
解释 |
|---|---|---|---|
1 |
后行李箱盖提升装置控制单元 |
|
|
后行李箱盖提升装置安装在行李箱内右侧,在装置架上。HKL 控制和监控自动后行李箱盖操作功能。
逻辑控制装置连接在总线端 Kl. 30g 上。为了获得主轴驱动装置的负载电流,HKL 还连接在总线端 Kl. 30 上。
后行李箱盖提升装置在 9 V 到 16 V 之间工作。在这个范围之外不能正确保持功能。
便捷进入及起动系统 (CAS) 接收遥控器或识别传感器的信号,并检测此信号。如果检测 (资格检验) 成功,则 CAS 给予后行李箱盖解除联锁许可。
接线盒电子装置执行后行李箱盖的解除联锁。接线盒电子装置插在前部分电器中。
后行李箱盖按钮接地。后行李箱盖按钮的信号由接线盒电子装置检测。接线盒电子装置通过 K-CAN 将后行李箱盖按钮的状态用信号传递到 HKL。
内部后行李箱盖按钮与外部后行李箱盖按钮并联连接在接线盒电子装置上。因此接线盒电子装置不区分这两个后行李箱盖按钮。
通过后窗天线接收遥控器的无线电信号。多相择优选择模块中的遥控接收器将信号通过 K-CAN 转发至便捷进入及起动系统。便捷进入及起动系统对中控锁功能负主要责任。因此,在带便捷上车功能的车辆上使用的识别传感器具有与遥控器相同的功能。
此后行李箱盖按钮根据电阻设码。空调器控制单元分析此后行李箱盖按钮的状态。空调器控制单元通过 K-CAN 发送此状态。
后行李箱盖触点开关在后行李箱盖关闭时接地。后行李箱盖触点开关的状态由接线盒电子装置进行分析并提供使用。

索引 |
解释 |
索引 |
解释 |
|---|---|---|---|
1 |
下部后行李箱盖微开关 |
|
|
下部后行李箱盖的触点被设计成微开关并接地。此微开关的状态由 HKL 进行分析。如果下部后行李箱盖未正确关闭,则不能执行自动后行李箱盖操作。后行李箱盖提升装置于是产生一条检查控制信息,并通过 K-CAN 发送此信息。
描述了后行李箱盖提升装置的下列系统功能:
通过操纵后行李箱盖按钮之一可以自动打开或关闭后行李箱盖。中央控制台开关中心内的后行李箱盖按钮例外。利用此按钮只能自动打开后行李箱盖。
在通过 CAS 许可后,接线盒电子装置执行后行李箱盖的解除联锁。首先控制自动软关系统驱动装置,以便将后行李箱盖松开。然后控制后行李箱盖锁。
后行李箱盖触点开关从关闭切换到打开,并在打开时控制主轴驱动装置。
后行李箱盖被完全打开或打开至设定的打开角度。如果在后行李箱盖运动过程中锁止条件 (参见锁止条件) 之一激活,则后行李箱盖运动停止。
在打开过程中短按后行李箱盖按钮可停止打开。
在 HKL 中集成了 ”缓慢起动” 或 ”缓慢渐停” 功能。这就意味着,在后行李箱盖快要达到极限位置前通过降低关闭或打开速度将后行李箱盖缓慢移动到极限位置。(例外:在关闭时无缓慢渐停)。这可通过改变控制电压的脉冲宽度实现。
在带便捷上车功能的车辆上也可以在车辆已联锁时执行后行李箱盖的打开。通过按压外部后行李箱盖按钮,可以自动打开后行李箱盖。只需要在汽车尾部附近有一个与车辆匹配的识别传感器。
自动后行李箱盖操作装置不能在行驶模式中激活,而只能在车辆静止时激活。
一旦后行李箱盖已部分打开,就可以用手朝 ”打开” 或 ”关闭” 方向移动后行李箱盖。
在主轴驱动装置中分别集成了一个马达。在此马达中安装了两个相互错开的霍尔传感器。因此能够识别马达的旋转方向。此外,可以根据霍尔传感器脉冲识别行程并因此识别后行李箱盖的打开角度。霍尔传感器脉冲例如可用于通过中央信息显示器调整打开角度。
锁止识别在打开和关闭后行李箱盖时起作用。打开时的后行李箱盖运动锁止引起后行李箱盖运动立即停止。如果在关闭时后行李箱盖运动锁止,则 HKL 短时间朝反向控制主轴驱动装置 (= 换向)。如果后行李箱盖仍旧保持锁止,则不再控制主轴驱动装置。
当霍尔传感器脉冲消失或马达电流升高时,识别到一个锁止。
为了防止马达过热,在 HKL 中集成了一个重复断电机构。为重复断电机构累计马达运行时间。如果累计运行时间超过 2 分钟,则不接受新的操纵。已经在进行的动作始终完成。在经过 6 分钟的冷却时间后,可以重新开始 2 分钟的马达运行时间。
为了防止车辆损坏,在许多情况下不允许操纵后行李箱盖。
下面列出了这些锁止条件:
锁止条件 |
解释 / 提示 |
|---|---|
行驶速度 vmax>3 km/h |
特殊情况:关闭命令将执行到结束。通过 K-CAN 来自组合仪表的速度信号 |
车外温度 < - 30 °C 和 +80 °C |
通过 K-CAN 来自组合仪表的车外温度信号 |
车载网络电压 <9 V 至 16 V> |
|
下部后行李箱盖未关闭 |
后行李箱盖正在进行的运动中断,后行李箱盖的操作锁止。仍旧能够打开。 |
发动机起动 (状态 ”总线端 Kl. 50 接通”) |
通过 K-CAN 来自 CAS 的信号后行李箱盖正在进行的运动中断,后行李箱盖的操作锁止。 |
在速度或温度信号无效时,可以使后行李箱盖运动。
损坏的主轴驱动装置必须完整更换。
在更换主轴驱动装置时总线端 Kl. 30g 应保持关闭。否则会生成一条故障代码存储记录,并且自动后行李箱盖操作装置不工作。
在更换后行李箱盖提升装置控制单元或主轴驱动装置后,必须重新学习上部极限位置。为此在第一次打开时将后行李箱盖运动到上部极限位置直至锁止。
后行李箱盖的锁止和主轴驱动装置霍尔传感器脉冲的消失标记后行李箱盖的最大打开角度点。从这个点减去约全部霍尔传感器脉冲 5 % 的值。这就是后行李箱盖将来的打开角度。这个点也被称作软停点。
通过软停可避免后行李箱盖一直打开到极限位置并因此受损。
下部极限位置可通过将后行李箱盖锁的后行李箱盖触点开关从打开切换到关闭确定。
后行李箱盖在松开后行李箱盖按钮后才开始运动。
不能通过遥控器关闭后行李箱盖。
保留印刷错误、内容疏忽和技术更改的可能性。