转弯照明灯只能与特种装备随动控制大灯组合使用。转弯照明灯辅助随动控制大灯照亮车辆前面和旁边的区域。
将描述转弯照明灯的下列部件:
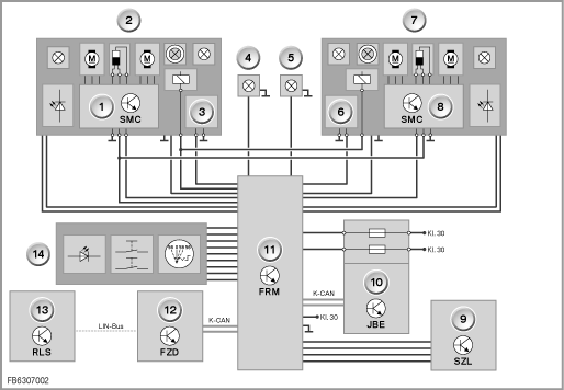
为了能够激活转弯照明灯,灯开关必须位于开关位置 ”A”。灯开关有一个用于自动车灯控制的绿色指示灯。识别到系统故障时,此指示灯开始闪烁。灯开关直接与脚部空间模块 (FRM) 连接。
转弯照明灯需要一个专用前雾灯。此前雾灯包含一个转弯照明灯反光镜。前雾灯一接通,前雾灯灯泡的光线就照射到转弯照明灯反光镜上。此反光镜采用特殊造型,可将光线反射到转弯区域内。具有转弯照明灯功能的前雾灯可从外部通过反光镜全镀铬来识别。
RLSS 位于挡风玻璃上,集成在车内后视镜的镜脚中。RLSS 识别晨昏或黑夜。在超过阈值时,RLSS 向车顶功能中心 (FZD) 发送一个信息。RLSS 通过 LIN 总线与 FZD 连接。FZD 将此信息通过 K-CAN 转发至脚部空间模块 (FRM)。
行驶方向远光灯开关位于 SZL 中。行驶方向远光灯开关向 SZL 发送其信号。SZL 将接收到的信号直接转发至脚部空间模块 (FRM)。
FRM 负责转弯照明灯的控制。FRM 也控制灯开关中的指示灯。FRM 直接或通过 K-CAN 接收所有接通条件。FRM 位于驾驶员侧脚部空间侧面,在仪表板下面。
JBE 负责电源供应。JBE 通过 K-CAN 与 FRM 连接。JBE 位于仪表板下方,在前乘客脚部空间内。

E70 的前雾灯结构
索引 |
解释 |
索引 |
解释 |
|---|---|---|---|
1 |
转弯照明灯反光镜 |
2 |
前雾灯反光镜 |
3 |
前雾灯灯泡 |
|
|

E70 方框图
索引 |
解释 |
索引 |
解释 |
|---|---|---|---|
1 |
左步进马达控制器 (SMC) |
2 |
左主大灯 |
3 |
左氙气灯控制单元 |
4 |
左前雾灯 |
5 |
右前雾灯 |
6 |
右氙气灯控制单元 |
7 |
右主大灯 |
8 |
右步进马达控制器 (SMC) |
9 |
转向柱开关中心 (SZL) |
10 |
接线盒电子装置 (JBE) |
11 |
脚部空间模块 (FRM) |
12 |
车顶功能中心 (FZD) |
13 |
雨天 / 行车灯 / 光照传感器 (RLSS) |
14 |
灯开关 |
转弯照明灯不会一下子接通和关闭。转弯照明灯逐渐 (按照特定的时间参数) 接通和关闭。根据国家情况,在转向时接通和关闭转弯照明灯。
描述了转弯照明灯的下列系统功能:
在静止状态下,转弯照明灯在一定时间后关闭,例如在红绿灯前等待通过时。然而转弯照明灯可通过行驶方向远光灯开关重新接通。
转弯照明灯要激活的一侧取决于下列条件:
行驶方向前进
行驶方向倒车
仅限美规车型:
当识别到转弯照明灯损坏时,显示与前雾灯相同的检查控制信息。
保留印刷错误、内容疏忽和技术更改的可能性。