为了保证交通报警服务 ”实时交通信息 (RTTI)”,在 IBOC 控制单元上安装了一个无源天线分配器。借此可向 IBOC 控制单元和 CCC 提供 HF 信号。RTTI 只能与 Professional 导航系统配合使用。CCC 为导航提供接收的交通信息。

索引 |
解释 |
索引 |
解释 |
|---|---|---|---|
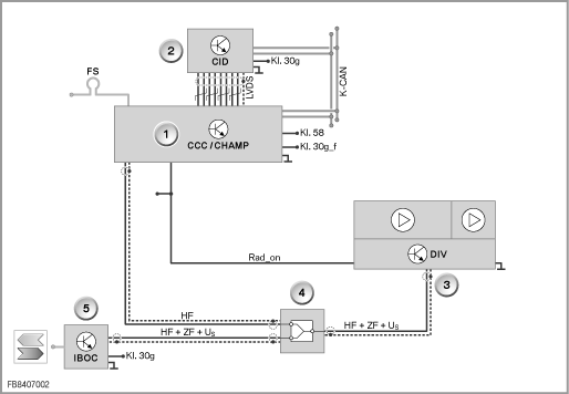
1 |
主机 |
2 |
中央信息显示器 |
3 |
天线放大器与多相择优选择模块 |
4 |
天线分配器 |
5 |
IBOC 控制单元 |
将描述 RTTI 分配器的下列部件:

索引 |
解释 |
索引 |
解释 |
|---|---|---|---|
1 |
IBOC |
2 |
RTTI 分配器及支架 |
3 |
AM/FM 信号 (天线放大器与多相择优选择模块) 插头颜色码:黑色 |
4 |
AM/FM 信号 (CCC) 插头颜色码:咖哩黄 |
5 |
AM/FM 信号 (IBOC) 插头颜色码:黑色 |
高清晰度收音机的 IBOC 控制单元设计成用于接收 AM 和 FM 频率范围内的数字和模拟无线电台的混合调谐器。接收数字信号时使用与接收模拟信号时相同的信道。因此也能够使用已经熟悉的组件天线放大器与多相择优选择模块以及 AM 和 FM 天线。
IBOC 控制单元对数字音频数据进行解码,并将这些数据通过 MOST 总线 (多媒体传输系统总线) 发送至主机。主机将音频数据转换成模拟 NF 信号。NF 信号被通过扬声器输出。
CCC 控制单元设计用于接收 AM 和 FM 频率范围内的模拟无线电台。与 IBOC 组合使用时,此功能不在 CCC 中,而在 IBOC 中转换。接收模拟信号时使用组件天线放大器与多相择优选择模块以及 AM 和 FM 天线。
天线功率被不对称分配。IBOC 调谐器得到一个阻尼 1 dB 的信号,主机得到一个阻尼 10 dB 的信号。因此,由有源 FM 天线提供的电平按 9:1 (IBOC:RTTI) 的比例分配。天线功率由分配器按 10:1 (IBOC:RTTI) 的比例分配。这个天线功率分配已足以使 CCC 能够接收 RTTI 数据。择优多相式天线由 IBOC 控制单元控制。
有一个测试模块可用于检查 RTTI 分配器。可通过诊断故障症状选择 (65006_CCC:功能故障) 或通过功能选择 (整车 / 车身 / 音频、视频、电话、导航 (MOST 环形结构) / 导航) 访问。
保留印刷错误、内容疏忽和技术更改的可能性。