Hinweis! SA 5DF länderabhängig nur in Verbindung mit bestimmten Sonderausstattungen.
Die aktive Geschwindigkeitsregelung mit Stop&Go-Funktion
ist derzeit nur mit SA 205 ”Automatikgetriebe” oder
mit SA 2TB ”Sport-Automatikgetriebe” verfügbar.
In
einigen Märkten wird wegen Zulassungsbeschränkungen
die ACC ohne Stop&Go-Funktion angeboten.
ACC ohne Stop&Go-Funktion unterscheidet
sich nur durch die fehlenden Nahbereichssensoren.
In
Europa wird die SA 5DF nur in Verbindung mit Navigationssystem
angeboten. Grund: Gesetzlich vorgeschriebene Abschaltung bei Näherung
an radioastronomische Stationen.

Index |
Erklärung |
Index |
Erklärung |
|---|---|---|---|
1 |
Mittelachse des Nahbereichssensors links |
2 |
Fahrzeuglängsachse |
3 |
Mittelachse des Fernbereichssensors |
4 |
Mittelachse des Nahbereichssensors rechts |
5 |
Fernbereichssensor mit Halter |
6 |
Nahbereichssensor rechts mit Halter |
7 |
Stoßfängerträger |
8 |
Nahbereichssensor links mit Halter |
Folgende Hinweise im Service zu beachten:
Der nachfolgende Text beschreibt die neue aktive Geschwindigkeitsregelung mit Stop&Go-Funktion (Sonderausstattung 5DF).
Die aktive Geschwindigkeitsregelung mit Stop&Go-Funktion
ist eine Erweiterung der bisher bekannten aktiven Geschwindigkeitsregelung
(ACC).
Als Ergänzung zur bekannten aktiven Geschwindigkeitsregelung
ermöglicht die Stop&Go-Funktion:
Die Wunschgeschwindigkeit ist im Bereich von 30 km/h bis 180 km/h wählbar: in komfortablen 10er Schritten oder feinen 1er-Schritten. Die Wunschgeschwindigkeit wird in der Instrumentenkombination angezeigt. Weiterhin besteht die Möglichkeit, zwischen 4 Abständen zu wählen.
Mit der neuen Sonderausstattung kommt auch einer neuer
Sub-Bus zum Einsatz: Sensor-CAN (S-CAN).
Folgende Bauteile werden für ACC beschrieben:
Die Nahbereichssensoren sind Radarsensoren (Short Range Radar).
Für ACC mit Stop&Go-Funktion
sind 2 identische Nahbereichssensoren eingebaut. Die Nabereichssensoren
sind am vorderen Stoßfängerträger mit
einem Halter aus Kunststoff montiert.

Index |
Erklärung |
Index |
Erklärung |
|---|---|---|---|
1 |
Nahbereichssensor |
2 |
Halter |
Die Nahbereichssensoren sind über den Sensor-CAN (S-CAN) mit dem LDM-Steuergerät verbunden.
Die Nahbereichssensoren haben folgende Aufgabe:
Die Objektdaten der Nahbereichssensoren werden nur für die ACC Stop&Go-Funktion verwendet (nicht für adaptiven Bremsassistenten).
LRR steht für Long Range Radar.

Index |
Erklärung |
Index |
Erklärung |
|---|---|---|---|
1 |
Fernbereichssensor |
2 |
Halter |
Der Fernbereichssensor (der frühere ACC-Sensor) ist ein Radarsensor. Gleichzeitig ist der Fernbereichssensor ein Steuergerät. Damit hat der Fernbereichssensor eine Steuergeräteadresse und ist diagnose- und programmierfähig.
Ein Fernbereichssensor erfasst Abstand, Winkel sowie Geschwindigkeit von bewegten Objekten. Der erfasste Bereich beträgt bis 150 Meter vor dem Fahrzeug. Im LDM-Steuergerät (Längsdynamikmanagement) werden diese Daten verarbeitet.
Das Steuergerät für Längsdynamikmanagement
ist auf dem Geräteträger hinter dem Handschuhkasten
eingebaut.

Index |
Erklärung |
Index |
Erklärung |
|---|---|---|---|
1 |
Geräteträger |
2 |
LDM-Steuergerät |
Für die ACC mit Stop&Go-Funktion übernimmt das LDM-Steuergerät folgende Aufgaben:
LRR und LDM-Steuergerät werden vom CAS-Steuergerät mit einer eigenen Wake-up-Leitung versorgt, die von der üblichen Wake-up-Leitung elektrisch entkoppelt ist. Diese Lösung wurde gewählt, da der Fernbereichssensor in einem unfallgefährdeten Bereich verbaut ist (Fahrzeugfront). Würde bei einem Unfall die Wake-up-Leitung des LRR beschädigt (z. B. Kurzschluss nach Masse), so halten sich durch diese Lösung die Auswirkungen auf andere Steuergeräte in Grenzen.
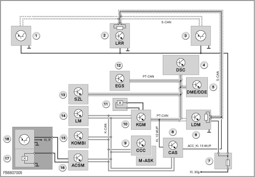
Der neue Sensor-CAN (S-CAN) verbindet:
Der S-CAN war wegen der großen Datenmenge
von den Radarsensoren notwendig.
Diese Datenmenge hätte
die freie Übertragungskapazität auf vorhandenen
Bus-Systemen überschritten.

Index |
Erklärung |
Index |
Erklärung |
|---|---|---|---|
1 |
Nahbereichssensor links |
2 |
Fernbereichssensor (LRR) |
3 |
Nahbereichssensor rechts |
4 |
Dynamische Stabilitäts-Control (DSC) |
5 |
Digitale Motor Elektronik (DME) oder Digitale Diesel Elektronik (DDE) |
6 |
Längsdynamikmanagement (LDM) |
7 |
Sicherung im Gepäckraum |
8 |
Car Access System (CAS) |
9 |
Car Communication Computer (CCC) und Multi-Audiosystem-Kontroller (M-ASK) |
10 |
Karosserie-Gateway-Modul (KGM) |
11 |
Türkontakt Fahrertür |
12 |
Elektronische Getriebesteuerung (EGS) |
13 |
Schaltzentrum Lenksäule (SZL) |
14 |
Lichtmodul (LM) |
15 |
Instrumentenkombination (KOMBI) |
16 |
Advanced Crash Safety Module (ACSM) |
17 |
Gurtschlosskontakt |
18 |
Sitzbelegungsmatte |
Merkmale des Sensor-CAN:
Folgende Systemfunktionen werden beschrieben:
Zur Umsetzung der Stop&Go-Funktion
ist ein komplexer Systemverbund mit verteilten Funktionen in weiteren
Steuergeräten notwendig. Das LDM-Steuergerät
ist über Datenbusse mit diesen weiteren Steuergeräten
verbunden.

Index |
Erklärung |
Index |
Erklärung |
|---|---|---|---|
1 |
Fernbereichssensor (LRR) |
2 |
Nahbereichssensor links |
3 |
Nahbereichssensor rechts |
4 |
Schaltzentrum Lenksäule (SZL) |
5 |
Karosserie-Gateway-Modul (KGM) |
6 |
Instrumentenkombination (KOMBI) |
7 |
Dynamische Stabilitäts-Control (DSC) |
8 |
Elektronische Getriebesteuerung (EGS) |
9 |
Digitale Motor Elektronik (DME) oder Digitale Diesel Elektronik (DDE) |
10 |
Längsdynamikmanagement (LDM) |
Für die Gesamtfunktion sind folgende
Steuergeräte vernetzt:
Steuergerät |
Funktion |
|---|---|
DME oder DDE: Motorsteuerung |
Umsetzung der Momentenanforderung Signal ”Motor läuft” |
DSC: Dynamische Stabilitäts-Control |
Fahrzustand Umsetzung der Bremseneingriffe |
SZL: Schaltzentrum Lenksäule |
Bedienhebel Lenkwinkel Ansteuerung Fanfaren |
CCC, M-ASK: Navigationssystem |
Daten vom Navigationssystem (Einfluss auf Regelgrößen) |
KOMBI: Instrumentenkombination |
Darstellung der Anzeigen (ACC und Check-Control-Meldungen) |
EGS: Getriebesteuerung |
Fahrstufe |
CAS: Car Access System |
Klemmenstatus und Wake-up-Leitung |
KGM: Karosserie-Gateway-Modul |
Türkontakt (Ausstiegsabsicht des Fahrers) |
AHM: Anhängermodul |
Erkennung Anhängerbetrieb |
ACSM. Crash-Sicherheits-Modul |
Fahrersitzbelegung (Ausstiegsabsicht des Fahrers) Gurtschlosskontakt (Ausstiegsabsicht des Fahrers) |
RLS: Regen-Fahrlichtsensor |
Fahrbahnzustand (Nässe) |
SZM: Schaltzentrum Mittelkonsole |
DTC-Taste |
LM: Lichtmodul |
Ansteuerung Warnblinkanlage |
Der adaptive Bremsassistent ist eine Funktion der DSC. Das LDM-Steuergerät ist dabei das Gateway vom S-CAN zum PT-CAN.
Den größten Nutzen bietet der adaptive
Bremsassistent in Notbremssituationen. Wenn der Fahrer des vorausfahrenden
Fahrzeugs stark bremst, erkennt diese Situation der Fernbereichssensor.
Der
Bremsassistent unterstützt dabei, den Bremsvorgang optimal
zu auszuführen und so bestenfalls einen Auffahrunfall zu
verhindern.
Dazu sind folgende Funktionen vorhanden:
Der adaptive Bremsassistent ist bei aktiviertem ACC immer eingeschaltet.
Der adaptive Bremsassistent steht auch bei ACC ohne Stop&Go-Funktion
zur Verfügung.
Wenn die Funktionsgrenzen von ACC erreicht werden, kann ein für den Fahrer erklärungsbedürftiges Systemverhalten auftreten. Nachfolgend sind solche Situationen beschrieben:
Druckfehler, Irrtümer und technische Änderungen vorbehalten.