Die aktive Bremsluftklappensteuerung verbessert die Aerodynamik des Fahrzeugs. Dadurch wird eine Verringerung der CO2-Emissionen erreicht. Abhängig von der Motorvariante und der Sonderausstattung ist eine Bremsluftklappensteuerung im Fahrzeug eingebaut.
Das System besteht aus:
Die beiden Bremsluftklappen sind unten im Stoßfänger eingebaut. Das Umschaltventil ist am linken Federbeindom befestigt.
Die Bremsluftklappen werden durch Unterdruck angesteuert.
Die Unterdruckpumpe am Motor erzeugt diesen Unterdruck. Der Unterdruck
wirkt auf eine Unterdruckdose am Gehäuse der Bremsluftklappe.

Index |
Erklärung |
Index |
Erklärung |
|---|---|---|---|
1 |
Stoßfänger |
2 |
Bremsluftklappe rechts |
3 |
Bremsluftklappe links |
|
|
An den beiden Bremsluftklappen befindet sich je 1 Hallsensor.
Die Hallsensoren ermitteln die Stellung der Bremsluftklappen (offen
oder geschlossen).

Index |
Erklärung |
Index |
Erklärung |
|---|---|---|---|
1 |
Bremsluftklappe |
2 |
Hallsensor |
3 |
Unterdruckanschluss |
4 |
Unterdruckdose |
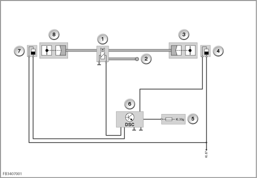
Das Umschaltventil wird von der dynamischen Stabilitäts-Control
(DSC) angesteuert.

Index |
Erklärung |
Index |
Erklärung |
|---|---|---|---|
1 |
Umschaltventil |
2 |
von der Unterdruckpumpe |
3 |
Bremsluftklappe rechts |
4 |
Hallsensor rechts |
5 |
Spannungsversorgung, Klemme 30g |
6 |
Dynamische Stabilitäts-Control (DSC) |
3 |
Hallsensor links |
4 |
Bremsluftklappe links |
Durch Ansteuerung der Bremsluftklappen werden die aerodynamischen Eigenschaften des Fahrzeugs optimiert.
Abhängig vom Motorlauf ergeben sich 2 Zustände für die Bremsluftklappen:
Motor AUS |
Bremsluftklappen offen |
Motor EIN |
Bremsluftklappen schließen nach wenigen Sekunden |
Um eine Überhitzung der Bremsscheiben zu verhindern, werden die Bremsluftklappen ab einer Bremsscheibentemperatur von 250 °C geöffnet.
Wenn eine Störung vorliegt, können
die Bremsluftklappen eventuell nicht mehr geöffnet werden.
Als Überhitzungsschutz
der Bremsscheiben wird dann die Motorleistung reduziert.
Warnung! Arbeiten bei abgestelltem Motor durchführen.
Arbeiten an den Bremsluftklappen, insbesondere Prüfung der Bremsluftklappen auf Schwergängigkeit, dürfen nur bei ausgeschaltetem Motor durchgeführt werden. Sonst besteht Verletzungsgefahr.
Druckfehler, Irrtümer und technische Änderungen vorbehalten.