Hinweis! Struktur dieses Dokuments.
Am Anfang dieses Dokuments sind die wichtigsten Diagnosehinweise beschrieben. Im Anschluss daran finden Sie die Funktionsbeschreibung.
Ergeben sich nach einer Reparatur Probleme beim Fehlerspeicher löschen,folgende Vorgehensweise anwenden:
Achtung!
Kontroll- und Warnleuchten werden bei bestimmten Fehlern gegebenenfalls erst nach einer kurzen Probefahrt gelöscht.
Nach einem Tausch der DSC-Einheit oder des DSC-Steuergeräts: Die Parameter für die Reifen Pannen Anzeige (RPA) sowie die Fahrgeschwindigkeitsregelung über Progman müssen codiert werden.
Bezüglich der DSC-Funktion codiert
sich das DSC-Steuergerät selbst. Bei diesem Vorgang
wird auch die Fahrgestellnummer abgespeichert. Ein Abgleich des Lenkwinkelsensors
ist bei DSC 8/DSC 8Plus deshalb nicht erforderlich.
Bei jedem Aufstarten (Zündung ein) vergleicht die DSC die
gespeicherte Fahrgestellnummer mit der aktuellen Fahrgestellnummer.
DSC codiert sich entsprechend dem Fahrzeugtyp, wenn die Fahrgestellnummern
nicht übereinstimmen. Bei dieser Gelegenheit werden die
gelernten Abgleichwerte der Sensoren auf die Grundeinstellung zurückgesetzt (Ausnahme:
Längsbeschleunigungssensor).
Folgende
Arbeiten durchführen:
Nach einem Tausch des DSC-Sensors muss die Servicefunktion ”Abgleich DSC-Sensor” durchgeführt werden. Im DSC-Sensor wird der Längsbeschleunigungssensor abgeglichen.
Der Lenkwinkelsensor bildet eine Einheit mit dem Schaltzentrum Lenksäule. Der Lenkwinkelsensor kann nicht einzeln getauscht werden. Die Servicefunktion ”Abgleich Lenkwinkelsensor” bzw. bei Fahrzeugen mit Aktivlenkung die Servicefunktion ”Inbetriebnahme/Justierung Aktivlenkung” muss nach folgenden Arbeiten durchgeführt werden:
Der E70 wird serienmäßig mit der dynamischen
Stabilitäts-Control (DSC) ausgestattet.
E60/E61
ab 03/2007.
Die DSC ist eine Weiterentwicklung der DSC
8Plus. Zur Unterscheidung wird dieses Fahrwerkregelsystem ”DSC
Premium” genannt. Systemlieferant für die DSC
ist Bosch.
Die Regelfunktionen der DSC sind weiter optimiert. Die Verbesserung wurde durch den Einsatz einer Rückförderpumpe mit 6 Kolben sowie eine leistungsfähigere Elektronik erreicht. Im Vergleich zum Vorgängermodell (E53) erhält der E70 erweiterte Funktionen:
Weitere Fahrsicherheit ergibt sich in Kombination mit anderen Systemen:
DSC ist ein System zur Fahrdynamik, das die Fahrstabilität aufrecht erhält. DSC optimiert:
DSC erkennt darüber hinaus instabile Fahrzustände, wie Unter- oder Übersteuern. DSC hilft, das Fahrzeug innerhalb der physikalischen Grenzen auf sicherem Kurs zu halten.
Dazu müssen der DSC folgende fahrdynamische Messgrößen bekannt sein:
Zusätzlich wird der Fahrerwunsch aus dem Lenkwinkel
und dem Bremsdruck, den der Fahrer über das Pedal ausübt,
erkannt. Darüber hinaus liefern Raddrehzahlsensoren die
Information über die Geschwindigkeit der einzelnen Räder.
Aus den zur Verfügung stehenden Messwerten wird der Istzustand
ermittelt, in dem sich das Fahrzeug im Moment bewegt. Der Istzustand
wird mit Sollwerten verglichen, die im DSC-Steuergerät berechnet
werden. Weichen die aktuellen Istwerte vom Sollzustand ab, wird
DSC aktiv und greift aktiv in das Bremssystem bzw. in die Motorsteuerung
ein.
Folgende Bauteile für die dynamische Stabilitäts-Control werden beschrieben:
Die DSC-Einheit besteht aus DSC-Steuergerät
und Hydraulikeinheit. Das DSC-Steuergerät steuert über
Ventilspulen die Hydraulikeinheit an.

Index |
Erklärung |
Index |
Erklärung |
|---|---|---|---|
1 |
DSC-Steuergerät mit Steckverbindung |
2 |
Hydraulikeinheit |
3 |
Pumpenmotor |
|
|
In der DSC-Einheit ist ein Bremsdrucksensor.
Dieser Bremsdrucksensor erfasst den über das Bremspedal
und den Bremskraftverstärker aufgebrachten Bremsdruck.
Der
Bremsdrucksensor hat einen Messbereich von 0 bis 250 bar.
Sein Nullpunkt wird nur während der Fahrt abgeglichen.
Die DSC-Einheit ermöglicht mit seinem
neuen Konzept eine genauere Regelung. Im Pumpenmotor arbeiten 2
x 3 Pumpenelemente mit 6,5 mm. Durch dieses
Konzept ergibt sich eine wesentlich verbesserte Druckdynamik. Dadurch
pulsiert das Bremspedal bei einer ABS-Regelung geringer.
Zudem stellt sich eine höhere Regelgüte bei Hill
Descent Control (HDC) ein.

Index |
Erklärung |
Index |
Erklärung |
|---|---|---|---|
A |
DSC 8Plus |
B |
DSC Premium |
1 |
Volumenstrom [l/min] |
2 |
Zeit [s] |
Der Stromverteiler an der Junction-Box-Elektronik (JBE) versorgt die DSC-Einheit mit Spannung. Einmal Klemme 30 für die Rückförderpumpe, einmal Klemme 30 für die Magnetventile. Das DSC-Steuergerät erhält Klemme 30g.
Die aktiven Raddrehzahlsensoren ermitteln die Radumfangsgeschwindigkeiten
der einzelnen Räder. Zudem erkennen die Raddrehzahlsensoren
die Drehrichtung (vorwärts bzw. rückwärts).
Bei stillstehendem Rad sendet der Raddrehzahlsensor alle
0.75 Sekunden
einen Impuls aus. Durch den Stromimpuls wird die Verfügbarkeit
des Raddrehzahlsensors angezeigt.
Folgende Vorteile ergeben sich durch aktive Raddrehzahlsensoren:

Index |
Erklärung |
Index |
Erklärung |
|---|---|---|---|
1 |
Raddrehzahlsensor Vorderachse |
2 |
Raddrehzahlsensor Hinterachse |
3 |
Impuls für die Drehzahl |
4 |
zusätzliche Informationen, wie Drehrichtung und Luftspalt |
5 |
Signalverlauf |
6 |
Radlager mit Magneten |
An der Vorder- sowie Hinterachse ist um das Radlager ein Kreis aus Magneten (Inkrementenkranz). Die Nord- und Südpole des Inkrementenkranzes wechseln einander ab. Ein Nordpol mit einem Südpol entspricht 1Inkrement (vergleichbar Zahn/Lücke eines Inkrementenrades). Der Raddrehzahlsensor besteht aus 3 Hallsensoren und einer Auswerteelektronik.
Die aktiven Raddrehzahlsensoren ändern ihren elektrischen Widerstand unter Einfluss eines Magnetfeldes. Jedes Inkrement verursacht 2 Impulse im Raddrehzahlsensor (96 Impulse/Radumdrehung). Für die Datenübertragung an das Steuergerät werden an die Flanke des Impulses noch zusätzliche Daten angefügt. Diese integrierte Datenverarbeitung geht funktional über die reine Drehzahlerfassung hinaus. Folgende zusätzliche Informationen sind z. B. möglich:
Der DSC-Sensor misst:

Index |
Erklärung |
Index |
Erklärung |
|---|---|---|---|
1 |
DSC-Sensor |
2 |
Steckverbindung |
Das Sensorelement besteht aus 2 piezoelektrischen Beschleunigungssensoren.
In der Messzelle der Beschleunigungssensoren ist eine Masse federnd
aufgehängt.
Bei beschleunigter Bewegung werden
2 federnd aufgehängte Massen mitbeschleunigt. Die dazu
notwendige Kraft erzeugt eine mechanische Spannung im piezoelektrischen Material.
Die dadurch entstehende elektrische Ladungsverschiebung wird mit Elektroden
aus Metall abgenommen und als elektrisches Signal weiterverarbeitet.
Aus der Differenz beider Beschleunigungssignale wird die Gierrate
abgeleitet. Der DSC-Sensor liefert somit jeweils ein Gierraten- und
ein Beschleunigungssignal.
Der Längsbeschleunigungssensor wird für den Anfahrassistenten benötigt.
Der DSC-Sensor ist über den Fahrwerks-CAN (F-CAN) mit dem DSC-Steuergerät verbunden.
Das DSC-Steuergerät versorgt den DSC-Sensor mit Spannung.
Der Lenkwinkelsensor ist im Schaltzentrum Lenksäule (SZL) eingebaut. Der Lenkwinkelsensor misst optisch und berührungslos den Lenkradwinkel. Der Lenkwinkelsensor ist auf der Platine mit der Auswerteelektronik befestigt. Der Lenkwinkelsensor besteht aus folgenden Komponenten: Kodescheibe und optischer Sensor.
Die Kodescheibe ist über die Wickelfederkassette
mit dem Lenkrad verbunden. Wenn das Lenkrad bewegt wird, bewegt
sich die Kodescheibe innerhalb des optischen Sensors. Auf der Kodescheibe
sind verschiedene Linienmuster für die Auswertung.

Index |
Erklärung |
Index |
Erklärung |
|---|---|---|---|
1 |
Schaltzentrum Lenksäule (SZL) |
2 |
optischer Sensor |
3 |
Kodescheibe |
|
|
Das SZL ist über den Fahrwerks-CAN (F-CAN) mit dem DSC-Steuergerät verbunden.
Mit der DTC-Taste wird der Betriebszustand des Fahrwerkregelsystems umgeschaltet. Die DTC-Taste trägt die Beschriftung ”DTC”. Durch die DTC-Taste sind 3 Schaltzustände wählbar:
E70:
Die DTC-Taste ist im Schaltzentrum
Mittelkonsole (kein Steuergerät). Das Schaltzentrum Mittelkonsole
ist mit der integrierten Heiz-Klima-Automatik
(IHKA) verbunden. Die IHKA sendet das Signal auf dem K-CAN.
E60 und E61 ab 03/2007:
Die DTC-Taste
ist im Schalterblock links neben dem Ascher. Der Schalterblock ist
am Schaltzentrum Mittelkonsole (SZM) angeschlossen. Das SZM-Steuergerät
ist im Geräteträger hinter dem Handschuhkasten.

Grafik zeigt E70
Index |
Erklärung |
Index |
Erklärung |
|---|---|---|---|
1 |
Schaltzentrum Mittelkonsole |
2 |
HDC-Taste HDC bedeutet Hill Descent Control: Bergabfahrhilfe |
3 |
DTC-Taste |
|
|
E70:
Die HDC-Taste ist ebenfalls im
Schaltzentrum Mittelkonsole.
E60 und E61:
Die frei programmierbaren Tasten
am Lenkrad können mit der Bergabfahrhilfe (HDC) belegt
werden. Zudem kann die HDC über iDrive aktiviert werden.
Die DSC erhält zusätzliche Eingangssignale von folgenden Bauteilen:
Zu geringer Bremsflüssigkeitsstand wird erfasst (im Ausgleichsbehälter über einen Reedkontakt) und dem DSC-Steuergerät mitgeteilt. Bei zu geringem Bremsflüssigkeitsstand ist DSC deaktiviert. Es besteht sonst die Gefahr, dass Luft in das Bremssystem gesaugt wird.
Zusammen mit dem Signal vom Bremsdrucksensor werden Bremsvorgänge
erkannt.
Im Bremslichtschalter ist mit 2 Schaltern (2-stufig)
eingebaut. Ein Signal wird der DSC über eine Leitung zur
Verfügung gestellt. Beide Signale erhält das Motorsteuergerät. Das
Motorsteuergerät sendet das Signal auf dem PT-CAN.
Aus den beiden Signalen erkennt das DSC-Steuergerät,
ob das Bremspedal gedrückt ist.

Index |
Erklärung |
Index |
Erklärung |
|---|---|---|---|
1 |
Bremslichtschalter |
2 |
Steckverbindung |
Das Car Access System (CAS) versorgt den Bremslichtschalter mit Klemme R.
Die Bremsbelagverschleißsensoren (vorn links
und hinten rechts in den innen liegenden Bremsbelägen)
dienen als Zusatzinformation für die Stärke des
Bremsbelags. Über die Zusatzinformation (2 Stützstellen)
wird der berechnete Wert der DSC abgeglichen.

Index |
Erklärung |
Index |
Erklärung |
|---|---|---|---|
1 |
Bremsscheibe |
2 |
Bremssattel |
3 |
Bremsbelagverschleißsensor (Beispiel Hinterachse) |
|
|
Eine kritische Bremsbelagstärke wird in der Instrumentenkombination durch die Servicebedarfsanzeige (Condition Based Service CBS) sowie die allgemeine Bremswarnleuchte in Rot angezeigt.
Folgende weitere Steuergeräte sind an der dynamischen Stabilitäts-Control beteiligt:
Bei Ausfall oder Störung der DSC erscheint im LC-Display ein Check-Control-Symbol. Die Check-Control-Symbole haben alle eine bestimmte Bedeutung.
Bei einer vorliegenden Check-Control-Meldung ist zusätzlich ein ergänzender Handlungshinweis am Central Information Display (CID) anzeigbar.
Das CAS erhält von der DSC ein aufbereitetes Drehzahlsignal. Das CAS erkennt aus dem Signal, ob das Fahrzeug steht oder fährt.
Der Stromverteiler an der Junction-Box-Elektronik
versorgt die DSC-Einheit mit Spannung.
Klemme
30 für die Rückförderpumpe sowie die
Magnetventile.
Klemme 30g für das DSC-Steuergerät.

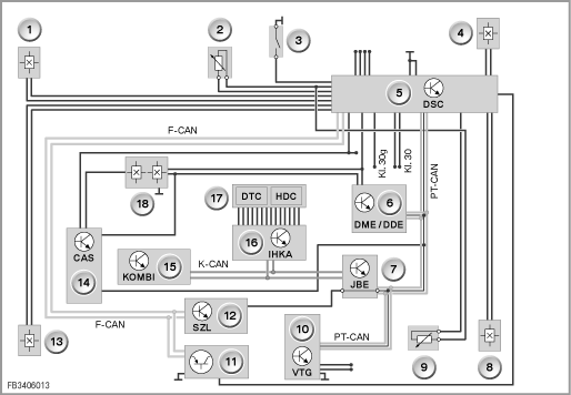
Grafik zeigt E70
Index |
Erklärung |
Index |
Erklärung |
|---|---|---|---|
1 |
Raddrehzahlsensor vorn links |
2 |
Bremsbelagverschleißsensor vorn links |
3 |
Bremsflüssigkeitsniveau-schalter |
4 |
Raddrehzahlsensor vorn rechts |
5 |
Dynamische Stabilitäts-Control (DSC) |
6 |
Digitale Motor Elektronik oder Digitale Diesel Elektronik (DME oder DDE) |
7 |
Junction-Box-Elektronik (JBE) |
8 |
Raddrehzahlsensor hinten rechts |
9 |
Bremsbelagverschleißsensor vorn links |
10 |
Verteilergetriebe (VTG) |
11 |
DSC-Sensor |
12 |
Schaltzentral Lenksäule (SZL) |
13 |
Raddrehzahlsensor hinten links |
14 |
Car Access System (CAS)CAS |
15 |
Instrumentenkombination (KOMBI) |
16 |
Integrierte Heiz-Klima-Automatik (IHKA) |
17 |
Schaltzentrum Mittelkonsole |
18 |
Bremslichtschalter |
F-CAN |
Fahrwerks-CAN |
K-CAN |
Karosserie-CAN |
Kl. 30 |
Klemme 30 |
Kl. 30g |
Klemme 30g |
PT-CAN |
Powertrain-CAN |
|
|
Folgende für den E70 neue Systemfunktionen sind für die DSC beschrieben:
Weitere bekannte Systemfunktionen für die DSC sind:
Zusätzlich sind noch folgende Funktionen integriert, die nicht zur Fahrdynamikregelung gehören:
DTC ist eine für bestimmte Fahrbahnverhältnisse auf Vortrieb optimierte Ausführung des DSC. Die dynamische Traktions-Control (DTC) bietet verbesserte Traktion bei teilweise reduzierter Fahrstabilität und wird deshalb nur für Ausnahmesituationen empfohlen. In folgenden Ausnahmesituationen kann es zweckmäßig sein, DTC kurzzeitig zu aktivieren:
Die Funktion DTC entspricht der DSC mit etwas geänderter
Regelstrategie. DTC kann durch Abschaltung von DSC (DTC-Taste)
aktiviert werden. DTC bildet durch Bremseneingriff die Funktion
einer konventionellen Differenzialsperre nach. Damit erhöht
sich das Antriebsmoment auf die Räder, die auf einem Belag
mit höherem Reibwert stehen.
Vorteil: Mit DTC
steht höhere Traktion zur Verfügung. Eingriffe
zur Stabilisierung des Fahrzeugs (z. B. Reduzierung der
Motorleistung) werden etwas später durchgeführt
als bei der DSC. In bestimmten Situationen muss der Fahrer selbst
stärker korrigierend eingreifen, um das Fahrzeug zu stabilisieren.
Frühzeitiges Anlegen der Bremsbeläge verkürzt die Ansprechzeit der Bremsen. Bei schneller Rücknahme des Fahrpedals (Winkel des Fahrpedals) werden die Bremsbeläge sofort angelegt. Die DSC erzeugt einen niedrigen Bremsdruck, ohne dass eine messbare Verzögerung am Fahrzeug entsteht. Dadurch wird das Lüftspiel zwischen Bremsbelag und Bremsscheibe ausgeglichen. Wenn innerhalb einer halben Sekunde nicht gebremst wird, wird der frühzeitig erzeugte Bremsdruck wieder zurückgenommen. Das frühzeitige Anlegen der Bremsbeläge ist bei einer Fahrgeschwindigkeit größer als 70 km/h aktiv.
Trockenbremsen entfernt die Feuchtigkeit, die sich bei Fahrten auf nasser Fahrbahn oder Regen auf der Bremsscheibe absetzt. Dabei werden die Bremsbeläge leicht angelegt. Auch diese Funktion verkürzt die Ansprechzeit der Bremsen. Abhängig vom Signal des Regensensors bzw. der Stellung des Wischerschalters erzeugt die DSC zyklisch einen niedrigen Bremsdruck. Dabei entsteht keine messbare Verzögerung am Fahrzeug. Die Bremsbeläge werden zyklisch angelegt. Dabei werden die Bremsscheiben regelmäßig abgewischt. Wie oft und wie lange die Bremsbeläge angelegt werden ist abhängig von:
Fading heißt: Die Bremswirkung infolge hoher Bremsscheibentemperatur lässt nach. Als Reaktion auf erkanntes Fading erhöht die DSC den Bremsdruck über den vom Fahrer vorgegebenen Bremsdruck hinaus. Bei sehr hoher Bremsscheibentemperatur wird durch die Fading-Kompensation Folgendes angezeigt:
Die DSC erkennt das Fading wie folgt: Die DSC vergleicht die aktuelle Fahrzeugverzögerung mit einem Sollwert bezogen auf den aktuellen Bremsdruck. Die DSC erhöht den Bremsdruck so lange, bis die Sollverzögerung erreicht wird oder bis sich alle Räder in der ABS-Regelung befinden. Der Vorgang wird beendet, wenn das Bremspedal nicht mehr getreten oder eine Geschwindigkeitsschwelle unterschritten wird.
Beim Anfahren am Hang ist ein Wechsel vom Bremspedal auf das Fahrpedal erforderlich. Der Anfahrassistent verhindert dabei das Wegrollen des Fahrzeugs für folgende Situationen:
Dazu wird der für das Halten des Fahrzeugs benötigte Bremsdruck aufrecht erhalten. Die Fahrbahnneigung wird durch den Längsbeschleunigungssensor im DSC-Steuergerät erfasst. Aus der Fahrbahnneigung wird das notwendige Bremsmoment bzw. Motordrehmoment berechnet. Nach Erkennen des Anfahrwunsches wird der Bremsdruck abgebaut, sobald das anliegende Motordrehmoment ausreicht, um das Fahrzeug in die gewünschte Fahrtrichtung zu bewegen. Bei Betätigung der Feststellbremse wird der Anfahrassistent deaktiviert. Wenn nach dem Lösen des Bremspedals innerhalb von ca. 2 Sekunden kein Anfahrwunsch vorliegt, wird der Anfahrassistent ebenfalls deaktiviert.
Die Geschwindigkeitsregelung mit Bremsfunktion ist funktional
in der DSC integriert. Die Geschwindigkeitsregelung hält
die gewählte Geschwindigkeit zwischen 30 km/h
und 250 km/h konstant.
Im Vergleich zur herkömmlichen
Geschwindigkeitsregelung gibt es folgende Zusatzfunktionen:
Die EMF ist eine Parkbremse.
Bei laufendem Motor
bringt die DSC die Haltekraft hydraulisch auf.
Bei abgestelltem
Motor bringt die EMF über die Stelleinheit die Haltekraft
mechanisch auf.
Das Antiblockiersystem (ABS) verhindert das Blockieren der Räder beim Bremsen. Vorteil: Kurze Bremswege, das Fahrzeug bleibt richtungsstabil und lenkbar. Der Bremsdruck an allen Rädern wird so geregelt, dass jedes Rad in einem optimalen Schlupfbereich läuft. Dabei wird der Schlupf so geregelt, dass möglichst hohe Brems- und Seitenführungskräfte übertragen werden können.
Die elektronische Bremskraftverteilung (EBV) ist ein Bestandteil des ABS. EBV regelt die Bremskraftverteilung zwischen Vorder- und Hinterachse in Abhängigkeit von der Beladung. Vorteil: Unabhängig von der Beladung werden optimale Bremswege bei gleichzeitig hoher Fahrstabilität erreicht. Der Bremsbelagverschleiß wird besser verteilt. Bei Ausfall des ABS bleibt die EBV-Funktion möglichst lange erhalten. Für die EBV-Funktion sind die Signale von mindestens 2 Raddrehzahlsensor pro Achse erforderlich.
Die Cornering Brake Control (CBC) ist eine Erweiterung des ABS. CBC erhöht die Fahrstabilität beim Bremsen in Kurven (”Kurvenlogik”). Vorteil: Optimierung der Fahrstabilität im Teilbremsverhalten bei Kurvenfahrt. Die Verlagerung der Radlasten bei Kurvenfahrten (bereits bei leichten Bremsungen) kann dazu führen, dass die Fahrstabilität verringert wird. CBC erzeugt bei Bedarf bei leichtem Bremsen außerhalb des ABS-Regelbereichs ein stabilisierendes Gegenmoment.
Die Motorschleppmomentregelung (MSR) verhindert die Blockierneigung der Antriebsräder auf glatter Fahrbahn. Beim Zurückschalten oder bei abruptem Lastwechsel besteht (besonders auf einer Fahrbahn mit niedrigem Reibwert) die Gefahr, dass die Antriebsräder durch das Motorschleppmoment blockieren. Über die Raddrehzahlsensoren erkennt MSR die Blockierneigung bereits im Ansatz. MSR verringert kurzzeitig das Motorschleppmoment durch leichtes Gasgeben. Vorteil: Die Antriebsräder behalten so auch im Schiebebetrieb ihre Seitenführungskräfte.
Die automatische Stabilitäts-Control (ASC) verhindert das Durchdrehen der Räder beim Beschleunigen durch Bremsen- und Motoreingriffe. Vorteil: Mehr Traktion und bessere Fahrstabilität. Wenn die Räder der angetriebenen Achse unterschiedlich greifen, wird das zum Durchdrehen neigende Rad abgebremst. Gegebenenfalls wird auch die Motorleistung reduziert.
Der aktuelle Fahrzustand des Fahrzeugs wird von der dynamischen Stabilitäts-Control (DSC) durch Auswertung der Sensorsignale erkannt. Dieser Fahrzustand wird mit den über ein Rechenmodell ermittelten Sollwerten verglichen. Damit werden instabile Fahrzustände bereits im Ansatz erkannt. Bei Abweichungen, die über einer im DSC-Steuergerät gespeicherten Regelschelle liegen, wird das Fahrzeug stabilisiert. Die Stabilisierung (innerhalb der physikalischen Grenzen) wird durch Reduzierung der Motorleistung und durch individuelles Abbremsen einzelner Räder erreicht. DSC-Eingriffe überlagern die Funktionen ABS und ASC. Die DSC-Funktion ist über eineTaste abschaltbar. Der R56 hat keine dynamische Traktions-Control (DTC).
Die dynamische Brems-Control (DBC) unterstützt in Notbremssituationen, indem automatisch der Bremsdruck verstärkt wird. Vorteil: Kürzest mögliche Bremswege in Notbremssituationen durch Erreichen der ABSRegelung an allen 4 Rädern. In Notbremssituationen wird häufig das Bremspedal nicht kräftig genug gedrückt. Damit wird der ABS-Regelbereich nicht erreicht. Die Rückförderpumpe bringt die Bremsen durch Erhöhung des Bremsdrucks in den ABSRegelbereich in folgenden Situationen:
Die dynamische Stabilitäts-Control (DSC) gibt den Sollwert für die Allradregelung bei xDrive vor. Das DSC-Steuergerät berechnet das Sperrmoment für die Lamellenkupplung im Verteilergetriebe. Der Sollwert ist abhängig von den Tendenzen zum Über- oder Untersteuern des Fahrzeugs und dem Radschlupf. Der Sollwert wird auf dem PT-CAN an das VTG-Steuergerät gesendet. Das VTG-Steuergerät meldet das tatsächlich eingestellte Sperrmoment an das DSCSteuergerät zurück. Das DSC-Steuergerät berechnet das Sperrmoment der Lamellenkupplung wie folgt:
Die Hill Descent Control (HDC) ist eine automatische Geschwindigkeitsregelung für Bergabfahrten bei Allradfahrzeugen. Die HDC kann am Schaltzentrum Mittelkonsole ein und ausgeschaltet werden. HDC reduziert die Fahrgeschwindigkeit automatisch. Die Fahrgeschwindigkeit wird durch Bremseneingriff an allen vier Rädern auf etwas mehr als Schrittgeschwindigkeit reduziert. Dadurch ergibt sich eine stabile Bergabfahrt auf steilem und glattem Untergrund. Die HDC hält diese Geschwindigkeit konstant (die DSC-Funktionen bleiben alle aktiv). Mit dem Fahrpedal und dem Bremspedal oder dem Lenkstockhebel für die Geschwindigkeitsregelung kann die Fahrgeschwindigkeit stufenlos innerhalb von festgelegten Werten variiert werden. Ab Werk ist die untere frei programmierbare Taste am Multifunktionslenkrad mit der HDC vorbelegt.
Die Anhänger-Stabilisierungskontrolle erkennt Pendelschwingungen eines Anhängers um die Hochachse. Das System funktioniert ab einer Geschwindigkeit von ca. 65 km/h bei belegter Anhängersteckdose. Die dynamische Stabilitäts-Control (DSC) überwacht mithilfe der DSC-Sensoren das Gierverhalten des Fahrzeugs. Wenn bei pendelndem Gespann der Grenzwert überschritten wird, wird die Motorleistung reduziert. Zudem bremst die DSC alle 4 Räder automatisch ab. Bei deaktivierter oder defekter DSC ist auch die Anhänger-Stabilisierungskontrolle außer Betrieb.
Die Reifen Pannen Anzeige (RPA) ist keine Funktion der
Fahrdynamikregelung. Die RPA ist im DSC-Steuergerät
integriert, da für diese Funktion die 4 Raddrehzahlsignale benötigt
werden. Das System vergleicht über die 4 Raddrehzahlen
eine Abweichung der Abrollumfänge der einzelnen Räder.
Dadurch wird ein schleichender Reifenfülldruckverlust erkannt.
Die
Reifen Pannen Anzeige kann folgendermaßen initialisiert
werden:
CBS ist keine Funktion der Fahrdynamikregelung. Condition
Based Service bedeutet ”bedarfsorientierter Service”.
Im CBS sind verschiedeneWartungsumfänge integriert, z. B.
Motoröl, Zündkerzen und Bremsbeläge.
Im DSC-Steuergerät wird die Restwegstrecke für
die vorderen und die hinteren Bremsbeläge getrennt berechnet.
Zur Berechnung wird auch der Zustand der Bremsbelagverschleißsensoren
herangezogen (Stützstelle bei 6 mm und 4 mm).
Achtung! DSC-Steuergerät austauschen.
Bei einem Tausch des DSC-Steuergerätes
muss die Reparaturanleitung beachtet werden (Spezialwerkzeug notwendig).
Im BMW Diagnosesystem stehen folgende Servicefunktionen zur Verfügung:
Nach einem Tausch muss das DSC-Steuergerät
kodiert werden.
Nach jedem Motorstart ist die DSC betriebsbereit.
Druckfehler, Irrtümer und technische Änderungen vorbehalten.