Die Sitzheizung wird im E70 als Sonderausstattung angeboten. Die Sitzheizung wird elektrisch betrieben. Die Sitzheizung dient der angenehmen Temperierung der Sitze. Die Sitzheizung wird in zwei Ausstattungsvarianten (Low und High) angeboten.
Für die Sitzheizung werden folgende Bauteile beschrieben:
Die Sitzheizung wird über die äußeren Tasten an der IHKA aktiviert. Die IHKA verarbeitet das jeweilige Tastensignal. Für die gewählte Temperaturstufe leuchtet jeweils eine Kontrollleuchte im Taster auf. Die IHKA sendet über den K-CAN eine Botschaft an die Junction-Box-Elektronik (JBE).
Die JBE übernimmt die elektrische Versorgung der Sitzheizung. Die Heizelmente vom Fahrersitz werden über das Sitzmodul Fahrer (SMFA) angesteuert. In der Ausstattungsvariante ”Low” übernimmt die JBE die Ansteuerung der Heizelemente auf der Beifahrerseite. Die JBE erzeugt je nach gewählter Temperaturstufe ein pulsweitenmoduliertes Signal, mit dem die Heizelemente der Beifahrerseite betrieben werden. In der Ausstattungsvariante ”High” übernimmt das Sitzmodul Beifahrer (SMBF) die Ansteuerung der Heizelemente.
Die Sitzheizung besteht aus mehreren Heizelementen. Das Heizelement besteht aus flexiblen elektrischen Leitungen. Die Heizelemente sind in den Sitz- und Rückenlehnenbezug von Fahrer- und Beifahrersitz eingearbeitet. Das Heizelement durchzieht den Sitzbezug der Sitzfläche und der Rückenlehne.

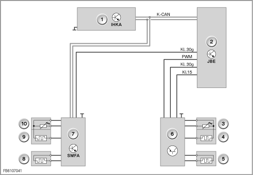
Blockschaltplan E70, Ausstattungsvariante ”Low”
Index |
Erklärung |
Index |
Erklärung |
|---|---|---|---|
1 |
Integrierte Heiz-Klima-Automatik (IHKA) |
2 |
Junction-Box-Elektronik (JBE) |
3 |
Temperatursensor Heizelement Beifahrerseite |
4 |
Heizelement Sitz Beifahrerseite |
5 |
Heizelement Rückenlehne Beifahrerseite |
6 |
Sitzheizungsmodul Beifahrerseite |
7 |
Sitzmodul Fahrer (SMFA) |
8 |
Heizelement Rückenlehne Fahrerseite |
9 |
Heizelement Sitz Fahrerseite |
10 |
Temperatursensor Heizelement Fahrerseite |

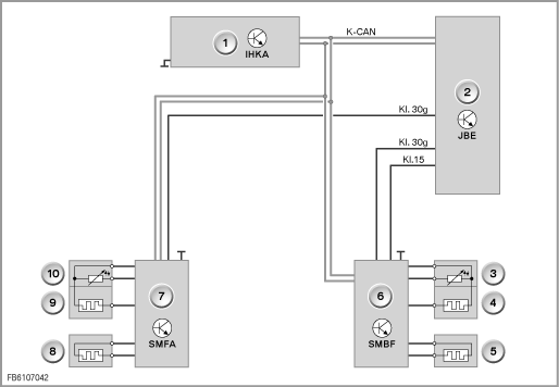
Blockschaltplan E70, Ausstattungsvariante ”High”
Index |
Erklärung |
Index |
Erklärung |
|---|---|---|---|
1 |
Integrierte Heiz-Klima-Automatik (IHKA) |
2 |
Junction-Box-Elektronik (JBE) |
3 |
Temperatursensor Heizelement Beifahrerseite |
4 |
Heizelement Sitz Beifahrerseite |
5 |
Heizelement Rückenlehne Beifahrerseite |
6 |
Sitzmodul Beifahrer (SMBF) |
7 |
Sitzmodul Fahrer (SMFA) |
8 |
Heizelement Rückenlehne Fahrerseite |
9 |
Heizelement Sitz Fahrerseite |
10 |
Temperatursensor Heizelement Fahrerseite |
Für die Sitzheizung sind folgende Systemfunktionen beschrieben:
Durch Druck auf die jeweilige Taste an der IHKA wird die entsprechende Sitzheizung aktiviert. Ein erneutes Drücken der Taste verändert die Heizleistung der Sitzheizung. Die eingestellte Temperaturstufe wird über die Kontrollleuchten im jeweiligen Taster angezeigt.
Die Sitzheizung wird von einem Temperatursensor (NTC-Heißleiter) überwacht. Der Temperatursensor befindet sich im Heizelement der Sitzheizung. Der Temperatursensor dient der Temperaturüberwachung und dem Schutz vor Überhitzung.
Durch Drücken auf die jeweilige Taste, bis keine Kontrollleuchte mehr leuchtet, wird die Sitzheizung abgeschaltet. Die Sitzheizung kann auch durch ein längeres Drücken der jeweiligen Taste abgeschaltet werden.
Druckfehler, Irrtümer und technische Änderungen vorbehalten.