Alle Scheibenwischerfunktionen können im E70 mit dem Wischerschalter ab Klemme R EIN bedient werden. Die Scheibenwischer werden von einem Elektromotor mit Untersetzungsgetriebe angetrieben.
Für die Scheibenwischer werden folgende Bauteile beschrieben:
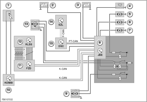
Der Wischerschalter wird durch Antippen bedient. Der Wischerschalter rastet nicht ein. Der Wischerschalter sendet seine Signale an das Schaltzentrum Lenksäule (SZL).
Das SZL bildet die Schnittstelle zwischen dem Wischerschalter und der Junction-Box-Elektronik (JBE). Die Signale vom Wischerschalter werden vom SZL verarbeitet und an die dynamische Stabilitäts-Control (DSC) weitergeleitet. Das SZL sendet seine Informationen über den F-CAN an die DSC.
Die DSC verarbeitet die Informationen vom SZL. Die DSC leitet die Anforderungen vom SZL und die Information über die Fahrgeschwindigkeit an die Junction-Box-Elektronik (JBE) weiter. Die DSC ist mit der JBE über den PT-CAN verbunden.
Die JBE verarbeitet die Informationen vom DSC und vom Funktionszentrum Dach (FZD). Die JBE steuert die Lastschaltung für die Wischermotoren und der Scheibenwaschpumpen. Die Lastschaltung der Wischermotoren erfolgt über interne Relais. Der Waschflüssigkeitsniveauschalter sendet seine Informationen an die JBE.
Bei Fahrzeugen mit RLSS übernimmt dieser die automatische Intervallsteuerung. Der RLSS ist im Spiegelfuß an der Frontscheibe untergebracht. Der Wischerbetrieb ist somit abhängig von der Regenintensität und Fahrgeschwindigkeit. Der RLSS sendet seine Anforderung, z. B. Wischen, an das Funktionszentrum Dach (FZD). Bei einer Ausstattung ohne RLSS ist das Intervall für den Scheibenwischerbetrieb vorgegeben.
Die Instrumentenkombination erhält die Informationen über die Außentemperatur vom Außentemperatursensor. Die Instrumentenkombination gibt die Informationen über den K-CAN an die JBE weiter.
Das FZD empfängt die Botschaft vom RLSS. Das FZD sendet die Botschaft auf dem K-CAN weiter an die JBE.
Der Wischermotor ist ein Rundläufermotor ohne Elektronikbausteine. Der Wischermotor ist für zwei verschiedene Wischerstufen ausgelegt. Der Wischermotor wird über zwei interne Relais angesteuert. Die Endposition (Ruhestellung) des Wischermotors wird über einen im Wischermotor eingebauten Rückstellkontakt erkannt. Der Rückstellkontakt schaltet Masse an die JBE, sobald der Wischermotor die Endposition (Ruhestellung) erreicht hat. Der Rückstellkontakt wird auch zur Überwachung des Wischermotors verwendet.
Der Wischermotor hinten ist vom Aufbau analog dem Wischermotor vorn. Der Wischermotor hinten wird über ein integriertes Relais in der JBE elektrisch angesteuert.
Die Scheibenwaschpumpen für vorn und hinten sind am Waschflüssigkeitsbehälter befestigt. Die Scheibenwaschpumpen werden von der JBE elektrisch angesteuert.
Die Spritzdüsen werden elektrisch beheizt. Dadurch wird ein Einfrieren der Spritzdüsen verhindert. Die Spritzdüsenheizung besteht aus beheizbaren Widerständen. Die Spritzdüsenheizung wird ab einer Außentemperatur von unter 3 °C über die JBE elektrisch angesteuert.
Die Scheinwerferreinigungsanlage wird als Sonderausstattung angeboten. Die Ansteuerung der Waschpumpe der Scheinwerferreinigungsanlage übernimmt die JBE. Die Scheinwerferreinigung erfolgt nur bei eingeschaltetem Fahrlicht. Die Scheinwerferreinigung wird bei jeder 5. Betätigung eines Wasch- oder Intensivreinigungsvorganges angesteuert. Das Ausschalten der Klemme R setzt die Wiederholsperre und den Zähler für die Waschbetätigungen zurück.

Waschflüssigkeitsbehälter E70
Index |
Erklärung |
Index |
Erklärung |
|---|---|---|---|
1 |
Waschflüssigkeitsbehälter |
2 |
Scheibenwaschpumpe vorn |
3 |
Scheibenwaschpumpe hinten |
4 |
Waschpumpen für Scheinwerferreinigungsanlage |
5 |
Waschflüssigkeitsniveauschalter |
|
|

Blockschaltplan E70
Index |
Erklärung |
Index |
Erklärung |
|---|---|---|---|
1 |
Außentemperatursensor |
2 |
Beheizbare Spritzdüse links |
3 |
Beheizbare Spritzdüse rechts |
4 |
Waschflüssigkeitsniveauschalter |
5 |
Waschpumpen für Scheinwerferreinigungsanlage |
6 |
Scheibenwaschpumpe vorn |
7 |
Scheibenwaschpumpe hinten |
8 |
Junction-Box-Elektronik (JBE) |
9 |
Wischermotor hinten |
10 |
Instrumentenkombination |
11 |
Funktionszentrum Dach (FZD) |
12 |
Regen-Fahrlicht-Solarsensor (RLSS) |
13 |
Wischermotor vorn |
14 |
Schaltzentrum Lenksäule (SZL) |
15 |
Dynamische Stabilitäts-Control (DSC) |
Für den Scheibenwischer sind folgende Systemfunktionen beschrieben:
Die Wischfunktionen sind ab Klemme R bedienbar.
Folgende
Wischfunktionen sind möglich:
Die Waschfunktionen sind ab Klemme R EIN bedienbar. Zum Waschen der Frontscheibe muss der Wischerschalter entgegen der Fahrtrichtung gezogen werden. Zum Waschen der Heckscheibe muss der Wischerschalter in Fahrtrichtung gedrückt werden.
Bei eingeschaltetem Abblendlicht werden bei jedem 5. Waschvorgang, für die Frontscheibe, die Scheinwerfer mitgereinigt.
Wenn bei eingeschaltetem Wischermotor das Signal vom Rückstellkontakt für ca. 16 Sek. nicht erkannt wird, dann wird zum Schutz vor Überlastung der Wischermotor abgeschaltet. Ein erneutes Einschalten des Wischermotors ist erst wieder möglich nach:
Druckfehler, Irrtümer und technische Änderungen vorbehalten.