Die Funktion elektrischer Fensterheber wird von mehreren Steuergeräten realisiert. Das Fußraummodul steuert die vorderen Fensterheber an. Die hinteren Fensterheber werden, wenn verbaut, durch die Junction-Box-Elektronik angesteuert.

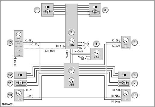
Grafik zeigt E70
Index |
Beschreibung |
Index |
Beschreibung |
1 |
Fensterhebermotor Fahrerseite vorn |
2 |
Fußraummodul (FRM) |
3 |
Fensterhebermotor Beifahrerseite vorn |
4 |
Fensterheberschalter Beifahrerseite vorn |
5 |
Car Access System (CAS) |
6 |
Hallsensor Fensterheber Beifahrerseite hinten |
7 |
Fensterhebermotor Beifahrerseite hinten |
8 |
Fensterheberschalter Beifahrerseite hinten |
9 |
Junction Box mit Junction-Box-Elektronik (JBE) |
10 |
Fensterheberschalter Fahrerseite hinten |
11 |
Fensterhebermotor Fahrerseite hinten |
12 |
Hallsensor Fensterheber Fahrerseite hinten |
13 |
Schalterblock Fahrertür |
|
|
Die beteiligten Steuergeräte kommunizieren über die Datenbusse im Fahrzeug. Die Steuergeräte werden durch die Junction Box mit Spannung versorgt.
Druckfehler, Irrtümer und technische Änderungen vorbehalten.