Das Abbiegelicht gibt es nur im Verbund mit der Sonderausstattung adaptives Kurvenlicht. Das Abbiegelicht leuchtet zusätzlich zum adaptiven Kurvenlicht die Bereiche vor und neben dem Fahrzeug aus.
Für das Abbiegelicht werden folgende Bauteile beschrieben:
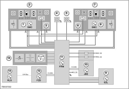
Damit das Abbiegelicht aktiviert werden kann, muss sich der Lichtschalter in der Schalterstellung ”A” befinden. Für die automatische Fahrlichtsteuerung hat der Lichtschalter eine grüne Kontrollleuchte. Wenn ein Systemfehler erkannt wird, beginnt die Kontrollleuchte zu blinken. Der Lichtschalter ist direkt mit dem Fußraummodul (FRM) verbunden.
Für das Abbiegelicht ist ein spezieller Nebelscheinwerfer notwendig. Der Nebelscheinwerfer enthält einen Reflektor für das Abbiegelicht. Sobald der Nebelscheinwerfer eingeschaltet wird, erreicht das Licht der Nebelscheinwerferlampe den Reflektor für das Abbiegelicht. Der Reflektor ist speziell geformt und spiegelt das Licht in den Abbiegebereich. Von außen ist der Nebelscheinwerfer mit Abbiegelichtfunktion daran zu erkennen, dass der Reflektor komplett verchromt ist.
Der RLSS ist an der Frontscheibe, im Spiegelfuß des Innenspiegels integriert. Der RLSS erkennt Dämmerung oder Dunkelheit. Der RLSS sendet beim überschreiten des Schwellenwerts eine Botschaft an das Funktionszentrum Dach (FZD). Der RLSS ist mit dem FZD über den LIN-Bus verbunden. Das FZD leitet diese Botschaft, über den K-CAN, an das Fußraummodul (FRM) weiter.
Im SZL befindet sich der Fahrtrichtungs-Fernlichtschalter. Der Fahrtrichtungs-Fernlichtschalter sendet seine Signale an das SZL. Das SZL sendet die erhaltenen Signale direkt an das Fußraummodul (FRM) weiter.
Die Steuerung für das Abbiegelicht übernimmt das FRM. Das FRM steuert auch die Kontrollleuchte im Lichtschalter. Das FRM empfängt alle Einschaltbedingungen direkt oder über den K-CAN. Das FRM befindet sich seitlich im Fußraum auf der Fahrerseite unter der Armaturentafel.
Die JBE ist für die Spannungsversorgung zuständig. Die JBE ist über den K-CAN mit dem FRM verbunden. Die JBE befindet sich unterhalb der Armaturentafel im Beifahrerfußraum.

Aufbau Nebelscheinwerfer beim E70
Index |
Erklärung |
Index |
Erklärung |
|---|---|---|---|
1 |
Reflektor Abbiegelicht |
2 |
Reflektor Nebelscheinwerfer |
3 |
Lampe Nebelscheinwerfer |
|
|

Blockschaltplan E70
Index |
Erklärung |
Index |
Erklärung |
|---|---|---|---|
1 |
Schrittmotor-Controller (SMC) links |
2 |
Hauptscheinwerfer links |
3 |
Xenon-Steuergerät links |
4 |
Nebelscheinwerfer links |
5 |
Nebelscheinwerfer rechts |
6 |
Xenon-Steuergerät rechts |
7 |
Hauptscheinwerfer rechts |
8 |
Schrittmotor-Controller (SMC) rechts |
9 |
Schaltzentrum Lenksäule (SZL) |
10 |
Junction-Box-Elektronik (JBE) |
11 |
Fußraummodul (FRM) |
12 |
Funktionszentrum Dach (FZD) |
13 |
Regen-Fahrlicht-Solarsensor (RLSS) |
14 |
Lichtschalter |
Das Abbiegelicht wird nicht schlagartig ein- und
ausgeschaltet. Das Abbiegelicht wird gedimmt, nach speziellen zeitlichen
Parametern, ein- und ausgeschaltet. Länderabhängig
wird das Abbiegelicht bei Kurvenfahrt ein- und ausgeschaltet.
Für
das Abbiegelicht sind folgende Systemfunktionen beschrieben:
Im Stand wird das Abbiegelicht nach einer bestimmten Zeit ausgeschaltet, z. B. beim Warten an einer Ampel. Das Abbiegelicht kann jedoch über den Fahrtrichtungs-Fernlichtschalter erneut eingeschaltet werden.
Die zu aktivierende Seite des Abbiegelichts ist Abhängigkeit
von folgenden Bedingungen:
Fahrtrichtung Vorwärtsfahrt
Fahrtrichtung Rückwärtsfahrt
Nur bei US-Ausführung:
Wenn ein Defekt des Abbiegelichts erkannt wird, gelten die gleichen Check-Control-Meldungen wie für die Nebelscheinwerfer.
Druckfehler, Irrtümer und technische Änderungen vorbehalten.