Zur Gewährleistung des Verkehrswarndienstes ”Real Time Traffic Information (RTTI)” wird am Steuergerät IBOC ein passiver Antennensplitter verbaut. Hiermit können die HF-Signale dem Steuergerät IBOC und dem CCC zur Verfügung gestellt werden. RTTI ist nur in Verbindung mit dem Navigationssystem Professional verfügbar. Der CCC stellt die empfangenen Verkehrsinformationen der Navigation zur Verfügung.

Index |
Erklärung |
Index |
Erklärung |
|---|---|---|---|
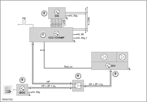
1 |
Headunit |
2 |
Central Information Display |
3 |
Antennenverstärker mit Diversitymodul |
4 |
Antennensplitter |
5 |
Steuergerät IBOC |
Folgende Bauteile für den RTTI-Splitter werden beschrieben:

Index |
Erklärung |
Index |
Erklärung |
|---|---|---|---|
1 |
IBOC |
2 |
RTTI-Splitter mit Halter |
3 |
AM-/FM-Signal (Antennenverstärker mit Diversitymodul) Stecker-Farbcode: schwarz |
4 |
AM-/FM-Signal (CCC) Stecker-Farbcode: currygelb |
5 |
AM-/FM-Signal (IBOC) Stecker-Farbcode: schwarz |
Das Steuergerät IBOC des High Definition Radio ist als Hybridtuner zum Empfang von digitalen und analogen Radiosendern im AM- und FM-Frequenzbereich ausgelegt. Zum Empfang der digitalen Signale wird der gleiche Signalweg, wie zum Empfang der analogen Signale verwendet. Daher können auch die bereits bekannten Komponenten Antennenverstärker mit Diversitymodul und AM- und FM-Antennen verwendet werden.
Das Steuergerät IBOC entschlüsselt die digitalen Audiodaten und sendet diese über den MOST-Bus (Media-Oriented-System-Transport-Bus) an die Headunit. Die Headunit wandelt die Audiodaten in analoge NF-Signale um. Die NF-Signale werden über die Lautsprecher ausgegeben.
Das Steuergerät CCC ist zum Empfang von analogen Radiosendern im AM- und FM-Frequenzbereich ausgelegt. In Kombination mit IBOC ist die Funktion nicht im CCC, sondern im IBOC umgesetzt. Zum Empfang der analogen Signale werden die Komponenten Antennenverstärker mit Diversitymodul und AM- und FM Antennen verwendet.
Die Antennenleistung wird asymmetrisch aufgeteilt. Der
IBOC-Tuner erhält ein um 1 dB, die Headunit ein
um 10 dB gedämpftes Signal. Der von der aktiven FM-Antenne gelieferte
Pegel wird somit im Verhältnis 9:1 (IBOC:RTTI) aufgeteilt.
Die Antennenleistung wird vom Splitter im Verhältnis 10:1
(IBOC:RTTI) aufgeteilt. Diese Aufteilung der Antennenleistung ist
ausreichend, so dass der CCC die RTTI-Daten empfangen kann.
Das Antennen-Diversity wird vom Steuergerät IBOC
gesteuert.
Für die Überprüfung des RTTI-Splitters steht ein Testmodul zur Verfügung. Erreichbar über die Diagnose Fehlerbildauswahl (65006_CCC:Funktionsstörung) oder über die Funktionsauswahl (Gesamtfahrzeug/Karosserie/Audio, Video, Telefon, Navigation (MOST-Ring)/Navigation).
Druckfehler, Irrtümer und technische Änderungen vorbehalten.