Die neue Generation der 6-Zylinder-Ottomotoren
(NG6) wird mit einer Weiterentwicklung fortgeführt.
Mit
dem neuen aufgeladenen 6-Zylinder-Ottomotor N54
mit Direkteinspritzung beginnt BMW den Wiedereinstieg in die Turbo-Technologie.
Beim neuen Turbomotor kommt die Direkteinspritzung der
2. Generation (DI2) zum Einsatz. Die Direkteinspritzung
(HPI: High Precision Injection) liefert zusätzliche Freiheitsgrade
bei der Bemessung von Einspritzmenge und Einspritzdauer (Mehrfacheinspritzung
je nach Last und Drehzahl bis zu 3-mal) sowie bei der Gemischverteilung
im Brennraum. Dadurch lassen sich Leistung, Motordrehmoment, Verbrauch
und Schadstoffemissionen positiv beeinflussen.
Bedingt
durch die Gemischkühlung durch den direkt eingespritzten
Kraftstoff kann die Verdichtung gegenüber einem Turbomotor
mit Saugrohreinspritzung angehoben werden. Dies verbessert den Wirkungsgrad.
Durch
den Einsatz der Direkteinspritzung entsteht eine homogene Gemischbildung
im gesamten Brennraum. Homogene Gemischbildung bedeutet, dass das
Kraftstoff-Luft-Verhältnis wie bei der
Saugrohreinspritzung stöchiometrisch (Lambda = 1)
geregelt wird.
(Mit stöchiometrisch wird ein
Kraftstoff-Luft-Verhältnis von 14,8 Kilogramm
Luft zu 1 Kilogramm Kraftstoff bezeichnet.) Durch die homogene
Gemischbildung kann ein konventionelles System zur Abgasnachbehandlung
eingesetzt werden.
Für eine deutlich spontanere Leistungsentfaltung
sorgt insbesondere das Bi-Turbo-Konzept. Anstelle
eines großen Abgasturboladers versorgen zwei kleinere Aggregate
jeweils drei Zylinder mit verdichteter Luft. Wesentlicher Vorteil
der klein dimensionierten Abgasturbolader ist ihr geringes Massenträgheitsmoment.
Schon die kleinste Betätigung des Fahrpedalmoduls wird
mit sofortigem Druckaufbau beantwortet.
Zugleich ermöglicht
die Nutzung der variablen Steuerzeiten (Doppel-VANOS) einen optimalen
Ladungswechsel, der zu hohem Motordrehmoment bei niedriger Drehzahl führt
und für souveräne Elastizität sorgt.
Folgende Bauteile für den Motor N54 werden beschrieben:
Auf der Platine im DME-Steuergerät (MSD80) befinden sich 3 Sensoren:
Der Temperatursensor dient zur thermischen Berechnung
der Bauteile im DME-Steuergerät.
Der
Umgebungsdrucksensor wird für die Berechnung der Gemischzusammensetzung benötigt.
Der Umgebungsdruck sinkt mit zunehmender Höhe über
dem Meeresspiegel.
Der Spannungssensor überwacht
die Spannungsversorgung über Klemme 87.
Das DME-Steuergerät ermittelt den Kraftstoffbedarf
des Motors. Die benötigte Kraftstoffmenge wird als Botschaft über
den PT-CAN an das EKP-Steuergerät gesendet.
Diese Botschaft wird vom EKP-Steuergerät in eine
Ausgangsspannung umgesetzt. Mit dieser Ausgangsspannung wird die
Drehzahl der elektrischen Kraftstoffpumpe geregelt. Somit wird eine
bedarfsgerechte Förderung für die Hochdruckpumpe
erreicht.

Index |
Erklärung |
Index |
Erklärung |
|---|---|---|---|
1 |
Car Access System (CAS) |
2 |
Stromverteiler in der Junction Box |
3 |
Elektrische Kraftstoffpumpe |
4 |
EKP-Steuergerät |
5 |
DME-Steuergerät |
|
|
Kl. 15 WUP |
Weckleitung (Klemme 15 Wake-up) |
Kl. 30g |
Klemme 30 geschaltet |
PT-CAN |
Powertrain-CAN |
|
|
Die elektrische Kraftstoffpumpe ist eine In-Tank-Pumpe.
Ab
Klemme 15 EIN wird die elektrische Kraftstoffpumpe eingeschaltet.
Die Kraftstoff-Hochdruckpumpe verdichtet den
Kraftstoff (Bereich von 50 bis 200 bar) und fördert
ihn zum Rail.
Die Kraftstoff-Hochdruckpumpe
ist am hinteren Ende der Unterdruckpumpe angeschraubt. Die Antriebswelle
der Kraftstoff-Hochdruckpumpe ist mit der Antriebswelle
der Unterdruckpumpe verbunden.

Index |
Erklärung |
Index |
Erklärung |
|---|---|---|---|
1 |
Kraftstoff-Hochdruckpumpe |
2 |
Anschluss für die Hochdruckleitung zum Rail |
3 |
Mengensteuerventil |
4 |
Elektrischer Anschluss |
5 |
Anschluss für die Niederdruckleitung von der Kraftstoffpumpe |
|
|
Das Mengensteuerventil steuert den Kraftstoffdruck
im Rail. Das Mengensteuerventil wird über ein pulsweitenmoduliertes
Signal (PWM-Signal) vom DME-Steuergerät angesteuert.
Abhängig vom PWM-Signal wird ein unterschiedlich
großer Drosselquerschnitt freigegeben und die für
den jeweiligen Lastzustand des Motors notwendige Kraftstofffördermenge
eingestellt. Zusätzlich ist die Möglichkeit gegeben, den
Druck im Rail abzubauen.
Wenn ein Fehler im System diagnostiziert
wird, z. B. der Ausfall des Hochdrucksensors, wird das
Mengensteuerventil stromlos geschaltet. Der Kraftstoff gelangt dann über
ein so genanntes Bypassventil ins Rail.

Index |
Erklärung |
Index |
Erklärung |
|---|---|---|---|
1 |
Kraftstoff-Hochdruckpumpe |
2 |
Anschluss für die Hochdruckleitung zum Rail |
3 |
Anschluss für die Niederdruckleitung von der Kraftstoffpumpe |
4 |
Mengensteuerventil |
5 |
3 Kolben sowie Einlass- und Auslassventile |
6 |
Überdruckventil |
7 |
Bypassventil |
|
|
Das Mengensteuerventil ist ein Bauteil der
Hochdruckpumpe und kann im Service ausgebaut werden.
Im Rail wird der verdichtete Kraftstoff zwischengespeichert und auf die Injektoren verteilt.
Der Raildrucksensor misst den aktuellen Kraftstoffdruck
im Rail.

Index |
Erklärung |
Index |
Erklärung |
|---|---|---|---|
1 |
Elektrischer Anschluss |
2 |
Auswerteschaltung |
3 |
Membran mit Sensorelement |
4 |
Hochdruckanschluss |
Der Kraftstoffdruck gelangt durch den Hochdruckanschluss
zur Membran mit Sensorelement. Die Verformung der Membran wird über
das Sensorelement in ein elektrisches Signal umgewandelt. Die Auswerteschaltung
bereitet das Signal auf und gibt ein analoges Spannungssignal an
die DME weiter. Das Spannungssignal steigt mit zunehmendem Kraftstoffdruck
linear an.
Das Signal vom Raildrucksensor ist ein wichtiges Eingangssignal
der DME für die Ansteuerung des Mengensteuerventils (Bauteil
der Hochdruckpumpe).
Wenn der Raildrucksensor ausfällt,
wird das Mengensteuerventil im Notlauf von der DME angesteuert.
Der Injektor spritzt den Kraftstoff unter Hochdruck in den Brennraum. Der Injektor öffnet die Spitze der Düsennadel nach außen und bildet dabei einen nur wenige Mikrometer großen Ringspalt. Der Ringspalt formt die strahlgeführte Direkteinspritzung und sorgt für seine gleichmäßige, kegelförmige Ausbreitung.
Die piezoelektrische Ansteuerung ergibt gegenüber der Ansteuerung über Magnetspulen folgende Vorteile:
Somit ergeben sich deutliche Verbesserungen hinsichtlich
Schadstoffemissionen sowie Kraftstoffverbrauch.

Index |
Erklärung |
Index |
Erklärung |
|---|---|---|---|
1 |
Elektrischer Anschluss |
2 |
Kraftstoffleitungsanschluss |
3 |
Schichten von Piezo-Elementen |
4 |
Düsennadel, Spitze öffnet nach außen |
5 |
Teflonring |
|
|
Ein Piezo-Element ist ein elektromechanischer
Wandler. Das Piezo-Element ist eine Keramik, die elektrische
Energie direkt in mechanische Energie (Kraft/Weg) umwandelt. Das
Piezo-Element dehnt sich aus, wenn eine Spannung angelegt
wird. Somit wird der Hub der Düsennadel erzeugt.
Um
einen größeren Hub zu erreichen, lässt
sich ein Piezo-Element in mehreren Schichten aufbauen.

Index |
Erklärung |
Index |
Erklärung |
|---|---|---|---|
1 |
Piezo-Element ohne Spannung |
2 |
Schichten von Piezo-Elementen |
3 |
Piezo-Element, Spannung angelegt |
|
|
Der Saugrohrdrucksensor misst den Unterdruck in der Sauganlage.
Der Saugrohr-Unterdruck dient als Ersatzgröße
für das Lastsignal. Der Saugrohrdrucksensor ist hinter der
Drosselkappe eingebaut.
Der Motor ist mit 2 Abgasturboladern ausgestattet
(ein Abgasturbolader am Abgaskrümmer für die Zylinder
1 bis 3, ein Abgasturbolader am Abgaskrümmer für
die Zylinder 4 bis 6). Die Turbinen erlauben besonders hohe Abgastemperaturen
(1050 °C-Technik), die insbesondere bei
hoher Last zu einer spürbaren Verbrauchsreduzierung führen.
Der
Ladedruck der Abgasturbolader wird von der DME über je
ein Bypassventil (Wastegate-Ventil) geregelt. Über
das Bypassventil wird ein Teil der Abgase an der Turbine vorbeigeführt.
Die
Bypassventile werden über elektropneumatische Druckwandler
von der DME angesteuert und lassen sich variabel einstellen.
Zur
Kühlung und Schmierung des Abgasturboladers sind am Lagergehäuse 2 Anschlüsse
für den Motorkühlkreislauf und 2 Anschlüsse
für den Ölkreislauf vorhanden.

Index |
Erklärung |
Index |
Erklärung |
|---|---|---|---|
1 |
Abgaskrümmer doppelwandig (Zylinder 1 bis 3), verschweißt mit Turbinengehäuse |
2 |
Ölzulauf |
3 |
Kühlmittelaustritt |
4 |
Membrandose des Bypassventils |
5 |
Ölrücklauf |
6 |
Kühlmitteleintritt |
7 |
Abgasturbolader mit Bypassventil |
8 |
Abgaskrümmer doppelwandig (Zylinder 4 bis 6), verschweißt mit Turbinengehäuse |
Der Motor besitzt eine volumenstromgeregelte Ölpumpe.
Diese Pumpe fördert genau so viel Öl, wie zum
Erreichen des Regeldruckniveaus notwendig ist. Die Ölpumpe
wird mit einer Kette von der Kurbelwelle angetrieben.
Ein Elektromotor treibt die Kühlmittelpumpe
an. Die Leistung des Elektromotors (400 Watt) wird durch
eine Steuerelektronik gesteuert. Diese Steuerelektronik ist über die
bitserielle Datenschnittstelle mit der DME (Digitale Motor Elektronik)
verbunden. Die DME ermittelt aus der Last, dem Betriebsbereich und
den Daten der Temperatursensoren die erforderliche Kühlleistung.
Die DME sendet der Steuerelektronik die entsprechenden Signale zur
Regelung der Kühlmittelpumpe.
Der Motor der Kühlmittelpumpe
wird von dem Kühlmittel umspült. Somit werden
Motor und Steuerelektronik gekühlt. Mit dem Kühlmittel
werden auch die Lager der elektrischen Kühlmittelpumpe
geschmiert.
Der Ölzustandssensor misst folgende Größen:
Der Ölzustandssensor schickt die Messwerte an
die DME.
Die variable Nockenwellensteuerung dient der Steigerung
des Drehmoments im unteren und mittleren Drehzahlbereich.
Je
ein VANOS-Magnetventil steuert eine VANOS-Verstelleinheit
auf der Einlassseite und auf der Auslassseite an. Die VANOS-Magnetventile
werden vom DME-Steuergerät angesteuert.
Die
Steuerzeiten des Motors sind über die beiden variablen
VANOS-Verstelleinheiten stufenlos beeinflussbar.
Durch
eine größere Ventilüberschneidung ergeben
sich geringere Mengen an Restgas im Leerlauf. Durch die interne
Abgasrückführung im Teillastbereich werden die Stickoxide
reduziert.

Index |
Erklärung |
Index |
Erklärung |
|---|---|---|---|
1 |
VANOS-Verstelleinheit Auslassseite |
2 |
VANOS-Verstelleinheit Einlassseite |
3 |
Einlassnockenwellensensor |
4 |
Magnetventil |
5 |
Magnetventil |
6 |
Auslassnockenwellensensor |
Vorsicht! VANOS-Verstelleinheiten
nicht vertauschen.
Die VANOS-Verstelleinheiten für die
Einlass- und Auslassnockenwelle haben unterschiedliche
Verstellwege. Somit kann es bei vertauschten VANOS-Verstelleinheiten
zu einem Motorschaden durch aufsetzende Ventile kommen.
Auf
der Frontseite der VANOS-Verstelleinheit ist die Einbauseite
eingraviert.
Am Motor kommt ein geteiltes Kurbelgehäuse aus
Aluminium zum Einsatz. Zur Erhöhung der Steifigkeit ist
das Unterteil als Bedplate-Konstruktion ausgeführt.
Folgende Systemfunktionen werden beschrieben:
Der Ladedruck der Abgasturbolader wird von der DME über je ein Bypassventil (Wastegate-Ventil) geregelt. Die Bypassventile werden über elektropneumatische Druckwandler von der DME angesteuert (kennfeldgesteuert).
Zusätzlich zu den Bypassventilen sind 2 Schubumluftventile
eingebaut. Ohne Schubumluftventile müssten die Abgasturbolader
gegen den Staudruck der geschlossenen Drosselklappe arbeiten.
Wenn
die Drosselklappe schließt, öffnen die Schubumluftventile
durch den erhöhten Unterdruck im Saugrohr. Im geöffneten
Zustand verbinden die Schubumluftventile jeweils die Einlassseite
des Verdichters mit der Auslassseite des Verdichters. Somit wird ein
zu hoher Staudruck verhindert.

Index |
Erklärung |
Index |
Erklärung |
|---|---|---|---|
1 |
Elektropneumatischer Druckwandler (zum Verstellen des Bypassventils am Abgasturbolader für Zylinder 4 bis 6), angesteuert von der DME |
2 |
Elektropneumatischer Druckwandler (zum Verstellen des Bypassventils am Abgasturbolader für Zylinder 1 bis 3), angesteuert von der DME |
3 |
Motorentlüftungsheizung |
4 |
Saugrohrdrucksensor |
5 |
Ansauglufttemperatursensor |
6 |
Elektrischer Drosselklappensteller |
7 |
Schubumluftventile, gesteuert über den Saugrohr-Unterdruck |
8 |
Ansauggeräuschdämpfer |
9 |
Ladedrucksensor |
10 |
Motor |
11 |
Bypassventile (Wastegate-Ventile) |
12 |
Ladeluftkühler |
13 |
Abgasturbolader |
14 |
Rückschlagventil mit Druckbegrenzung |
15 |
Rückschlagventil zum Reinluftrohr |
|
|
Die Motorentlüftung ist druckgesteuert. Abhängig
vom Saugrohr-Unterdruck und Ladedruck wird entweder über
eine 6fach Verteilerleiste in die Einlasskanäle entlüftet oder
in das Reinluftrohr vor dem Abgasturbolader (Zylinder 4 bis 6).
Die Verteilerleiste ist in die Zylinderkopfhaube integriert.

Index |
Erklärung |
Index |
Erklärung |
|---|---|---|---|
1 |
Motorentlüftungsheizung |
2 |
Reinluftrohr vor dem Abgasturbolader (Zylinder 4 bis 6) |
3 |
Elektrischer Drosselklappensteller |
4 |
Ansauggeräuschdämpfer |
5 |
Sammler für Ansaugluft |
6 |
Motor |
7 |
Reinluftrohr vor dem Abgasturbolader (Zylinder 1 bis 3) |
8 |
Abgasturbolader |
9 |
Rückschlagventil mit Druckbegrenzung |
10 |
Rückschlagventil zum Reinluftrohr |
Für die Motorentlüftung sind
2 Ventile eingebaut.
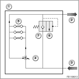
Für das Kühlsystem mit elektrischer Kühlmittelpumpe werden die Möglichkeiten des konventionellen Kühlsystems genutzt. Über das Wärmemanagement wird der momentane Kühlbedarf ermittelt und das Kühlsystem entsprechend geregelt.
Folgende Bauteile werden vom Wärmemanagement beeinflusst:
Die Kühlleistung des Systems wird über
einen frei zu variierenden Volumenstrom des Kühlmittels
angepasst.

Index |
Erklärung |
Index |
Erklärung |
|---|---|---|---|
1 |
Kühler |
2 |
Kühlmitteltemperatursensor am Kühleraustritt |
3 |
Getriebeölkühler |
4 |
Getriebeölkühler mit Thermostat |
5 |
Kennfeldthermostat |
6 |
Elektrische Kühlmittelpumpe |
7 |
Abgasturbolader |
8 |
Motor |
9 |
Heizungswärmetauscher |
10 |
Kühlmitteltemperatursensor am Motor |
11 |
Ausgleichsbehälter für Kühlmittel |
12 |
Elektrolüfter |
Das Wärmemanagement ermittelt den
momentanen Kühlbedarf und regelt das Kühlsystem
entsprechend. Unter Umständen kann die Kühlmittelpumpe
sogar ganz abgeschaltet werden, zum Beispiel zur schnelleren Erwärmung
des Kühlmittels in der Warmlaufphase.
Bei stehendem
und stark erwärmtem Motor pumpt die Kühlmittelpumpe
auch im Stand. Die Kühlleistung kann dadurch drehzahlunabhängig
angefordert werden.
Das Wärmemanagement erlaubt es nun, über den Kennfeldthermostat hinaus, verschiedene Kennfelder für die Steuerung der Kühlmittelpumpe zu Grunde zu legen. So kann das Motorsteuergerät die Motortemperatur dem Fahrverhalten anpassen.
Das Motorsteuergerät (MSD80) regelt folgende Temperaturbereiche:
Motorölthermostat
Der Motorölthermostat befindet sich am Ölfilter.

Index |
Erklärung |
Index |
Erklärung |
|---|---|---|---|
1 |
Motorölkühler |
2 |
Kurzschlusskreislauf |
3 |
Motorölthermostat |
4 |
Motor |
Der Motorölthermostat wird temperaturabhängig
geöffnet oder geschlossen. Er schließt jedoch
nie vollständig, sondern hat einen Mindestdurchfluss zum
Motorölkühler.
Bis zu einer Motoröltemperatur
von 110 °C ist der Motorölthermostat
geschlossen.
Das geförderte Motoröl
wird über den Motorölthermostat im Kurzschlusskreislauf
zurück in den Rücklauf gefördert. Somit
ist ein schneller Warmlauf des Motors gewährleistet.
Ab
einer Motoröltemperatur von 110 °C öffnet
der Motorölthermostat und reduziert die Öffnung
im Kurzschlusskreislauf. Somit erhöht sich der Öldurchfluss
in der Leitung zum Motorölkühler. Ab ca. 125 °C
ist der Thermostat ganz geöffnet.
Die volumenstromgeregelte Ölpumpe (Pendelschieberzellenpumpe) fördert genau so viel Öl, wie zum Erreichen des Regeldruckniveaus notwendig ist.
Der Öldruck, der aufgebracht wird, wirkt über
die Steuerleitung auf einen Regelkolben mit schräger Anlauffläche
(Pendelstütze) gegen die Kraft einer Druckfeder.
Steigt
der Ölbedarf des Motors, sinkt der Druck im Schmiersystem
und damit auch am Regelkolben. Die Ölpumpe steigert das
Fördervolumen und stellt die bisherigen Druckverhältnisse
wieder her. Wenn der Ölbedarf des Motors zurückgeht,
regelt die Pumpe entsprechend der Stellung des Regelkolbens ein
geringeres Fördervolumen ein.

Index |
Erklärung |
Index |
Erklärung |
|---|---|---|---|
1 |
Motor |
2 |
Digitale Motor Elektronik (DME) |
3 |
Öldruckschalter |
4 |
Ölfilter |
5 |
Volumenstromgeregelte Ölpumpe mit Regelkolben |
6 |
Steuerleitung (Öldruck) |
7 |
Ölzustandssensor im Ölsumpf |
8 |
Abgasturbolader |
9 |
Abgasturbolader |
|
|
Der Ölzustandssensor meldet dem DME-Steuergerät
die Motoröltemperatur und das Ölniveau. Für
die Berechnung des Ölniveaus rechnet das DME-Steuergerät
die Dauer für das Aufheizen und das Abkühlen des
Motoröls aus. Den Öldruck signalisiert der Öldruckschalter.
Das DME-Steuergerät steuert über den
PT-CAN die Warn- und Kontrollleuchte in der Instrumentenkombination
an (rot: Öldruck gering; gelb: Ölniveau gering)

Index |
Erklärung |
Index |
Erklärung |
|---|---|---|---|
1 |
Raildrucksensor |
2 |
Hochdruckpumpe mit Mengensteuerventil |
3 |
Elektrische Kraftstoffpumpe |
4 |
Kraftstoffniederdrucksensor |
5 |
Injektoren |
6 |
Rail |
EKP |
EKP-Steuergerät |
DME |
Digitale Motor Elektronik |
PT-CAN |
Powertrain-CAN |
|
|
Entsprechend dem anliegenden Systemdruck zwischen
der Kraftstoffpumpe und der Hochdruckpumpe wird vom Kraftstoffniederdrucksensor
ein Spannungssignal an das Motorsteuergerät (DME-Steuergerät)
ausgegeben.
Der Systemdruck (Kraftstoffniederdruck) wird
mit dem Kraftstoffniederdrucksensor vor der Hochdruckpumpe ermittelt.
Im DME-Steuergerät wird ständig ein Vergleich von Solldruck zu Istdruck durchgeführt. Bei Abweichung des Solldrucks vom Istdruck erhöht bzw. vermindert das DME-Steuergerät die Spannung für die elektrische Kraftstoffpumpe, die als Botschaft über den PT-CAN an das EKP-Steuergerät gesendet wird. Das EKP-Steuergerät setzt die Botschaft in eine Ausgangsspannung für die elektrische Kraftstoffpumpe um. Somit wird der benötigte Vorlaufdruck für den Motor (bzw. Hochdruckpumpe) eingeregelt.
Bei Signalausfall (Kraftstoffniederdrucksensor) wird
bei Klemme 15 EIN die elektrische Kraftstoffpumpe vorgesteuert
betrieben.
Wenn der CAN-Bus ausfällt,
wird die elektrische Kraftstoffpumpe über das EKP-Steuergerät
mit der anliegenden Bordnetzspannung betrieben.
Die Hochdruckpumpe verdichtet den Kraftstoff auf einen
Druck zwischen 50 und 200 bar. Über die Hochdruckleitung
gelangt der verdichtete Kraftstoff zum Rail. Im Rail wird der verdichtete
Kraftstoff zwischengespeichert und auf die Injektoren verteilt.
Der
Raildrucksensor misst den aktuellen Kraftstoffdruck im Rail. Wenn
das Mengensteuerventil in der Hochdruckpumpe öffnet, wird
der zu viel geförderte Kraftstoff wieder dem Zulauf in
der Hochdruckpumpe zugeführt.
Bei Ausfall der
Hochdruckpumpe ist ein eingeschränkter Fahrbetrieb möglich.
Sollte es im Motorbetrieb zu überhöhten Temperaturen des Kühlmittels oder des Motoröls kommen, werden bestimmte Funktionen im Fahrzeug dahingehend beeinflusst, dass der Motorkühlung mehr Energie zur Verfügung steht.
Die Maßnahmen werden in 2 Betriebsarten aufgeteilt:
Warnung! Arbeiten am Kraftstoffsystem nur bei kaltem Motor durchführen.
Bei Kühlmitteltemperaturen über 40 °C kann beim Lösen der Injektoren Kraftstoff mit hoher Geschwindigkeit austreten.
Druckfehler, Irrtümer und technische Änderungen vorbehalten.