Die elektronische Wegfahrsperre (EWS) dient der Diebstahlsicherung und Startfreigabe.
Die EWS der 4. Generation ist eine Weiterentwicklung
der bisherigen EWS. Diese Weiterentwicklung benutzt ein neues und
modernes Verschlüsselungsverfahren.
Jedem Fahrzeug
wird ein 128 Bit langer Geheimschlüssel zugeordnet.
Dieser Geheimschlüssel wird in einer BMW Datenbank gespeichert.
Damit ist der Geheimschlüssel nur BMW bekannt.
Der Geheimschlüssel wird in folgende Steuergeräte programmiert und verriegelt:
Wenn der Geheimschlüssel in den Steuergeräten verriegelt ist, kann er nicht mehr gelöscht oder geändert werden. Somit ist jedes Steuergerät einem bestimmten Fahrzeug zugeordnet. Die Steuergeräte identifizieren sich mit dem Geheimschlüssel und dem gleichen Algorithmus gegenseitig.
Bei der EWS der 4. Generation entfällt
die direkte Leitung (EWS-Datenleitung) zwischen DME/DDE
und CAS (nicht E83).
Zur Datenübertragung des
EWS-Signals werden die CAN-Datenleitung (PT-CAN
und K-CAN) und der K-Bus (auch CAS-Bus
genannt) genutzt. Der K-Bus kommt dann zum Einsatz, wenn
ein EWS-Signal auf der CAN-Datenleitung nicht
gesendet werden kann.
> E83: Datenübertragung
zwischen EWS-Steuergerät und DME/DDE wie bisher über die
direkte EWS-Datenleitung.
Einsatz der EWS (4. Generation):
Entwicklungs-baureihe |
Motoren |
Motorsteuergerät |
|---|---|---|
Leistungsstufen: |
||
E60, E61, E63, E64 |
N52B25U1, N52B25O1, N52B30M1, N52B30O1 |
MSV80 |
N53B25U0, N53B30U0, N53B30O0, N54B30O0 |
MSD80 |
|
N43B20O0 |
MSD80.2 |
|
N46B20O2 |
MEV17.2.1 |
|
N47D20O0 |
DDE70 |
|
E81, E82, E87, E88, E90, E90 M3, E91, E92, E92 M3, E93, E93 M3 |
N43B16, N43B20U0, N43B20O0 |
MSD80.2 |
N45B16O2, N46B20U2, N46B20O2 |
MEV17.2.1 |
|
N51B30M0, N52B25U1, N52B25O1, N52B30U0, N52B30M1, N52B30O1 |
MSV80 |
|
N47D20U0, N47D20O0 |
DDE70 |
|
N53B30U0, N53B30O0, N54B30O0 |
MSD80 |
|
S65 |
MSS60 |
|
E83 |
N52B25O1, N52B30U1, N52B30O1 |
MSV80 |
N46B20O2 |
MEV17.2.1 |
|
N47D20O0 |
DDE70 |
|
E70 |
N52B30O1 |
MSV80 |
R55, R56 |
N12 |
MEV17.2 |
N14 |
MED17.2 |
|
Folgende Bauteile für die EWS werden beschrieben:
In jeder Fernbedienung ist ein Transponderchip integriert, der sowohl senden als auch empfangen kann. Die Datenübertragung erfolgt wie bei einem Transformator zwischen der Ringantenne im Einschubschacht bzw. Zündschloss (nur E83) und dem Transponderchip. Die Fernbedienung sendet Daten an das EWS- bzw. CAS-Steuergerät und empfängt Daten von diesem.
Im Transponderchip ist auch die Berechtigung der Fernbedienung für das jeweilige Fahrzeug codiert.
Das EWS- bzw. CAS-Steuergerät
kann max. 10 zum Steuergerät passende Fernbedienungen verwalten,
d. h. es können max. 6 Fernbedienungen
als Ersatz besorgt werden.
Das EWS- bzw. CAS-Steuergerät
kann die einzelnen Fernbedienungen identifizieren. Somit ist es
möglich, einzelne Fernbedienungen zu sperren oder freizugeben.
Treten während der Kommunikation zwischen EWS- bzw.
CAS-Steuergerät und den einzelnen Fernbedienungen
Fehler auf, so werden diese im Fehlerspeicher - für
jede einzelne Fernbedienung getrennt - abgelegt.
Im Einschubschacht für die Fernbedienung bzw. um das Zündschloss (nur E83) befindet sich eine Ringantenne (Spule) zur Abfrage des Transponderchips. Über die Ringantenne kommunizieren Transponderchip und EWS- bzw. CAS-Steuergerät.
Bei Fahrzeugen mit einer elektrischen Lenkungsverriegelung, wird diese, nach Authentisierung durch das CAS, elektrisch bestromt. Erst jetzt kann eine Entriegelung oder Verriegelung durchgeführt werden. Ein Motorstart wird nur erlaubt, wenn die elektrische Lenkungsverriegelung entriegelt und gesichert ist.
> E83
Über die EWS-Datenleitung
authentisieren sich EWS-Steuergerät und DME/DDE gegenseitig.
Bei Fahrzeugen mit Automatikgetriebe erfolgt eine Startfreigabe
durch das EWS- bzw. CAS-Steuergerät nur,
wenn sich der Wählhebel in Position ”P” oder ”N” befindet.
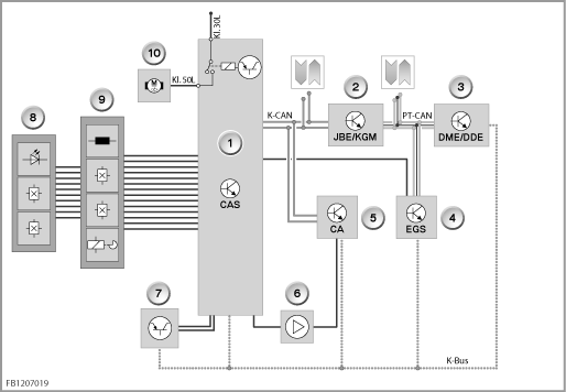
Folgende Steuergeräte sind an der elektronischen Wegfahrsperre (EWS) beteiligt:
> nicht E83
Das CAS-Steuergerät ist das Master-Steuergerät für die EWS. Die EWS ist im CAS integriert.
Im CAS-Steuergerät ist der Geheimschlüssel manipulationssicher gespeichert.
Das CAS-Steuergerät ist ein Bus-Teilnehmer
am K-CAN (Karosserie-CAN) und am K-Bus
(Karosserie-Bus).
Das CAS-Steuergerät
ist die Schnittstelle zum Einschubschacht für die Fernbedienung.

Index |
Erklärung |
Index |
Erklärung |
|---|---|---|---|
1 |
Comfort Access System (CAS) |
2 |
Junction Box Elektronik (JBE) bzw. Karosserie-Gateway-Modul (KGM) |
3 |
Digitale Motor Elektronik (DME) bzw. Digitale Diesel Elektronik (DDE) |
4 |
Elektronische Getriebesteuerung
(EGS) |
5 |
Komfortzugang (CA: Comfort Access) |
6 |
Fernbedienungsempfänger |
7 |
Elektrische Lenkungsverriegelung |
8 |
START-STOP-Taste |
9 |
Einschubschacht mit Fernbedienung |
10 |
Starter |
Kl. 30L |
Klemme 30L |
Kl. 50L |
Klemme 50L |
K-Bus |
Karosserie-Bus (auch CAS-Bus genannt) |
K-CAN |
Karosserie-CAN |
PT-CAN |
Powertrain-CAN |
|
|
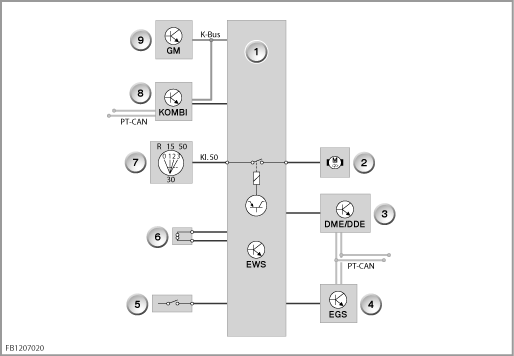
> nur E83
Das EWS-Steuergerät ist ein Bus-Teilnehmer
am K-Bus (Karosserie-Bus).
Das EWS-Steuergerät
ist die Schnittstelle zum Zündschloss.

Index |
Erklärung |
Index |
Erklärung |
|---|---|---|---|
1 |
Elektronische Wegfahrsperre (EWS) |
2 |
Starter |
3 |
Digitale Motor Elektronik (DME) bzw. Digitale Diesel Elektronik (DDE) |
4 |
Elektronische Getriebesteuerung (EGS) |
5 |
Kupplungsschalter bei Schaltgetriebe (abhängig von der Länderausführung) |
6 |
Ringantenne (Spule) |
7 |
Zündanlassschalter |
8 |
Instrumentenkombination (KOMBI) |
9 |
Grundmodul (GM) |
|
|
K-Bus |
Karosserie-Bus |
Kl. 50 |
Klemme 50 |
PT-CAN |
Powertrain-CAN |
|
|
Das DME-/DDE-Steuergerät gibt nur dann den Start frei, wenn ein korrektes Freigabesignal vom EWS- bzw. CAS-Steuergerät angekommen ist. In der DME/DDE ist der Geheimschlüssel manipulationssicher gespeichert.
> E70, E81, E82, E87, E88, E90, E91,
E92, E93, R55, R56
Die JBE ist die Datenschnittstelle
zwischen PT-CAN (Powertrain-CAN) und K-CAN (Karosserie-CAN).
> E60, E61, E63, E64
Das
KGM ist die Datenschnittstelle zwischen PT-CAN (Powertrain-CAN)
und K-CAN (Karosserie-CAN).
> E83
Die Instrumentenkombination
KGM ist die Datenschnittstelle zwischen PT-CAN (Powertrain-CAN)
und K-Bus (Karosserie-Bus).
> nur E70
Die elektronische
Getriebesteuerung (EGS) ist als weitere Wegfahrsperre in die EWS der
4. Generation eingebunden. Das EGS-Steuergerät
ist Bus-Teilnehmer am K-Bus.
Eine Freigabe
der Getriebefunktion erfolgt nur, wenn CAS-Steuergerät
und EGS-Steuergerät sich gegenseitig authentisieren.
Bei der SA 322”Komfortzugang” (CA:
Comfort Access) ist statt der üblichen Fernbedienung ein
Identifikationsgeber notwendig. Der Identifikationsgeber erfüllt
auch die üblichen Funktionen der Fernbedienung.
Das
Steuergerät für Komfortzugang (CA-Steuergerät)
steuert die Innenraumantennen und die Außenraumantennen
an. Damit werden mögliche Identifikationsgeber abgefragt.
Gleichzeitig wird der FBD-Empfänger für
antwortende Identifikationsgeber aktiviert (FBD: Fernbedienungsdienst).
Das
CAS-Steuergerät ist das Master-Steuergerät
für alle Funktionen der SA ”Komfortzugang”:
Folgende Systemfunktionen sind für die EWS beschrieben:
Beim Entriegelungsvorgang wird ein Authentisierungsverfahren
durchlaufen zwischen dem Car Access System (CAS) und der elektrischen
Lenkungsverriegelung. Die elektrische Lenkungsverriegelung darf
die Entriegelung nur nach einem positiven Ausgang des Authentisierungsverfahrens
starten. Aus Sicherungsgründen ist die elektrische Lenkungsverriegelung
während der Fahrt nicht bestromt. Die elektrische Lenkungsverriegelung
wird nur für den Entriegelungsvorgang oder den Verriegelungsvorgang
mit Spannung versorgt.
Wenn die Identifikationsdaten korrekt sind, steuert das CAS-Steuergerät über ein im Steuergerät befindliches Relais den Starter an. Gleichzeitig sendet das CAS-Steuergerät dem DME-Steuergerät ein kodiertes Freigabesignal für den Motorstart. Das DME-Steuergerät gibt nur dann den Start frei, wenn ein korrektes Freigabesignal vom CAS-Steuergerät angekommen ist.
Nach Einstecken des Zündschlüssels in das Zündschloss bzw. der Fernbedienung in den Einschubschacht findet folgender Ablauf statt:
In den Steuergeräten sind identische Wechselkodes gespeichert, deren Wert sich nach jedem Startvorgang ändert. Der Wechselkode wird aus einer Zufallszahl und dem Geheimschlüssel gebildet.
Abgleich Motorsteuerung mit elektronischer
Wegfahrsperre
Mit Einführung der neuen EWS (4. Generation) entfällt der Abgleich zwischen Motorsteuergerät und elektronischer Wegfahrsperre.
Ab diesem Zeitpunkt können bestimmte Steuergeräte
nur noch mit spezifisch für das jeweilige Fahrzeug bestellten
Steuergeräten getauscht werden.
Hinweis! Vorgehensweise bei defektem Steuergerät!
Wenn das CAS, die EWS (nur E83) oder die DME/DDE defekt
ist, muss eine bestimmte Vorgehensweise eingehalten werden.
Das
benötigte Steuergerät muss genau für
das Fahrzeug bestellt werden. Dazu sind die Fahrzeugdaten (Fahrgestellnummer)
erforderlich.
Ein EWS-Abgleich ist nach Steuergerätetausch
nicht notwendig.
> E70
Beim
Tausch der elektronischen Getriebesteuerung ist ein Abgleich notwendig.
Beim Abgleich überträgt das CAS-Steuergerät
einen individuellen Kode an das EGS-Steuergerät.
Dieser individuelle Kode wird für das Authentisierungsverfahren
zur Freigabe der Getriebefunktion benötigt.
Wichtig!
Ein Probetausch der Steuergeräte
mit Geheimschlüssel ist nicht möglich!
Reserveschlüssel können nur über einen BMW-Händler von einem BMW Teilevertrieb bezogen werden. Dort wird einer der 6 Reserveschlüssel zum Fahrzeug passend programmiert. Dieser Schlüssel ist keine Kopie des verlorenen Schlüssels, sondern ein neuer Schlüssel.
Es können insgesamt nicht mehr als 6 zum verbauten EWS-Steuergerät passende Reserveschlüssel hergestellt und ausgeliefert werden.
Wird ein neuer Schlüssel zum allerersten Mal ins Zündschloss gesteckt, kommt es zu einer merklichen Startverzögerung von 1 bis 2 Sekunden. Ab dann muss der Startvorgang verzögerungsfrei ablaufen.
Verlorene Schlüssel müssen über die Diagnose gesperrt werden. Siehe auch ”Besonderheiten des Diagnoseprogramms”.
Vorsicht!
Jede Schlüsselanforderung wird dokumentiert, damit Anfragen von Versicherungen und Behörden nachgegangen werden kann.
Bei Verlust aller Fernbedienungen bzw. Zündschlüssel wird ein neues EWS- bzw. CAS-Steuergerät benötigt.
Es ist möglich, über die Diagnose (Servicefunktionen) einzelne Fernbedienungen bzw. Zündschlüssel elektronisch zu sperren bzw. freizugeben.
Wichtig!
Elektronisch gesperrt bedeutet, dass sowohl der Starter als auch das Motorsteuergerät nicht zum Start freigegeben werden. Dabei ist unbedingt zu beachten, dass auch ein elektronisch gesperrter Zündschlüssel mechanisch nach wie vor passt, d. h. alle Klappen und Türen weiterhin geöffnet werden können.
Hier wird für jeden einzelnen der vom EWS- bzw. CAS-Steuergerät verwalteten Zündschlüssel (Fernbedienung) angezeigt, ob er bereits mindestens einmal vom EWS- bzw. CAS-Steuergerät erkannt wurde, d. h. es ist möglich, auch bei älteren Fahrzeugen nachzuvollziehen, wie viele Fernbedienungen bzw. Zündschlüssel bereits in diesem Fahrzeug verwendet wurden.
Druckfehler, Irrtümer und technische Änderungen vorbehalten.