
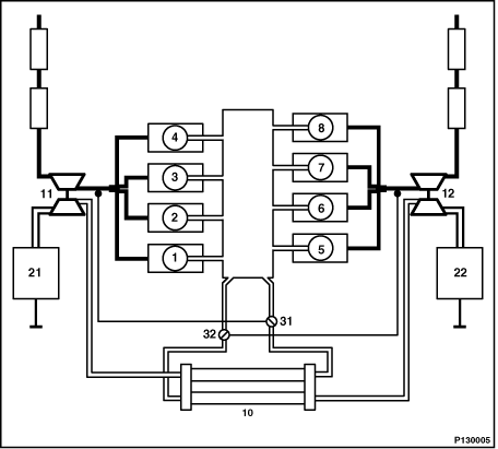
1 - 8 |
Cylindres 1 à 8 |
10 |
Refroidisseur de suralimentation |
11 |
Turbocompresseur 1 |
12 |
Turbocompresseur 2 |
21 |
Débitmètre massique d'air 1 |
22 |
Débitmètre massique d'air 2 |
31 |
Valve de recyclage des gaz d'échappement 1 |
32 |
Valve de recyclage des gaz d'échappement 2 |