Pour pouvoir disposer du service d'info-trafic ”Real Time Traffic Information (RTTI)”, le boîtier électronique IBOC est doté d'un séparateur d'antenne passif = splitter). Ce séparateur permet de mettre les signaux HF à la disposition du CCC et du boîtier électronique IBOC. La fonction RTTI n'est disponible qu'en combinaison avec le système de navigation Professional. Le CCC met les informations trafic reçues à la disposition du système de navigation.

Index |
Explication |
Index |
Explication |
|---|---|---|---|
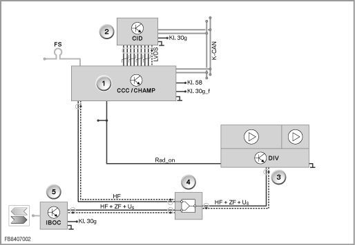
1 |
Head Unit |
2 |
Central Information Display |
3 |
Amplificateur d'antenne avec module Diversity |
4 |
Séparateur d'antenne (splitter) |
5 |
Boîtier électronique IBOC |
La présente description de fonctionnement décrit les composants du séparateur d'antenne RTTI.

Index |
Explication |
Index |
Explication |
|---|---|---|---|
1 |
IBOC |
2 |
Séparateur RTTI avec support |
3 |
Signal AM/FM (amplificateur d'antenne avec module Diversity) Code couleur du connecteur : noir |
4 |
Signal AM/FM (CCC) Code couleur du connecteur : jaune curry |
5 |
Signal AM/FM (IBOC) Code couleur du connecteur : noir |
Le boîtier électronique IBOC de la radio haute définition est un tuner hybride conçu pour la réception de stations radio numériques et analogiques dans les bandes AM et FM. Comme les signaux de réception numériques suivent le même chemin que les signaux de réception analogiques, il est possible d'utiliser pour la réception l'amplificateur d'antenne avec module Diversity ainsi que les antennes AM et FM déjà connus.
Le boîtier électronique IBOC décode les données audio numériques et les transmet à la Head Unit via le bus MOST (bus Media Oriented System Transport). La Head Unit convertit les données audio en signaux BF analogiques. Les signaux BF sont transmis aux haut-parleurs.
Le boîtier électronique CCC est conçu pour la réception de stations radio analogiques dans les bandes AM et FM. En combinaison avec un tuner IBOC, cette fonction est assurée non pas dans le CCC mais dans le boîtier électronique IBOC. La réception des signaux analogiques est assurée par l'amplificateur d'antenne avec module Diversity et les antennes AM et FM.
La puissance d'antenne est répartie de façon asymétrique. Le tuner IBOC reçoit un signal atténué de 1 dB, la Head Unit un signal atténué de 10 dB. Le niveau fourni par l'antenne FM active est donc réparti dans un rapport de 9 : 1 (IBOC : RTTI). La puissance d'antenne est répartie par le séparateur d'antenne (splitter) dans un rapport de 10:1 (IBOC : RTTI). Cette répartition de la puissance d'antenne est suffisante pour permettre au CCC de recevoir les données RTTI. La fonction Diversity est gérée par le boîtier électronique IBOC.
Un module de test a été prévu pour le contrôle du séparateur d'antenne RTTI. Ce module de test est accessible via la sélection des descriptifs de défauts en mode diagnostic (65006_CCC :dysfonctionnement) ou via la sélection de fonction (Véhicule complet/Carrosserie/Audio, Vidéo, Téléphone, Navigation (anneau MOST)/Navigation).
Sous réserve de fautes d'impression, d'erreurs et de modifications techniques.