Nota ! L'option 5DF n'est disponible suivant les pays qu'en combinaison avec certaines options déterminées.
Le régulateur de vitesse actif avec fonction Stop&Go n'est à l'heure actuelle disponible qu'en combinaison avec l'option 205 ”Boîte automatique” ou l'option 2TB ”Boîte automatique sport”.
Dans certains pays, seul le régulateur ACC sans fonction Stop&Go est proposé du fait que certaines restrictions d'homologation.
Le régulateur ACC sans fonction Stop&Go ne se distingue du régulateur avec fonction Stop&Go que par l'absence de capteurs courte portée.
En Europe, L'option 5DF n'est proposée qu'en combinaison avec un système de navigation. Raison : La législation impose la désactivation du système à proximité des stations de radioastronomie.

Index |
Explication |
Index |
Explication |
|---|---|---|---|
1 |
Axe médian du capteur courte portée de gauche |
2 |
Axe longitudinal du véhicule |
3 |
Axe médian du capteur longue portée |
4 |
Axe médian du capteur courte portée de droite |
5 |
Capteur longue portée avec support |
6 |
Capteur courte portée de droite avec support |
7 |
Support du bouclier |
8 |
Capteur courte portée de gauche avec support |
Tenir compte des indications suivantes dans le cadre du service après-vente :
Le texte qui suit décrit le nouveau régulateur de vitesse actif avec fonction Stop&Go (option 5DF).
Le régulateur de vitesse actif avec fonction Stop&Go est une évolution du régulateur de vitesse actif ACC proposé jusqu'ici.
En complément à la régulation de vitesse active déjà connue, la fonction Stop&Go permet de disposer des nouvelles fonctionnalités suivantes :
La vitesse de consigne est réglable entre 30 km/h et 180 km/h : par paliers de 10 km/h ou par paliers de 1 km/h. La vitesse de consigne s'affiche sur le combiné d'instruments. Il est toujours possible de choisir entre 4 intervalles de temps prédéfinis (distances de sécurité).
La nouvelle option fait intervenir un nouveau sous-bus baptisé : Sensor-CAN (S-CAN).
La présente description de fonctionnement décrit les composants suivants du système ACC :
Les capteurs courte portée sont des capteurs radar (Short Range Radar).
Le système ACC avec fonction Stop&Go fait appel à 2 capteurs courte portée identiques. Les capteurs courte portée sont logés dans le bouclier pare-chocs avant et supportés par un support en plastique.

Index |
Explication |
Index |
Explication |
|---|---|---|---|
1 |
Capteur courte portée |
2 |
Support |
Les capteurs courte portée sont reliés au boîtier électronique via le bus Sensor-CAN (S-CAN).
Les capteurs courte portée remplissent les fonctions suivantes :
Les données d'objet des capteurs courte portée ne sont utilisées que pour la fonction ACC Stop&Go (pas pour l'assistance de freinage adaptative).
LRR est l'abréviation de Long Range Radar.

Index |
Explication |
Index |
Explication |
|---|---|---|---|
1 |
Capteur longue portée |
2 |
Support |
Le capteur longue portée (anciennement appelé capteur ACC) est un capteur radar. Le capteur longue portée est aussi un boîtier électronique. Il dispose à ce titre d'une adresse de boîtier électronique et il est aussi diagnosticable/programmable.
Le capteur longue portée détecte la distance, la position angulaire et la vitesse des objets en mouvement devant le véhicule. La plage de détection va jusqu'à 150 m devant le véhicule. Les données du capteur sont traitées au sein du boîtier électronique LDM (gestion de dynamique longitudinale).
Le boîtier électronique LDM est logé dans le porte-boîtiers derrière la boîte à gants.

Index |
Explication |
Index |
Explication |
|---|---|---|---|
1 |
Porte-boîtiers électroniques |
2 |
Boîtier électronique LDM |
Pour le régulateur ACC avec fonction Stop&Go, le boîtier électronique LDM réalise les fonctions suivantes :
Le capteur LRR et le boîtier électronique LDM sont alimentés par le boîtier électronique CAS via une ligne d'éveil (wake-up) séparée, découplée électriquement de la ligne d'éveil normale. Cette solution a été choisie du fait que le capteur longue portée se situe dans une zone exposée aux accidents (partie frontale du véhicule). Un endommagement (p. ex. court-circuit à la masse) de la ligne d'éveil (wake-up) lors d'un accident n'a pratiquement aucune incidence sur les autres boîtiers électroniques.
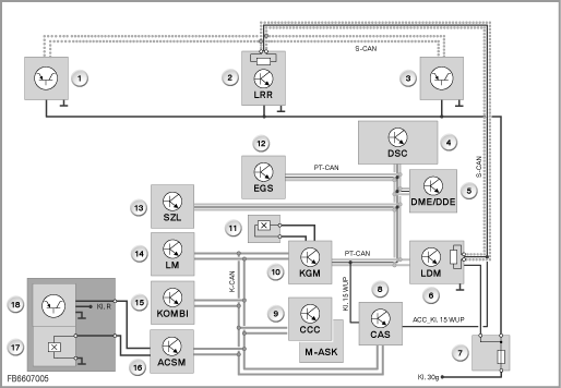
Le nouveau bus S-CAN (Sensor-CAN) relie :
Le bus S-CAN a été rendu nécessaire par la grande quantité de données transmises par les capteurs radar.
Le volume de données transmis aurait surchargé les bus de données existants et réduit à néant la capacité de transfert disponible.

Index |
Explication |
Index |
Explication |
|---|---|---|---|
1 |
Capteur courte portée de gauche |
2 |
Capteur longue portée (LRR) |
3 |
Capteur courte portée de droite |
4 |
Contrôle dynamique de stabilité (DSC) |
5 |
Electronique numérique moteur (DME) ou Electronique numérique diesel (DDE) |
6 |
Gestion dynamique longitudinale (LDM) |
7 |
Fusible dans le coffre à bagages |
8 |
Car Access System (CAS) |
9 |
Car Communication Computer (CCC) et multicontrôleur audio (M-ASK) |
10 |
Module de carrosserie et passerelle (KGM) |
11 |
Contact de porte conducteur |
12 |
Commande électronique de la boîte de vitesses (EGS) |
13 |
Centrale de commande de colonne de direction (SZL) |
14 |
Module d'éclairage (LM) |
15 |
Combiné d'instruments (KOMBI) |
16 |
Advanced Crash Safety Module (ACSM) |
17 |
Contact de boucle de ceinture |
18 |
Tapis sensitif d'occupation de siège |
Caractéristiques du bus S-CAN (Sensor-CAN) :
La présente description de fonctionnement décrit les fonctions système suivantes :
La réalisation de la fonction ACC Stop&Go requiert une interaction complexe entre plusieurs boîtiers électroniques qui se répartissent différentes tâches. Le boîtier électronique LDM communique avec ces différents boîtiers électroniques par le biais de bus de données multiplexés.

Index |
Explication |
Index |
Explication |
|---|---|---|---|
1 |
Capteur longue portée (LRR) |
2 |
Capteur courte portée de gauche |
3 |
Capteur courte portée de droite |
4 |
Centrale de commande de colonne de direction (SZL) |
5 |
Module de carrosserie et passerelle (KGM) |
6 |
Combiné d'instruments (KOMBI) |
7 |
Contrôle dynamique de stabilité (DSC) |
8 |
Commande électronique de la boîte de vitesses (EGS) |
9 |
Electronique numérique moteur (DME) ou Electronique numérique diesel (DDE) |
10 |
Gestion dynamique longitudinale (LDM) |
Le système ACC Stop&Go fait intervenir pour fonctionner correctement les boîtiers électroniques suivants :
Boîtier électronique |
Fonctionnement |
|---|---|
DME ou DDE : Gestion moteur |
Transposition des demandes d'action sur le couple moteur Signal ”moteur tourne” |
DSC : Contrôle dynamique de stabilité |
Mode de conduite Transposition des demandes d'action sur les freins |
SZL : Centrale de commande de colonne de direction |
Etat des manettes Angle de braquage Commande des avertisseurs sonores |
CCC, M-ASK : Système de navigation |
Données du système de navigation (action sur les grandeurs de régulation) |
KOMBI : Combiné d'instruments |
Représentation des affichages (ACC et messages check-control) |
EGS : Gestion de la boîte de vitesses |
Rapport de marche |
CAS : Car Access System |
Etat des bornes et ligne d'éveil (wake-up) |
KGM : Module de carrosserie et passerelle |
Contact de porte conducteur (intention de quitter le véhicule) |
AHM : Module de remorque |
Détection de la présence d'une remorque |
ACSM Module de sécurité anticollision |
Détection d'occupation du siège conducteur (intention de quitter le véhicule) Contact de boucle de ceinture conducteur (intention de quitter le véhicule) |
RLS : Capteur de pluie et de luminosité |
Etat de la chaussée (mouillée ou non) |
SZM : Centrale de commande de console centrale |
Touche DTC |
LM : Module d'éclairage |
Commande des feux de détresse |
L'assistance de freinage adaptative est une fonction du système DSC. Le boîtier électronique LDM fait ce faisant office de passerelle (gateway) entre les bus de données S-CAN et PT-CAN.
L'assistance de freinage adaptative est particulièrement utile dans les situations de freinage d'urgence. Le capteur longue portée détecte quand le conducteur du véhicule qui précède se met à freiner fortement.
En pareille situation, l'assistance de freinage aide à optimiser le processus de freinage et permet, dans le meilleur des cas, à éviter l'accident par tamponnement.
Le système dispose pour cela des fonctions suivantes :
L'assistance de freinage adaptative est toujours active quand le système ACC est actif.
L'assistance de freinage adaptative est également disponible pour le système ACC sans fonction Stop&Go.
Lorsque les limites fonctionnelles du système ACC sont atteintes, celui-ci peut alors se comporter d'une façon qui mérite d'être expliquée au conducteur. La partie qui suit décrit de telles situations :
Sous réserve de fautes d'impression, d'erreurs et de modifications techniques.