Le chauffage des sièges est uniquement proposé en option pour la nouvelle X5 E70. Le chauffage de siège est de type électrique. Le chauffage de siège fait en sorte que les sièges aient une température agréable. Deux variantes d'équipement (Low et High) sont proposées pour le chauffage des sièges.
La présente description de fonctionnement décrit les composants suivants du système de chauffage des sièges :
Le chauffage des sièges s'active au moyen des touches extérieures de la façade IHKA. Le signal des touches est traité par le boîtier électronique IHKA. Une LED s'allume dans la touche pour chaque niveau de température sélectionné. Le boîtier IHKA envoie un message à l'électronique du boîtier de jonction (JBE) via le bus K-CAN.
L'électronique JBE assure l'alimentation en tension du chauffage de siège. Les éléments chauffants du siège conducteur sont activés par l'intermédiaire du module de siège conducteur (SMFA). Dans le cas de la variante d'équipement ”Low”, l'électronique JBE active les éléments chauffants du côté passager. Elle applique aux bornes des éléments chauffants côté passager un signal rectangulaire modulé en largeur (signal PWM) de rapport cyclique différent suivant le niveau de température sélectionné. Dans le cas de la variante d'équipement ”High”, c'est le module de siège passager (SMBF) qui active les éléments chauffants.
Le chauffage de siège fait appel à plusieurs éléments chauffants. Chaque élément chauffant est constitué de câbles électriques flexibles. Les éléments chauffants sont intégrés dans les garnissages d'assise et de dossier des sièges conducteur et passager. L'élément chauffant parcourt le garnissage de l'assise et du dossier.

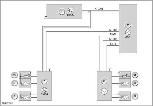
Schéma synoptique E70, variante d'équipement ”Low”
Index |
Explication |
Index |
Explication |
|---|---|---|---|
1 |
Chauffage et climatisation à régulation automatique (IHKA) |
2 |
Electronique du boîtier de jonction (JBE) |
3 |
Sonde de température élément chauffant côté passager |
4 |
Elément chauffant assise côté passager |
5 |
Elément chauffant dossier côté passager |
6 |
Module de chauffage du siège côté passager |
7 |
Module de siège conducteur (SMFA) |
8 |
Elément chauffant dossier côté conducteur |
9 |
Elément chauffant assise côté conducteur |
10 |
Sonde de température élément chauffant côté conducteur |

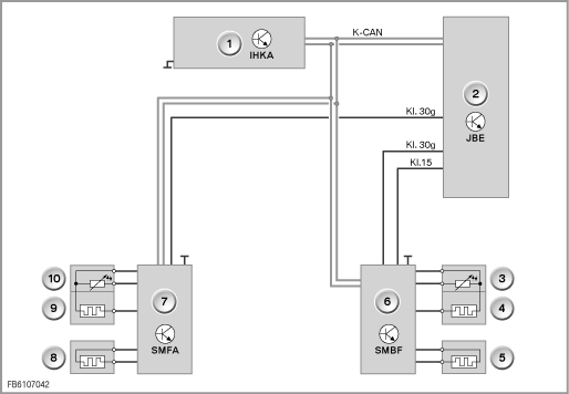
Schéma synoptique E70, variante d'équipement ”High”
Index |
Explication |
Index |
Explication |
|---|---|---|---|
1 |
Chauffage et climatisation à régulation automatique (IHKA) |
2 |
Electronique du boîtier de jonction (JBE) |
3 |
Sonde de température élément chauffant côté passager |
4 |
Elément chauffant assise côté passager |
5 |
Elément chauffant dossier côté passager |
6 |
Module de siège passager (SMBF) |
7 |
Module de siège conducteur (SMFA) |
8 |
Elément chauffant dossier côté conducteur |
9 |
Elément chauffant assise côté conducteur |
10 |
sonde de température élément chauffant côté conducteur |
La présente description de fonctionnement décrit les fonctions suivantes du système de chauffage des sièges :
Le chauffage de siège est activé en actionnant la touche correspondante sur la façade IHKA. Une nouvelle pression de la touche modifie la puissance de chauffage. Le niveau de température sélectionné est signalé par les LED intégrées à la touche.
Le chauffage des sièges est surveillé par une sonde de température (thermistance CTP). La sonde de température se trouve dans l'élément chauffant du chauffage de siège. La sonde de température sert à la surveillance de température et à la protection contre les surchauffes.
Le chauffage de siège se désactive en actionnant la touche correspondante jusqu'à ce que plus aucune LED ne soit allumée. Le chauffage de siège peut aussi être désactivé en appuyant longuement sur la touche.
Sous réserve de fautes d'impression, d'erreurs et de modifications techniques.