Les véhicules E70 sont équipés de série de rétroviseurs extérieurs à réglage électrique. Les rétroviseurs extérieurs se règlent de façon centrale par l'intermédiaire d'un bouton de commande situé sur la porte conducteur. Deux variantes d'équipement (Low et High) sont proposées pour les rétroviseurs extérieurs électriques.
La présente description de fonctionnement décrit les composants suivants des rétroviseurs extérieurs électriques :
Les rétroviseurs extérieurs électriques se règlent de façon centrale par l'intermédiaire d'un bouton de commande situé sur la porte conducteur. Dans le cas de la variante d'équipement ”Low”, le bouton de commande active directement les servomoteurs des rétroviseurs électriques. Dans le cas de la variante ”High”, les signaux de commande sont transmis au module de plancher (FRM) et aux rétroviseurs extérieurs via le bus LIN.
La sonde de température extérieure mesure la température ambiante. Elle envoie cette information directement au combiné d'instruments.
Le combiné d'instruments traite l'information de la sonde de température extérieure. Quand la température extérieure devient inférieure à 3 °C, le combiné d'instruments envoie via le bus K-CAN un message au boîtier électronique compétent. Dans le cas de la variante d'équipement ”Low”, le boîtier compétent est le boîtier JBE (électronique du boîtier de jonction). A la réception de ce signal, le boîtier JBE active le chauffage des rétroviseurs. Dans le cas de la variante d'équipement ”High”, le boîtier compétent est le module de plancher (FRM). Le module FRM signale cet état aux rétroviseurs extérieurs via le bus LIN.
Le module de plancher FRM assure l'éclairage du bouton de réglage des rétroviseurs. Dans le cas de la variante ”High”, le module FRM est relié via le bus LIN au bouton de réglage des rétroviseurs et aux rétroviseurs extérieurs.
L'électronique JBE assure l'alimentation en tension des rétroviseurs extérieurs et du bouton de réglage des rétroviseurs. Dans le cas de la variante d'équipement ”Low”, l'électronique JBE active le chauffage des rétroviseurs. En deçà d'une température extérieure déterminée, l'électronique JBE reçoit un signal en vue du chauffage des rétroviseurs. L'électronique JBE reçoit le signal via le bus K-CAN.
Un moteur déplace le miroir du rétroviseur dans le sens horizontal et un autre dans le sens vertical. Chacun des moteurs comporte un potentiomètre de position. Les potentiomètres détectent la position des moteurs et la communiquent en retour sous la forme d'un rétrosignal.
Les rétroviseurs extérieurs sont constitués d'un pied et d'une tête. Le moteur de rabattement du rétroviseur est logé dans le pied du rétroviseur. Le rabattement et le retour en position du rétroviseur sont obtenus par inversion du sens de rotation du moteur.

Le graphique s'applique à un véhicule E70
Index |
Explication |
Index |
Explication |
|---|---|---|---|
1 |
Bouton de réglage des rétroviseurs extérieurs |
2 |
Sélecteur de côté (conducteur / passager) |
3 |
Bouton de rabattement des rétroviseurs extérieurs |
|
|

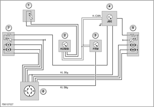
Schéma synoptique E70, variante d'équipement ”Low”
Index |
Explication |
Index |
Explication |
|---|---|---|---|
1 |
Sonde de température extérieure |
2 |
Combiné d'instruments |
3 |
Module de plancher (FRM) |
4 |
Electronique du boîtier de jonction (JBE) |
5 |
Rétroviseur extérieur côté passager |
6 |
Bouton de réglage des rétroviseurs extérieurs |
7 |
Rétroviseur extérieur côté conducteur |
|
|

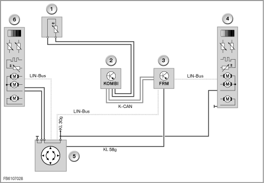
Schéma synoptique E70, variante d'équipement ”High”
Index |
Explication |
Index |
Explication |
|---|---|---|---|
1 |
Sonde de température extérieure |
2 |
Combiné d'instruments |
3 |
Module de plancher (FRM) |
4 |
Rétroviseur extérieur côté passager |
5 |
Bouton de réglage des rétroviseurs extérieurs avec bouton de rabattement des rétroviseurs |
6 |
Rétroviseur extérieur côté conducteur |
La présente description de fonctionnement décrit les fonctions système suivantes des rétroviseurs extérieurs :
Le réglage des rétroviseurs extérieurs est possible dès la mise sous tension de la borne R. Les rétroviseurs extérieurs sont réglables dans les sens horizontal et vertical via les touches du bouton de réglage des rétroviseurs. Un curseur permet de commuter entre le côté conducteur et le côté passager. Les réglages horizontal et vertical ne peuvent être réalisés que successivement. Aucun réglage n'est possible lorsque les rétroviseurs extérieurs sont rabattus. Pour ménager les moteurs et la mécanique, le temps de réglage est limité à 10 secondes au maximum. Lorsque le temps de réglage maximal est atteint, le rétroviseur extérieur ne peut plus être piloté pendant 10 secondes.
Pour réduire la largeur du véhicule, il est possible de rabattre de chaque côté le rétroviseur contre la vitre. Le rabattement des rétroviseurs extérieurs est possible dès la mise sous tension de la borne R. Le rabattement des rétroviseurs est obtenu en actionnant la touche de rabattement des rétroviseurs sur la porte conducteur. Le rabattement ou le retour en position normale des rétroviseurs extérieurs est obtenu par une nouvelle pression sur la touche. Un blocage antirépétition prévient toute surchauffe en empêchant un rabattement / retour en position trop fréquents.
La fonction ”assistance parcage” est uniquement disponible avec l'option ”Rétroviseur extérieur conducteur à mémoire”. Pour permettre une meilleure vision du trottoir, le verre du rétroviseur extérieur côté passager est basculé vers le bas. Cette fonction n'est active que dans les conditions suivantes :
Pour prévenir toute surcharge des actionneurs, les moteurs disposent d'une détection de blocage. Dès que l'actionneur se bloque, le courant au sein du moteur augmente. Le boîtier électronique associé compare le courant quand l'actionneur est bloqué à la valeur du courant en cas de fonctionnement normal. A partir d'un écart déterminé entre les deux valeurs, un blocage est détecté. Le moteur n'est alors plus piloté.
Sous réserve de fautes d'impression, d'erreurs et de modifications techniques.