Sur la nouvelle X5 E70, le verrouillage de la deuxième rangée de sièges est surveillé par plusieurs microcontacteurs. Les microcontacteurs sont logés dans la deuxième rangée de sièges. Les microcontacteurs vérifient si la banquette arrière ne se déverrouille pas inopinément. Ils garantissent ainsi une meilleure protection des occupants en cas d'accident.
La présente description de fonctionnement décrit les composants suivants du système de déverrouillage de la deuxième rangée de sièges :
Les microcontacteurs de la deuxième rangée de sièges sont logés dans la grande et dans la petite moitié de siège. La grande moitié de siège intègre quatre microcontacteurs. La petite moitié de siège intègre un microcontacteur. Quand les moitiés de siège sont correctement verrouillées, l'électronique JBE reçoit un signal de masse. En cas de coupure au niveau du fil véhiculant le signal de masse, l'électronique JBE détecte une rangée de sièges mal verrouillée.
Le combiné d'instruments reçoit ses informations de l'électronique du boîtier de jonction (JBE) via le bus K-CAN. Lorsqu'il reçoit de l'électronique JBE une information comme quoi la deuxième rangée de sièges n'est pas correctement verrouillée, le combiné d'instruments génère un message check-control. Ce message signale au conducteur que la deuxième rangée de sièges n'est pas correctement verrouillée. Le conducteur est ainsi averti qu'il y a un risque de blessure accru des occupants en cas d'accident.
L'électronique JBE est le boîtier électronique chargé de contrôler le verrouillage de la deuxième rangée de sièges. L'électronique JBE reçoit des microcontacteurs un signal de masse. En cas de coupure au niveau du fil véhiculant le signal de masse, l'électronique JBE détecte une rangée de sièges mal verrouillée. En cas de détection d'un verrouillage incorrect de la rangée de sièges, l'électronique envoie un message en ce sens au combiné d'instruments via la bus K-CAN.

Deuxième rangée de sièges d'un véhicule E70
Index |
Explication |
Index |
Explication |
|---|---|---|---|
1 |
Microcontacteur de la petite moitié de siège, verrouillage à la structure du siège |
2 |
Microcontacteur de la grande moitié de siège, verrouillage côté intérieur |
3 |
Microcontacteur de la grande moitié de siège, verrouillage côté extérieur |
4 |
Microcontacteur de la grande moitié de siège, dossier côté extérieur |
5 |
Microcontacteur de la grande moitié de siège, coulisse du coussin de siège |
|
|

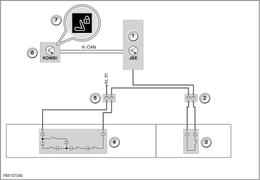
Schéma synoptique E70
Index |
Explication |
Index |
Explication |
|---|---|---|---|
1 |
Electronique du boîtier de jonction (JBE) |
2 |
Connecteur de siège, côté droit |
3 |
Microcontacteur deuxième rangée de sièges, côté droit |
4 |
Microcontacteur deuxième rangée de sièges, côté gauche |
5 |
Connecteur de siège, côté gauche |
6 |
Combiné d'instruments |
7 |
Message check-control (banquette arrière pas verrouillée !) |
|
|
La présente description de fonctionnement décrit les fonctions suivantes du système de déverrouillage de la deuxième rangée de sièges :
La surveillance de la grande moitié de siège s'effectue au moyen de microcontacteurs logés dans le dossier et dans l'assise du siège. Le dossier se contient qu'un seul microcontacteur du côté extérieur. Deux microtacteurs sont disposés dans la structure de siège, côté intérieur et côté extérieur. Un autre microcontacteur se trouve au niveau de la coulisse de coussin de siège, dans la structure de siège. Quand il est rabattu, le dossier n'est pas verrouillé. Quand les moitiés de siège sont correctement verrouillées, l'électronique JBE reçoit un signal de masse.
Les états suivants du siège sont contrôlés :
La petite moitié de siège n'intègre qu'un seul microcontacteur. Le microcontacteur se trouve au niveau du verrouillage mécanique, du côté intérieur de la structure de siège. En cas de verrouillage correct de la petite moitié de siège, le microntacteur est fermé.
Le combiné d'instruments reçoit de l'électronique JBE un message quand celle-ci détecte que la deuxième rangée de siège est mal verrouillée. A la réception de ce message, le combiné d'instruments génère un message check-control. Le message ”Banquette arrière pas verrouillée !” signale au conducteur que les passagers arrière seront mal protégés en cas d'accident.
Sous réserve de fautes d'impression, d'erreurs et de modifications techniques.