L'éclairage d'intersection n'est disponible qu'en combinaison avec l'option ”éclairage d'intersection adaptatif”. Il éclaire en complément à l'éclairage d'intersection adaptatif les zones situées devant et sur les côtés du véhicule.
La présente description de fonctionnement décrit les composants suivants de l'éclairage d'intersection :
L'éclairage d'intersection peut uniquement être activé lorsque le commutateur d'éclairage se trouve en position ”A”. Le commutateur d'éclairage possède une LED verte pour le pilotage automatique des feux de croisement. En cas de dysfonctionnement du système, la LED se met à clignoter. Le commutateur d'éclairage est directement relié au module de plancher (FRM).
L'éclairage d'intersection requiert la présence de projecteurs antibrouillard spéciaux. Chacun des projecteurs antibrouillard en question possède en plus un réflecteur spécial pour l'éclairage d'intersection. Dès que les projecteurs antibrouillard sont activés, la lumière de l'ampoule du phare antibrouillard atteint le réflecteur de l'éclairage d'intersection. Le réflecteur a une forme spéciale lui permettant de réfléchir la lumière dans la zone à éclairer dans les virages. Vus de l'extérieur, les projecteurs antibrouillard avec fonction ”éclairage d'intersection" sont reconnaissables à leur réflecteur entièrement chromé.
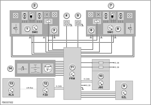
Le capteur RLSS est intégré au pare-brise, dans le pied du rétroviseur intérieur. Le capteur RLSS détecte le crépuscule ou l'obscurité En cas de dépassement d'une valeur-seuil déterminée, le capteur RLSS transmet un message à la centrale multifonctions de toit (FZD). Le capteur RLSS est relié à la centrale multifonctions de toit (FZD) par l'intermédiaire du bus LIN. La centrale FZD envoie ce message au module de plancher (FRM) par l'intermédiaire du bus K-CAN.
La centrale SZL supporte la manette des clignotants/feux de route. La manette des clignotants/feux de route envoie ses signaux à la centrale SZL. La centrale SZL transmet les signaux qu'elle reçoit directement au module de plancher (FRM).
La commande de l'éclairage d'intersection est assurée par le module FRM. Le module de plancher FRM pilote aussi la LED du commutateur d'éclairage. Le module FRM reçoit toutes les conditions d'activation directement par l'intermédiaire du bus K-CAN. Le module FRM est disposé au bas de l'habitacle, sur le côté, côté conducteur, sous la planche de bord.
L'électronique JBE assure l'alimentation en tension. L'électronique JBE est reliée au module de plancher FRM via le bus K-CAN. L'électronique JBE se trouve sous la planche de bord, côté passager avant.

Constitution des projecteurs antibrouillard (E70)
Index |
Explication |
Index |
Explication |
|---|---|---|---|
1 |
Réflecteur pour éclairage d'intersection |
2 |
Réflecteur pour faisceau antibrouillard |
3 |
Ampoule de projecteur antibrouillard |
|
|

Schéma synoptique E70
Index |
Explication |
Index |
Explication |
|---|---|---|---|
1 |
Contrôleur de moteurs pas-à-pas (SMC) gauche |
2 |
Projecteur principal gauche |
3 |
Boîtier électronique xénon côté gauche |
4 |
Projecteur antibrouillard gauche |
5 |
Projecteur antibrouillard droit |
6 |
Boîtier électronique xénon côté droit |
7 |
Projecteur principal droit |
8 |
Contrôleur de moteurs pas-à-pas (SMC) droit |
9 |
Centrale de commande de colonne de direction (SZL) |
10 |
Electronique du boîtier de jonction (JBE) |
11 |
Module de plancher (FRM) |
12 |
Centrale multifonctions de toit (FZD) |
13 |
Capteur de pluie / de luminosité (RLSS) |
14 |
Commutateur d'éclairage |
L'éclairage d'intersection ne s'active et ne se désactive pas spontanément, mais de façon graduelle en fonction de différents paramètres temporels. Réservé à certaines versions d'exportation, l'éclairage d'intersection s'active et se désactive dans les virages.
La présente description de fonctionnement décrit les fonctions suivantes de l'éclairage d'intersection :
A l'arrêt, l'éclairage d'intersection est coupé au bout d'un certain temps, par exemple à l'attente à un feu. L'éclairage d'intersection peut néanmoins être réactivé en actionnant à nouveau la manette des clignotants
Le choix du côté à activer s'effectue en fonction des conditions suivantes :
Déplacement du véhicule vers l'avant
Déplacement du véhicule vers l'avant
Uniquement pour la version US :
En cas de détection d'un dysfonctionnement de l'éclairage d'intersection, il apparaît à l'affichage les mêmes messages check-control que pour les projecteurs antibrouillard.
Sous réserve de fautes d'impression, d'erreurs et de modifications techniques.