L'antidémarrage électronique (EWS) remplit une double fonction : sécurité centrale antivol et validation des démarrages.
L'antidémarrage EWS de la 4ème génération est une évolution de l'antidémarrage actuel qui utilise un nouveau procédé de codage ultramoderne.
Chaque véhicule se soit affecté un code secret de 128 bits. Ce code secret est mémorisé dans une base de données BMW. Le code secret n'est donc connu que de BMW.
Le code secret est programmé et verrouillé dans les boîtiers électroniques suivants :
Une fois que le code secret est verrouillé dans les boîtiers électroniques, il ne peut plus être effacé ni modifié. Chaque boîtier électronique est donc assigné à un véhicule bien précis. Les boîtiers électroniques s'identifient mutuellement en comparant leur code secret et grâce à un algorithme commun.
Il n'y a plus avec le système EWS de 4ème génération de liaison directe (ligne de données EWS) entre le boîtier électronique DME/DDE et le boîtier électronique CAS (sauf pour E83).
le signal EWS est transmis par l'intermédiaire des bus de données CAN (PT-CAN et K-CAN) et du bus K (aussi appelé bus CAS). Le bus K n'intervient que quand un signal EWS ne peut pas être envoyé sur la ligne de données CAN.
Dans le cas de la série-modèle E83, la transmission de données entre le boîtier EWS et le boîtier DME/DDE s'effectue comme jusqu'ici via une ligne de données EWS directe.
Mise en oeuvre du système EWS (4ème génération) :
Série-modèle |
Moteurs |
Boîtier de gestion moteur |
|---|---|---|
Niveaux de puissance : |
||
E60, E61, E63, E64 |
N52B25U1, N52B25O1, N52B30M1, N52B30O1 |
MSV80 |
N53B25U0, N53B30U0, N53B30O0, N54B30O0 |
MSD80 |
|
N43B20O0 |
MSD80.2 |
|
N46B20O2 |
MEV17.2.1 |
|
N47D20O0 |
DDE70 |
|
E81, E82, E87, E88, E90, E90 M3, E91, E92, E92 M3, E93, E93 M3 |
N43B16, N43B20U0, N43B20O0 |
MSD80.2 |
N45B16O2, N46B20U2, N46B20O2 |
MEV17.2.1 |
|
N51B30M0, N52B25U1, N52B25O1, N52B30U0, N52B30M1, N52B30O1 |
MSV80 |
|
N47D20U0, N47D20O0 |
DDE70 |
|
N53B30U0, N53B30O0, N54B30O0 |
MSD80 |
|
S65 |
MSS60 |
|
E83 |
N52B25O1, N52B30U1, N52B30O1 |
MSV80 |
N46B20O2 |
MEV17.2.1 |
|
N47D20O0 |
DDE70 |
|
E70 |
N52B30O1 |
MSV80 |
R55, R56 |
N12 |
MEV17.2 |
N14 |
MED17.2 |
|
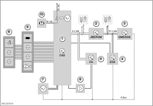
La présente description de fonctionnement décrit les composants suivants du système EWS :
Cette télécommande contient une puce transpondeur qui peut à la fois émettre et recevoir. La transmission des données entre l'antenne toroïdale (bobine) du logement de télécommande ou la serrure de contact (seulement E83) et la puce transpondeur s'effectue suivant le même principe que dans un transformateur. La télécommande envoie des données au boîtier électronique CAS ou EWS et reçoit des données de ces derniers.
La puce transpondeur intègre aussi le code d'habilitation de la télécommande pour le véhicule.
Le boîtier électronique CAS ou EWS peut gérer jusqu'à 10 télécommandes, ce qui signifie qu'il est possible de commander au maximum 6 télécommandes de rechange.
Le boîtier électronique CAS ou EWS est capable d'identifier les différentes télécommandes et donc de bloquer ou débloquer certaines télécommandes. Les défauts susceptibles d'apparaître pendant la communication entre le boîtier CAS ou EWS et les différentes télécommandes sont enregistrés dans la mémoire de défauts, séparément pour chacune des télécommandes.
A l'intérieur du logement de télécommande et autour de la serrure de contact (uniquement E83) se trouve une antenne toroïdale (bobine) pour l'échange de données avec la puce transpondeur. C'est par l'intermédiaire de l'antenne toroïdale que communiquent la puce transpondeur et le boîtier électronique CAS ou EWS.
En présence d'un système de verrouillage électrique de la direction, ce dernier est alimenté en tension aussitôt après son authentification par le boîtier CAS. Il est dès lors possible (pas avant) de déverrouiller ou verrouiller la direction. Pour que le moteur puisse démarrer, il faut que la direction soit déverrouillée et bloquée en position de déverrouillage.
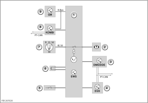
> E83
La ligne de données EWS permet aux boîtiers électroniques EWS et DME/DDE de s'authentifier mutuellement.
Sur les véhicules à boîte automatique, le boîtier électronique CAS ou EWS n'autorise le démarrage que si le levier sélecteur se trouve dans la position ”P” ou ”N”.
Les boîtiers électroniques suivants participent également au fonctionnement de l'antidémarrage électronique (EWS) :
> pas pour E83
Le boîtier électronique CAS constitue le boîtier électronique maître pour l'EWS. L'EWS est logé dans le boîtier électronique CAS.
Dans le boîtier électronique CAS est mémorisé le code secret à l'épreuve de toute manipulation.
Le boîtier électronique CAS est connecté au bus K-CAN (CAN carrosserie) et au bus K (bus carrosserie).
Le boîtier électronique CAS représente l'interface vers le logement de télécommande.

Index |
Explication |
Index |
Explication |
|---|---|---|---|
1 |
Comfort Access System (CAS) |
2 |
Electronique du boîtier de jonction (JBE) ou module de carrosserie et passerelle (KGM) |
3 |
Electronique numérique moteur (DME) ou Electronique numérique diesel (DDE) |
4 |
Commande électronique de boîte de vitesses (EGS) |
5 |
Accès confort (CA : Comfort Access) |
6 |
Récepteur de télécommande |
7 |
Verrouillage électrique de la direction |
8 |
Bouton START-STOP |
9 |
Logement de télécommande |
10 |
Démarreur |
Kl. 30L |
Borne 30L |
Kl. 50L |
Borne 50L |
Bus K |
Bus carrosserie (aussi appelé bus CAS) |
CAN K |
Bus CAN carrosserie |
PT-CAN |
Bus CAN Powertrain |
|
|
> seulement E83
Le boîtier électronique EWS est connecté au bus K (bus carrosserie).
Le boîtier EWS constitue l'interface vers la serrure de contact.

Index |
Explication |
Index |
Explication |
|---|---|---|---|
1 |
Antidémarrage électronique (EWS) |
2 |
Démarreur |
3 |
Electronique numérique moteur (DME) ou Electronique numérique diesel (DDE) |
4 |
Commande électronique de la boîte de vitesses (EGS) |
5 |
Contacteur d'embrayage sur les véh. à boîte mécanique (varie selon la version de pays) |
6 |
Antenne toroïdale (bobine) |
7 |
Contacteur d'allumage/démarrage |
8 |
Combiné d'instruments (KOMBI) |
9 |
Module de base (GM) |
|
|
Bus K |
Bus de carrosserie |
Kl. 50 |
Borne 50 |
PT-CAN |
Bus CAN Powertrain |
|
|
Le boîtier électronique DME/DDE ne valide le démarrage que si le signal de déblocage venant du boîtier électronique CAS ou EWS est correct. Dans le boîtier électronique DME/DDE est mémorisé le code secret à l'épreuve de toute manipulation.
> E70, E81, E82, E87, E88, E90, E91, E92, E93, R55, R56
Le boîtier JBE constitue l'interface de données entre le bus PT-CAN (Powertrain-CAN) et le bus K-CAN (CAN carrosserie).
> E60, E61, E63, E64
Le module KGM constitue l'interface de données entre le bus PT-CAN (Powertrain-CAN) et le bus K-CAN (CAN carrosserie).
> E83
Le combiné d'instruments constitue l'interface de données entre le bus PT-CAN (Powertrain-CAN) et le bus K-CAN (CAN carrosserie).
> seulement E70
La commande électronique de boîte de vitesses (EGS) est incluse dans l'antidémarrage électronique et connectée à l'électronique EWS 4ème génération. Le boîtier électronique EGS est connecté au bus K.
Les fonctions de la boîte ne sont activées qu'une fois que les boîtiers électroniques CAS et EGS se sont authentifiés mutuellement.
En présence de l'option 322 ”Système d'accès mains libres” (CA : la télécommande conventionnelle est remplacée par un badge d'identification. Le badge d'identification assure aussi les fonctions habituelles de la télécommande.
Le boîtier électronique CA (Comfort Access) pilote les antennes d'habitacle et les antennes extérieures. Ces antennes servent à identifier les badges d'identification possibles. Il y a dans le même temps activation du récepteur FBD pour les badges d'identification qui répondent (FBD = Fernbedienungsdienst = service de télécommande).
Le boîtier électronique CAS est le boîtier maître pour toutes les fonctions de l'option" système Comfort Access".
La présente description de fonctionnement décrit les fonctions suivantes du système EWS :
Lors du déverrouillage, un processus d'authentification se déroule entre le Car Access System (CAS) et le verrouillage électrique de la colonne de direction. Le déverrouillage ne débute que dans le cas où l'authentification est positive. Pour des raisons de sécurité, le système de verrouillage électrique de la direction reste hors tension pendant la marche. Le système de verrouillage électrique de la direction n'est alimenté en tension que pour opérer un déverrouillage ou un verrouillage de la direction.
Quand les données d'identification sont correctes, le boîtier électronique CAS actionne le démarreur via un relais intégré au boîtier électronique. Dans le même temps, le boîtier électronique CAS envoie au boîtier électronique DME un signal de validation codé pour le démarrage du moteur. Le boîtier électronique DME ne valide le démarrage que si le signal de déblocage venant du boîtier électronique CAS est correct.
Après insertion de la clé de contact dans la serrure de contact ou insertion de la télécommande dans le logement de télécommande, la séquence suivante se déroule :
Les boîtiers électroniques contiennent en mémoire les codes variables identiques dont la valeur varie à chaque nouveau démarrage du moteur. Le code variable est formé à partir d'un nombre aléatoire et du code secret.
Synchronisation des boîtiers DME et CAS (antidémarrage électronique)
Il est désormais inutile, avec l'antidémarrage électronique EWS4 (4ème génération), de procéder à la synchronisation des boîtiers électroniques DME/DDE (électronique de gestion moteur) et CAS/EWS (antidémarrage électronique).
A compter de cette date, certains boîtiers électroniques devront obligatoirement être remplacés par des boîtiers électroniques commandés spécialement pour le véhicule concerné.
Nota ! Marche à suivre quand un boîtier électronique est défectueux !
Quand le boîtier électronique CAS, le boîtier EWS (seulement E83) ou le boîtier DME/DDE est défectueux, une procédure bien précise doit être respectée.
Le boîtier électronique de rechange requis doit être commandé spécialement pour le véhicule concerné. Il est nécessaire pour ce la de communiquer les données du véhicule (numéro de châssis).
Un calibrage EWS (synchronisation) n'est pas nécessaire après remplacement du boîtier électronique.
> E70
Un calibrage est par contre nécessaire en cas de remplacement de la commande électronique de boîte de vitesses (EGS). Lors du calibrage,le boîtier électronique CAS envoie un code individuel au boîtier électronique EGS. Ce code individuel est requis pour la procédure d'authentification en vue du déblocage des fonctions de la boîte de vitesses.
Important !
Un échange à titre d'essai des boîtiers électroniques avec code secret est impossible !
Les clés de réserve ne peuvent être commandées qu'auprès d'un point de vente BMW, par l'intermédiaire d'un concessionnaire BMW. Ce dernier se chargera de programmer l'une des 6 clés de réserve pour le véhicule concerné. Cette clé n'est pas une copie de la clé perdue, mais une nouvelle clé.
Au total, il n'est pas possible de fabriquer et de livrer plus de 6 clés de réserve convenant au boîtier électronique EWS monté sur le véhicule.
Lors de la première insertion d'une nouvelle clé dans la serrure de contact, le démarrage a lieu avec un retard de l'ordre de 1 à 2 secondes. A partir de la 2ème insertion de la clé, le démarrage doit avoir aussitôt, sans aucun retard.
Il convient de bloquer les clés perdues au moyen du tester de diagnostic. Voir aussi ”Particularités du programme de diagnostic”.
Prudence !
Chaque demande de clé est consignée par écrit afin de pouvoir donner suite aux demandes des compagnies d'assurance et des autorités.
En cas de perte de toutes les télécommandes ou de toutes les clés, il est nécessaire de remplacer le boîtier électronique CAS ou EWS.
Il est possible de bloquer ou débloquer électroniquement certaines clés ou télécommande au moyen du tester de diagnostic (fonctions SAV).
Important !
En cas de blocage électronique d'une clé ou télécommande, ni le démarreur ni le boîtier de gestion moteur n'autorisent le démarrage. ne pas oublier cependant qu'une clé bloquée électroniquement continue d'être mécaniquement active et qu'elle peut donc de servir à l'ouverture de tous les ouvrants.
Il est indiqué ici pour chacune des clés de contact (ou télécommandes) gérée par le boîtier électronique EWS ou CAS si elle a été détectée au moins une fois par le boîtier électronique CAS ou EWS. Cette fonction permet de savoir, même pour des véhicules assez anciens, combien de télécommandes ou clés de contact ont déjà été utilisées sur ce véhicule.
Sous réserve de fautes d'impression, d'erreurs et de modifications techniques.