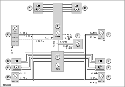
La commande des lève-vitres est assurée par plusieurs boîtiers électroniques. Le module de plancher (FRM) commande les lève-vitres avant. Les lève-vitres arrière, si existants, sont pilotés par l'électronique du boîtier de jonction JBE.

Le graphique s'applique à un véhicule E70
Index |
Description |
Index |
Description |
1 |
Moteur de lève-vitre porte conducteur |
2 |
Module de plancher (FRM) |
3 |
Moteur de lève-vitre porte passager avant |
4 |
Commutateur de lève-vitre côté passager avant |
5 |
Car Access System (CAS) |
6 |
Capteur à effet Hall lève-vitre porte arrière droite |
7 |
Moteur de lève-vitre porte arrière droite |
8 |
Commutateur du lève-vitre arrière droit |
9 |
Boîtier de jonction avec électronique JBE |
10 |
Commutateur du lève-vitre arrière gauche |
11 |
Moteur de lève-vitre porte arrière gauche |
12 |
Capteur à effet Hall lève-vitre porte arrière gauche |
13 |
Bloc de commande porte conducteur |
|
|
Les boîtiers électroniques participants à la commande des lève-vitres communiquent via les bus de données. Les boîtiers électroniques sont alimentés en tension par le boîtier de jonction (Junction Box).
Sous réserve de fautes d'impression, d'erreurs et de modifications techniques.