
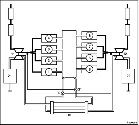
1 - 8 |
Κύλινδροι 1 έως 8 |
10 |
Ψυγείο αέρα εισαγωγής |
11 |
Στροβιλοσυμπιεστής 1 |
12 |
Στροβιλοσυμπιεστής 2 |
21 |
Μετρητής μάζας αέρα 1 |
22 |
Μετρητής μάζας αέρα 2 |
31 |
Βαλβίδα ανακύκλωσης καυσαερίων 1 |
32 |
Βαλβίδα ανακύκλωσης καυσαερίων 2 |