Η περιγραφή λειτουργίας περιλαμβάνει τα ακόλουθα κεφάλαια:
ΕΙΣΑΓΩΓΗ
Η σειρά κινητήρων M62 αντικαθιστάει τον κινητήρα M60. Ο κινητήρας M62 είναι η περαιτέρω εξέλιξη της σειράς κινητήρων BMW V-8 κυλίνδρων που κυκλοφορεί από το 1992. Από το 1/96 τοποθετείται με χρονική διαφορά στις κατασκευαστικές σειρές E31, E38 και E39.
Στα βασικά του γνωρίσματα ο καινούργιος κινητήρας M62 βασίζεται στον M60:
Ο κινητήρας M62 προσφέρεται σε δύο εκδόσεις διαφορετικού κυβισμού. Πρόκεται για την έκδοη των 3,5 λίτρων και την έκδοση των 4,4 λίτρων.
Αυτός ο κινητήρας τοποθετείται στις ακόλουθες κατασκευαστικές σειρές οχημάτων:
Κατασκευστική σειρά οχήματος / κινητήρας |
M62B35 |
M62B44 |
|---|---|---|
E31 |
- |
840i |
E38 |
735i |
740i |
E39 |
535i |
540i |

Kινητήρας M62 |
|
Οι βασικότεροι στόχοι της περαιτέρω εξέλιξης ήταν η εκπλήρωση των καινούργιων νομοθετικών διατάξεων όπως και η βελτίωση της άνεσης και της ποιότητας.
Στο επίκεντρο του ενδιαφέροντος βρισκόταν:
Αυτοί οι στόχοι επιτεύχθηκαν κυρίως με μία αύξηση του κυλινδρισμού, αλλαγές στο συγκρότημα στροφάλου, αλλαγές στο μηχανισμό κίνησης του εκκεντροφόρου άξονα, περαιτέρω εξέλιξη διαφόρων προσαρτημάτων του κινητήρα όπως και μέσω του καινούργιου ψηφιακού ηλεκτρονικού συστήματος ελέγχου κινητήρα DME M5.2.
Κατά την κατασκευή του κελύφους στροφάλου χρησιμοποιούνται για κατασκευαστικούς λόγους (κατασκευαστική ικανότητα στον κατασκευαστή των κελύφων στροφάλου) δύο διαφορετικά κράματα αλουμινίου.
Τα κελύφη στροφάλου των κινητήρων για τις αγορές με κρίσιμη ποιότητα καυσίμου (υψηλή περιεκτικόττα θείου στο καύσιμο) κατασκευάζονται από Alusil (όπως M73). Συγκεκριμένα πρόκειται για τους κινητήρες που προορίζονται για
Το κέλυφος στροφάλου αυτών των κινητήρων κατασκευάζεται, όπως στον κινητήρα M73, από ένα κράμα αλουμινίου (Alusil) με χύτευση σε μεταλλικό καλούπι. Οι τροχιές του κυλίνδρου δεν έχουν επίστρωση. Η ποιότητα επιφανείας των τροχιών κυλίνδρου επιτυγχάνεται κατά τη διάρκεια της κατασκευής με μία μέθοδος καύσης.
Τα κελύφη στροφάλου των κινητήρων M62 για όλες τις υπόλοιπες αγορές κατασκευάζονται από το κράμα αλουμινίου (AlSi9Cu3) που είναι γνωστό από τον κινητήρα M60. Οι τροχιές κυλίνδρων αυτών των κελύφων στροφάλου έχουν επιστρωθεί με διασπορά νικελίου (Nikasil)
Το εξωτερικό διακριτικό γνώρισμα των δύο παραλλαγών του κελύφους στροφάλου (κράματα αλουμινίου) είναι ο αριθμός εξαρτήματος. Μαζί με τις δύο παραλλαγές υλικού των κελύφων στροφάλου υπάρχουν επίσης και διαφορετικές επιφανειακές επικαλύψεις στα έμβολα (βλέπε το κεφάλαιο έμβολα)
Ανεξάρτητα από τις διαφορετικές μεθόδους κατασκευής η κατασκευαστική δομή των κελύφων στροφάλου είναι ταυτόσημη.
Όπως ήδη από το M52 και το M73 χρησιμοποιείται επίσης και στο M62 μία ψύξη εμβόλων με ακροφύσια σε μορφή άγκιστρου. Αυτά τα ακροφύσια σε μορφή άγκιστρου είναι απευθείας βιδωμένα στις βάσεις εδράνου. Με την βοήθεια των ακροφύσιων σε μορφή άγκιστρου η ροή λαδιού πετυχαίνει χωρίς διακοπή την κεφαλή του εμβόλου κατά τη διάρκεια ολόκληρης της διαδρομής εμβόλου.
Η συναρμολόγηση και η αποσυναρμολόγηση των ακροφύσιων σε μορφή άγκιστρου πραγματοποιούνται με άλλο τρόπο από ότι στο M52 / M73. Προσέξτε παρακαλώ τις οδηγίες επισκευής!

Σώμα κινητήρα του M62 με έμβολα |
|
Ο στροφαλοφόρος άξονας είναι καινούργιος και για τις δύο εκδόσεις κυβισμού λόγω της αυξημένης διαδρομής εμβόλου. Όπως και στον κινητήρα M60 έχει πενταπλή έδραση. Οι πείροι διαδρομής εμβόλου είναι είναι μετατοπισμένοι κατά 90o . Έξι αντίβαρα φροντίζουν για την ήρεμη λειτουργία.
Και για τις δύο εκδόσεις κυβισμού του M62 ο στροφαλοφόρος άξονας έχει σφυρηλατηθεί σε χάλυβα. Μία κεντρική κοίλη διάρτηση χρησιμεύει για την μείωση του βάρους.
Σύμφωνα με τα δύο διαφορετικά κράματα αλουμινίου του στροφαλοθαλάμου (σε σχέση με την παραλλαγή χωρών) έχουν εξοπλιστεί τα αντίστοιχα έμβολα και τα ελατήρια εμβόλου με διαφορετικές επιφανειακές επικαλύψεις. Τα έμβολα για τους στροφαλοθαλάμους από αλουμίνιο έχουν μία επίστρωση από σίδηρο. Τα έμβολα ξεχωρίζουν στους αριθμούς εξαρτήματος.
Αν σε μία περίπτωση επιδιόρθωσης πρόκειται να αντικατασταθούν τα έμβολα, τότε πρέπει ιδιαιτέρως να δοθεί προσοχή στα οχήματα από ξένες αγορές, ώστε να τοποθετηθούν τα έμβολα και τα ελατήρια εμβόλου που αντιστοιχούν στον αριθμό εξαρτήματος του στροφαλοθαλάμου.
Ανεξάρτητα από την επιφανειακή επικάλυψη των εμβόλων η κατασκευαστική δομή τους είναι ταυτόσημη (έμβολα θήκης).
Τα έμβολα έχουν σχεδιαστεί για τη λειτουργία με καύσιμο ROZ 95. Ο λόγος συμπίεσης ανέρχεται για τις δύο παραλλαγές κυβισμού σε 10,0 : 1.
Οι διωστήρες είναι όμοια εξαρτήματα όπως στον κινητήρα M60.
Για πρώτη φορά έχουν τοποθετηθεί στο M60, και τώρα επίσης και στο M62, διωστήρες από συντηγμένο μέταλλο. Μαζί με το μικρότερο βάρος (κινητές μάζες) αυτοί οι διωστήρες έχουν μία υψηλή στερεότητα σε όλα τα διανυθέντα χιλιόμετρα ενός κινητήρα.
Κατά την κατασκευή των συντηγμένων σφυρηλατημένων διωστήρων η ράβδος διωστήρα και το κάλυμμα εδράνου κεφαλής διωστήρα της μεγάλης οπής διωστήρα διαχωρίζονται με βραχίονες. Έτσι δεν είναι απαραίτητο κατά τη συναρμολόγηση το συνηθισμένο κεντράρισμα με κυλινδρικά κελύφη προσαρμογής. Το κεντράρισμα πραγματοποιείται μέσω της δομής κοπής και του οδηγού των κοχλίων διωστήρα. Μία σηματοδότηση (έγχρωμα σημεία ή χαρακτρηριστικοί αριθμοί για την κατηγορία βάρους) δεν είναι απαραίτητη εξαιτίας της υψηλής ακρίβειας κατασκευής της διαδικασίας συντηγμένης σφυρηλάτησης.
Στον κινητήρα M62 χρησιμοποιούνται καινούργιοι κοχλίες διαστολής για την κοχλιοσύνδεση της οπής διωστήρα πάνω στον στροφαλοφόρο άξονα.
Σε συνδυασμό με το αυτόματο κιβώτιο ταχυτήτων ο σφόνδυλος αποτελείται από ένα τμήμα και είναι κατασκευασμένος από χάλυβα. Σε οχήματα με μηχανικά κιβώτια ταχυτήτων χρησιμοποιείται ένας σφόνδυλος διπλής μάζας (ZMS) με υδραυλική απόσβεση.
Και στις δύο εκδόσεις η οδόντωση σταδιακής αύξησης για τον αισθητήρα στροφαλοφόρου άξονα βρίσκεται στο σφόνδυλο όπως στον κινητήρα M73. Ο επαγωγικός παλμοδότης είναι τοποθετημένος στο τύμπανο του κιβωτίου ταχυτήτων/συμπλέκτη. Η καινούργια θέση τοποθέτησης του τροχού σταδιακής αύξησης στο σφόνδυλο καθιστά δυνατή στη μονάδα ελέγχου DME την αναγνώριση των διακοπών.

Σφόνδυλος με οδόντωση σταδιακής αύξησης |
|
Στους μέχρι τώρα κινητήρες ο τροχός σταδιακής αύξησης ήταν τοποθετημένος με ακτινική απόσβεση στον αποσβεστήρα περιστροφικών δονήσεων μέσω ενός βουλκανισμένου λαστιχένιου στοιχείου. Έτσι δεν θα ήταν δυνατή μία αναγνώριση των ανομοιομορφιών περιστροφής του κινητήρα.
O τροχός σταδιακής αύξησης χωρίς στοιχείο απόσβεσης είναι συνδεδεμένος σταθερά πάνω στο σφόνδυλο με τον στροφαλοφόρο άξονα.
Έτσι οι ανομοιομορφίες του κινητήρα που προκαλούνται π.χ. από τις διακοπές ανάφλεξης μεταδίδονται σωρίς απόσβεση στον τροχό σταδιακής αύξησης. Με τον επαγωγικό παλμοδότη μπορούν τώρα να αναγνωριστούν μαζί με τον αριθμό στροφών του κινητήρα και το σημάδι αναφοράς και οι διακοπές, οι οποίες εμφανίζονται εξαιτίας των βλαβών στην εγκατάσταση ανάφλεξης ή ψεκασμού. Αυτή η αναγνώριση των διακοπών είναι μία απαίτηση του OBD II (US).
Μία λεπτομερής περιγραφή του τρόπου λειτουργίας της αναγνώρισης αφλογιστίας (διακοπής) ακολουθεί στο κεφάλαιο DME.
Το κάρτερ λαδιού αποτελείται όπως στο E38 M60 από δύο τμήματα. Το επάνω μέρος είναι από χυτό αλουμινίο. Το κάτω μέρος του κάρτερ λαδιού είναι κατασκευασμένο από διπλή λαμαρίνα.
Οι ποσότητες πλήρωσης λαδιού είναι οι ίδιες όπως στον κινητήρα M60.
ΟΙ ποσότητες πλήρωσης λαδιού για τις δύο εκδόσεις κυβισμού του κινητήρα M62 ανέρχονται σε:
Η διαφορά μεταξύ του 'MIN' και του 'MAX' στη ράβδο μέτρησης του λαδιού ανέρχεται σε 1,5 λίτρα.
Το περίβλημα της αντλίας λαδιού και το καπάκι της αντλίας λαδιού του M62 είναι από χυτό αλουμίνιο (M60 μαγνήσιο). Η δομή και ο μηχανισμός κίνησης της αντλίας λαδιού είναι ταυτόσημες με αυτές του κινητήρα M60.
Στο M62 τοποθετείται, όπως στο E38 M60 και στον κινητήρα M73, ένας θερμικός αισθητήρας στάθμης λαδιού.
Αυτός ο αισθητήρας στάθμης λαδιού παρέχει ένα σήμα με διαμόρφωση εύρους παλμού στη μονάδα κεντρικού ελέγχου (E31: CCM; E38/E39: LCM).
Η σχέση επαφής αυτού του σήματος είναι ένα μέγεθος για το ύψος της στάθμης πλήρωσης λαδιού στον κινητήρα. Σε μία μείωση κάτω από μία οριακή τιμή που αποθηκεύτηκε στη μονάδα ελέγχου CCM/LCM εκδίδεται στον οδηγό η δήλωση ένδειξης βλαβών (Check-Control) Έλεγχος στάθμης λαδιού κινητήρα".
Μία τεχνική περιγραφή βρίσκεται στο εγχειρίδιο εκπαίδευσης Ηλεκτρικά ταμπλώ οργάνων IKE / διασύνδεση δίαυλου I E38.
Το φίλτρο λαδιού είναι όμοιο εξάρτημα με αυτό του M62, το περίβλημα του φίλτρου είναι όμως στερεωμένο από την πλευρά του αμαξώματος
Ο στροφαλοθάλαμος εξαερώνεται όπως στον κινητήρα M60 μέσω ενός συστήματος ρυθμιζόμενης πίεσης. Η δομή του εξαερισμού στροφαλοθαλάμου αντιστοιχεί στη δομή που είναι γνωστή από το σύστημα του M60.
Τα αέρια Blow-By που προκύπτουν κατά τη διάρκεια της λειτουργίας κινητήρα συσσωρεύονται στο στροφαλοθάλαμο.
H εγκατάσταση αναρρόφησης είναι συνδεδεμένη με το στροφαλοθάλαμο με μία βαλβίδα ρύθμισης της πίεσης που είναι ενσωματωμένη στο εξωτερικό κάλυμμα της εγκατάστασης αναρρόφησης. Μέσω της προκύπτουσας υποπίεσης απορροφούνται τα αέρια Blow-By στο στροφαλοθάλαμο μέσω ενός κυκλικού διαχωριστή.
Στα ψυχρά τοιχώματα του κυκλικού διαχωριστή συμπυκνώνονται οι ατμοί λαδιού που περιέχονται στα αέρια Blow-By και τροφοδοτούνται μέσω ενός σωλήνα επιστροφής στο κάρτερ λαδιού. Τα συστατικά στοιχεία που παραμένουν σε αέρια μορφή παρέχονται μέσω ενός σωλήνα κατανομής στην εγκατάσταση αναρρόφησης στο θάλαμο μείξης στο στόμιο της πεταλούδας γκαζιού.

Βαλβίδα ρύθμισης της πίεσης στην εγκατάσταση αναρρόφησης |
|
Οι κυλινδροκεφαλές 4 βαλβίδων του M62 αντιστοιχούν κατασκευαστικά κατά κύριο λόγο σε αυτές του M60, δεν είναι όμως ένα όμοιο εξάρτημα. Για την εξωτερική διάκριση έχουν χυθεί στο σκελετό του εξαρτήματος οι επιγραφές M60 ή M62, όπως και η εκάστοτε έκδοση του κυβισμού (π.χ. B35).

Κυλινδροκεφαλή M62 |
|
Φλάντζα στεγανοποίησης της κυλινδροκεφαλής
Η φλάντζα στεγανοποίησης της κυλινδροκεφαλής είναι ελεύθερη από ασβέστη. Σε αντίθεση με τη φλάντζα στεγανοποίησης κυλινδροκεφαλής του M60 δεν καλύπτει πια την περιοχή του καλύμματος της αλυσίδας χρονισμού. Σε αυτή την περιοχή υπάρχει μία καινούργια λαστιχένια φλάντζα (βλέπε το κάλυμμα της αλυσίδας χρονισμού). Για αυτό το λόγο έχει μετατεθεί η σήμανση της φλάντζας στεγανοποίησης κυλινδροκεφαλής (3,5 l / 4;4 l) προς τα πίσω.
Κάλυμμα κυλινδροκεφαλής
Το κάλυμμα κυλινδροκεφαλής κατασκευάζεται από μαγνήσιο.
Οι ζημιές στην επιφάνεια του καλύμματος κυλινδροκεφαλής από μαγνήσιο πρέπει να αποφεύγονται, επειδή με τις παραμορφώσεις της επιφάνειας αυξάνεται ο κίνδυνος διάβρωσης.
Σε κάθε κυλινδροκεφαλή υπάρχουν από δύο επικεφαλής εκκεντροφόροι άξονες. Αυτοί οι εκκεντροφόροι άξονες κατασκευάζονται όπως αυτοί του M60 σαν πλήρης άξονας σε χύτευση σκληρού κελύφους.
Η διπλή επιφάνεια προσαρμογής των εκκεντροφόρων αξόνων έχει προσαρμογεί στη γωνιακή θέση στα υπάρχοντα εργαλεία προσαρμογής του M60. Έτσι μπορούν να χρησιμοποιηθούν και τα εργαλεία προσαρμογής του M60 και για τη ρύθμιση των εκκεντροφόρων αξόνων του M62.

Κυλινδροκεφαλή με εκκεντροφόρους άξονες και σωλήνες λαδιού |
|
Σήμανση εκκεντροφόρων αξόνων
Η σήμανση των εκκεντροφόρων αξόνων επιτυγχάνεται όπως στο M60 με χαραγμένους συνδυασμούς αριθμών/γραμμάτων (E1-4, A1-4, E5-8, A5-5).
Κατά την κατασκευή του κινητήριου χρονισμού βαλβίδας μεγάλη σημασία είχε η μείωση των κινητών μαζών. Οι μάζες των υδραυλικών ωστήριων, των ελατήριων βαλβίδας και του πάνω κυάθιου ελατηρίου μειώθηκαν σημαντικά. Με αυτό τον τρόπο επιτεύχθηκαν μικρότερες ροπές τριβής και μία μείωση των θορύβων.
Βαλβίδες
Οι βαλβίδες είναι ταυτόσημες σχετικά με τις διαστάσεις και το βάρος με αυτές του M60 (όμοιο εξάρτημα M60).
Κυπελοειδή ωστήρια HVA
Η διάμετρος των κυπελοειδών ωστήριων HVA έχει μειωθεί (M60: (35mm / M62: (33mm). Έτσι επιτεύχθηκε μία μείωση του βάρους κατά 32g στα 48g (M60: 80g) (όμοιο εξάρτημα M52). Εδώ πρόκειται για κυπελοειδή ωστήρια INA με αυτοεξαέρωση και επιφάνεια ολίσθησης των εκκέντρων που έχει υποστεί ανθρακονίτρωση.
Ελατήρια βαλβίδας
Μία επιπλέον μείωση των κινητών μαζών επιτυγχάνεται με τη χρήση κωνικών μεμονωμένων ελατήριων βαλβίδων.
Κυάθιο ελατηρίου
Το βάρος του κυάθιο ελατηρίου πάνω έχει επίσης βελτιωθεί (όμοιο εξάρτημα προς το M44 και M52). Το κυάθιο ελατηρίου κάτω είναι όμοιο εξάρτημα με το M52.
Αυτά τα μέτρα επιτυγχάνουν στο άθροισμα μία σημαντική μείωση βάρους του κινητήριου χρονισμού βαλβίδας, όπως επεξηγεί ο παρακάτω πίνακας.
|
M60B40 |
M62B44 |
|---|---|---|
Βαλβίδα εισαγωγής (g) |
49 |
49 |
Βαλβίδα εξαγωγής (g) |
48 |
48 |
Κυπελοειδές ωστήριο HVA (g) |
80 |
48 |
Ελατήριο(α) βαλβίδας (g) |
36 |
12 |
Κυάθιο ελατηρίου, πάνω (g) |
15 |
8 |
Τμήματα κώνου βαλβίδας (g) |
1 |
1 |
Εισαγωγή ανά βαλβίδα (g) |
181 |
118 |
Εξαγωγή ανά βαλβίδα (g) |
180 |
117 |
Βασικός μηχανισμός κίνησης
Για τη βελτιστοποίηση σε σχέση με τους θορύβους, το βάρος και την τριβή ο πρωτεύων μηχανισμός κίνησης πραγματοποιείται μέσω μίας αλυσίδας με μονά κυλινδράκια (M60: αλυσίδα με διπλά κυλινδράκια) από τον στροφαλοφόρο άξονα στον εκκεντροφόρο άξονα των βαλβίδων εισαγωγής. ΟΙ βασικοί αλυσοτροχοί έχουν ελαστική επένδυση, για να καθίσταται δυνατή η αθόρυβη επέμβαση της αλυσίδας.
Οδοντωτός τροχός αισθητήρα εκκεντροφόρου άξονα
Πάνω στον αλυσοτροχό του εκκεντροφόρου άξονα των βαλβίδων εισαγωγής για τους κυλίνδρους 1-4 είναι τοποθετημένος ένας οδοντωτός δίσκος αισθητήρα με 4 σημάδια αισθητήρα για την αναγνώριση του 1ου κυλίνδρου (DME). Σαν αισθητήρας του εκκεντροφόρου άξονα χρησιμοποιείται στον κινητήρα Μ62 σε αντίθεση με τον M60 (επαγωγικός αισθητήρας) ένας αισθητήρας Hall.
Εξαιτίας της καινούργιας διαμόρφωσης του οδοντωτού τροχού αισθητήρα εκκεντροφόρου άξονα έχει καθοριστεί εκ νέου και η θέση του οδοντωτού δίσκου αισθητήρα κατά τη συναρμολόγηση του μηχανισμού κίνησης του εκκεντροφόρου άξονα. Ο οδοντωτός τροχός αισθητήρα εκκεντροφόρου άξονα λαμβάνει ένα σημάδι (εγκοπή). Κατά τη συναρμολόγηση πρέπει να δοθεί προσοχή ώστε αυτό το σημάδι να δείχνει στην κατεύθυνση άξονα των κυλίνδρων προς τα πάνω. Εδώ προσέξτε επίσης και τις οδηγίες επισκευής.

Οδοντωτός τροχός αισθητήρα εκκεντροφόρου άξονα M62 |
|
Ράγα αλλαγής κατεύθυνσης για την κύρια αλυσίδα
Ο τροχός αλλαγής κατεύθυνσης στο χώρο V αντικαταστάθηκε στον M62 από μία ράγα αλλαγής κατεύθυνσης από αλουμίνιο με κουμπωμένη πλαστική τροχιά. Η τάση της αλυσίδας επιτυγχάνεται μέσω ενός υδραυλικού εντατήρα αλυσίδας με περιορισμό της πίεσης.

Κινητήρας M62 με ράγα αλλαγής κατεύθυνσης για τον πρωτεύοντα μηχανισμό κίνησης |
|
Λόγω της χρήσης μίας ράγας αλλαγής κατεύθυνσης (αντί του τροχού αλλαγής κατεύθυνσης) πρέπει κατά τη συναρμολόγηση του πρωτεύοντα μηχανισμού κίνησης να δοθεί προσοχή στις τροποποιημένες τιμές ροπής κατά την προφόρτιση της ράγας σύσφιξης (βλέπε τις οδηγίες επισκευής).
Δευτερεύων μηχανισμός κίνησης
Ο δευτερεύων μηχανισμός κίνησης επιτυγχάνεται επίσης μέσω μίας αλυσίδας με μονά κυλινδράκια. Αυτό οδηγεί από τους εκκεντροφόρους άξονες των βαλβίδων εισαγωγής προς τους εκκεντροφόρους άξονες των βαλβίδων εξαγωγής.
Στην κυλινδροκεφαλή έχει ενσωματωθεί από ένας υδραυλικός εντατήρας αλυσίδας

Κυλινδροκεφαλή M62 αλυσίδες με μονά κυλινδράκια |
|
Τα καλύμματα της αλυσίδας χρονισμού είναι βιδωμένα όπως στον M60 στις κυλινδροκεφαλές και στο κεντρικό κέλυφος στροφάλου.
Η στεγανοποίηση είναι καινούργια:
Η στεγανοποίηση των δύο πάνω καλυμμάτων της αλυσίδας χρονισμού προς την κυλινδροκεφαλή και προς το κάτω κάλυμμα της αλυσίδας χρονισμού πραγματοποιείται μέσω μίας λαστιχένιας φλάντζας. Μέσω της λαστιχένιας φλάντζας επιτυγχάνεται μία καλύτερη εξισορρόπηση της ανοχής και μία ακουστική αποσύζευξη μεταξύ του κάτω και του πάνω καλύμματος της αλυσίδας χρονισμού.
Εξαιτίας της τροποποιημένης φλάντζας πρέπει να δοθεί προσοχή και στην καινούργια πορεία εργασίας κατά τη συναρμολόγηση των πάνω καλυμμάτων της αλυσίδας χρονισμού, ώστε να υπάρχει η καλύτερη δυνατή στεγανοποίηση. Βλέπε την υπόδειξη συναρμολόγησης στις οδηγίες επισκευής !
Η στεγανοποίηση του κάτω καλύμματος της αλυσίδας χρονισμού προς το κέλυφος στροφάλου επιτυγχάνεται μέσω μίας επίπεδης φλάντζας.
Το στόμιο της πεταλούδας γκαζιού του M62 έχει σχεδιαστεί ξανά. Στην περιοχή της εκβολής της ρύθμισης αέρα ρελαντί (ZWD 2) έχει υλοποιηθεί ένας θάλαμος μείξης.
Αυτός ο θάλαμος μείξης δημιουργείται από μία τοποθετημένη λαμαρίνα μεταξύ της εγκατάστασης αναρρόφησης και της πεταλούδας γκαζιού με ακριβώς ρυθμισμένα ανοίγματα ροής.
Σε αυτό δημιουργημένο θάλαμο μείξης ρέει ο αέρας της βαλβίδας ρελαντί, ο αέρας καθαρισμού του φίλτρου ενεργού άνθρακα και μέσω του σωλήνα ίσης διανομής τα αέρια Blow-By, τα οποία οδηγούνται από τη βαλβίδα ρύθμισης της πίεσης για τον εξαερισμό του στροφαλοθαλάμου προς το στόμιο της πεταλούδας γκαζιού. Εδώ αναμιγνύονται τα αέρια Blow-By και ο αέρας καθαρισμού του φίλτρου ενεργού άνθρακα με τον απορροφημένο φρέσκο αέρα. Έτσι εξασφαλίζεται μία ομοιόμορφη κατανομή των αερίων Blow-by σε όλους τους κυλίνδρους και συγχρόνως μία ομοιόμορφη ποιότητα του ρελαντί.
Η εγκατάσταση αναρρόφησης του M62 αποτελείται από ένα τμήμα και έχει κατασκευαστεί από πλαστικό. Αντιστοιχεί σε αυτή του κινητήρα M60B40.
Η βαλβίδα ρύθμισης της πίεσης για τον εξαερισμό του στροφαλοθαλάμου είναι τοποθετημένη απευθείας στην εγκατάσταση αναρρόφησης. Από τη βαλβίδα ρύθμισης της πίεσης οδηγεί μέσα από την εγκατάσταση αναρρόφησης ένας σωλήνας διανομής προς το θάλαμο μείξης στην πεταλούδα του γκαζιού, για να κατανέμονται έτσι ομοιόμορφα σε όλους τους κυλίνδρους τα αέρια Blow-By που δημιουργούνται.
To σημείο σύνδεσης για το Master-Vac του σερβόφρενου βρίσκεται στο κάλυμμα της εγκατάστασης αναρρόφησης.
Όπως οι περισσότεροι κινητήρες της BMW έτσι και ο κινητήρας M62 διαθέτει μία ήρεμη διανομή ανάφλεξης.
Πολλαπλασιαστές
Για τον κνητήρα M62 χρησιμοποιούνται καινούργιοι πολλαπλασιαστές. Οι πολλαπλασιαστές είναι κατασκευαστικά οι ίδιοι όπως στον κινητήρα M52. Αυτοί έχουν κατασκευαστεί όμως μικρότεροι και ελαφρότεροι λόγω της τροποποιημένης μηχανικής δομής σε σύγκριση με τους μέχρι τώρα πολλαπλασιαστές.

Σύγκριση πολλαπλασιαστών M60 - M62 |
|
Για όλα τα οχήματα με τον κινητήρα M62 χρησιμοποιείται μία συμπαγής γεννήτρια (140A) με απορρόφηση φρέσκου αέρα.
Για τα οχήματα E31 (δύο μπαταρίες στο χώρο αποσκευών!) με αυξημένη κατανάλωση ενέργειας και υψηλότερο ρεύμα ηρεμίας (λόγω των SA όπως τηλέφωνο ή ανεξάρτητη θέρμανση) χρησιμοποιείται και μελλοντικά μία υδρόψυκτη γεννήτρια 220A
Σε συνδυασμό με τον προαιρετικό εξοπλισμό του συστήματος κλιματισμού χρησιμοποιείται στο E39 ένας ηλεκτρικός βοηθητικός ανεμιστήρας με 3 βαθμίδες.
Στα μοντέλα E31 και E38 αυτός ο βοηθητικός ανεμιστήρας ανήκει στον στάνταρ εξοπλισμό, επειδή και το σύστημα κλιματισμού ανήκει σε αυτά τα οχήματα στο βασικό εξοπλισμό.
Για τη μείωση των θορύβων έχουν επεκταθεί οι μέχρι τώρα δύο βαθμίδες ενεργοποίησης με μία επιπλέον 3η βαθμίδα. Τα κριτήρι ενεργοποίησης των μεμονωμένων βαθμίδων έχουν καθοριστεί ξανά εκ νέου.
Κριτήρια ενεργοποίησης
Ενεργοποίηση |
Βαθμίδα I |
- ο συμπλέκτης του συμπιεστή είναι ενεργός και η εξωτερική θερμοκρασία > 10o C. - θερμοκρασία νερού > 91o C. |
Ενεργοποίηση |
Βαθμίδα II |
- ο πρεσοστάτης του διακόπτη κεντρικής πίεσης είναι κλειστός > 21 bar |
Ενεργοποίηση |
Βαθμίδα III |
- θερμοκρασία νερού > 104o C. (ενεργοποίηση μέσω διπλού διακόπτη θερμοκρασίας) |
Απενεργοποίηση |
Βαθμίδα IV |
- ο συμπλέκτης του συμπιεστή δεν είναι ενεργός - εξωτερική θερμοκρασία < 8o C. - θερμοκρασία νερού < 91o C |
Σαν εκκινητής χρησιμοποιείται, όπως στον κινητήρα M60, για όλες τις εκδόσεις ένας ενδιάμεσος εκκινητής 12 V της εταιρίας Bosch με ισχύ 1,7 kW.
Στις κατασκευαστικές σειρές E38 και E39 είναι καινούργιοι οι αγωγοί και η διευθέτηση αγωγών προς τον πόλο φόρτισης της μπαταρίας. Ο αγωγός B+ οδηγεί κάτω από τον κινητήρα προς τη γεννήτρια και προς τον πόλο φόρτισης της μπαταρίας.
Ο πόλος φόρτισης της μπαταρίας βρίσκεται πάνω στο κάλυμμα της αλυσίδας χρονισμού της σειράς κυλίνδρων 5 - 8.
Στο E31 ο πόλος φόρτισης της μπαταρίας είναι όπως πάντα στο θόλο του ελατηριωτού βραχίονα στήριξης δεξιά.
Η εγκατάσταση καυσαερίων είναι ολόκληρη από την πολλαπλή μέχρι τον τελικό σωλήνας από ανοξείδωτο χάλυβα και κατασκευάζεται σε ένα κομμάτι από τη φλάντζα της πολλαπλής και πέρα.
Πολλαπλή εξαγωγής
Όπως στον κινητήρα M60 έτσι και στον M62 χρησιμοποιούνται πολλαπλές εξαγωγής από λαμαρίνα με μόνωση διακένου.
Καταλύτης
ΟΙ προσωλήνες είναι επίσης διπλοί σωλήνες με μόνωση διακένου.
Ο καταλύτης είναι του τύπου διπλής ροής με 2 κεραμικούς μονόλιθους σε κάθε σωλήνα καυσαερίων με επίστρωση τριών μετάλων (πλατίνα, παλλάδιο, ρόδιο). Για να επιτευχθεί μία χαμηλή αντίθετη πίεση καυσαερίων οι μονόλιθοι έχουν την ίδια διατομή όπως αυτοί του M73.
Η βασική δομή του κυκλώματος νερού αντιστοιχεί στη δομή του κινητήρα M60.
Αντλία νερού
Η δομή της αντλίας νερού είναι ταυτόσημη με την αντλία του κινητήρα M60. Το περίβλημα αποτελείται από χυτό αλουμίνιο και είναι βιδωμένο πάνω στο κάλυμμα της αλυσίδας χρονισμού. Σε αντίθεση με τον κινητήρα M60 έχει τοποθετηθεί στο περίβλημα της αντλίας νερού ο διπλός αισθητήρας θερμοκρασίας για το ψυκτικό υγρό. Αυτός ο διπλός αισθητήρας θερμοκρασίας βρίσκεται στη θέση, στην οποία εξέρχεται το ψυκτικό υγρό από τον κινητήρα.

Λεπτομερής άποψη της αντλίας νερού με το διπλό αισθητήρας θερμοκρασίας |
|
Ψυγείο κινητήρα
Το ψυγείο κινητήρα του M62 είναι σχετικά με τη δομή του ταυτόσημο με το ψυγείο του κινητήρα M60.
Για ορισμένες παραλλαγές χωρών προβλέπεται επιπλέον η θήκη ενός ψυγείου του λαδιού κινητήρα.
Ο θερμοστάτης είναι ενσωματωμένος στο περίβλημα της αντλίας νερού.
Στο E31 με τον κινητήρα M62 τοποθετείται όπως στο M60 ένας συμβατικός θερμοστάτης με ενσωματωμένη βαλβίδα εξαέρωσης. Αυτή ανοίγει στους 85o C.
Στις κατασκευαστικές σειρές οχημάτων E38 και E39 με τον κινητήρα M62 χρησιμοποιείται ένας καινούργιος θερμοστάτη με χαρτογραφημένη ρύθμιση.
Λειτουργία ενός συμβατικού θερμοστάτη
Η ρύθμιση της ψύξης του κινητήρα μέσω ενός συνηθισμένου θερμοστάτη καθορίζεται αποκλειστικά από τη θερμοκρασία ψυκτικού υγρού. Αυτή η ρύθμιση χωρίζεται σε τρεις περιοχές λειτουργίας:
Σε αυτή την περιοχή λειτουργίας (περιοχή ρύθμισης του θερμοστάτ) μπορεί με τη βοήθεια του χαρτογραφημένου θερμοστάτη να έπηρεαστεί σκόπιμα η θερμοκρασία ψυκτικού υγρού.
Έτσι είναι δυνατή η ρύθμιση μίας υψηλότερης θερμοκρασίας ψυκτικού υγρού στην περιοχή μερικού φορτίου του κινητήρα του κινητήρα. Με υψηλότερες θερμοκρασίες λειτουργίας στην περιοχή μερικού φορτίου επιτυγχάνεται μία καλύτερη καύση και συνεπώς χαμηλότερη κατανάλωση καυσίμου και εκπομπή βλαβερών ουσιών.
Στη λειτουργία με πλήρες φορτίο οι υψηλές θα επέφεραν πλεονεκτήματα (μείωση της γωνίας ανάφλεξης λόγω κρούσεων). Για αυτό στη λειτουργία με πλήρες φορτίο ρυθμίζονται σκόπιμα χαμηλότερες θερμοκρασίες ψυκτικού υγρού με τη βοήθεια του χαρτογραφημένου θερμοστάτη.

|
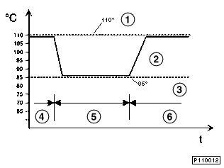
Χαρακτηριστικά ρύθμισης της χαρτογραφημένης ψύξης κινητήρα |
|---|---|
1 |
Χαρακτηριστική καμπύλη ενός θερμοστάτη 110o C |
2 |
Χαρακτηριστική καμπύλη ενός χαρτογραφημένου θερμοστάτη |
3 |
Χαρακτηριστική καμπύλη ενός θερμοστάτη 85o C |
4 |
Περιοχή μερικού φορτίου |
5 |
Περιοχή πλήρους φορτίου |
6 |
Περιοχή μερικού φορτίου |
Έτσι η BMW είναι παγκοσμίως ο πρώτος κατασκευαστής αυτοκινήτων ο οποίος χρησιμοποιεί για τη συγκεκριμένη ρύθμιση της θερμοκρασίας ψυκτικού υγρού σε ένα κινητήρα σειράς ένα θερμοστάτη με χαρτογραφημένη ρύθμιση. Με τη βοήθεια αυτού του θερμοστάτη είναι δυνατή μία σκόπιμη ανύψωση της θερμοκρασίας ψυκτικού υγρού στην περιοχή μερικού φορτίου. Με την ανύψωση της θερμοκρασίας ψυκτικού υγρού επιτυγχάνεται σε αυτές τις καταστάσεις λειτουργίας μία μείωση της κατανάλωσης καυσίμου. Η ρύθμιση αυτού του χαρτογραφημένου θερμοστάτη επιτυγχάνεται μέσω του DME M5.2 σε σχέση με ένα χαρακτηριστικό πεδίο.
Αυτό το χαρακτηριστικό πεδίο καθορίζεται από τους συντελεστές:
Δομή του χαρτογραφημένου θερμοστάτη
Ο χαρτογραφημένος θερμοστάτης είναι ένας ενσωματωμένος θερμοστάτης, αυτό σημαίνει ότι ο θερμοστάτης και το καπάκι του θερμοστάτη σχηματίζουν μία ενιαία μονάδα.
Η βασική μηχανική δομή του χαρτογραφημένου θερμοστάτη αντιστοιχεί στη δομή ενός συμβατικού θερμοστάτη. Επιπλέον όμως έχει ενσωματωθεί στο στοιχείο διαστολής (στοιχείο από κερί) ένα θερμαντικό στοιχείο.

Τομή του χαρτογραφημένου θερμοστάτη |
|
Το καπάκι θερμοστάτη του χαρτογραφημένου θερμοστάτη είναι από χυτό αλουμίνιο. Στο καπάκι του θερμοστάτη είναι επίσης ενσωματωμένη και η ηλεκτρική σύνδεση για το θερμαντικό στοιχείο που είναι ενσωματωμένο στο στοιχείο διαστολής του χαρτογραφημένου θερμοστάτη.

Χαρτογραφημένος θερμοστάτης με ηλεκτρ. σύνδεση για το θερμαντικό στοιχείο |
|
Λειτουργία του χαρτογραφημένου θερμοστάτη
Ο χαρτογραφημένος θερμοστάτης είναι έτσι ρυθμισμένος, ώστε να ανοίγει χωρίς την επέμβαση της ενσωματωμένης θέρμανσης όταν η θερμοκρασία του ψυκτικού υγρού στο θερμοστάτη είναι 103o C (εισαγωγή του κινητήρα). Με τη θέρμανση του ψυκτικού υγρού στον κινητήρας μετριούνται στην έξοδο του κινητήρα (θέση τοποθέτησης του αισθητήρα θερμοκρασίας του ψυκτικού υγρού για το DME και το ταμπλό οργάνων) σε αυτό το σημείο λειτουργίας περ. 110o C. Αυτή είναι η θερμοκρασία λειτουργίας του κινητήρα, στην οποία αρχίζει να ανοίγει ο χαρτογραφημένος θερμοστάτης χωρίς ρυθμιστική επέμβαση.
Στην περίπτωση μίας ρυθμιστικής επέμβασης μέσω της μονάδας ελέγχου του ψηφιακού ηλεκτρονικού συστήματος ελέγχου κινητήρα τροφοδοτείται με ρεύμα (12V) το θερμαντικό στοιχείο που είναι ενσωματωμένο στο θερμοστάτη. Μέσω της θέρμανσης του στοιχείου διαστολής ανοίγει τώρα ο θερμοστάτης ήδη απο χαμηλότερες θερμοκρασίες ψυκτικού υγρού από ότι θα συνέβαινε χωρίς τη συμπληρωματική θέρμανση (περιοχή ρύθμισης του θερμοστάτη: περ. 80o C - 103o C).

1 |
Εύρος ανοίγματος του θερμοστάτη |
2 |
Θερμοκρασία ψυκτικού υγρού |
3 |
Ενεργοποίηση του θερμαντικού στοιχείου με 12 V |
4 |
Ενεργοποίηση του θερμαντικού στοιχείου με 0 V |
Όταν η θερμοκρασία ψυκτικού υγρού υπερβαίνει τους 113o C στην εξαγωγή του κινητήρα, τότε ενεργοποιείται η θέρμανση του χαρτογραφημένου θερμοστάτη από το ψηφιακό ηλεκτρονικό σύστημα ελέγχου κινητήρα ανεξάρτητα από τις υπόλοιπες παραμέτρους.
Διάγνωση
Η σύνδεση του αγωγού και η λειτουργία του χαρτογραφημένου θερμοστάτη επιτηρούνται από τη διάγνωση στη μονάδα ελέγχου του ψηφιακού ηλεκτρονικού συστήματος ελέγχου κινητήρα. Τα σφάλματα που παρουσιάζονται αποθηκεύονται στη μνήμη αποθήκευσης σφαλμάτων της μονάδας ελέγχου του DME.
Ένδειξη θερμοκρασίας ψυκτικού υγρού
Τα χαρακτηριστικά της ένδειξης θερμοκρασίας ψυκτικού υγρού στο ταμπλό οργάνων έχουν προσαρμοστεί στο υψηλότερο επίπεδο θερμοκρασίας του κινητήρα λόγω του χαρτογραφημένου θερμοστάτη.
Ο δείκτης της ένδειξης θερμοκρασίας ψυκτικού υγρού στο ταμπλό οργάνων βρίσκεται σε θερμοκρασίες ψυκτικού υγρού από
75o C - 113o C
στην κεντρική θέση.
To ψηφιακό ηλεκτρονικό σύστημα ελέγχου κινητήρα DME M5.2 της εταιρίας Bosch, το οποίο χρησιμοποιείται ήδη στο M73, εφαρμόζεται τώρα και στον κινητήρα M62. Το σύστημα αντικαθιστάει το DME M3.3 του κινητήρα M60
Αυτή η καινούργια έκδοση του DME για να λάβει υπόψη τους σκοπούς που αναφέρθηκαν στην εισαγωγή και εκτός των άλλων και τις καινούργιες αμερικανικές νομοθετικές διατάξεις (π.χ. OBD II). Ειδικά οι νόρμες από την Καλιφόρνια θέτουν μεγάλες απαιτήσεις σε σχέση με τις τιμές των εκπομπών καυσαερίων.
Αυτές οι λειτουργίες CARB (Californian Air Ressource Board) έχου υλοποιηθεί στο DME M5.2.
Τα οχήματα που προορίζονται για την αμερικανική αγορά είναι εξοπλισμένα με μία θυρίδα διασύνδεσης για τη διάγνωση On Board (OBD), που έχει τυποποιηθεί για όλους τους κατασκευαστές αυτοκινήτων. Αυτή η θυρίδα διασύνδεσης παρέχει τη δυνατότητα στην κρατική υπηρεσία οδικής κυκλοφορίας να λαμβάνει ανά πάσα στιγμή σχετικές με την OBD πληροφορίες από τη μνήμη αποθήκευσης σφαλμάτων του DME μέσω της γραμμής διάγνωσης. Η πρόσβαση σε αυτή την περιορισμένη έκταση του περιεχομένου της μνήμης αποθήκευσης σφαλμάτων αποδεσμεύεται από μία εσωτερική κωδικοποίηση στη μονάδα ελέγχου DME.
Τα βασικά γνωρίσματα του DME M5.2 είναι:
Για τον έλεγχο της τήρησης των οριακών τιμών καυσαερίου οι νομικές προδιαγραφές της Καλιφόρνιας και των ΗΠΑ απαιτούν μία επιτήρηση όλων των σχετικών με τα καυσαέρια εξαρτημάτων κατά τη διάρκεια της λειτουργίας οδήγησης. Για αυτό είναι απαραίτητη μία αποτελεσματικότερη αυτοδιάγνωση, η οποία εκτός των άλλων περιλαμβάνει την αναγνώριση αφλογιστίας. Αν παρουσιαστεί ένα σφάλμα που σχετίζεται με τα καυσαέρια, τότε ενεργοποιείται στα οχήματα ΗΠΑ μέσω του DME η λάμπα 'Check Engine' στο ταμπλό των οργάνων. Αυτή σηματοδοτεί στον οδηγό, ότι υπάρχει ένα σφάλμα στη διαχείριση κινητήρα, το οποίο επηρεάζει τις εκπομπές καυσαερίων και για αυτό το λόγο πρέπει να εξαλειφεί αμέσως σε ένα ειδικό συνεργείο.
Οι βασικότερες λειτουργίες διάγνωσης του OBDII είναι:
Ένα επιπλέον συστατικό στοιχείο του OBD II είναι μία για όλους κατασκευαστές αυτοκινήτων τυποποιημένη θυρίδα διασύνδεσης, μέσω της οποίας οι υπηρεσίες επιτήρησης της κυκλοφορίας των ΗΠΑ είναι σε θέση να διαβάσουν τα σφάλματα που σχετίζονται με τα καυσαέρια και έχουν αποθηκευτεί στη μονάδα ελέγχου με τη βοήθεια ενός 'Scan-Tool'. Η πρόσβαση στα στοιχεία στη μνήμη αποθήκευσης σφαλμάτων έχει περιοριστεί για αυτές τις υπηρεσίες σε σφάλματα που σχετίζονται με τις εκπομπές καυσαερίων.
Με την εξαίρεση των λειτουργιών
όλες οι άλλες λειτουργίες επιτήρησης που σχετίζονται με το OBD II έχουν υλοποιηθεί και στις μονάδες ελέγχου DME 5.2, που δεν προορίζονται για την αγορά των ΗΠΑ. Η τυποποιημένη θυρίδα διασύνδεσης OBD II, η οποία επιτρέπει την πρόσβαση των υπηρεσιών στη μνήμη αποθήκευσης σφαλμάτων, είναι επίσης τοποθετημένη μόνο στα οχήματα ΗΠΑ.
Με τη βοήθεια του επαγωγικού παλμοδότη μετριέται στον τροχό σταδιακής αύξησης η ταχύτητα περιστροφής (αριθμός στροφών) του κινητήρα. Επιπλέον με την καταγραφή του αριθμού στροφών επιτυγχάνεται στον M62 (αναλογικά στον M73) η αναγνώριση των διακοπών.
Για την αναγνώριση αφλογιστίας χωρίζεται τώρα ο τροχός σταδιακής αύξησης εσωτερικά στη μονάδα ελέγχου και σύμφωνα με την απόσταση ανάφλεξης (στον 8-κύλινδρο κινητήρα 4 διαδικασίες ανάφλεξης σε κάθε περιστροφή στροφαλοφόρου άξονα) σε τέσσερις τομείς.
Στη μονάδα ελέγχου μετριέται η διάρκεια περιόδου (T) των μεμονωμένων τομέων του τροχού σταδιακής αύξησης. Αν η διαδικασία ανάφλεξης είναι εντάξει σε όλους τους κυλίνδρους, τότε η διάρκεια περιόδου όλων των τομέων του τροχού σταδιακής είναι ίδια (T1 = T2 = T3 = T4).
Αν τώρα παρουσιαστεί μία βλάβη σε ένα κύλινδρο (διακοπές), τότε παρατείνεται για κλάσματα χιλιοστών του δευτερολέπτου η διάρκεια περιόδου αυτού του κυλίνδρου (βλέπε εικόνα: T3 > T1, T2, T4). Αυτοί οι χρόνοι των τομέων αξιολογούνται στατιστικά στη μονάδα ελέγχου.

|
Βασική απεικόνιση της αναγνώρισης αφλογιστίας |
|---|---|
1 |
Η λειτουργία κινητήρα εντάξει |
2 |
Διακοπή ανάφλεξης στο τμήμα T3 |
Για κάθε σημείο του χαρακτηριστικού πεδίου έχουν τοποθετηθεί οι μέγιστες επιτρεπόμενες τιμές αναταραχής της λειτουργίας, αυτό σημαίνει η απόκλιση της διάρκειας περιόδου ενός τομέα, σαν λειτουργία του αριθμού στροφών, του φορτίου και της θερμοκρασίας κινητήρα.
Σε μία υπέρβαση αυτών των επιτρεπόμενων τιμών οι κύλινδροι που αναγνωρίστηκαν σαν λανθασμένοι αποθηκεύονται στη μνήμη αποθήκευσης σφαλμάτων. Σε οχήματα ΗΠΑ ενεργοποιείται σε αυτή την περίπτωση η λάμπα 'Check Engine'.
Σαν επιπλέον μέτρο απενεργοποιείται ο ψεκασμός των αντίστοιχων κυλίνδρων για την προστασία του καταλύτη από υπερθέρμανση.
Προσαρμογή
Οι κατασκευαστικές ανοχές του τροχού σταδιακής αύξησης μπορούν να οδηγήσουν σε εσφαλμένες λειτουργίες της αναγνώρισης αφλογιστίας. Για αυτό το λόγο το DME πραγματοποιεί αυτόνομα μία προσαρμογή.
Οι κατασκευαστικές ανοχές του τροχού σταδιακής αύξησης προσαρμόζονται στις φάσεις ώθησης του κινητήρα χωρίς ανάφλεξη και ψεκασμός, επειδή ο κινητήρας δεν παράγει σε αυτές τις φάσεις ανομοιομορφίες περιστροφής λόγω των διαδικασιών καύσης.
Υπόδειξη για το σέρβις:
Μετά από μία αντικατάσταση σφονδύλου, του τροχού σταδιακής αύξησης ή της μονάδας ελέγχου DME πρεπει να ληφθεί υπόψη στο πλαίσιο μίας τελικής δοκιμαστικής οδήγησης, ότι πρέπει να τηρηθεί μία μακρύτερη φάση ώθησης του κινητήρα (περ. 10 sec), για να πραγματοποιήσει η μονάδα ελέγχου του DME την προσαρμογή του σφόνδυλου.
Μέσω της σύνδεσης του δίαυλου CAN λαμβάνει χώρα η ψηφιακή μετάδοση στοιχείων μεταξύ των ακολούθων μονάδων ελέγχου:
Και για τις δύο παραλλαγές κυβισμού χρησιμοποιούνται βαλβίδες με κωνική ροή (όπως M60) των εταιριών Bosch και Lucas.
Όπως στον κινητήρα M60 έτσι και στον M62 χρησιμοποιείται ένας μετρητής μάζας εισερχόμενου αέρα θερμού φιλμ.
H ρύθμιση του ρελαντί επιτυγχάνεται στον κινητήρα M62 όπως στον M60 με ένα περιστροφικό ρυθμιστή διπλού πηνίου (ZWD 5). Ο αέρας που απορροφάται μέσω του ZWD 5 στο ρελαντί εισρέει στο θάλαμο μείξης της πεταλούδας γκαζιού.
Μπροστά από κάθε καταλύτη έχει τοποθετηθεί από ένας αισθητήρας λάμδα. Τα μοντέλα Μ62 που προορίζονται για την αγορά των ΗΠΑ εφοδιάζονται επιπλέον για την εκπλήρωση των κανονισμών OBD II με ένα δεύτερο αισθητήρα λάμδα (αισθητήρας παρακολούθησης) μετά από κάθε καταλύτη. Οι αισθητήρες λάμδα είναι κατασκευαστικά παρόμοιοι με αυτούς του κινητήρα M73 (ονομασία τύπου: Bosch LSH 25).
Και ο κινητήρας M62 διαθέτει από μία διάταξη ελέγχου της κρουστικής καύσης. Η διάταξη ελέγχου της κρουστικής καύσης εμποδίζει τη λειτουργία του κινητήρα με κρουστική καύση. Αυτή ρυθμίζει μόνο το αβάνς του ή των αντίστοιχων κυλίνδρων όσο το δυνατόν περισσότερο προς την κατεύθυνση αργά, όταν παρουσιαστεί ο κίνδυνος κρουστικής καύσης.
Οι 4 αισθητήρες κρουστικής καύσης είναι στερεωμένοι στο περίβλημα νερού του σώματος κινητήρα μεταξύ των δύο σειρών κυλίνδρων. Είναι έτσι τοποθετημένοι, ώστε από ένας αισθητήρας να επιτηρεί τους δύο γειτονικούς κυλίνδρους. Η δομή και η λειτουργία των αισθητήρων κρουστικής καύσης είναι παρόμοια με αυτή του κινητήρα M60.
Στο M62 εφαρμόζεται ένας διπλός αισθητήρας θερμοκρασίας (όπως M52). Αυτός χρησιμεύει για την καταγραφή της θερμοκρασίας ψυκτικού υγρού τόσο για το σύστημα ρύθμισης του κινητήρα όσο και για το τηλεθερμόμετρο στο ταμπλό των οργάνων. Για αυτό έχουν τοποθετηθεί στον αισθητήρα δύο ξεχωριστές γαλβανικές μονάδες NTC με διαφορετικές χαρακτηριστικές καμπύλες αντίστασης.
Ο διπλός αισθητήρας θερμοκρασίας είναι τοποθετημένος στη μετωπική επιφάνεια του κινητήρα στο περίβλημα της αντλίας νερού
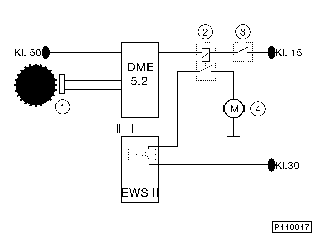
Η λειτουργία της αυτόματης εκκίνησης χρησιμεύει για τη βελτίωση της άνεσης του οδηγού κατά τη διάρκεια της διαδικασίας εκκίνησης. Για την εκκίνηση του κινητήρα πρέπει το κλειδί διακόπτη ανάφλεξης να περιστραφεί μόνο για λίγο στη θέση 'Εκκίνηση' (ακροδέκτης 50). Μετά την είσοδο του σήματος του ακροδέκτη 50 στη μνάδα ελέγχου DME ενεργοποιείται το μοτέρ του εκκινητή για τόσο χρονικό διάστημα μέχρι να λειτουργήσει ο κινητήρας. Όλα τα οχήματα E38 με τον κινητήρα M73 είναι ήδη εξοπλισμένα με αυτή τη λειτουργία.
Τώρα εξοπλίζονται και όλα τα οχήματα E38 και E39 με τον κινητήρα M62 σε συνδυασμό με τον προαιρετικό εξοπλισμό του αυτόματου κιβώτιου ταχυτήτων με τη λειτουργία της αυτόματης εκκίνησης.
Λειτουργία
Με τη λειτουργία της αυτόματης εκκίνησης το ρελέ της μίζας δεν ενεργοποιείται πια απευθείας μέσω του ακροδέκτη 50. Ο ακροδέκτης 50 χρησιμεύει τώρα πια μόνο σαν σήμα εισόδου στο DME 5.2.
Με την εισαγωγή του σήματος εκκίνησης (ακροδέκτης 50) στη μονάδα ελέγχου DME 5.2 και την ταυτόχρονη αναγνώριση του σωστού κωδικού αλλαγής από τη μονάδα ελέγχου EWS, το DME ενεργοποιεί μέσω της εξόδου 'Αυτόματη εκκίνηση' το ρελέ της μίζας. Προϋπόθεση για αυτό είναι να βρίσκεται ο μοχλός επιλογής του κιβωτίου ταχυτήτων στη θέση 'P' ή 'N'.
Το μοτέρ του εκκινητή ενεργοποιείται μέσω του ρελέ της μίζας για τόσο χρονικό διάστημα μέχρι να αναγνωριστεί μέσω του αισθητήρα στροφαλοφόρου άξονα 'Ο κινητήρας λειτουργεί'.
Ο 'κινητήρας λειτουργεί' αναγνωρίζεται, όταν ο αριθμός στροφών του κινητήρα
υπερβεί για σύντομο χρονικό διάστημα κατά τη διάρκεια της διαδικασίας εκκίνησης.
Με την αναγνώριση του σήματος 'κινητήρας λειτουργεί' απενεργοποιείται το ρελέ της μίζας από τη μονάδα ελέγχου DME. Αν δεν πετύχει η εκκίνηση του κινητήρα, τότε διακόπτεται η διαδικασία αυτόματης εκκίνησης μετά από 20 sec μέσω ενός σήματος γείωσης που εκδίδεται από το DME.

|
Σχέδιο συνδεσμολογίας λειτουργίας 'Αυτόματη εκκίνηση' |
|---|---|
1 |
Αισθητήρας στροφαλοφόρου άξονα |
2 |
Ρελέ εκκινητή |
3 |
Διακόπτης αυτόματου κιβώτιου ταχυτήτων (L2) |
Όλα τα οχήματα με κινητήρα M62 εξοπλίζονται από τη σειρά παραγωγής με ASC+T. Για την υλοποίηση των λειτουργιών ASC εφοδιάζεται ο κινητήρας M62 με μία βαλβίδα προστραγγαλισμού (όπως M60), η οποία σε περίπτωση ανάγκης τυθμίζεται μέσω μίας ντίζας χειρισμού από το σερβοκινητήρα ADS II.
Η ρύθμιση του σερβοκινητήρα ADS II επιτυγχάνεται από τη μονάδα ελέγχου ABS/ASC. Οι υπόλοιπες επεμβάσεις του ASC, όπως η ρύθμιση γωνίας ανάφλεξης (αβάνς) και η απενεργοποίηση της ανάφλεξης και του ψεκασμού πραγματοποιούνται από τη μονάδα ελέγχου DME.
Για την υλοποίηση της ρύθμισης ροπής έλξης κινητήρα (MSR) χρησιμοποιείται και στον κινητήρα M62 η βαλβίδα ρελαντί (ZWD 5). Η βαλβίδα ρελαντί ανοίγει συγκεκριμένα, όταν ενεργοποιείται η ρύθμιση της ροπής ολίσθησης του κινητήρα (MSR). Για αυτό η βαλβίδα λαμβάνει το σήμα με την διαμόρφωση εύρους παλμού κατευθείαν από το DME.
Η μετάδοση των αναγκαίων πληροφοριών για την ενεργοποίηση των λειτουργιών ASC στη μονάδα ελέγχου DME επιτυγχάνεται μέσω του δίαυλου CAN.