Το ηλεκτρονικό σύστημα ακινητοποίησης (EWS) χρησιμεύει στο σύστημα αντικλεπτικής προστασίας και στην απελευθέρωσης της εκκίνησης.
Το EWS της 4. γενιάς είναι μια περαιτέρω εξέλιξη του μέχρι πρότινως. Αυτή η περαιτέρω εξέλιξη χρησιμοποιεί ένα νέο και σύγχρονο τρόπο κωδικοποίησης.
Κάθε αυτοκίνητο εφοδιάζεται με έναν 128 Bit μυστικό κωδικό. Αυτός ο μυστικός κωδικός αποθηκεύεται σε μια τράπεζα δεδομένων της BMW. Έτσι ο μυστικός κωδικός είναι γνωστός μόνο στην BMW.
Ο μυστικός κωδικός προγραμματίζεται και κλειδώνει στις παρακάτω μονάδες ελέγχου:
Όταν ο μυστικός κωδικός είναι κλειδωμένος στις μονάδες ελέγχου, δεν μπορεί να διαγραφεί ή να μεταβληθεί. Έτσι κάθε μονάδα ελέγχου αντιστοιχίζεται σε ένα συγκεκριμένο αυτοκίνητο. Οι μονάδες ελέγχου αναγνωρίζονται με τον μυστικό κωδικό και τον ίδιο αλγόριθμο.
Στο EWS 4. γενιάς δεν υπάρχει η απευθείας γραμμή (γραμμή δεδομένων EWS) μεταξύ DME/DDE και CAS (όχι στο E83).
Για την μετάδοση δεδομένων του σήματος EWS χρησιμοποιούνται η γραμμή μετάδοσης δεδομένων CAN (PT-CAN και K-CAN) και του K-Bus (ονομάζεται και δίαυλος CAS-Bus). Ο δίαυλος K-Bus προστίθεται, όταν δεν μπορεί να μεταδοθεί ένα σήμα EWS στη γραμμή δεδομένων CAN.
> E83: Μετάδοση δεδομένων ανάμεσα στη μονάδα ελέγχου EWS και την DME/DDE όπως μέχρι τώρα με απευθείας γραμμή μετάδοσης δεδομένων EWS.
Τοποθέτηση EWS (4. γενιάς):
Σειρές |
Κινητήρες |
Μονάδα ελέγχου κινητήρα |
|---|---|---|
Βαθμίδα ισχύος: |
||
E60, E61, E63, E64 |
N52B25U1, N52B25O1, N52B30M1, N52B30O1 |
MSV80 |
N53B25U0, N53B30U0, N53B30O0, N54B30O0 |
MSD80 |
|
N43B20O0 |
MSD80.2 |
|
N46B20O2 |
MEV17.2.1 |
|
N47D20O0 |
DDE70 |
|
E81, E82, E87, E88, E90, E90 M3, E91, E92, E92 M3, E93, E93 M3 |
N43B16, N43B20U0, N43B20O0 |
MSD80.2 |
N45B16O2, N46B20U2, N46B20O2 |
MEV17.2.1 |
|
N51B30M0, N52B25U1, N52B25O1, N52B30U0, N52B30M1, N52B30O1 |
MSV80 |
|
N47D20U0, N47D20O0 |
DDE70 |
|
N53B30U0, N53B30O0, N54B30O0 |
MSD80 |
|
S65 |
MSS60 |
|
E83 |
N52B25O1, N52B30U1, N52B30O1 |
MSV80 |
N46B20O2 |
MEV17.2.1 |
|
N47D20O0 |
DDE70 |
|
E70 |
N52B30O1 |
MSV80 |
R55, R56 |
N12 |
MEV17.2 |
N14 |
MED17.2 |
|
Περιγράφονται τα παρακάτω εξαρτήματα του EWS:
Σε κάθε τηλεχειριστήριο είναι ενσωματωμένο ένα τσιπ αναμεταδότη, το οποίο μπορεί τόσο να στέλνει όσο και να λαμβάνει σήματα. Η μετάδοση δεδομένων πραγματοποιείται όπως σε έναν μετασχηματιστή ανάμεσα στην κυκλική κεραία στην υποδοχή ή το διακόπτη ανάφλεξης (μόνο στο E83) και το τσιπ αναμεταδότη. Το τηλεχειριστήριο μεταδίδει τα δεδομένα στη μονάδα ελέγχου EWS ή CAS και λαμβάνει δεδομένα από αυτή.
Στο τσιπ αναμεταδότη είναι επίσης κωδικοποιημένη η εξουσιοδότηση του τηλεχειριστηρίου για το αντίστοιχο αυτοκίνητο.
Η μονάδα ελέγχου EWS ή CAS μπορεί να διαχειριστεί το μέγιστο 10 ταιριασμένα στη μονάδα ελέγχου τηλεχειριστήρια, δηλ. μπορούν να διατεθούν το πολύ 6 ανταλλακτικά τηλεχειριστήρια.
Η μονάδα ελέγχου EWS ή CAS μπορεί να αναγνωρίσει τα μεμονωμένα τηλεχειριστήρια. Έτσι είναι δυνατό να κλειδώσουν ή να ελευθερωθούν μεμονωμένα τηλεχειριστήρια. Αν κατά την επικοινωνία ανάμεσα στη μονάδα ελέγχου EWS ή CAS και τα μεμονωμένα τηλεχειριστήρια παρουσιαστεί μια βλάβη, αυτή καταχωρείται στη μνήμη βλαβών - ξεχωριστά για κάθε τηλεχειριστήριο.
Στην υποδοχή για το τηλεχειριστήριο ή στο διακόπτη ανάφλεξης (μόνο στο E83) υπάρχει μια κυκλική κεραία (πηνίο) για την εξακρίβωση το τσιπ αναμεταδότη. Μέσω της κυκλικής κεραίας επικοινωνεί το τσιπ αναμεταδότη και η μονάδα ελέγχου EWS ή CAS.
Σε αυτοκίνητα με ένα ηλεκτρικό κλείδωμα τιμονιού, αυτό τροφοδοτείται με ρεύμα μετά την εξακρίβωση μέσω του CAS. Μόνο έτσι μπορεί να πραγματοποιηθεί ένα ξεκλείδωμα ή κλείδωμα. Μια εκκίνηση του κινητήρα μπορεί να επιτραπεί όταν το ηλεκτρικό κλείδωμα τιμονιού είναι ξεκλείδωτο και ασφαλισμένο.
> E83
Μέσω της γραμμής μετάδοσης δεδομένων EWS εξακριβώνονται μεταξύ τους η μονάδα ελέγχου EWS και η DME/DDE.
Στα αυτοκίνητα με αυτόματο κιβώτιο ταχυτήτων πραγματοποιείται μια απελευθέρωση εκκίνησης μέσω της μονάδα ελέγχου EWS ή CAS μόνο εφόσον ο επιλογέας βρίσκεται στη θέση ”P” ή ”N”.
Στην ηλεκτρονική ακινητοποίηση αυτοκινήτου (EWS) συμμετέχουν οι παρακάτω μονάδες ελέγχου:
> όχι στο E83
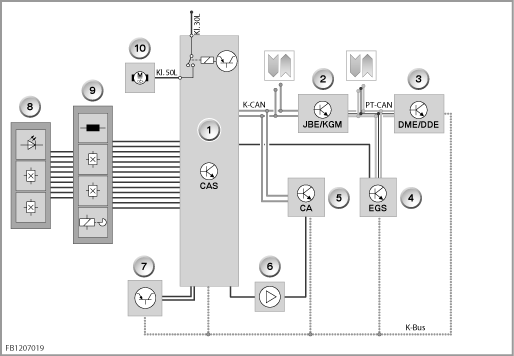
Η μονάδα ελέγχου CAS είναι η κύρια μονάδα ελέγχου για το EWS. Το EWS είναι ενσωματωμένο στο CAS.
Στη μονάδα ελέγχου CAS είναι αποθηκευμένος ασφαλής από κάθε παραβίαση ο μυστικός κωδικός.
Η μονάδα ελέγχου CAS είναι ένας συνδρομητής διαύλου στο δίαυλο K-CAN (Karosserie-CAN) και τον δίαυλο K-Bus (Karosserie-Bus).
Η μονάδα ελέγχου CAS είναι η θυρίδα διασύνδεσης για την υποδοχή του τηλεχειριστηρίου.

Ευρετήριο |
Επεξήγηση |
Ευρετήριο |
Επεξήγηση |
|---|---|---|---|
1 |
Σύστημα άνετης πρόσβασης (CAS) |
2 |
Ηλεκτρονικά Κουτιού Διακλάδωσης (JBE) ή Μονάδα Πύλης Αμαξώματος (KGM) |
3 |
Ψηφιακά Ηλεκτρονικά Κινητήρα (DME) ή Ψηφιακά Ηλεκτρονικά Diesel (DDE) |
4 |
Ηλεκτρονικός Έλεγχος Κιβωτίου (EGS) |
5 |
Άνετη πρόσβαση (CA: Comfort Access) |
6 |
Δέκτης τηλεχειριστηρίου |
7 |
Ηλεκτρικό κλείδωμα τιμονιού |
8 |
Πλήκτρο START-STOP |
9 |
Υποδοχή με τηλεχειριστήριο |
10 |
Εκκινητής |
Kl. 30L |
Ακροδέκτης Kl. 30L |
Kl. 50L |
Ακροδέκτης Kl. 50L |
Δίαυλος Κ-Bus |
Δίαυλος Karosserie-Bus (ονομάζεται και δίαυλος CAS-Bus) |
K-CAN |
K-CAN |
PT-CAN |
Powertrain-CAN |
|
|
> μόνο στο E83
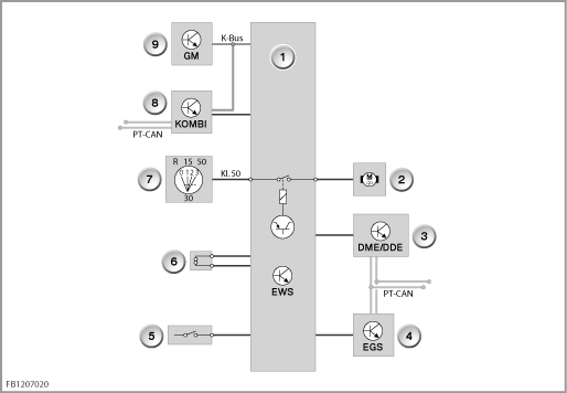
Η μονάδα ελέγχου EWS είναι ένας συνδρομητής διαύλου στον δίαυλο K-Bus (Karosserie-Bus).
Η μονάδα ελέγχου EWS είναι η θυρίδα διασύνδεσης στο διακόπτη ανάφλεξης.

Ευρετήριο |
Επεξήγηση |
Ευρετήριο |
Επεξήγηση |
|---|---|---|---|
1 |
Ηλεκτρονική ακινητοποίηση (immobilizer) (EWS) |
2 |
Εκκινητής |
3 |
Ψηφιακά Ηλεκτρονικά Κινητήρα (DME) ή Ψηφιακά Ηλεκτρονικά Diesel (DDE) |
4 |
Ηλεκτρονικός έλεγχος κιβωτίου ταχυτήτων (EGS) |
5 |
Διακόπτης συμπλέκτη στο χειροκίνητο κιβώτιο ταχυτήτων (εξαρτάται από την έκδοση χώρας) |
6 |
Κυκλική κεραία (πηνίο) |
7 |
Διακόπτης κινητήρα |
8 |
Ταμπλό οργάνων (KOMBI) |
9 |
Βασική Μονάδα (GM) |
|
|
Δίαυλος Κ-Bus |
Δίαυλος Αμαξώματος |
Ακροδέκτης Kl. 50 |
Ακροδέκτης Kl. 50 |
PT-CAN |
Powertrain-CAN |
|
|
Η μονάδα ελέγχου DME/DDE επιτρέπει την εκκίνηση του κινητήρα εφόσον λάβει από την μονάδα ελέγχου EWS ή CAS ένα σωστό σήμα απελευθέρωσης. Στη μονάδα ελέγχου DME/DDE είναι αποθηκευμένος ασφαλής από κάθε παραβίαση ο μυστικός κωδικός.
> E70, E81, E82, E87, E88, E90, E91, E92, E93, R55, R56
Η JBE είναι η θυρίδα διασύνδεσης δεδομένων ανάμεσα στο PT-CAN (Powertrain-CAN) και το K-CAN (Karosserie-CAN).
> E60, E61, E63, E64
Η KGM είναι η θύρα διασύνδεσης δεδομένων ανάμεσα στο PT-CAN (Powertrain-CAN) και το K-CAN (Karosserie-CAN).
> E83
Το ταμπλό οργάνων KGM είναι η θύρα διασύνδεσης δεδομένων ανάμεσα στο PT-CAN (Powertrain-CAN) και το K-Bus (Karosserie-Bus).
> μόνο στο E70
Ο ηλεκτρονικός έλεγχος κιβωτίου (EGS) συνδέεται ως σύστημα ακινητοποίησης στο EWS της 4. γενιάς. Η μονάδα ελέγχου EGS είναι συνδρομητής διαύλου στον δίαυλο K-Bus.
Μια απελευθέρωση της λειτουργίας κιβωτίου πραγματοποιείται μόνο όταν εξακριβωθούν μεταξύ τους η μονάδα ελέγχου CAS και η μονάδα ελέγχου EGS.
Στον εξοπλισμό SA 322”Άνετη Πρόσβαση” (CA: Comfort Access) αντί του συνηθισμένου τηλεχειριστηρίου είναι απαραίτητος ένας αισθητήρας αναγνώρισης. Ο αισθητήρας αναγνώρισης πληροί και τις υπόλοιπες λειτουργίες του τηλεχειριστηρίου.
Η μονάδα ελέγχου για την άνετη πρόσβαση (μονάδα ελέγχου CA) ελέγχει τις κεραίες εσωτερικού χώρου και τις εξωτερικές κεραίες. Έτσι ερωτιούνται οι πιθανοί αισθητήρες αναγνώρισης. Ταυτόχρονα ενεργοποιείται ο δέκτης FBD για τους αποκρινόμενους αισθητήρες αναγνώρισης (FBD: Υπηρεσία τηλεχειρισμού).
Η μονάδα ελέγχου CAS είναι η κύρια (Master) μονάδα ελέγχου για όλες τις λειτουργίες του SA ”Άνετη πρόσβαση”:
Για το EWS περιγράφονται οι παρακάτω λειτουργίες συστήματος:
Κατά τη διαδικασία ξεκλειδώματος πραγματοποιείται μια διαδικασία αυθεντικοποίησης ανάμεσα στο Σύστημα Πρόσβασης Αυτοκινήτου (CAS) και το ηλεκτρικό κλείδωμα τιμονιού. Το ηλεκτρικό κλείδωμα τιμονιού μπορεί να ξεκινήσει το ξεκλείδωμα μόνο μετά από ένα θετικό αποτέλεσμα της διαδικασίας εκκίνησης. Για λόγους ασφαλείας το ηλεκτρικό κλείδωμα τιμονιού δεν τροφοδοτείται με ρεύμα κατά την οδήγηση. Το ηλεκτρικό κλείδωμα τιμονού τροφοδοτείται με τάση μόνο για τη διαδικασία ξεκλειδώματος ή τη διαδικασία κλειδώματος.
Όταν τα δεδομένα αναγνώρισης είναι σωστά, η μονάδα ελέγχου CAS ελέγχει μέσω ενός ρελέ που βρίσκεται στη μονάδα ελέγχου τον εκκινητή. Ταυτόχρονα η μονάδα ελέγχου CAS στέλνει στη μονάδα ελέγχου DME ένα κωδικοποιημένο σήμα απελευθέρωσης για την εκκίνηση του κινητήρα. Η μονάδα ελέγχου DME επιτρέπει την εκκίνηση του κινητήρα εφόσον λάβει από την μονάδα ελέγχου CAS ένα σωστό σήμα απελευθέρωσης.
Μετά την εισαγωγή του κλειδιού στο διακόπτη ανάφλεξης ή του τηλεχειριστηρίου στην υποδοχή πραγματοποιείται η παρακάτω διαδικασία:
Στις μονάδες ελέγχου είναι αποθηκευμένοι πανομοιότυποι κυλιόμενοι κωδικοί, των οποίων η τιμή μεταβάλλεται μετά από κάθε διαδικασία εκκίνησης. Ο κυλιόμενος κωδικός αποτελείται από έναν τυχαίο κωδικό και ένα μυστικό κωδικό.
Συγχρονισμός διαχείρισης κινητήρα με το ηλεκτρονικό σύστημα ακινητοποίησης
Με την εισαγωγή του νέου EWS (4. γενιάς) καταργείται ο συγχρονισμός ανάμεσα στη μονάδα ελέγχου κινητήρα και την ηλεκτρονική ακινητοποίηση.
Από αυτό το χρονικό σημείο και μετά, συγκεκριμένες μονάδες ελέγχου θα μπορούν να αντικαθίστανται με μονάδες ελέγχου που έχουν παραγγελθεί ειδικά για το συγκεκριμένο αυτοκίνητο.
Οδηγία! Πορεία εργασίας σε βλάβη μονάδας ελέγχου!
Όταν υπάρχει βλάβη στο CAS, στο EWS (μόνο Ε83) ή στην DME/DDE, πρέπει να ακολουθηθεί μια συγκεκριμένη πορεία εργασίας.
Η απαιτούμενη μονάδα ελέγχου πρέπει να παραγγελθεί ακριβώς για το αυτοκίνητο. Για το σκοπό αυτό απαιτούνται τα δεδομένα αυτοκινήτου (αριθμός πλαισίου).
Δεν απαιτείται συγχρονισμός του EWS μετά από αντικατάσταση της μονάδας ελέγχου.
> E70
Κατά την αντικατάσταση του ηλεκτρονικού ελέγχου κιβωτίου απαιτείται ένας συγχρονισμός. Κατά τον συγχρονισμό η μονάδα ελέγχου CAS μεταδίδει έναν ξεχωριστό κωδικό στη μονάδα ελέγχου EGS. Αυτός ο ξεχωριστός κωδικός απαιτείται για τη διαδικασία εξακρίβωσης για την ελευθέρωση της λειτουργίας του κιβωτίου.
Σημαντικό!
Η δοκιμαστική αλλαγή των μονάδων ελέγχου με μυστικό κωδικό δεν είναι δυνατή!
Η προμήθεια των εφεδρικών κλειδιών μπορεί να πραγματοποιηθεί μόνο μέσω ενός καταστήματος ανταλλακτικών BMW. Εκεί θα προγραμματιστεί ένα από τα 6 εφεδρικά κλειδιά ώστε να ταιριάζει στο όχημα. Αυτό το κλειδί δεν είναι το αντίγραφο του χαμένου κλειδιού, αλλά ένα καινούργιο κλειδί!
Συνολικά δεν μπορούν να κατασκευαστούν και να παραδοθούν παραπάνω από 6 εφεδρικά κλειδιά που ταιριάζουν στην τοποθετημένη μονάδα ελέγχου του EWS
Όταν τοποθετείται ένα καινούργιο κλειδί για πρώτη φορά στο διακόπτη ανάφλεξης, η εκκίνηση έχει μια αντιληπτή καθυστέρηση από 1 έως 2 δευτερόλεπτα. Από αυτό το σημείο η διαδικασία εκκίνησης πρέπει να γίνεται χωρίς καθυστέρηση.
Τα χαμένα κλειδιά πρέπει να ασφαλίζονται μέσω της διάγνωσης. Βλέπε επίσης τις ”Ιδιαιτερότητες του προγράμματος διάγνωσης”.
Προσοχή!
Η κάθε απαίτηση κλειδιού τεκμηριώνεται, ώστε να μπορούν να εξεταστούν οι ερωτήσεις από τις ασφάλειες και τις υπηρεσίες!
Σε περίπτωση απώλειας όλων των τηλεχειριστηρίων ή κλειδιών απαιτείται μια νέα μονάδα ελέγχου EWS ή CAS.
Μέσω της διάγνωσης (λειτουργίες σέρβις) είναι δυνατό το ηλεκτρονικό κλείδωμα ή αποδέσμευση μεμονωμένων τηλεχειριστηρίων ή κλειδιών.
Σημαντικό!
Ηλεκτρονικά κλειδωμένο σημαίνει, ότι τόσο ο εκκινητής όσο και η μονάδα ελέγχου του κινητήρα δεν έχουν αποδεσμευτεί για την εκκίνηση. Συγχρόνως πρέπει να ληφθεί υπόψη, ότι και ένα ηλεκτρονικά κλειδωμένο κλειδί ταιριάζει μηχανικά, αυτό σημαίνει ότι όλες οι θυρίδες και οι πόρτες μπορούν να ανοιχτούν.
Εδώ εμφανίζεται για κάθε μεμονωμένο χρησιμοποιούμενο κλειδί (τηλεχειριστήριο) από τη μονάδα ελέγχου EWS ή CAS, αν έχει αναγνωριστεί ήδη τουλάχιστον μια φορά από τη μονάδα ελέγχου EWS ή CAS, δηλ. είναι δυνατό ακόμη και σε παλαιότερα αυτοκίνητα να παρακολουθήσει κανείς πόσα τηλεχειριστήρια ή κλειδιά έχουν ήδη χρησιμοποιηθεί σε αυτό το αυτοκίνητο.
Με κάθε επιφύλαξη για τυπογραφικά λάθη, σφάλματα και τεχνικές αλλαγές.