Οδηγία! Δομή αυτού του εγγράφου.
Στην αρχή αυτού του εγγράφου περιγράφονται οι σημαντικότερες Οδηγίες διάγνωσης. Στο τέλος θα βρείτε την περιγραφή των λειτουργιών.
Αν μετά από μια επισκευή παρουσιαστεί πρόβλημα στην διαγραφή της μνήμης βλαβών, θα πρέπει να καταφύγετε στην παρακάτω διαδικασία:
Προσοχή!
Ενδεικτικές και προειδοποιητικές λυχνίες σε συγκεκριμένες βλάβες σβήνουν μετά από μια σύντομη δοκιμαστική διαδρομή.
Μετά την αντικατάσταση της μονάδας DSC ή της μονάδας ελέγχου DSC Πρέπει να κωδικοποιηθούν οι παράμετροι για την Ένδειξη Βλάβης Ελαστικών (RPA) καθώς και τη ρύθμιση ταχύτητας αυτοκινήτου μέσω του Progman.
Αναφορικά με τη λειτουργία DSC κωδικοποιείται η μονάδα ελέγχου DSC. Σε αυτή τη διαδικασία αποθηκεύεται και ο αριθμός πλαισίου. Έτσι δεν απαιτείται μια ρύθμιση του αισθητήρα γωνίας τιμονιού στο DSC 8/DSC 8Plus. Σε κάθε ξεκίνημα (άνοιγμα ανάφλεξης) το DSC συγκρίνει τον αποθηκευμένο αριθμό πλαισίου με τον πραγματικό αριθμό πλαισίου. Το DSC κωδικοποιείται αντίστοιχα στον τύπο αυτοκινήτου, όταν δεν συμφωνούν οι αριθμοί πλαισίου. Σε αυτή την περίπτωση οι τιμές ρύθμισης των αισθητήρων που έχουν μαθευτεί επανέρχονται στην βασική ρύθμιση (Εξαίρεση: αισθητήρας κατά μήκος επιτάχυνσης).
Εκτελέστε τις ακόλουθες εργασίες:
Μετά από μια αλλαγή του αισθητήρα DSC πρέπει να πραγματοποιηθεί η λειτουργία σέρβις ”Ρύθμιση αισθητήρα DSC”. Στον αισθητήρα DSC γίνεται αρχικοποίηση του αισθητήρα κατά μήκος επιτάχυνσης.
Ο αισθητήρας γωνίας τιμονιού αποτελεί μια μονάδα με το κέντρο διακοπτών κολόνας τιμονιού. Ο αισθητήρας γωνίας τιμονιού δεν μπορεί να αντικατασταθεί ξεχωριστά. Η λειτουργία σέρβις ”Ρύθμιση αισθητήρα τιμονιού” ή σε αυτοκίνητα με ενεργό σύστημα διεύθυνσης η λειτουργία σέρβις ”Αρχική λειτουργία/Ρύθμιση ενεργού συστήματος διεύθυνσης” πρέπει να πραγματοποιηθεί μετά από τις παρακάτω εργασίες:
Το E70 εξοπλίζεται στο βασικό εξοπλισμό με τον Δυναμικό Έλεγχο Ευστάθειας (DSC).
E60/E61 από 03/2007.
Το DSC είναι μια περαιτέρω εξέλιξη του DSC 8Plus. Για να διακρίνεται από αυτό το σύστημα ελέγχου ονομάζεται ”DSC Premium”. Προμηθευτής του DSC είναι η Bosch.
Οι λειτουργίες ρύθμισης του DSC έχουν βελτιστοποιηθεί περαιτέρω. Η βελτίωση επιτεύχθηκε με την προσθήκη μιας αντλίας επιστροφής με 6 έμβολα καθώς και από υψηλής απόδοσης ηλεκτρονικά. Σε σύγκριση με το προηγούμενο μοντέλο (E53) το E70 περιλαμβάνει περαιτέρω λειτουργίες:
Σε συνδυασμό με άλλα συστήματα προκύπτει περισσότερη οδηγική ασφάλεια:
Το DSC είναι ένα σύστημα για τη δυναμική οδήγησης, το οποίο διατηρεί την οδηγική ευστάθεια. Το DSC βελτιστοποιεί:
Το DSC αναγνωρίζει μια ασταθή κατάσταση οδήγησης όπως υποστροφή ή υπερστροφή. Το DSC βοηθά εντός των νόμων της φυσικής να κρατά το αυτοκίνητο στην πορείας του.
Για το λόγο αυτό θα πρέπει το DSC να γνωρίζει τα παρακάτω δυναμικά μεγέθη μέτρησης οδήγησης:
Επιπρόσθετα αναγνωρίζεται η επιθυμία του οδηγού από τη γωνία τιμονιού και την πίεση φρένων την οποία εφαρμόζει ο οδηγός μέσω του πεντάλ. Επιπλέον οι αισθητήρες στροφών τροχών μεταδίδουν την πληροφορία για την ταχύτητα κάθε τροχού ξεχωριστά. Από τις διαθέσιμες μετρούμενες τιμές υπολογίζεται η πραγματική κατάσταση με την οποία το αυτοκίνητο κινείται τη δεδομένη στιγμή. Η πραγματική κατάσταση συγκρίνεται με τις ονομαστικές τιμές, οι οποίες υπολογίζονται στη μονάδα ελέγχου DSC. Αν οι πραγματικές τιμές αποκλίνουν από την ονομαστική κατάσταση, το DSC γίνεται ενεργό και επεμβαίνει στο σύστημα φρένων ή στη διαχείριση του κινητήρα.
Περιγράφονται τα παρακάτω εξαρτήματα για τον δυναμικό έλεγχο ευστάθειας:
Η μονάδα DSC αποτελείται από τη μονάδα ελέγχου DSC και την υδραυλική μονάδα. Η μονάδα ελέγχου DSC ελέγχει μέσω ηλεκτρομαγνητικών βαλβίδων την υδραυλική μονάδα.

Ευρετήριο |
Επεξήγηση |
Ευρετήριο |
Επεξήγηση |
|---|---|---|---|
1 |
Μονάδα ελέγχου DSC με σύνδεση φις |
2 |
Υδραυλική μονάδα |
3 |
Μοτέρ αντλίας |
|
|
Στη μονάδα DSC βρίσκεται ένας αισθητήρας πίεσης φρένων. Αυτός ο αισθητήρας πίεσης φρένων μετρά την πίεση φρένων που δημιουργείται από το πεντάλ φρένων και τον κατανεμητή δύναμης φρένων.
Ο αισθητήρας πίεσης φρένων έχει μια περιοχή μέτρησης από 0 έως 250 bar. Το μηδενικό του σημείο αρχικοποιείται μόνο κατά τη διαδρομή.
Η μονάδα DSC επιτρέπει με το νέο concept μια πιο ακριβή ρύθμιση. Στο μοτέρ αντλίας λειτουργούν 2 x 3 στοιχεία αντλίας με 6,5 mm. Μέσω αυτού του concept προκύπτει μια σημαντικά βελτιωμένη δυναμική πίεσης. Έτσι κατά την επέμβαση του ABS το πεντάλ φρένων παλινδρομεί λιγότερο. Έτσι επιτυγχάνεται και ένα υψηλότερο σημείο ρύθμισης του Ελέγχου Κατάβασης Κατωφερειών (HDC).

Ευρετήριο |
Επεξήγηση |
Ευρετήριο |
Επεξήγηση |
|---|---|---|---|
A |
DSC 8Plus |
B |
DSC Premium |
1 |
Ογκομετρική ροή [l/min] |
2 |
Χρόνος [s] |
Ο διανομέας ρεύματος στα Ηλεκτρονικά Κουτιού Διακλάδωσης (JBE) τροφοδοτεί τη μονάδα DSC με τάση. Μια φορά ακροδέκτη Kl. 30 για την αντλία επιστροφής, μια φορά ακροδέκτη Kl. 30 για την μαγνητική βαλβίδα. Η μονάδα ελέγχου DSC λαμβάνει ακροδέκτη Kl. 30g.
Οι ενεργοί αισθητήρες στροφών τροχών υπολογίζουν την περιμετρική ταχύτητα τροχού των μεμονωμένων τροχών. Επιπλέον οι αισθητήρες στροφών τροχών αναγνωρίζουν τη φορά περιστροφής (προς τα εμπρός ή προς τα πίσω). Όταν ο τροχός είναι ακινητοποιημένος ο αισθητήρας στροφών τροχού στέλνει κάθε
0,75 δευτερόλεπτα έναν παλμό. Μέσω των παλμών ρεύματος εμφανίζεται η διαθεσιμότητα του αισθητήρα στροφών τροχού.
Τα παρακάτω πλεονεκτήματα προκύπτουν από την χρήση των ενεργών αισθητήρων στροφών τροχών:

Ευρετήριο |
Επεξήγηση |
Ευρετήριο |
Επεξήγηση |
|---|---|---|---|
1 |
Αισθητήρας στροφών τροχού εμπρός άξονα |
2 |
Αισθητήρας στροφών τροχού πίσω άξονα |
3 |
Παλμοί για τις στροφές |
4 |
πρόσθετες πληροφορίες όπως φορά περιστροφής και διάκενο |
5 |
Πορεία σήματος |
6 |
Έδρανο τροχού με μαγνήτες |
Στον εμπρός και τον πίσω άξονα υπάρχει γύρω από το έδρανο του τροχού ένας κύκλος από μαγνήτες (γρανάζι αναφοράς). Οι βόρειοι και οι νότιοι πόλοι του γραναζιού αναφοράς εναλλάσσονται μεταξύ τους. Ένας βόρειος πόλος με έναν νότιο πόλο αντιστοιχούν με 1 οδόντωση (συγκρίσιμο με δόντι/κενό ενός κανονικού γραναζιού αναφοράς). Ο αισθητήρας στροφών τροχού αποτελείται από 3 αισθητήρες Χωλλ και ένα κύκλωμα ηλεκτρονικών αξιολόγησης.
Οι ενεργοί αισθητήρες στροφών τροχών μεταβάλλουν την ηλεκτρική αντίσταση με την επίδραση ενός μαγνητικού πεδίου. Κάθε οδόντωση παράγει 2 παλμούς στον αισθητήρα στροφών τροχού (96 παλμοί ανά περιστροφή). Για την μετάδοση των δεδομένων στη μονάδα ελέγχου προστίθενται στους παλμούς πρόσθετα δεδομένα. Αυτή η ενσωματωμένη επεξεργασία δεδομένων προκύπτει ως καθαρή ανίχνευση στροφών. Είναι δυνατές για παράδειγμα οι παρακάτω πρόσθετες πληροφορίες:
Ο αισθητήρας DSC μετρά:

Ευρετήριο |
Επεξήγηση |
Ευρετήριο |
Επεξήγηση |
|---|---|---|---|
1 |
Αισθητήρας DSC |
2 |
Σύνδεση με φις |
Το στοιχείο αισθητήρα αποτελείται από 2 πιεζοηλεκτρικούς αισθητήρες επιτάχυνσης. Στο μετρητικό στοιχείο των αισθητήρων επιτάχυνσης είναι αναρτημένη σε ελατήριο μια μάζα.
Σε κινήσεις επιτάχυνσης επιταχύνονται μαζί 2 αναρτημένες σε ελατήριο μάζες. Η για το σκοπό αυτό απαιτούμενη δύναμη δημιουργεί μια μηχανική τάση στο πιεζοηλεκτρικό υλικό. Η δημιουργούμενη με αυτό τον τρόπο ηλεκτρική μετατόπιση φορτίου λαμβάνεται με ηλεκτρόδια από το υλικό και επεξεργάζεται περαιτέρω ως ηλεκτρικό σήμα. Από τη διαφορά των δύο σημάτων επιτάχυνσης υπολογίζεται η στροφορμή. Ο αισθητήρας DSC δίνει έτσι ένα σήμα στροφορμής και ένα σήμα επιτάχυνσης.
Ο αισθητήρας διαμήκους επιτάχυνσης χρησιμοποιείται για την υποβοήθηση ξεκινήματος.
Ο αισθητήρας DSC συνδέεται μέσω του μέσω του Fahrwerk-CAN (F-CAN) με τη μονάδα ελέγχου DSC.
Η μονάδα ελέγχου DSC τροφοδοτεί τον αισθητήρα DSC με τάση.
Ο αισθητήρας γωνίας τιμονιού είναι ενσωματωμένος στο Κέντρο Διακοπτών Κολώνας τιμονιού (SZL). Ο αισθητήρας γωνίας τιμονιού μετρά οπτικά και χωρίς επαφή τη γωνία τιμονιού. Ο αισθητήρας γωνίας τιμονιού βρίσκεται στην πλακέτα των ηλεκτρονικών αξιολόγησης. Ο αισθητήρας γωνίας τιμονιού αποτελείται από τα παρακάτω εξαρτήματα: Κωδικοποιημένη πλάκα και οπτικός αισθητήρας.
Η κωδικοποιημένη πλάκα συνδέεται μέσω της κασέτας σπειροειδούς ελατηρίου με το τιμόνι. Όταν το τιμόνι κινείται, κινείται και η κωδικοποιημένη πλάκα εντός του οπτικού αισθητήρα. Στην κωδικοποιημένη πλάκα υπάρχουν διάφορα σχήματα γραμμών για αξιολόγηση.

Ευρετήριο |
Επεξήγηση |
Ευρετήριο |
Επεξήγηση |
|---|---|---|---|
1 |
Κέντρο διακοπτών κολόνας τιμονιού (SZL) |
2 |
οπτικός αισθητήρας |
3 |
Κωδικοποιημένη πλάκα |
|
|
Το SZL συνδέεται μέσω του μέσω του Fahrwerk-CAN (F-CAN) με τη μονάδα ελέγχου DSC.
Με το πλήκτρο DTC γίνεται αλλαγή κατάστασης λειτουργία του συστήματος ελέγχου. Το πλήκτρο DTC έχει την ένδειξη ”DTC”. Μέσω του πλήκτρου DTC μπορούν να επιλεχθούν οι παρακάτω 3 καταστάσεις:
E70:
Το πλήκτρο DTC βρίσκεται στο κέντρο διακοπτών μεσαίας κολόνας (καμία μονάδα ελέγχου). Το κέντρο διακοπτών μεσαίας κολόνας συνδέεται με την αυτόματη θέρμανση-κλιματισμό (IHKA). Το IHKA μεταδίδει το σήμα μέσω του K-CAN.
E60 και E61 από 03/2007:
Το πλήκτρο DTC βρίσκεται στο μπλοκ διακοπτών αριστερά δίπλα στο σταχτοδοχείο. Το μπλοκ διακοπτών είναι συνδεδεμένο στο Κέντρο Διακοπτών Μεσαίας Κονσόλας (SZΜ). Η μονάδα ελέγχου SZM είναι τοποθετημένη στην κονσόλα των συσκευών πίσω από το ντουλάπι του συνοδηγού.

Το γράφημα δείχνει το E70
Ευρετήριο |
Επεξήγηση |
Ευρετήριο |
Επεξήγηση |
|---|---|---|---|
1 |
Κέντρο διακοπτών κεντρικής κονσόλας |
2 |
Πλήκτρο HDC HDC σημαίνει Hill Descent Control (Έλεγχος Κατάβασης Κατωφερειών): Βοήθημα κατάβασης βουνών |
3 |
Πλήκτρο DTC |
|
|
E70:
Το πλήκτρο HDC είναι και αυτό στο κέντρο διακοπτών μεσαίας κονσόλας.
E60 και E61:
Τα ελεύθερα προγραμματιζόμενα πλήκτρα στο τιμόνι μπορούν να αντιστοιχηθούν στο βοήθημα κατάβασης βουνών (HDC). Επιπλέον το HDC μπορεί να ενεργοποιηθεί μέσω του iDrive.
Το DSC διαθέτει πρόσθετα σήματα εισόδου από τα παρακάτω εξαρτήματα:
Ανιχνεύεται η χαμηλή στάθμη υγρών φρένων (στο δοχείο μέσω μια μαγνητική επαφής) και μεταδίδεται στη μονάδα ελέγχου DSC. Σε πολύ χαμηλή στάθμη υγρών φρένων το DSC απενεργοποιείται. Υπάρχει επίσης ο κίνδυνος να αναρροφηθεί αέρας στο σύστημα φρένων.
Μαζί με το σήμα του αισθητήρα πίεσης φρένων αναγνωρίζονται επιβραδύνσεις φρένων.
Ο διακόπτης φώτων φρένων διαθέτει 2 διακόπτες (2-βαθμίδες). Ένα σήμα είναι στη διάθεση του DSC μέσω ενός καλωδίου. Και τα δύο σήματα τα λαμβάνει η μονάδα ελέγχου κινητήρα. Η μονάδα ελέγχου κινητήρα μεταδίδει το σήμα στο PT-CAN. Από τα δύο σήματα η μονάδα ελέγχου DSC αναγνωρίζει, αν πιέζεται το πεντάλ φρένων.

Ευρετήριο |
Επεξήγηση |
Ευρετήριο |
Επεξήγηση |
|---|---|---|---|
1 |
Διακόπτης φώτων φρένων |
2 |
Σύνδεση με φις |
Το Σύστημα Πρόσβασης Αυτοκινήτου (CAS) τροφοδοτεί τον διακόπτη φώτων φρένων με ακροδέκτη Kl. R.
Οι αισθητήρες φθοράς τακακιών φρένων (εμπρός αριστερά και πίσω δεξιά στο εσωτερικό τακάκι) χρησιμοποιούνται ως μια πρόσθετη πληροφορία για το πάχος των τακακιών. Μέσω της πρόσθετης πληροφορίας (2 σημεία αναφοράς) αντισταθμίζεται η τιμή που υπολογίζεται από το DSC.

Ευρετήριο |
Επεξήγηση |
Ευρετήριο |
Επεξήγηση |
|---|---|---|---|
1 |
Δίσκος φρένου |
2 |
Δαγκάνα φρένου |
3 |
Αισθητήρας φθοράς τακακιών φρένων (Παράδειγμα στο πίσω άξονα) |
|
|
Ένα κρίσιμο πάχος τακακιών φρένων απεικονίζεται στο ταμπλό οργάνων μέσω της ένδειξης απαίτησης σέρβις (Condition Based Service CBS) καθώς και στη γενική προειδοποιητική λυχνία φρένων με κόκκινο.
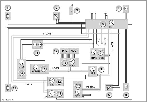
Στο δυναμικό έλεγχο ευστάθειας συμμετέχουν οι παρακάτω μονάδες ελέγχου:
Σε απώλεια ή πρόβλημα του DSC εμφανίζεται στην οθόνη LCD ένα σύμβολο Check-Control. Τα σύμβολα Check-Control έχουν όλα μια συγκεκριμένη σημασία.
Όταν υπάρχει ένα μήνυμα Check-Control εμφανίζεται επιπρόσθετα στην Κεντρική Οθόνη Πληροφοριών (CID) μια σχετική οδηγία αντιμετώπισης.
Το CAS λαμβάνει από το DSC ένα επεξεργασμένο σήμα στροφών. Το CAS αναγνωρίζει από το σήμα, αν το αυτοκίνητο είναι ακίνητο ή κινείται.
Ο διανομέας ρεύματος στα Ηλεκτρονικά Κουτιού Διακλάδωσης τροφοδοτεί με τάση τη μονάδα DSC.
Ακροδέκτης Kl. 30 για την αντλία επιστροφής καθώς και η μαγνητική βαλβίδα.
Ακροδέκτης Kl. 30g για τη μονάδα ελέγχου DSC.

Το γράφημα δείχνει το E70
Ευρετήριο |
Επεξήγηση |
Ευρετήριο |
Επεξήγηση |
|---|---|---|---|
1 |
Αισθητήρας αριθμού στροφών τροχού μπροστά αριστερά |
2 |
Αισθητήρας φθοράς τακακιών εμπρός αριστερά |
3 |
Διακόπτης στάθμης υγρού φρένων |
4 |
Αισθητήρας αριθμού στροφών τροχού μπροστά δεξιά |
5 |
Δυναμικός Έλεγχος Ευστάθειας (DSC) |
6 |
Ψηφιακά Ηλεκτρονικά Κινητήρα ή Ψηφιακά Ηλεκτρονικά Diesel (DME ή DDE) |
7 |
Ηλεκτρονικά Κουτιού Διακλάδωσης (JBE) |
8 |
Αισθητήρας αριθμού στροφών τροχού πίσω δεξιά |
9 |
Αισθητήρας φθοράς τακακιών εμπρός αριστερά |
10 |
Κιβώτιο διανομής (VTG) |
11 |
Αισθητήρας DSC |
12 |
Κέντρο διακοπτών κολόνας τιμονιού (SZL) |
13 |
Αισθητήρας αριθμού στροφών τροχού πίσω αριστερά |
14 |
Σύστημα Πρόσβασης στο Αυτοκίνητο (CAS) |
15 |
Ταμπλό οργάνων (KOMBI) |
16 |
Αυτόματο σύστημα θέρμανσης / κλιματισμού (IHKA) |
17 |
Κέντρο διακοπτών κεντρικής κονσόλας |
18 |
Διακόπτης φώτων φρένων |
F-CAN |
Fahrwerks-CAN |
K-CAN |
K-CAN |
Kl. 30 |
Ακροδέκτης Kl. 30 |
Ακροδέκτης Kl. 30g |
Ακροδέκτης 30g |
PT-CAN |
Powertrain-CAN |
|
|
Οι παρακάτω λειτουργίες συστήματος για το νέο E70 περιγράφονται για το DSC:
Περαιτέρω γνωστές λειτουργίες συστήματος για το DSC είναι:
Επιπρόσθετα είναι ενσωματωμένες οι παρακάτω λειτουργίες, που δεν ανήκουν στον έλεγχο δυναμικής οδήγησης:
Το DTC είναι μια έκδοση του DSC για συγκεκριμένες συνθήκες οδοστρώματος για βελτιστοποιημένη ολίσθηση. Ο Δυναμικός Έλεγχος Πρόσφυσης (DTC) προσφέρει καλύτερη πρόσφυση σε μερικώς μειωμένη οδηγική ευστάθεια και για αυτό χρησιμοποιείται μόνο σε εξαιρετικές περιπτώσεις. Στις παρακάτω εξαιρετικές περιπτώσεις μπορεί να ενεργοποιηθεί σύντομα το DTC:
Η λειτουργία του DTC αντιστοιχεί με αυτή του DSC με κάπως τροποιημένη στρατηγική ρύθμισης. Το DTC μπορεί να ενεργοποιηθεί με απενεργοποίηση του DSC (Πλήκτρο DTC). Το DTC με την επέμβαση των φρένων λειτουργεί σαν ένα συμβατικό μπλοκέ διαφορικό. Έτσι αυξάνει η ροπή κίνησης για τους τροχούς, που στέκονται σε επιφάνεια με υψηλότερη τιμή τριβής.
Πλεονέκτημα: Με το DTC είναι διαθέσιμη μια υψηλότερη πρόσφυση. Οι επεμβάσεις για την ευστάθεια του αυτοκινήτου (π.χ. μείωση της ισχύος του αυτοκινήτου) γίνονται από το DSC κάπως αργότερα. Σε συγκεκριμένες καταστάσεις θα πρέπει ο οδηγός από μόνος του να επέμβει πιο έντονα, ώστε να σταθεροποιήσει το αυτοκίνητό του.
Η πρόωρη εφαρμογή των τακακιών συντομεύει το χρόνο απόκρισης των φρένων. Σε γρήγορο άφημα του πεντάλ γκαζιού (γωνία του πεντάλ γκαζιού) εφαρμόζονται αμέσως τα τακάκια. Το DSC εφαρμόζει μια χαμηλή πίεση φρένων, χωρίς να υπάρχει όμως μια μετρήσιμη επιβράδυνση του αυτοκινήτου. Έτσι αντισταθμίζεται το διάκενο ανάμεσα στα τακάκια και τον δίσκο φρένων. Αν εντός μισού δευτερολέπτου δεν πατηθεί το φρένο, επανέρχεται η προηγούμενη πίεση φρένων. Η πρόωρη εφαρμογή των τακακιών είναι ενεργή για ταχύτητες μεγαλύτερες από 70 km/h.
Το στέγνωμα των φρένων απομακρύνει την υγρασία, που επικάθεται κατά την οδήγηση σε βρεγμένο δρόμο ή βροχή. Για να γίνει αυτό εφαρμόζουν ελαφρά τα τακάκια στο δίσκο. Με αυτή τη λειτουργία συντομεύεται ο χρόνος απόκρισης των φρένων. Ανάλογα με το σήμα του αισθητήρα βροχής ή της θέσης του διακόπτη υαλοκαθαριστήρων το DSC παράγει κυκλικά μια χαμηλή πίεση φρένων. Έτσι δεν προκαλείται μια μετρήσιμη επιβράδυνση του αυτοκινήτου. Τα τακάκια εφαρμόζονται κυκλικά. Έτσι σκουπίζονται τα δισκόφρενα τακτικά. Πόσο συχνά και με τι διάρκεια εφαρμόζονται τα τακάκια εξαρτάται από:
Εξασθένιση σημαίνει: Η απόδοση των φρένων εξαιτίας υψηλών θερμοκρασιών στα δισκόφρενα μειώνεται. Ως αντίδραση μιας αναγνωρισμένης εξασθένισης το DSC αυξάνει την πίεση φρένων με την οποία ο οδηγός δίνει. Σε πολύ υψηλές θερμοκρασίες φρένων εμφανίζεται μέσω της αντιστάθμισης εξασθένισης:
Το DSC αναγνωρίζει την εξασθένιση ως εξής: Το DSC συγκρίνει την τρέχουσα επιβράδυνση του αυτοκινήτου με μια ονομαστική τιμή που προκύπτει από την τρέχουσα πίεση φρένων. Το DSC αυξάνει την πίεση φρένων τόσο, ώστε να επιτευχθεί η ονομαστική τιμή επιβράδυνσης ή μέχρι όλοι οι τροχοί να βρίσκονται σε ρύθμιση ABS. Η διαδικασία τερματίζεται, όταν δεν πιέζεται πλέον το πεντάλ φρένων ή όταν η ταχύτητα έχει πέσει κάτω από όριο.
Κατά το ξεκίνημα σε δρόμο με κλίση απαιτείται μια αλλαγή από το πεντάλ φρένων στο πεντάλ γκαζιού. Η Βοήθεια ξεκινήματος εμποδίζει την κύλιση του αυτοκινήτου στις παρακάτω συνθήκες:
Στην περίπτωση αυτή εφαρμόζεται η απαιτούμενη πίεση φρένων για να συγκρατεί το αυτοκίνητο. Η κλίση του δρόμου υπολογίζεται στη μονάδα ελέγχου DSC μέσω του αισθητήρα διαμήκους επιτάχυνσης. Από την κλίση του δρόμου υπολογίζεται η απαιτούμενη ροπή φρεναρίσματος ή ροπή του κινητήρα. Μετά την αναγνώριση της επιθυμίας για ξεκίνημα παύει η πίεση φρένων, μόλις η ροπή του κινητήρα είναι αρκετή να κινήσει το αυτοκίνητο προς την επιθυμητή κατεύθυνση. Με την εφαρμογή του χειρόφρενου απενεργοποιείται η βοήθεια ξεκινήματος. Αν μετά το άφημα του πεντάλ φρένων μέσα σε περίπου 2 δευτερόλεπτα δεν υπάρξει καμία επιθυμία για ξεκίνημα, η βοήθεια ξεκινήματος απενεργοποιείται και πάλι.
Η ρύθμιση ταχύτητας με λειτουργία φρεναρίσματος είναι ενσωματωμένη λειτουργικά στο DSC. Η ρύθμιση ταχύτητας διατηρεί την ταχύτητα σταθερή μεταξύ 30 km/h και 250 km/h.
Σε σύγκριση με την προηγούμενη ρύθμιση ταχύτητας υπάρχουν οι παρακάτω πρόσθετες λειτουργίες:
Το EMF είναι ένα φρένο ακινητοποίησης.
Με τον κινητήρα σε λειτουργία το DSC εφαρμόζει υδραυλικά τη δύναμη ακινητοποίησης.
Με σβησμένο κινητήρα το EMF εφαρμόζει τη δύναμη μηχανικά μέσω μια μονάδας ρύθμισης.
Το σύστημα αντιμπλοκαρίσματος φρένων (ABS) εμποδίζει το μπλοκάρισμα των τροχών κατά το φρενάρισμα. Πλεονέκτημα: Μικρότερη απόσταση φρεναρίσματος, το αυτοκίνητο διατηρεί την πορεία του και μπορεί να στρίψει. Η πίεση φρένων σε όλους τους τροχούς ρυθμίζεται κατά τέτοιο τρόπο, ώστε κάθε τροχός να κινείται στη βέλτιστη περιοχή ολίσθησης. Έτσι η ολίσθηση ελέγχεται με τέτοιο τρόπο, ώστε να μπορεί να δέχεται τις μέγιστες δυνατές δυνάμεις φρεναρίσματος και πλευρικές δυνάμεις.
Η ηλεκτρονική κατανομή δύναμης πέδησης (EBV) είναι ένα εξάρτημα του ABS. Το EBV ρυθμίζει την κατανομή δύναμης πέδησης ανάμεσα στον εμπρός και τον πίσω άξονα ανάλογα με το φορτίο. Πλεονέκτημα: Ανεξάρτητα από το φορτίο επιτυγχάνονται οι βέλτιστες αποστάσεις φρεναρίσματος και συγχρόνως μέγιστη οδηγική ευστάθεια. Η φθορά των τακακιών κατανέμεται καλύτερα. Σε περίπτωση βλάβης του ABS η λειτουργία EBV παραμένει όσο γίνεται περισσότερη ενεργή. Για τη λειτουργία EBV απαιτούνται τα σήματα από τουλάχιστον 2 αισθητήρες στροφών τροχού ανά άξονα.
Ο Έλεγχος Φρεναρίσματος σε Στροφή (CBC) είναι μια περαιτέρω εξέλιξη του ABS. Το CBC αυξάνει την οδηγική ευστάθεια κατά το φρενάρισμα σε στροφές (”Λογική Στροφών”). Πλεονέκτημα: Βελτιστοποίηση της οδηγικής ευστάθειας σε μερικό φρενάρισμα κατά την κίνηση σε στροφή. Η μετατόπιση των φορτίων των τροχών κατά την οδήγηση σε στροφή (ήδη σε ελαφρύ φρενάρισμα) μπορεί να έχει ως αποτέλεσμα την μείωση της οδηγικής ευστάθειας. Το CBC δημιουργεί όταν απαιτείται σε ελαφρό φρενάρισμα εκτός των ορίων επέμβασης του ABS μια σταθεροποιητική αντίθετη ροπή.
Ο έλεγχος ροπής κινητήρα (MSR) εμποδίζει το μπλοκάρισμα των κινητήριων τροχών σε ολισθηρό οδόστρωμα. Κατά το κατέβασμα ταχύτητας ή με απότομη αλλαγή φορτίου (ιδιαίτερα σε οδοστρώματα με χαμηλό συντελεστή πρόσφυσης) υπάρχει ο κίνδυνος να μπλοκάρουν οι κινητήριοι τροχοί από την ροπή του κινητήρα. Μέσω των αισθητήρων στροφών τροχών το MSR αναγνωρίζει την τάση μπλοκαρίσματος ήδη από το ξεκίνημά της. Το MSR μειώνει για λίγο τη ροπή του κινητήρα δίνοντας ελαφρό γκάζι. Πλεονέκτημα: Οι κινητήριοι τροχοί διατηρούν ακόμη και σε υπέρβαση του ορίου τις πλευρικές δυνάμεις τους.
Ο αυτόματος έλεγχος ευστάθειας (ASC) εμποδίζει το σπινάρισμα των τροχών κατά την επιτάχυνση με επέμβαση στα φρένα και στον κινητήρα. Πλεονέκτημα: Περισσότερη πρόσφυση και καλύτερη οδηγική ευστάθεια. Όταν οι τροχοί του κινητήριου άξονα έχουν διαφορετική πρόσφυση, φρενάρεται ο τροχός με τείνει να δημιουργήσει την επιτόπου περιστροφή. Ενδεχομένως μειώνεται και η ισχύς του κινητήρα.
Η τρέχουσα οδηγική κατάσταση του αυτοκινήτου αναγνωρίζεται με αξιολόγηση των σημάτων των αισθητήρων από τον δυναμικό έλεγχο ευστάθειας (DSC). Αυτή η οδηγική κατάσταση συγκρίνεται με ονομαστικές τιμές που υπολογίζονται μέσω ενός υπολογιστικού μοντέλου. Έτσι τυχόν ασταθείς καταστάσεις αναγνωρίζονται ήδη από το ξεκίνημά τους. Σε αποκλίσεις οι οποίες υπάρχουν από τις αποθηκευμένες στη μονάδα ελέγχου DSC όρια ρύθμισης σταθεροποιείται το αυτοκίνητο. Η σταθεροποίηση του αυτοκινήτου (εντός των ορίων της φυσικής) γίνεται με μείωση της ισχύος του κινητήρα και με ανεξάρτητο φρενάρισμα σε μεμονωμένους τροχούς. Οι επεμβάσεις του DSC υπερκαλύπτουν τις λειτουργίες ABS και ASC. Η λειτουργία του DSC απενεργοποιείται μέσω ενός πλήκτρου. Το R56 δεν έχει δυναμικό έλεγχο πρόσφυσης (DTC).
Ο Δυναμικός Έλεγχος Φρεναρίσματος (DBC) υποστηρίζει καταστάσεις φρεναρίσματος ανάγκης, ενισχύοντας αυτόματα την πίεσης φρεναρίσματος. Πλεονέκτημα: Συντομότερες δυνατές αποστάσεις φρεναρίσματος σε καταστάσεις φρεναρίσματος ανάγκης επιτυγχάνοντας την επέμβαση ABS και στους 4 τροχούς. Σε καταστάσεις φρεναρίσματος ανάγκης πολύ συχνά δεν πιέζεται το πεντάλ φρένων με αρκετή δύναμη. Έτσι δεν επιτυγχάνεται η περιοχή επέμβασης τους ABS. Η αντλία επιστροφής φτάνει τα φρένα ανεβάζοντας την πίεση φρένων στην περιοχή επέμβασης του ABS στις παρακάτω καταστάσεις:
Ο Δυναμικός Έλεγχος Ευστάθειας (DSC) δίνει την ονομαστική τιμή για τη ρύθμιση της τετρακίνησης στο xDrive. Η μονάδα ελέγχου DSC υπολογίζει τη ροπή σύμπλεξης του πολύδισκου συμπλέκτη στο κιβώτιο διανομής. Η ονομαστική τιμή εξαρτάται από τις τάσεις για υπερστροφή ή υποστροφή του αυτοκινήτου και της ολίσθησης των τροχών. Η ονομαστική τιμή μεταδίδεται από το PT-CAN στη μονάδα ελέγχου VTG. Η μονάδα ελέγχου VTG μεταδίδει την πραγματικά ρυθμισμένη ροπή σύμπλεξης πίσω στη μονάδα ελέγχου DSC. Η μονάδα ελέγχου DSC υπολογίζει τη ροπή σύμπλεξης του πολύδισκου συμπλέκτη ως εξής:
Ο Έλεγχος Κατάβασης Κατωφερειών (HDC) είναι μια αυτόματη ρύθμιση ταχύτητας για την κατάβαση κατωφερειών σε τετρακίνητα αυτοκίνητα. Το HDC μπορεί να ενεργοποιηθεί και να απενεργοποιηθεί από το κέντρο διακοπτών μεσαίας κονσόλας. Το HDC μειώνει αυτόματα την ταχύτητα του αυτοκινήτου. Η ταχύτητα του αυτοκινήτου μειώνεται μέσω επεμβάσεων των φρένων και στους τέσσερις τροχούς ώστε να μειωθεί μέχρι περίπου ταχύτητα βηματισμού. Έτσι προκύπτει μια σταθερή κατάβαση κατωφέρειας σε ολισθηρά και απότομα εδάφη. Το HDC διατηρεί την ταχύτητα αυτή σταθερή (η λειτουργίες DSC παραμένουν ενεργές). Με το πεντάλ γκαζιού και το πεντάλ φρένων ή τον μοχλό κολόνας τιμονιού για τη ρύθμιση ταχύτητας μπορεί να μεταβληθεί η ταχύτητα αδιαβάθμητα εντός προκαθορισμένων τιμών. Από κατασκευής το κάτω ελεύθερα προγραμματιζόμενο πλήκτρο στο τιμόνι πολλαπλών λειτουργιών έχει προεπιλεχθεί για το HDC.
Ο έλεγχος ευστάθειας ρυμουλκούμενου αναγνωρίζει τις ταλαντεύσεις ενός ρυμουλκούμενου ως προς τον κάθετο άξονα. Το σύστημα λειτουργία από μια ταχύτητα περίπου 65 km/h με συνδεδεμένο το φις ρυμουλκούμενου. Ο Δυναμικός Έλεγχος Ευστάθειας (DSC) επιτηρεί με τη βοήθεια των αισθητήρων DSC την στροφορμή του αυτοκινήτου. Όταν κατά την ταλάντευση γίνει υπέρβαση της οριακής τιμής, μειώνεται η ισχύς του κινητήρα. Επιπλέον το DSC φρενάρει αυτόματα και τους 4 τροχούς. Σε απενεργοποιημένο ή με βλάβη DSC τίθεται εκτός και ο έλεγχος ευστάθειας ρυμουλκούμενου.
Η Ένδειξη Βλάβης Ελαστικού (RPA) δεν αποτελεί λειτουργία ελέγχου αναρτήσεων. Το RPA είναι ενσωματωμένο στη μονάδα ελέγχου DSC, αφού για τη λειτουργία αυτή απαιτούνται 4 σήματα στροφών τροχών. Το σύστημα συγκρίνει μέσω των 4 στροφών τροχών μια απόκλιση στις περιφέρειες των μεμονωμένων τροχών. Έτσι αναγνωρίζεται μια απώλεια πίεσης ελαστικού.
Η Ένδειξη Βλάβης Ελαστικών μπορεί να αρχικοποιηθεί ως εξής:
Το CBS δεν αποτελεί λειτουργία ελέγχου αναρτήσεων. Condition Based Service σημαίνει ”σέρβις ανάλογα με τις απαιτήσεις”. Στο CBS είναι ενσωματωμένα διάφορα σημεία συντήρησης, π.χ. λάδια κινητήρα, μπουζί και τακάκια φρένων. Στη μονάδα ελέγχου DSC υπολογίζεται η υπολειπόμενη απόσταση για τα εμπρός και τα πίσω τακάκια ξεχωριστά. Για τον υπολογισμό λαμβάνεται υπόψη και η κατάσταση των αισθητήρων φθοράς τακακιών (όριο στα 6 mm και 4 mm).
Προσοχή! Αντικατάσταση μονάδας ελέγχου DSC.
Κατά την αντικατάσταση της μονάδας ελέγχου DSC πρέπει να προσέξετε τις οδηγίες επισκευής (Απαραίτητο ειδικό εργαλείο).
Στο σύστημα διάγνωσης BMW είναι διαθέσιμη η παρακάτω λειτουργία σέρβις:
Μετά από μια αντικατάσταση πρέπει να κωδικοποιηθεί η μονάδα ελέγχου DSC.
Μετά από κάθε εκκίνηση του κινητήρα το DSC είναι σε ετοιμότητα λειτουργίας.
Με κάθε επιφύλαξη για τυπογραφικά λάθη, σφάλματα και τεχνικές αλλαγές.