Οδηγία! SA 5DF ανάλογα με την έκδοση χώρας μόνο σε συνδυασμό με συγκεκριμένους προαιρετικούς εξοπλισμούς.
Η ενεργή ρύθμιση ταχύτητας με λειτουργία Stop&Go είναι προς το παρόν διαθέσιμη μόνο με SA 205 ”Αυτόματο κιβώτιο ταχυτήτων” ή με SA 2TB ”Σπορ αυτόματο κιβώτιο”.
Σε ορισμένες αγορές προσφέρεται το ACC εξαιτίας περιορισμών στην έγκριση τύπου χωρίς λειτουργία Stop&Go.
Το ACC χωρίς λειτουργία Stop&Go ξεχωρίζει από το ότι δεν έχει αισθητήρες μικρής εμβέλειας.
Στην Ευρώπη ο εξοπλισμός SA 5DF διατίθεται μόνο σε συνδυασμό με σύστημα πλοήγησης. Αιτία: Νομικές προδιαγραφές προβλέπουν την απενεργοποίηση κοντά σε ραδιοαστρονομικούς σταθμούς.

Ευρετήριο |
Επεξήγηση |
Ευρετήριο |
Επεξήγηση |
|---|---|---|---|
1 |
Μεσαίος άξονας του αισθητήρα μικρής εμβέλειας αριστερά |
2 |
Διαμήκης άξονας αυτοκινήτου |
3 |
Μεσαίος άξονας του αισθητήρα μεγάλης εμβέλειας |
4 |
Μεσαίος άξονας του αισθητήρα μικρής εμβέλειας δεξιά |
5 |
Αισθητήρας μεγάλης εμβέλειας με βάση |
6 |
Αισθητήρας μικρής εμβέλειας δεξιά με βάση |
7 |
Φορέας του προφυλακτήρα |
8 |
Αισθητήρας μικρής εμβέλειας αριστερά με βάση |
Λάβετε υπόψη τις παρακάτω υποδείξεις στο σέρβις:
Το παρακάτω κείμενο περιγράφει τη νέα ενεργή ρύθμιση ταχύτητας με λειτουργία Stop&Go (Προαιρετικός εξοπλισμός 5DF).
Η ενεργή ρύθμιση ταχύτητας με λειτουργία Stop&Go είναι μια διεύρυνση της μέχρι τώρα γνωστής ενεργής ρύθμισης ταχύτητας (ACC).
Ως συμπλήρωση στη γνωστή ενεργή ρύθμιση ταχύτητα επιτρέπει τη λειτουργία Stop&Go:
Η επιθυμητή ταχύτητα μπορεί να επιλεχθεί σε μια περιοχή από 30 km/h έως 180 km/h: σε άνετα βήματα των 10 ή πιο λεπτομερή του 1. Η επιθυμητή ταχύτητα απεικονίζεται διαρκώς στο ταμπλό οργάνων. Περαιτέρω υπάρχει η δυνατότητα για επιλογή ανάμεσα σε 4 αποστάσεις.
Με το νέο προαιρετικό εξοπλισμό έρχεται και ένας νέος υποδίαυλος: CAN-Αισθητήρα (S-CAN).
Περιγράφονται τα παρακάτω εξαρτήματα του ACC:
Οι αισθητήρες μικρής εμβέλειας είναι αισθητήρες ραντάρ (Short Range Radar).
Για το ACC με λειτουργία Stop&Go είναι τοποθετημένοι 2 ίδιοι αισθητήρες μικρής εμβέλειας. Οι αισθητήρες κοντινής περιοχής είναι προσαρμοσμένοι στον εμπρός φορέα προφυλακτήρα με μια βάση από πλαστικό.

Ευρετήριο |
Επεξήγηση |
Ευρετήριο |
Επεξήγηση |
|---|---|---|---|
1 |
Αισθητήρας μικρής εμβέλειας |
2 |
Στήριγμα |
Οι αισθητήρες μικρής εμβέλειας συνδέονται μέσω του CAN-Αισθητήρα (S-CAN) με τη μονάδα ελέγχου LDM.
Οι αισθητήρες μικρής εμβέλειας έχουν ως καθήκον:
Τα δεδομένα αντικειμένων των αισθητήρων μικρής εμβέλειας χρησιμοποιούνται μόνο από το ACC με λειτουργία Stop&Go (όχι για την προσαρμοζόμενη υποβοήθηση φρένων).
LRR είναι τα αρχικά του Long Range Radar.

Ευρετήριο |
Επεξήγηση |
Ευρετήριο |
Επεξήγηση |
|---|---|---|---|
1 |
Αισθητήρας μεγάλης εμβέλειας |
2 |
Στήριγμα |
Ο αισθητήρας μεγάλης εμβέλειας (ο προηγούμενος αισθητήρας ACC) είναι ένας αισθητήρας ραντάρ. Ταυτόχρονα ο αισθητήρας μεγάλης εμβέλειας είναι και μια μονάδα ελέγχου. Έτσι ο αισθητήρας μεγάλης εμβέλειας έχει μια διεύθυνση μονάδας ελέγχου και είναι ικανός για διάγνωση και προγραμματισμό.
Ένας αισθητήρας μεγάλης εμβέλειας ανιχνεύει την απόσταση, τη γωνία καθώς και την ταχύτητα κινούμενων αντικειμένων. Η περιοχή κάλυψης φτάνει τα 150 μέτρα εμπρός από το αυτοκίνητο. Στη μονάδα ελέγχου LDM (Διαχείριση Διαμήκους Δυναμικής) γίνεται επεξεργασία αυτών των δεδομένων.
Η μονάδα ελέγχου για τη Διαχείριση Διαμήκους Δυναμικής είναι τοποθετημένη σε έναν φορέα συσκευών πίσω από το ντουλαπάκι.

Ευρετήριο |
Επεξήγηση |
Ευρετήριο |
Επεξήγηση |
|---|---|---|---|
1 |
Φορέας μονάδων |
2 |
Μονάδα ελέγχου LDM |
Για το ACC με λειτουργία Stop&Go η μονάδα ελέγχου LDM αναλαμβάνει τα παρακάτω καθήκοντα:
Οι μονάδες ελέγχου LRR και LDM τροφοδοτούνται από τη μονάδα ελέγχου CAS με μια γραμμή Wake-up, η οποία δεν συμπλέκεται ηλεκτρικά με την υπόλοιπη γραμμή Wake-up. Η λύση αυτή επιλέχθηκε γιατί οι αισθητήρες μεγάλης εμβέλειας βρίσκονται σε μια περιοχή που κινδυνεύει σε ατύχημα (εμπρός μέρος αυτοκινήτου). Αν σε περίπτωση ενός ατυχήματος γινόταν ζημιά στη γραμμή Wake-up του LRR (π.χ. βραχυκύκλωμα με τη γείωση), με αυτή τη λύση περιορίζονται οι συνέπειες στις άλλες μονάδες ελέγχου.
Ο νέος δίαυλος CAN Αισθητήρα (S-CAN) συνδέει:
Ο δίαυλος S-CAN ήταν απαραίτητος εξαιτίας του μεγάλου μεγέθους των δεδομένων από τους αισθητήρες ραντάρ.
Αυτό το μέγεθος δεδομένων θα ξεπερνούσε την ελεύθερη χωρητικότητα μετάδοσης των διαθέσιμων συστημάτων διαύλων.

Ευρετήριο |
Επεξήγηση |
Ευρετήριο |
Επεξήγηση |
|---|---|---|---|
1 |
Αισθητήρας μικρής εμβέλειας αριστερά |
2 |
Αισθητήρα μεγάλης εμβέλειας (LRR) |
3 |
Αισθητήρας μικρής εμβέλειας δεξιά |
4 |
Δυναμικός Έλεγχος Ευστάθειας (DSC) |
5 |
Ψηφιακά Ηλεκτρονικά Κινητήρα (DME) ή Ψηφιακά Ηλεκτρονικά Diesel (DDE) |
6 |
Διαχείριση διαμήκους δυναμικής (LDM) |
7 |
Ασφάλεια στο χώρο αποσκευών |
8 |
CAS (Σύστημα Πρόσβασης στο Αυτοκίνητο): |
9 |
Car Communication Computer (CCC) και Έλεγχος Πολλαπλού Ηχοσυστήματος (M-ASK) |
10 |
Μονάδα πύλης αμαξώματος (KGM) |
11 |
Επαφή της πόρτας του οδηγού |
12 |
Ηλεκτρονικός έλεγχος κιβωτίου ταχυτήτων (EGS) |
13 |
Κέντρο διακοπτών κολόνας τιμονιού (SZL) |
14 |
Μονάδα φώτων (LM) |
15 |
Ταμπλό οργάνων (KOMBI) |
16 |
Εξελιγμένη Μονάδα Προστασίας Σύγκρουσης (ACSM) |
17 |
Επαφή αγκράφας ζώνης ασφαλείας |
18 |
Πλέγμα κατάληψης θέσης |
Χαρακτηριστικά του διαύλου CAN-Αισθητήρα:
Περιγράφονται οι παρακάτω λειτουργίες συστήματος:
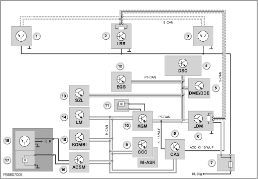
Για τη λειτουργία Stopp&Go είναι απαραίτητη μια πολύπλοκη σύνδεση συστήματος με κατανεμημένη λειτουργία με περαιτέρω μονάδες ελέγχου. Η μονάδα ελέγχου LDM συνδέεται μέσω διαύλων δεδομένων με αυτές τις περαιτέρω μονάδες ελέγχου.

Ευρετήριο |
Επεξήγηση |
Ευρετήριο |
Επεξήγηση |
|---|---|---|---|
1 |
Αισθητήρα μεγάλης εμβέλειας (LRR) |
2 |
Αισθητήρας μικρής εμβέλειας αριστερά |
3 |
Αισθητήρας μικρής εμβέλειας δεξιά |
4 |
Κέντρο διακοπτών κολόνας τιμονιού (SZL) |
5 |
Μονάδα πύλης αμαξώματος (KGM) |
6 |
Ταμπλό οργάνων (KOMBI) |
7 |
Δυναμικός Έλεγχος Ευστάθειας (DSC) |
8 |
Ηλεκτρονικός έλεγχος κιβωτίου ταχυτήτων (EGS) |
9 |
Ψηφιακά Ηλεκτρονικά Κινητήρα (DME) ή Ψηφιακά Ηλεκτρονικά Diesel (DDE) |
10 |
Διαχείριση διαμήκους δυναμικής (LDM) |
Για τη συνολική λειτουργία είναι δικτυομένες οι παρακάτω μονάδα ελέγχου:
Ηλεκτρονική μονάδα ελέγχου |
Λειτουργία |
|---|---|
DME ή DDE: Έλεγχος κινητήρα |
Μετατροπή της απαίτησης ροπής Σήμα ”Κινητήρας σε λειτουργία” |
DSC: Δυναμικός Έλεγχος Ευστάθειας |
Κατάσταση οδήγησης Εφαρμογή επέμβασης στα φρένα |
SZL: Κέντρο Διακοπτών Κολόνας Τιμονιού |
Μοχλός χειρισμού Γωνία διεύθυνσης Οδήγηση για τις κόρνες |
CCC, M-ASK: Σύστημα πλοήγησης |
Δεδομένα από το σύστημα πλοήγησης (Επίδραση στα μεγέθη ρύθμισης) |
KOMBI: Ταμπλό οργάνων |
Απεικόνιση των ενδείξεων (ACC και μηνύματα Check-Control) |
EGS: Μονάδα ελέγχου κιβωτίου ταχυτήτων |
Θέση οδήγησης |
CAS: Σύστημα Πρόσβασης Αυτοκινήτου |
Κατάσταση ακροδεκτών Kl. και γραμμή Wake-up |
KGM: Μονάδα Πύλης Αμαξώματος |
Επαφή πόρτας (Πρόθεση αποβίβασης οδηγού) |
AHM: Μονάδα Ρυμουλκομένου |
Αναγνώριση λειτουργίας ρυμούλκησης |
ACSM. Μονάδα Ασφαλείας Σύγκρουσης |
Κατάληψη θέσης οδηγού (Πρόθεση αποβίβασης οδηγού) Επαφή ζώνης ασφαλείας (Πρόθεση αποβίβασης οδηγού) |
RLS: Αισθητήρας βροχής/φώτων οδήγησης |
Κατάσταση οδοστρώματος (βρεγμένο) |
SZM: Κέντρο διακοπτών κεντρικής κονσόλας |
Πλήκτρο DTC |
LM: Μονάδα φώτων |
Έλεγχος φώτων αλάρμ |
Η προσαρμοζόμενη υποβοήθηση φρένων είναι μια λειτουργία του DSC. Η μονάδα ελέγχου LDM είναι η Πύλη του S-CAN με το PT-CAN.
Τη μεγαλύτερη χρήση προσφέρει η προσαρμοζόμενη υποβοήθηση φρένων σε καταστάσεις φρεναρίσματος ανάγκης. Όταν ο οδηγός του προπορευόμενου αυτοκινήτου φρενάρει έντονα, ο αισθητήρας μεγάλης εμβέλειας αναγνωρίζει αυτή την κατάσταση.
Η υποβοήθηση φρένων υποστηρίζει έτσι τη διαδικασία φρεναρίσματος, ώστε να πραγματοποιηθεί βέλτιστα τη διαδικασία φρεναρίσματος και να αποφευχθεί ένα ατύχημα.
Για αυτό είναι διαθέσιμες οι παρακάτω λειτουργίες:
Η προσαρμοζόμενη υποβοήθηση φρένων είναι πάντα ενεργοποιημένη με ενεργό ACC.
Η προσαρμοζόμενη υποβοήθηση φρένων είναι διαθέσιμη και σε ACC χωρίς λειτουργία Stop&Go.
Αν επιτευχθούν τα όρια λειτουργίας του ACC, τότε το σύστημα μπορεί να παρουσιάσει μία συμπεριφορά, την οποία ο οδηγός δεν θα είναι σε θέση να την εξηγήσει. Στη συνέχεια περιγράφονται τέτοιες καταστάσεις
Με κάθε επιφύλαξη για τυπογραφικά λάθη, σφάλματα και τεχνικές αλλαγές.