Η Κεντρική Επικεφαλής Μονάδα και η Πλατφόρμα Πολυμέσων (CHAMP) είναι μια πλατφόρμα πολυμέσων στο αυτοκίνητο. Το CHAMP ανήκει στο βασικό εξοπλισμό (Ραδιόφωνο Business ή SA 663: Ραδιόφωνο BMW Professional).
Στην έκδοση EURO τοποθετείται η επόμενη γενιά του Ελέγχου Πολλαπλού Ηχοσυστήματος (M-ASK).
Το CHAMP σε αντίθετη με το M-ASK δεν διαθέτει κανένα σύστημα πλοήγησης.
Τα παρακάτω στοιχεία στο CHAMP είναι καινούργια:
Περιγράφονται τα παρακάτω εξαρτήματα του CHAMP:
Το CHAMP είναι η Πύλη (Headunit) για τον δίαυλο MOST-Bus και το K-CAN.

Ευρετήριο |
Επεξήγηση |
Ευρετήριο |
Επεξήγηση |
|---|---|---|---|
1 |
6 πλήκτρα αγαπημένων |
2 |
Πλήκτρα για τη λειτουργία FM και τη λειτουργία AM (πάγιο στην έκδοση ΗΠΑ) |
3 |
Πλήκτρο MODE |
4 |
Κεντρική Επικεφαλή Μονάδα και Πλατφόρμα Πολυμέσων (CHAMP) |
Πολλές μονάδες ελέγχου και το drive είναι ενσωματωμένα σε ένα ξεχωριστό περίβλημα. Το CHAMP έχει δομική μορφή: Στο CHAMP οι περιοχές λειτουργίας έχουν συμπεριληφθεί σε ”εικονικές” μονάδες ελέγχου. ”Εικονικό” σημαίνει: Παρόλο που οι μεμονωμένες μονάδες ελέγχου στο CHAMP είναι ενοποιημένες, λειτουργούν σαν ”ξεχωριστές” μονάδες ελέγχου (π.χ. κατά τον προγραμματισμό).
Για τη διάγνωση διακρίνονται οι παρακάτω ”εικονικές” μονάδες ελέγχου:
Μια ηλεκτρική φτερωτή για την ψύξη των τελικών βαθμίδων ήχου και των επεξεργαστών βρίσκεται στην πίσω πλευρά του DIN περιβλήματος ραδιοφώνου.
Τα πλήκτρα αγαπημένων είναι προγραμματιζόμενα πλήκτρα.
Τα πλήκτρα αγαπημένων επιτρέπουν την αποθήκευση των παρακάτω λειτουργιών για μια γρήγορη πρόσβαση (ανάλογα με τον προαιρετικό εξοπλισμό):

Ευρετήριο |
Επεξήγηση |
Ευρετήριο |
Επεξήγηση |
|---|---|---|---|
1 |
Οδηγός CD |
2 |
Τα πλήκτρα αγαπημένων |
Στα πλήκτρα αγαπημένων υπάρχει ένας αισθητήρας χωρητικότητας, που αντιδρά στο άγγιγμα.
Η αντιστοίχηση όλων των πλήκτρων αγαπημένων μπορεί να διαγραφεί από το μενού ”Ρυθμίσεις” -> ”Αυτοκίνητο”. Η αντιστοίχηση των πλήκτρων αγαπημένων αναφέρεται λεπτομερώς στις οδηγίες λειτουργίας.
Το CID είναι μια κεντρική γραφική μονάδα ενδείξεων. Το μέγεθος της έγχρωμης οθόνης είναι 6,5”.

Ευρετήριο |
Επεξήγηση |
Ευρετήριο |
Επεξήγηση |
|---|---|---|---|
A |
Εμπρός πλευρά |
B |
Πίσω πλευρά |
1 |
Κεντρική Οθόνη Πληροφοριών (CID) |
2 |
Σύνδεση φις για τη γραμμή δεδομένων LVDS |
3 |
Σύνδεση φις για τον δίαυλο CAN-Bus και την τροφοδοσία |
|
|
Η Κεντρική Οθόνη Πληροφοριών συνδέεται μέσω μιας γραμμής δεδομένων LVDS (Low Voltage Differential Signaling) στο CHAMP. Η γραμμή δεδομένων LVDS είναι μια τεχνολογία, μέσω της οποίας τα δεδομένα γραφικών μεταδίδονται με ασφάλεια μέσω μεγάλων διαδρομών. Για τη γραμμή δεδομένων LVDS έχει εξελιχθεί μια ξεχωριστή σύνδεση φις.
Το CID συνδέεται επίσης στο K-CAN.
Το CID διαθέτει ένα φωτοτρανζίστορ για τη ρύθμιση φωτεινότητας της οθόνης LCD (σε εξάρτηση από την ένταση φωτισμού περιβάλλοντος). Η οθόνη LCD θερμαίνεται.
Το Κεντρικό Χειριστήριο μεταδίδει τα μηνύματα για την επιλογή των μενού και των υπομενού. Τα υπομενού επιλέγονται μέσω περιστροφής και/ή μετατόπισης του Κεντρικού Χειριστηρίου. Μόλις αφήνουμε το Κεντρικό Χειριστήριο αυτό επανέρχεται πίσω στη θέση ηρεμίας.

Ευρετήριο |
Επεξήγηση |
Ευρετήριο |
Επεξήγηση |
|---|---|---|---|
1 |
Κεντρικό Χειριστήριο |
2 |
Πλήκτρο ΜΕΝΟΥ: |
3 |
Πλήκτρο Push-toTalk |
4 |
Σύνδεση φις στο Κεντρικό Χειριστήριο |
Πίσω από το Κεντρικό Χειριστήριο βρίσκεται το πλήκτρο MENU και το πλήκτρο Push-to-Talk. Με το πλήκτρο MENU μπορεί να ανακληθεί το μενού έναρξης στην Κεντρική Οθόνη Πληροφοριών. Με το πλήκτρο Push-to-Talk μπορεί να ξεκινήσει ο φωνητικός έλεγχος.
Το Κεντρικό Χειριστήριο συνδέεται στο K-CAN. Τον ακροδέκτη Kl 58g τον λαμβάνει το Κεντρικό Χειριστήριο μέσω του K-CAN.
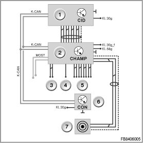
Περιγράφονται οι παρακάτω λειτουργίες του CHAMP:

Ευρετήριο |
Επεξήγηση |
Ευρετήριο |
Επεξήγηση |
|---|---|---|---|
1 |
Κεντρική Οθόνη Πληροφοριών (CID) |
2 |
Κεντρική Επικεφαλή Μονάδα και Πλατφόρμα Πολυμέσων (CHAMP) |
3 |
προς τη διαφορική λήψη κεραιών |
4 |
προς τη διαφορική λήψη κεραιών |
5 |
προς τα ηχεία |
6 |
Κεντρικό Χειριστήριο (CON) |
7 |
Σύνδεση AUX-In |
|
|
K-CAN |
K-CAN |
Ακροδέκτης Kl. 30g |
Ακροδέκτης Kl. 30 ενεργοποιημένος |
Ακροδέκτης Kl. 30g_f |
Ακροδέκτης Kl. 30 απενεργοποιημένος σε περίπτωση βλάβης του MOST |
Kl. 58g |
Φωτισμός επισήμανσης |
MOST |
Media Oriented System Transport (αγωγός οπτικών ινών) |
|
|
Το CHAMP έχει έναν διπλό δέκτη για AM/FM. Κατά τη διάρκεια που ο δέκτης 1 λαμβάνει τον επιθυμητό ραδιοσταθμό, ο δέκτης 2 εργάζεται στο παρασκήνιο. Ο δέκτης 2 αναζητά στην περιοχή του δέκτη για πρόσθετα σήματα. Όταν ο ραδιοσταθμός εκπέμπει ένα ισχυρό σήμα σε μια άλλη συχνότητα, αλλάζει αυτόματα σε αυτή την εναλλακτική συχνότητα. Και οι δύο δέκτες λαμβάνουν πληροφορίες από το Radio-Data-System (RDS) που εκπέμπονται μαζί με το σήμα εκπομπής του σταθμού FM. Όταν είναι ρυθμισμένος ένας ραδιοσταθμός AM, μπορούν να ληφθούν οι κυκλοφοριακές ανακοινώσεις RDS από έναν ραδιοσταθμό FM. Όταν γίνεται λήψη μιας κυκλοφοριακής ανακοίνωσης, γίνεται αποσιώπηση του ραδιοσταθμού ΑΜ και μεταδίδεται το μήνυμα μέσω των ηχείων.
Το CHAMP ως έλεγχος ηχοσυστήματος έχει τις παρακάτω λειτουργίες:
Η μονάδα ελέγχου επιφάνεια χειρισμού CHAMP (CHAMP-BO) επεξεργάζεται τα σήματα του Κεντρικού Χειριστηρίου: π.χ. επιλογή των μενού και υπομενού. Επιπλέον το CHAMP-BO ελέγχει τις εξόδους για τις ενδείξεις στην Κεντρική Οθόνη Πληροφοριών (CID). Τα δεδομένα για τα γραφικά που βρίσκονται στον επεξεργαστή μεταδίδονται με τη μορφή ψηφιακών σημάτων Low Voltage Differential Signaling (LVDS) στο CID.
Η μονάδα ελέγχου Πύλη CHAMP διαμορφώνει το σημείο σύνδεσης για την ανταλλαγή δεδομένων ανάμεσα στο δίαυλο MOST-Bus και το K-CAN. Τα δύο συστήματα διαύλου μεταδίδουν μορφότυπους δεδομένων με διαφορετική αναλογία μετάδοσης δεδομένων και μορφότυπων. Για την επικοινωνία με όλα τα συστήματα, γίνεται αντίστοιχη διαμόρφωση των δεδομένων για τον αντίστοιχο δίαυλο στην Πύλη CHAMP.
Μηδενισμός του CHAMP
Το CHAMP μπορεί να μηδενιστεί με τις παρακάτω ενέργειες:
Στο CHAMP δεν προβλέπεται κανένα πλήκτρο ή συνδυασμός πλήκτρων για τον μηδενισμό.
Οδηγία! Η αντικατάσταση του CHAMP γίνεται μόνο πλήρης.
Το CHAMP αντικαθίσταται στο σέρβις μόνο ως πλήρης μονάδα.
Για το CHAMP υπάρχει στις λειτουργίες μονάδας ελέγχου διαθέσιμος ένας μεγάλος αριθμός από ελέγχους.
Παράδειγμα: Ένα CD που έχει κολλήσει στο CD-drive μπορεί να εξαχθεί με τις λειτουργίες μονάδας ελέγχου.
Τα με το CHAMP παρεχόμενα πλήκτρα αγαπημένων (προγραμματιζόμενα πλήκτρα) είναι διαγνώσιμα μέσω μιας λειτουργίας μονάδας ελέγχου.
Έκδοση Europa:
Αντί για το CHAMP χρησιμοποιείται ο Έλεγχος Ηχοσυστήματος (M-ASK) ως Ραδιόφωνο BMW Professional.
Το M-ASK αναγνωρίζεται από τα 8 πλήκτρα αγαπημένων.

Ευρετήριο |
Επεξήγηση |
Ευρετήριο |
Επεξήγηση |
|---|---|---|---|
1 |
Έλεγχος Πολλαπλού Ηχοσυστήματος |
2 |
8 προγραμματιζόμενα πλήκτρα αγαπημένων |
Με κάθε επιφύλαξη για τυπογραφικά λάθη, σφάλματα και τεχνικές αλλαγές.