Το E70 μπορεί να εξοπλιστεί με τον προαιρετικό εξοπλισμό 2VA ”Adaptive Drive”. Αυτός ο προαιρετικός εξοπλισμός αποτελείται από 2 συστήματα:
Διαχείριση κάθετης δυναμικής (VDM) και ενεργή ευστάθεια κύλισης (ARS: Εμπορική ονομασία Dynamik Drive). Σε αυτό το έγγραφα περιγράφεται η διαχείριση κάθετης δυναμικής.
Η διαχείριση κάθετης δυναμικής παρουσιάζει τα εξής πλεονεκτήματα:

Ευρετήριο |
Επεξήγηση |
Ευρετήριο |
Επεξήγηση |
|---|---|---|---|
1 |
Μονάδα ελέγχου VDM |
2 |
Αμορτισέρ με δορυφόρο αμορτισέρ πίσω δεξιά (EDCSHR) |
3 |
Αισθητήρας στάθμης ύψους πίσω δεξιά |
4 |
Αισθητήρας στάθμης ύψους πίσω αριστερά |
5 |
Αμορτισέρ με δορυφόρο αμορτισέρ πίσω αριστερά (EDCSHL) |
6 |
Αμορτισέρ με δορυφόρο αμορτισέρ εμπρός αριστερά (EDCSVL) |
7 |
Αισθητήρας στάθμης ύψους εμπρός αριστερά |
8 |
Αισθητήρας στάθμης ύψους εμπρός δεξιά |
9 |
Αμορτισέρ με δορυφόρο αμορτισέρ εμπρός δεξιά (EDCSVR) |
|
|
F-CAN |
Fahrwerks-CAN |
FlexRay |
Sub-Bus |
PT-CAN |
Powertrain-CAN |
|
|
EDC σημαίνει: Ηλεκτρονικός Έλεγχος Αναρτήσεων.
Η διαχείριση κάθετης δυναμικής (VDM) είναι μια περαιτέρω εξέλιξη του συνεχόμενου ηλεκτρονικού ελέγχου ανάρτησης (EDC-K) από το E65. Το VDM αποτελείται από μια κεντρική μονάδα ελέγχου και 4 σταθερά συνδεδεμένων με τα αμορτισέρ έξυπνων δορυφόρων αμορτισέρ.
Ως γραμμή δεδομένων χρησιμοποιείται για πρώτα φορά ένα FlexRay.
Περιγράφονται τα παρακάτω εξαρτήματα της διαχείρισης κάθετης δυναμικής:
Η μονάδα ελέγχου VDM είναι τοποθετημένη στο φορέα μονάδων πίσω δεξιά στο χώρο αποσκευών.

Ευρετήριο |
Επεξήγηση |
Ευρετήριο |
Επεξήγηση |
|---|---|---|---|
1 |
Άνετη Πρόσβαση (CA) |
2 |
Συγκρότημα ρυμούλκησης (AHM) |
3 |
Σύστημα ελέγχου στάθμευσης (PDC) |
4 |
Διαχείριση κάθετης δυναμικής (VDM) |
5 |
Ηλεκτρονικός Έλεγχος Στάθμης ύψους (EHC) |
|
|
Το VDM αυξάνει την οδηγική άνεση. Η υψηλότερη οδηγική άνεση επιτυγχάνεται, όταν το αμάξωμα του αυτοκινήτου δεν κινείται κάθετα όσο γίνεται καθόλου: Ούτε από τη διέγερση του αυτοκινήτου μέσω του οδοστρώματος (ανωμαλίες, λακκούβες) ούτε σε οδήγηση σε στροφές.
Η μονάδα ελέγχου VDM δίνει στο δορυφόρο αμορτισέρ τον έλεγχο των αμορτισέρ (δύναμη απόσβεσης ανεξάρτητα για κάθε τροχό). Για το σκοπό αυτό η μονάδα ελέγχου VDM συνδέεται με τους δορυφόρους αμορτισέρ μέσω του πολύ γρήγορου FlexRay.
Με μια ταχύτητα μετάδοσης δεδομένων 10 MBit/s το FlexRay είναι σαφώς γρηγορότερος δίαυλος δεδομένων από αυτούς που χρησιμοποιούνται μέχρι σήμερα στα αυτοκίνητα (Περιοχή αμαξώματος και μηχανισμού κίνησης ή ανάρτησης). Το FlexRay υποστηρίζει πλάι στο υψηλότερο εύρος ζώνης μια μετάδοση δεδομένων σε πραγματικό χρόνο. Το FlexRay μπορεί να διαμορφωθεί ανεκτικό σε σφάλματα.
Υπάρχουν 4 δορυφόροι αμορτισέρ:
Οι δορυφόροι αμορτισέρ πραγματοποιούν μια ηλεκτρονική ρύθμιση της δύναμης απόσβεσης. Οι δορυφόροι αμορτισέρ και οι βαλβίδες EDC συνδέονται αναπόσπαστα με τα αμορτισέρ. Κάθε δορυφόρος αμορτιστέρ διαθέτει ένα ξεχωριστό αισθητήρα κάθετης επιτάχυνσης. Οι δορυφόροι έχουν μεταξύ των άλλων και τα παρακάτω καθήκοντα:

Δορυφόρος αμορτισέρ: Παράδειγμα εμπρός άξονας εμπρός αριστερά
Ευρετήριο |
Επεξήγηση |
Ευρετήριο |
Επεξήγηση |
|---|---|---|---|
1 |
Δορυφόρος αμορτισέρ εμπρός αριστερά (EDCSVL) |
2 |
Χαλύβδινο ελατήριο |
3 |
Αμορτισέρ |
4 |
Βαλβίδα EDC |

Δορυφόρος αμορτισέρ: Παράδειγμα πίσω άξονας πίσω δεξιά
Ευρετήριο |
Επεξήγηση |
Ευρετήριο |
Επεξήγηση |
|---|---|---|---|
1 |
Δορυφόρος αμορτισέρ πίσω δεξιά (EDCSHR) |
2 |
Βαλβίδα EDC |
3 |
Αμορτισέρ |
|
|
Υπάρχουν συνολικά 4 αισθητήρες στάθμης ύψους:
Οι 4 αισθητήρες στάθμης ύψους συνδέονται στη μονάδα ελέγχου VDM. Οι αισθητήρες στάθμης ύψους μεταδίδουν δυναμικές πληροφορίες για τη στάθμη ύψους του αμαξώματος αυτοκινήτου στη μονάδα ελέγχου VDM. Από αυτό υπολογίζει η διαχείριση κάθετης δυναμικής τις κινήσεις του αμαξώματος καθώς και τις επιταχύνσεις των τροχών.
Επιπρόσθετα οι αισθητήρες μεταδίδουν την πληροφορία στον αυτόματη ρύθμιση δέσμης προβολέων.
Οι διπλοί αισθητήρες στάθμης ύψους στον πίσω άξονα δεν μεταδίδουν το σήμα μόνο στη μονάδα ελέγχου VDM αλλά και στη μονάδα ελέγχου EHC. Οι διπλοί αισθητήρες στάθμης ύψους φέρουν την ένδειξη ”διπλός” στο περίβλημα.

Αισθητήρας στάθμης ύψους: Παράδειγμα εμπρός άξονας εμπρός αριστερά
Ευρετήριο |
Επεξήγηση |
Ευρετήριο |
Επεξήγηση |
|---|---|---|---|
1 |
Αισθητήρας στάθμης ύψους |
2 |
Αρθρωτή ράβδος σύνδεσης |

Αισθητήρας στάθμης ύψους: Παράδειγμα πίσω άξονας πίσω αριστερά
Ευρετήριο |
Επεξήγηση |
Ευρετήριο |
Επεξήγηση |
|---|---|---|---|
1 |
Αισθητήρας στάθμης ύψους |
2 |
Αρθρωτή ράβδος σύνδεσης |
Το πλήκτρο SPORT βρίσκεται στη μεσαία κονσόλα πίσω από τον διακόπτη επιλογέα (GWS). Ο χειρισμός του πλήκτρου SPORT μεταβάλλει τα χαρακτηριστικά απόσβεσης:
Άνεση <-> Σπορ.
Το πλήκτρο SPORT συνδέεται ηλεκτρικά με το διακόπτη επιλογής ταχύτητας (GWS). Το GWS είναι μια ξεχωριστή μονάδα ελέγχου. Το σήμα μεταδίδεται κατόπιν στο PT-CAN.

Ευρετήριο |
Επεξήγηση |
Ευρετήριο |
Επεξήγηση |
|---|---|---|---|
1 |
Πλήκτρο φρένου στάθμευσης |
2 |
Διακόπτης επιλογέα (GWS) |
3 |
Πλήκτρο SPORT |
|
|
Μια ενδεικτική λυχνία LED στο πλήκτρο SPORT δείχνει το ενεργοποιημένο σπορ πρόγραμμα. Επιπλέον στην οθόνη υγρών κρυστάλλων (LCD) του ταμπλό των οργάνων εμφανίζεται η ένδειξη ”SPORT”.
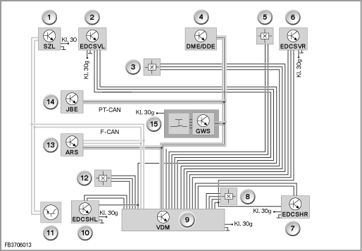
Οι παρακάτω περαιτέρω μονάδες ελέγχου μεταδίδουν σήματα για τη διαχείριση κάθετης δυναμικής:
Η μονάδα ελέγχου ARS μεταδίδει την εγκάρσια επιτάχυνση μέσω του PT-CAN στο VDM. Η μονάδα ελέγχου VDM χρειάζεται το σήμα ως μέγεθος αντικατάστασης.
Η μονάδα ελέγχου DSC μεταδίδει την ταχύτητα αυτοκινήτου καθώς και της πίεσης φρένων μέσω του PT-CAN στο VDM.
Το SZL μεταδίδει το σήμα αισθητήρα γωνίας τιμονιού μέσω του F-CAN στο VDM (προβλεπόμενη αναγνώριση οδήγησης σε στροφή).
Η διαχείριση κινητήρα μεταδίδει το σήμα ”Κινητήρας λειτουργεί”. Το σήμα μεταδίδεται στο PT-CAN.
Το JBE μεταδίδει την κατάσταση ακροδεκτών Kl. Επιπλέον το JBE είναι η Πύλη ανάμεσα στο PT-CAN και το K-CAN.

Ευρετήριο |
Επεξήγηση |
Ευρετήριο |
Επεξήγηση |
|---|---|---|---|
1 |
Κέντρο διακοπτών κολόνας τιμονιού (SZL) |
2 |
Δορυφόρος αμορτισέρ εμπρός αριστερά (EDCSVL) |
3 |
Αισθητήρας στάθμης ύψους εμπρός αριστερά |
4 |
Ψηφιακά Ηλεκτρονικά Κινητήρα ή Ψηφιακά Ηλεκτρονικά Diesel |
5 |
Αισθητήρας στάθμης ύψους εμπρός δεξιά |
6 |
Δορυφόρος αμορτισέρ εμπρός δεξιά (EDCSVR) |
7 |
Δορυφόρος αμορτισέρ πίσω δεξιά (EDCSHR) |
8 |
Αισθητήρας στάθμης ύψους πίσω δεξιά |
9 |
Μονάδα ελέγχου VDM |
10 |
Δορυφόρος αμορτισέρ πίσω αριστερά (EDCSHL) |
11 |
Αισθητήρας DSC |
12 |
Αισθητήρας στάθμης ύψους πίσω αριστερά |
13 |
Ενεργή ευστάθεια κύλισης (ARS: Dynamik Drive) |
14 |
Ηλεκτρονικά Κουτιού Διακλάδωσης (JBE) |
15 |
Διακόπτης επιλογής ταχύτητας με το πλήκτρο SPORT |
|
|
Περιγράφονται οι παρακάτω λειτουργίες της διαχείρισης κάθετης δυναμικής:
Για την απόσβεση των κινήσεων των τροχών και των κινήσεων του αμαξώματος επιτηρούνται οι κινήσεις του αυτοκινήτου. Για το σκοπό περιλαμβάνονται οι παρακάτω άξονες:
Για την επιτήρηση χρησιμοποιούνται π.χ. τα παρακάτω σήματα:
Από τα σήματα υπολογίζεται η τρέχουσα κατάσταση οδήγησης.
Για τον κατακόρυφο άξονα αυτοκινήτου η ρύθμιση της απόσβεσης κατανέμεται σε άνεση και ασφάλεια.
Η διαχείριση κάθετης δυναμικής αποσβένει τις κινήσεις αμαξώματος από απόψεως άνεσης.
Η διαχείριση κάθετης δυναμικής αποσβένει τις επιταχύνσεις τροχών από απόψεως ασφάλειας. Για αυτό πρέπει να εξασφαλιστεί ότι οι τροχοί δεν χάνουν την επαφή με το οδόστρωμα. Ανάλογα με την κατάσταση πρέπει να μεταφερθεί μια βέλτιστη δύναμη στήριξης.
Η διαχείριση κάθετης δυναμικής λαμβάνει υπόψη και το στρίψιμο του τιμονιού (π.χ. αλλαγή από ευθεία οδήγηση σε στροφή). Αν αναγνωριστεί μια γρήγορη αύξηση της γωνίας τιμονιού, η μονάδα ελέγχου VDM αλλάζει στο ξεκίνημα μιας οδήγησης σε στροφή. Έτσι μπορούν να ρυθμιστούν αντίστοιχα τα αμορτισέρ εκ των προτέρων. Η διαχείριση κάθετης δυναμικής υποστηρίζει την ενεργή ευστάθεια κύλισης (ARS). Έτσι το VDM συντελεί στον περιορισμό των ταλαντεύσεων του αυτοκινήτου.
Η διαχείριση κάθετης δυναμικής αναγνωρίζει επίσης και διαδικασίες φρεναρίσματος ή επιτάχυνσης. Για το σκοπό αυτό το DSC προετοιμάζει το σήμα μέσω της πίεσης φρένων και της διαμήκους επιτάχυνσης. Μια μεγαλύτερη πίεση φρένων οδηγεί φυσιολογικά σε μια κίνηση κλίσης του αυτοκινήτου προς τα εμπρός. Το VDM δρα αντίθετα σε αυτή την κίνηση κλίσης, με το να ρυθμίζονται τα εμπρός αμορτισέρ πιο σκληρά. Ακόμη και η κλίση του αυτοκινήτου κατά την επιτάχυνση αντισταθμίζεται με αυτό τον τρόπο.
Ανάλογα με το επιλεγμένο χαρακτηριστικό απόσβεσης (Άνεση ή Σπορ μέσω του πλήκτρου SPORT) προσαρμόζεται η στάθμη της δύναμης απόσβεσης μέσω της μονάδας ελέγχου VDM. Ανεξάρτητα από αυτό σε κρίσιμες καταστάσεις οδήγησης παρά το επιλεγμένο πρόγραμμα άνεσης κυριαρχεί η μέγιστη οδηγική ασφάλεια.
Ανάλογα με το είδος του υπάρχοντος σφάλματος η προστασία σε περίπτωση βλάβης επιδρά σε 3 βαθμίδες:

Ευρετήριο |
Επεξήγηση |
Ευρετήριο |
Επεξήγηση |
|---|---|---|---|
1 |
Μήνυμα Check-Control |
|
|
Προσοχή! Κατά την αντικατάσταση του αμορτισέρ δώστε τη θέση τοποθέτησης.
Το αμορτισέρ αποτελεί με τον δορυφόρο αμορτισέρ και την βαλβίδα EDC μια μονάδα που πρέπει να αντικατασταθεί. Κατά την παραγγελία ενός καινούργιου ανταλλακτικού θα πρέπει να δοθεί ο τύπος του αυτοκινήτου και η θέση τοποθέτησης (π.χ. εμπρός αριστερά). Εξαρτήσεις υπάρχουν από: κινητήρα, ανάρτηση και προαιρετικό εξοπλισμό (π.χ. 3 σειρά καθισμάτων).
Υπόδειξη: Περισσότερες μνήμες βλαβών στη διαχείριση κάθετης δυναμικής.
Η μονάδα ελέγχου VDM καταχωρεί μόνο ορισμένες βλάβες στη δική της μνήμη βλαβών. Βλάβες στους δορυφόρους αμορτισέρ καταχωρούνται στις δικές τους μνήμες βλαβών. Για το λόγο αυτό θα πρέπει σε περίπτωση μιας βλάβης να διαβαστεί όχι μόνο η μνήμη βλαβών της μονάδας ελέγχου VDM αλλά και αυτές των δορυφόρων αμορτισέρ. Οι δορυφόροι αμορτισέρ πρέπει να είναι προσβάσιμοι για το σύστημα διάγνωσης BMW. Για το λόγο αυτό η μονάδα ελέγχου VDM λειτουργεί και ως Πύλη για τη διάγνωση ανάμεσα στο PT-CAN και το FlexRay.
Προσοχή! Πραγματοποιήστε συγχρονισμό των αισθητήρων στάθμης ύψους.
Μετά από μια αντικατάσταση της μονάδας ελέγχου VDM καθώς και ενός αισθητήρα στάθμης ύψους πρέπει να γίνεται εκ νέου εκμάθηση των τιμών προσαρμογής των αισθητήρων στάθμης ύψους. Για το λόγο αυτό θα πρέπει να χρησιμοποιηθεί στο σύστημα διάγνωσης BMW η λειτουργία σέρβις ”Συγχρονισμός στάθμης ύψους”.
Προσοχή! Πραγματοποιήστε συγχρονισμό των αισθητήρων κάθετης επιτάχυνσης.
Μετά την αντικατάσταση ενός ή περισσότερων δορυφόρων αμορτισέρ πρέπει να πραγματοποιείται πάντα ο συγχρονισμός των αισθητήρων κάθετης επιτάχυνσης. Για το σκοπό αυτό θα πρέπει να χρησιμοποιηθεί η λειτουργία σέρβις στο σύστημα Διάγνωσης BMW ”Συγχρονισμός αισθητήρα κάθετης επιτάχυνσης”.
Για αυτό θα πρέπει το αυτοκίνητο να είναι σε οριζόντια θέση.
Μετά από μια αντικατάσταση πρέπει να κωδικοποιηθεί εκ νέου η μονάδα ελέγχου VDM.
Η διαχείριση κάθετης δυναμικής ενεργοποιείται με τις παρακάτω συνθήκες:
Με κάθε επιφύλαξη για τυπογραφικά λάθη, σφάλματα και τεχνικές αλλαγές.