Στο βασικό εξοπλισμό τοποθετούνται στο E70 ηλεκτρικοί εξωτερικοί καθρέπτες. Οι εξωτερικοί καθρέφτες ρυθμίζονται κεντρικά μέσω του διακόπτη ρύθμισης καθρεπτών στην πόρτα του οδηγού. Οι ηλεκτρικοί εξωτερικοί καθρέπτες διατίθεται σε δύο εκδόσεις εξοπλισμού (Χαμηλή Low και Υψηλή High).
Για τους ηλεκτρικούς εξωτερικούς καθρέπτες περιγράφονται τα παρακάτω εξαρτήματα:
Οι εξωτερικοί ηλεκτρικοί καθρέφτες ρυθμίζονται μέσω του διακόπτη ρύθμισης εξωτερικών καθρεπτών στην πόρτα του οδηγού. Στην έκδοση εξοπλισμού ”Low” ο διακόπτης ρύθμισης καθρεπτών ελέγχει απευθείας τα μοτέρ των ηλεκτρικών εξωτερικών καθρεπτών. Στην έκδοση εξοπλισμού ”High” τα σήματα χειρισμού μεταδίδονται μέσω του διαύλου LIN-Bus στη Μονάδα Χώρου Ποδιών (FRM) και τους ηλεκτρικούς εξωτερικούς καθρέπτες.
Ο αισθητήρας εξωτερικής θερμοκρασίας ανιχνεύει τη θερμοκρασία περιβάλλοντος. Ο αισθητήρας εξωτερικής θερμοκρασίας στέλνει την πληροφορία αυτή απευθείας στο ταμπλό οργάνων.
Το ταμπλό οργάνων επεξεργάζεται την πληροφορία από τον αισθητήρα εξωτερικής θερμοκρασίας. Από μια θερμοκρασία περιβάλλοντος μικρότερη από 3 °C το ταμπλό οργάνων μεταδίδει ένα μήνυμα μέσω του K-CAN στην αντίστοιχη μονάδα ελέγχου. Στην έκδοση εξοπλισμού ”Low” στα Ηλεκτρονικά Κουτιού Διακλάδωσης (JBE). Τα JBE ελέγχουν έτσι ηλεκτρικά την θέρμανση καθρεπτών. Στην έκδοση εξοπλισμού ”High” στη Μονάδα Χώρου Ποδιών (FRM). Η FRM το μεταδίδει αυτό μέσω του LIN-Bus στους ηλεκτρικούς εξωτερικούς καθρέπτες.
Η FRM αναλαμβάνει τον φωτισμό του διακόπτη ρύθμισης καθρεπτών. Στην έκδοση εξοπλισμού ”High” η FRM συνδέεται μέσω του LIN-Bus με το διακόπτη ρύθμισης εξωτερικών καθρεπτών και τους ηλεκτρικούς εξωτερικούς καθρέπτες.
Τα JBE είναι υπεύθυνα για την τροφοδοσία τάσης των ηλεκτρικών εξωτερικών καθρεπτών και του διακόπτη ρύθμισης εξωτερικών καθρεπτών. Στην έκδοση εξοπλισμού ”Low” τα JBE ελέγχουν ηλεκτρικά τη θέρμανση καθρεπτών. Σε εξάρτηση από την εξωτερική θερμοκρασία τα JBE λαμβάνουν ένα σήμα για να θερμανθεί η θέρμανση καθρεπτών. Τα JBE λαμβάνουν το σήμα μέσω του K-CAN.
Ένα μοτέρ ρυθμίζει κάθε φορά το κρύσταλλο του καθρέφτη στην οριζόντια και στην κάθετη κατεύθυνση. Στα μοτέρ υπάρχει ένα ποτενσιόμετρο θέσης. Το ποτενσιόμετρο αναγνωρίζει τη θέση των μοτέρ και την μεταδίδει πίσω.
Ο εξωτερικός καθρέφτης αποτελείται από το πόδι του καθρέφτη και την κεφαλή του καθρέφτη. Στη βάση του καθρέπτη είναι τοποθετημένο ένα μοτέρ για την αναδίπλωση του καθρέπτη. Το δίπλωμα και ξεδίπλωμα επιτυγχάνεται μέσω της αντιστροφής της κατεύθυνση περιστροφής του μοτέρ.

Το γράφημα δείχνει το E70
Ευρετήριο |
Επεξήγηση |
Ευρετήριο |
Επεξήγηση |
|---|---|---|---|
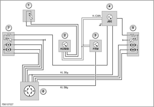
1 |
Διακόπτης ρύθμισης εξωτερικών καθρεπτών |
2 |
Συρόμενος διακόπτης για την επιλογή πλευράς |
3 |
Πλήκτρο για την αναδίπλωση των εξωτερικών καθρεπτών |
|
|

Μπλοκ διάγραμμα E70, έκδοση εξοπλισμού ”Low”
Ευρετήριο |
Επεξήγηση |
Ευρετήριο |
Επεξήγηση |
|---|---|---|---|
1 |
Αισθητήρας εξωτερικής θερμοκρασίας |
2 |
Ταμπλό οργάνων |
3 |
Μονάδα χώρου ποδιών (FRM) |
4 |
Ηλεκτρονικά Κουτιού Διακλάδωσης (JBE) |
5 |
Εξωτερικός καθρέφτης πλευρά συνοδηγού |
6 |
Διακόπτης ρύθμισης εξωτερικών καθρεπτών |
7 |
Εξωτερικός καθρέπτης πόρτας οδηγού |
|
|

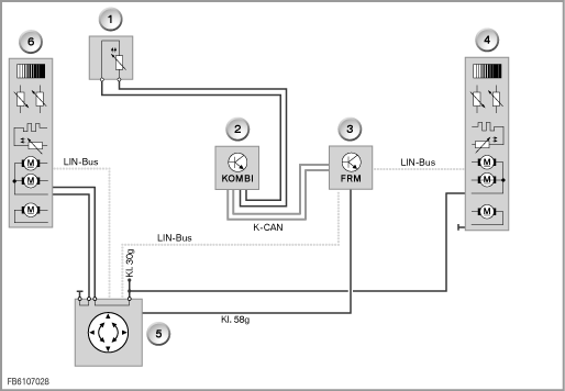
Μπλοκ διάγραμμα E70, έκδοση εξοπλισμού ”High”
Ευρετήριο |
Επεξήγηση |
Ευρετήριο |
Επεξήγηση |
|---|---|---|---|
1 |
Αισθητήρας εξωτερικής θερμοκρασίας |
2 |
Ταμπλό οργάνων |
3 |
Μονάδα χώρου ποδιών (FRM) |
4 |
Εξωτερικός καθρέφτης πλευρά συνοδηγού |
5 |
Διακόπτης ρύθμισης εξωτερικών καθρεπτών με πλήκτρο αναδίπλωσης εξωτερικών καθρεπτών |
6 |
Εξωτερικός καθρέπτης πόρτας οδηγού |
Για τους ηλεκτρικούς εξωτερικούς καθρέπτες περιγράφονται οι παρακάτω λειτουργίες συστήματος:
Η ρύθμιση των ηλεκτρικών εξωτερικών καθρεφτών είναι δυνατή από τη θέση του ακροδέκτη R στο ON. Οι ηλεκτρικοί εξωτερικοί καθρέπτες ρυθμίζονται οριζόντια και κάθετα μέσω των πλήκτρων στο διακόπτη ρύθμισης καθρεπτών. Ένας συρόμενος διακόπτης αλλάζει μεταξύ της πλευράς του οδηγού και της πλευράς του συνοδηγού. Η οριζόντια και η κάθετη ρύθμιση μπορούν να εκτελεστούν μόνο διαδοχικά. Αν ο εξωτερικός καθρέπτης είναι διπλωμένος, δεν είναι δυνατή καμία ρύθμιση. Για την προστασία των μοτέρ και του μηχανισμού περιορίζεται η ρύθμιση το πολύ στα 10 δευτερόλεπτα. Με την επίτευξη του μέγιστου χρόνου ρύθμισης δεν μπορεί να ενεργοποιηθεί πλέον ο εξωτερικός καθρέφτης για 10 δευτερόλεπτα.
Οι εξωτερικοί καθρέπτες μπορούν να διπλωθούν για να μειωθεί το πλάτος του αυτοκινήτου στα πλαϊνά παράθυρα. Η αναδίπλωση των εξωτερικών καθρεφτών είναι δυνατή από τη θέση του ακροδέκτη R στο ON. Η αναδίπλωση των εξωτερικών καθρεπτών ενεργοποιείται με το πάτημα του πλήκτρου για την αναδίπλωση εξωτερικών καθρεπτών στην πόρτα του οδηγού. Ένα δίπλωμα ή το ξεδίπλωμα των εξωτερικών καθρεφτών αντιστρέφεται, πατώντας εκ νέου το πλήκτρο. Για να εμποδιστεί ένα επαναλαμβανόμενο δίπλωση ή ξεδίπλωμα, είναι ενσωματωμένη μια φραγή επανάληψης.
Ο αυτοματισμός κρασπέδου είναι διαθέσιμος μόνο με τον ειδικό εξοπλισμό ”Μνήμη καθρέφτη οδηγού”. Για τη δυνατότητα μιας καλύτερης ορατότητας του κράσπεδου του δρόμου, στρέφεται το κρύσταλλο του εξωτερικού καθρέφτη στην πλευρά του συνοδηγού, κατά την οπισθοπορεία, προς τα κάτω. Αυτή η λειτουργία μπορεί να εκτελεστεί μόνο κάτω από τις ακόλουθες προϋποθέσεις:
Για την προστασία υπερθέρμανσης των μοτέρ διαθέτουν τα μοτέρ μια αναγνώριση μπλοκαρίσματος. Όταν το μοτέρ είναι μπλοκαρισμένο, αυξάνει το ρεύμα στο μοτέρ. Η αντίστοιχη μονάδα ελέγχου συγκρίνει το ρεύμα σε μπλοκαρισμένο μοτέρ με το ρεύμα λειτουργίας του ηλεκτρικού μοτέρ σε κανονική λειτουργία. Σε περίπτωση μιας διαφοράς αναγνωρίζεται ένα μπλοκάρισμα. Το μοτέρ δεν ενεργοποιείται πλέον.
Με κάθε επιφύλαξη για τυπογραφικά λάθη, σφάλματα και τεχνικές αλλαγές.