Το κλείδωμα της δεύτερης σειράς καθισμάτων στο E70 επιτηρείται μέσω μικροδιακοπτών. Οι μικροδιακόπτες βρίσκονται στη δεύτερη σειρά καθισμάτων. Οι μικροδιακόπτες εξασφαλίζουν ότι δεν θα λυθεί κατά λάθος η κλειδωμένη σειρά καθισμάτων. Έτσι αυξάνεται η προστασία τραυματισμού των επιβαινόντων.
Για το κλείδωμα της δεύτερης σειράς καθισμάτων περιγράφονται τα παρακάτω εξαρτήματα:
Οι μικροδιακόπτες της δεύτερης σειράς καθισμάτων είναι στο μεγάλο και το μικρό μισό του καθίσματος. Στο μεγάλο μισό του καθίσματος υπάρχουν τέσσερις μικροδιακόπτες. Στο μικρό μισό του καθίσματος επιτηρείται από ένα μικροδιακόπτη. Σε κανονικά κλειδωμένα μισά καθίσματος μεταδίδεται ένα σήμα γείωσης στα JBE. Αν διακοπεί το σήμα γείωσης, τα Ηλεκτρονικά Κουτιού Διακλάδωσης (JBE) δεν την αναγνωρίζει.
Το ταμπλό οργάνων λαμβάνει τις πληροφορίες από τα Ηλεκτρονικά Κουτιού Διακλάδωσης (JBE) μέσω του K-CAN. Όταν από τα JBE μεταδίδεται μια πληροφορία για μια μη κανονικά κλειδωμένη δεύτερη σειρά καθισμάτων, το ταμπλό οργάνων μεταδίδει ένα κατάλληλο μήνυμα Check-Control. Το μήνυμα αυτό σηματοδοτεί στον οδηγό, ότι η σειρά καθίσματος δεν είναι κανονικά κλειδωμένη. Έτσι εμφανίζεται στον οδηγό η ένδειξη για ένα αυξημένο κίνδυνο τραυματισμού.
Τα JBE είναι η μονάδα ελέγχου επιτήρησης του κλειδώματος της δεύτερης σειράς καθισμάτων. Τα JBE λαμβάνουν μέσω του μικροδιακόπτη ένα σήμα γείωσης. Αν διακοπεί το σήμα γείωσης, τότε τα JBE αναγνωρίζουν μια μη κανονικά κλειδωμένη σειρά καθισμάτων. Σε μια μη κανονικά κλειδωμένη σειρά καθισμάτων, τα JBE μεταδίδουν μια πληροφορία στο ταμπλό οργάνων μέσω του K-CAN.

Δεύτερη σειρά καθισμάτων E70
Ευρετήριο |
Επεξήγηση |
Ευρετήριο |
Επεξήγηση |
|---|---|---|---|
1 |
Μικροδιακόπτης μικρού μισού καθίσματος, Κλείδωμα στην κάτω δομή του καθίσματος |
2 |
Μικροδιακόπτης μεγάλου μισού καθίσματος, Κλείδωμα εσωτερικά |
3 |
Μικροδιακόπτης μεγάλου μισού καθίσματος, Κλείδωμα εξωτερικά |
4 |
Μικροδιακόπτης μεγάλου μισού καθίσματος, Πλάτη εξωτερικά |
5 |
Μικροδιακόπτης μεγάλου μισού καθίσματος, Μαξιλάρι εσωτερικά |
|
|

Μπλοκ διάγραμμα E70
Ευρετήριο |
Επεξήγηση |
Ευρετήριο |
Επεξήγηση |
|---|---|---|---|
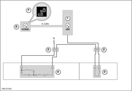
1 |
Ηλεκτρονικά Κουτιού Διακλάδωσης (JBE) |
2 |
Φις καθίσματος δεξιά |
3 |
Μικροδιακόπτης δεύτερης σειράς καθίσματος δεξιά |
4 |
Μικροδιακόπτης δεύτερης σειράς καθίσματος αριστερά |
5 |
Φις καθίσματος αριστερά |
6 |
Ταμπλό οργάνων |
7 |
Μήνυμα Check-Control (Πίσω κάθισμα όχι κλειδωμένο!) |
|
|
Για το κλείδωμα της δεύτερης σειράς καθισμάτων περιγράφονται οι παρακάτω λειτουργίες συστήματος:
Για την επιτήρηση του μεγάλου μισού του καθίσματος έχουν τοποθετηθεί μικροδιακόπτες στην πλάτη του καθίσματος και την επιφάνεια του καθίσματος. Στην πλάτη υπάρχει μόνο ένας μικροδιακόπτης εξωτερικά. Δύο μικροδιακόπτες βρίσκονται στη δομή του καθίσματος εσωτερικά και εξωτερικά. Ένας περαιτέρω μικροδιακόπτης βρίσκεται στο μαξιλάρι του καθίσματος στη δομή του καθίσματος. Η πλάτη δεν κλειδώνει όταν είναι διπλωμένη. Σε κανονικά κλειδωμένα μισά του καθίσματος μεταδίδεται ένα σήμα γείωσης στα JBE.
Επιτηρούνται οι παρακάτω καταστάσεις καθίσματος:
Στο μικρό μισό του καθίσματος επιτηρείται από ένα μόνο μικροδιακόπτη. Ο μικροδιακόπτης βρίσκεται στο μηχανικό κλείδωμα στην εσωτερική πλευρά της δομής του καθίσματος. Σε κανονικό κλείδωμα του μικρού μισού του καθίσματος ο διακόπτης είναι κλειστός.
Αν τα Ηλεκτρονικά Κουτιού Διακλάδωσης (JBE) δεν αναγνωρίσουν ένα κανονικό κλείδωμα της δεύτερης σειράς καθισμάτων, το ταμπλό οργάνων λαμβάνει μια πληροφορία. Το ταμπλό οργάνων δημιουργεί ένα μήνυμα Check-Control. Το μήνυμα ”Πίσω κάθισμα όχι κλειδωμένο!” σηματοδοτεί στον οδηγό, τον αυξημένο κίνδυνο τραυματισμού των επιβαινόντων.
Με κάθε επιφύλαξη για τυπογραφικά λάθη, σφάλματα και τεχνικές αλλαγές.