Η ηλεκτρική ανύψωση πόρτας χώρου αποσκευών προσφέρεται στο E70 από 10/07. Για πρώτη φορά τοποθετείται ένα σύστημα που λειτουργεί με άτρακτο.
Η επάνω πόρτα χώρου αποσκευών μπορεί να ανοίξει ή να κλείσει με το πάτημα ενός πλήκτρου. Η κάτω πόρτα χώρου αποσκευών εξακολουθεί να ανοίγει χειροκίνητα.
Η γωνία ανοίγματος της πόρτας χώρου αποσκευών μπορεί να ρυθμιστεί σε πέντε θέσεις μέσω ενός μενού στην Κεντρική Οθόνη Πληροφοριών με το κεντρικό χειριστήριο. Η πόρτα χώρου αποσκευών ανοίγει μέχρι την ρυθμισμένη γωνία.
Θα περιγραφούν τα παρακάτω εξαρτήματα της ανύψωσης πόρτας χώρου αποσκευών:
Οι μεταδόσεις με άτρακτο τοποθετούνται στη θέση των ελατηρίου αερίου αριστερά και δεξιά στην πόρτα χώρου αποσκευών. Ο μηχανισμός μετάδοσης με άτρακτο αποτελείται από τα παρακάτω εξαρτήματα:

Ευρετήριο |
Επεξήγηση |
Ευρετήριο |
Επεξήγηση |
|---|---|---|---|
1 |
Πακέτο ελατηρίου |
2 |
Άτρακτος |
3 |
Μετάδοση |
4 |
Μοτέρ μετάδοσης με άτρακτο |
5 |
Αισθητήρες Χωλλ |
|
|

Ευρετήριο |
Επεξήγηση |
Ευρετήριο |
Επεξήγηση |
|---|---|---|---|
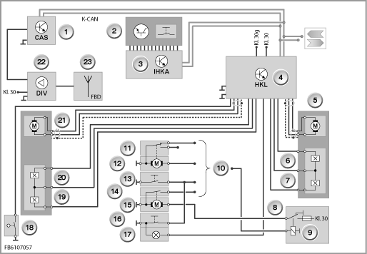
1 |
CAS (Σύστημα Πρόσβασης στο Αυτοκίνητο): |
2 |
Πλήκτρο πόρτας χώρου αποσκευών στο κέντρο διακοπτών κεντρικής κονσόλας |
3 |
Αυτόματο σύστημα θέρμανσης / κλιματισμού (IHKA) |
4 |
Ανύψωση πόρτας χώρου αποσκευών (HKL) |
5 |
Μοτέρ μετάδοσης με άτρακτο δεξιά |
6 |
Αισθητήρας Χωλλ δεξιά |
7 |
Αισθητήρας Χωλλ δεξιά |
8 |
Διανομέας ρεύματος πίσω |
9 |
Ρελέ αυτόματου Soft Κλεισίματος (SCA) |
10 |
Συνδέσεις για τη μονάδα ελέγχου Κουτιού Διακλάδωσης |
11 |
Το διακόπτη επαφής του πίσω καπό |
12 |
Μοτέρ κλειδαριάς επάνω πόρτας χώρου αποσκευών |
13 |
Πλήκτρο πόρτας χώρου αποσκευών Πόρτας χώρου αποσκευών εξωτερικά |
14 |
Επαφή μοτέρ αυτόματου soft κλεισίματος |
15 |
Μοτέρ αυτόματου Soft κλεισίματος πόρτας χώρου αποσκευών |
16 |
Πλήκτρο πόρτας χώρου αποσκευών Πόρτα χώρου αποσκευών εσωτερικά |
17 |
Φωτισμός πλήκτρου πόρτας χώρου αποσκευών Πόρτα χώρου αποσκευών εσωτερικά |
18 |
Μικροδιακόπτης κάτω πόρτας χώρου αποσκευών |
19 |
Αισθητήρας Χωλλ αριστερά |
20 |
Αισθητήρας Χωλλ αριστερά |
21 |
Μοτέρ μετάδοσης με άτρακτο αριστερά |
22 |
Δέκτης τηλεχειριστηρίου |
23 |
Αισθητήρας Χωλλ αριστερά |
|
|

Ευρετήριο |
Επεξήγηση |
Ευρετήριο |
Επεξήγηση |
|---|---|---|---|
1 |
Μονάδα ελέγχου ανύψωσης πόρτας χώρου αποσκευών |
|
|
Η ανύψωση πόρτας χώρου αποσκευών είναι τοποθετημένη στο φορέα μονάδων δεξιά στο χώρο αποσκευών. Το HKL ελέγχει και επιτηρεί τη λειτουργία του αυτόματου χειρισμού πόρτας χώρου αποσκευών.
Το λογικό κύκλωμα ελέγχου είναι συνδεδεμένο στον ακροδέκτη Kl. 30g. Για το ρεύμα φορτίου της μετάδοσης με άτρακτο συνδέεται επιπρόσθετα το HKL στον ακροδέκτη Kl 30.
Η ανύψωση πόρτας χώρου αποσκευών λειτουργεί μεταξύ 9 V και 16 V. Εκτός αυτής της περιοχής δεν μπορούν να εξασφαλιστούν οι λειτουργίες.
Το Σύστημα Πρόσβασης Αυτοκινήτου (CAS) λαμβάνει το σήμα του τηλεχειριστηρίου ή πομπού αναγνώρισης και το ελέγχει. Αν ο έλεγχος (αυθεντικοποίηση) πραγματοποιήθηκε με επιτυχία τότε το CAS ελευθερώνει το ξεκλείδωμα της πόρτας χώρου αποσκευών.
Τα Ηλεκτρονικά Κουτιού Διακλάδωσης πραγματοποιούν το ξεκλείδωμα της πόρτας χώρου αποσκευών. Τα Ηλεκτρονικά Κουτιού Διακλάδωσης βρίσκονται στον εμπρός διανομέα ρεύματος.
Το πλήκτρο πόρτας χώρου αποσκευών συνδέει με τη γείωση. Το σήμα του πλήκτρου πόρτας χώρου αποσκευών λαμβάνεται από τα Ηλεκτρονικά Κουτιού Διακλάδωσης. Τα Ηλεκτρονικά Κουτιού Διακλάδωσης σηματοδοτούν μέσω του διαύλου K-CAN την κατάσταση του πλήκτρου πόρτας χώρου αποσκευών στο HKL.
Το πλήκτρο πόρτας χώρου αποσκευών εσωτερικά συνδέεται παράλληλα με το πλήκτρο πόρτας χώρου αποσκευών εξωτερικά στα Ηλεκτρονικά Κουτιού Διακλάδωσης. Για το λόγο αυτό τα Ηλεκτρονικά Κουτιού Διακλάδωσης δεν ξεχωρίζουν τα δύο πλήκτρα πόρτας χώρου αποσκευών.
Το ραδιοσήμα του τηλεχειριστηρίου λαμβάνεται από την κεραία στο πίσω παρμπρίζ. Ο δέκτης του τηλεχειρισμού στη μονάδα διαφορικής λήψης μεταδίδει το σήμα μέσω του διαύλου K-CAN στο Σύστημα Πρόσβασης Αυτοκινήτου. Το Σύστημα Πρόσβασης Αυτοκινήτου έχει την κεντρική ευθύνη για τη λειτουργία του κεντρικού κλειδώματος. Ο πομπός αναγνώρισης που χρησιμοποιείται σε αυτοκίνητα με άνετη πρόσβαση έχει την ίδια λειτουργία με το τηλχειριστήριο.
Το πλήκτρο πόρτας χώρου αποσκευών είναι κωδικοποιημένο με αντίσταση. Η κατάσταση του πλήκτρου πόρτας χώρου αποσκευών αξιολογείται μέσω της μονάδας ελέγχου κλιματισμού. Η μονάδα ελέγχου κλιματισμού μεταδίδει την κατάσταση μέσω του K-CAN.
Ο διακόπτης επαφής πόρτας χώρου αποσκευών συνδέει με τη γείωση όταν είναι κλειστή η πόρτα χώρου αποσκευών. Η κατάσταση του διακόπτη επαφής πόρτας χώρου αποσκευών αξιολογείται από τα Ηλεκτρονικά Κουτιού Διακλάδωσης και είναι από εκεί διαθέσιμο.

Ευρετήριο |
Επεξήγηση |
Ευρετήριο |
Επεξήγηση |
|---|---|---|---|
1 |
Μικροδιακόπτης κάτω πόρτας χώρου αποσκευών |
|
|
Η επαφή της κάτω πόρτας χώρου αποσκευών έχει τη μορφή μικροδιακόπτη και συνδέει με τη γείωση. Η κατάσταση του μικροδιακόπτη αξιολογείται από το HKL. Όταν η κάτω πόρτα χώρου αποσκευών δεν έχει κλείσει σωστά, δεν μπορεί να πραγματοποιηθεί ο αυτόματος χειρισμός της πόρτας χώρου αποσκευών. Η ανύψωση πόρτας χώρου αποσκευών δημιουργεί ένα μήνυμα Check-Control και το μεταδίδει μέσω του διαύλου K-CAN.
Για την ανύψωση πόρτας χώρου αποσκευών περιγράφονται οι παρακάτω λειτουργίες συστήματος:
Με το πάτημα ενός πλήκτρου πόρτας χώρου αποσκευών ανοίγει ή κλείνει αυτόματα η πόρτα χώρου αποσκευών. Το πλήκτρο πόρτας χώρου αποσκευών στο κέντρο διακοπτών κεντρικής κονσόλας εξαιρείται. Με αυτό μπορεί να γίνει μόνο αυτόματο άνοιγμα.
Μετά την ελευθέρωση μέσω του CAS τα Ηλεκτρονικά Κουτιού Διακλάδωσης πραγματοποιούν το ξεκλείδωμα της πόρτας χώρου αποσκευών. Κατόπιν οδηγείται το μοτέρ του αυτόματου Soft κλεισίματος, ώστε να ελευθερωθεί η πόρτα χώρου αποσκευών. Κατόπιν οδηγείται η κλειδαριά πόρτας χώρου αποσκευών.
Ο διακόπτης επαφής πόρτας χώρου αποσκευών αλλάζει από κλειστός σε ανοικτός και η μετάδοση με άτρακτο οδηγείται για άνοιγμα.
Η πόρτας χώρου αποσκευών ανοίγει πλήρως ή μέχρι τη ρυθμισμένη γωνία ανοίγματος. Αν είναι ενεργή μια συνθήκη φραγής (βλέπε συνθήκες φραγής) κατά τη διάρκεια κίνησης της πόρτας χώρου αποσκευών, τότε σταματά η κίνηση της πόρτας χώρου αποσκευών.
Ένα σύντομο πάτημα του πλήκτρου πόρτας χώρου αποσκευών κατά τη διάρκεια του ανοίγματος σταματά το άνοιγμα.
Στο HKL είναι ενσωματωμένη η λειτουργία ”Ήπια εκκίνηση” ή ”Ήπιο σταμάτημα”. Αυτό σημαίνει, ότι η πόρτα χώρου αποσκευών λίγο πριν φτάσει στο τέρμα, μειώνει την ταχύτητα κλεισίματος ή ανοίγματος και κινείται ήπια προς το τέρμα. (Εξαίρεση: στο κλείσιμο δεν υπάρχει ήπιο σταμάτημα). Αυτό επιτυγχάνεται με την μεταβολή του πλάτους παλμού της τάσης ελέγχου.
Σε αυτοκίνητα με άνετη πρόσβαση το άνοιγμα της πόρτας χώρου αποσκευών μπορεί να πραγματοποιηθεί και με κλειδωμένο αυτοκίνητο. Με το πάτημα του πλήκτρου πόρτας χώρου αποσκευών εξωτερικά ανοίγει αυτόματα η πόρτα χώρου αποσκευών. Θα πρέπει απλά να βρίσκεται ένας πομπός αναγνώρισης του αυτοκινήτου κοντά στο πίσω μέρος του αυτοκινήτου.
Ο αυτόματος χειρισμός πόρτας χώρου αποσκευών δεν μπορεί να ενεργοποιηθεί κατά την οδήγηση, παρά μόνο όταν το αυτοκίνητο είναι σταματημένο.
Η πόρτας χώρου αποσκευών, μπορεί εφόσον έχει ανοίξει εν μέρη, να κινηθεί με το χέρι προς την κατεύθυνση ”ΑΝΟΙΓΜΑ” ή ”ΚΛΕΙΣΙΜΟ”.
Στη μετάδοση με άτρακτο είναι ενσωματωμένο ένα μοτέρ. Στο μοτέρ είναι δύο αντίθετα τοποθετημένοι αισθητήρες Χωλλ. Έτσι μπορεί να αναγνωριστεί η φορά περιστροφής του μοτέρ. Επιπλέον μπορεί να αναγνωριστεί με βάση τους παλμούς των αισθητήρων Χωλλ η διανυθείσα διαδρομή και έτσι η γωνία ανοίγματος της πόρτας χώρου αποσκευών. Οι παλμοί αισθητήρων Χωλλ χρησιμοποιούνται για παράδειγμα για τη ρύθμιση της γωνίας ανοίγματος μέσω της Κεντρικής Οθόνης Πληροφοριών
Η αναγνώριση μπλοκαρίσματος επιδρά κατά το άνοιγμα και κλείσιμο της πόρτας χώρου αποσκευών. Ένα μπλοκάρισμα της κίνησης της πόρτας χώρου αποσκευών κατά το άνοιγμα, έχει ως αποτέλεσμα το άμεσο σταμάτημα της κίνησης της πόρτας χώρου αποσκευών. Αν μπλοκαριστεί κατά το κλείσιμο η κίνηση της πόρτας χώρου αποσκευών, το HKL οδηγεί σύντομα τη μετάδοση με άτρακτο προς την αντίθετη κατεύθυνση (= αναστροφή). Εφόσον η πόρτα χώρου αποσκευών παραμένει μπλοκαρισμένη, δεν οδηγούνται πλέον οι μεταδόσεις με άτρακτο.
Ένα μπλοκάρισμα αναγνωρίζεται όταν σταματούν οι παλμοί αισθητήρα Χωλλ ή όταν αυξάνεται το ρεύμα του μοτέρ.
Για την αποφυγή της υπερθέρμανσης των μοτέρ, στο HKL είναι ενσωματωμένη μια φραγή επανάληψης. Για την φραγή επανάληψης γίνεται άθροιση του χρόνου λειτουργίας των μοτέρ. Όταν το άθροισμα του χρόνου λειτουργίας ξεπεράσει τα 2 λεπτά, δεν γίνεται αποδεκτός ένας νέος χειρισμός. Μια ενέργεια που βρίσκεται ήδη σε εξέλιξη ολοκληρώνεται πάντα πλήρως. Μετά από μια φάση ψύξης 6 λεπτών είναι και πάλι εφικτός ένας συνολικός χρόνος λειτουργίας του μοτέρ 2 δευτερολέπτων.
Η πόρτας χώρου αποσκευών δεν μπορεί να λειτουργήσει για λόγους προστασίας από ζημιές στο αυτοκίνητο σε διάφορες συνθήκες.
Παρακάτω αναφέρονται οι συνθήκες φραγής:
Συνθήκες φραγής |
Επεξήγηση/Οδηγία |
|---|---|
Ταχύτητα οδήγησης vmax>3 km/h |
Εξαίρεση: Μια εντολή κλεισίματος ολοκληρώνεται μέχρι τέλος. Σήμα ταχύτητας από το ταμπλό οργάνων μέσω του K-CAN. |
Εξωτερική θερμοκρασία < - 30 °C και +80 °C |
Σήμα της εξωτερικής θερμοκρασίας από το ταμπλό οργάνων μέσω του K-CAN |
Τάση ηλεκτρικού κυκλώματος <9 V έως 16 V> |
|
Κάτω πόρτα χώρου αποσκευών δεν είναι κλειστή |
Διακοπή κατά την κίνηση της πόρτας χώρου αποσκευών, φραγή χειρισμού της πόρτας χώρου αποσκευών. Το άνοιγμα εξακολουθεί να είναι εφικτό. |
Εκκίνηση κινητήρα (Κατάσταση ”Ακροδέκτης Kl. 50 on”) |
Σήμα από το CAS μέσω K-CAN. Διακοπή κατά την κίνηση της πόρτας χώρου αποσκευών, φραγή χειρισμού της πόρτας χώρου αποσκευών. |
Σε μη έγκυρο σήμα ταχύτητας ή θερμοκρασίας η πόρτα χώρου αποσκευών μπορεί να τεθεί σε κίνηση.
Σε περίπτωση βλάβης μιας μετάδοσης με άτρακτο αυτή αντικαθίσταται ολόκληρη.
Κατά την αντικατάσταση της μετάδοσης με άτρακτο θα πρέπει ο ακροδέκτης Kl. 30g να παραμένει απενεργοποιημένος. Σε αντίθετη περίπτωση θα δημιουργηθεί μια καταχώριση μνήμης βλαβών και ο αυτόματος χειρισμός πόρτας χώρου αποσκευών δεν θα λειτουργήσει.
Μετά από μια αντικατάσταση της μονάδας ελέγχου ανύψωσης πόρτας χώρου αποσκευών ή της μετάδοσης με άτρακτο είναι απαραίτητο, να γίνει εκ νέου εκμάθηση του επάνω τέρματος. Για το σκοπό αυτό η πόρτα χώρου αποσκευών κινείται κατά το πρώτο άνοιγμα μέχρι το επάνω τέρμα.
Το μπλοκάρισμα της πόρτας χώρου αποσκευών και με αυτό η διακοπή των παλμών αισθητήρα Χωλλ στη μετάδοση με άτρακτο σηματοδοτούν το σημείο της μέγιστης γωνίας ανοίγματος της πόρτας χώρου αποσκευών. Από αυτό το σημείο αφαιρείται ένα περίπου 5 % των συνολικών παλμών αισθητήρα Χωλλ. Αυτή είναι η μελλοντική γωνία ανοίγματος της πόρτας χώρου αποσκευών. Το σημείο αυτό χαρακτηρίζεται επίσης ως Softstop.
Μέσω του Softstop αποφεύγεται το μέχρι τέρμα άνοιγμα της πόρτας χώρου αποσκευών και έτσι και η τυχόν ζημιά της.
Το κάτω τέρμα ανιχνεύεται με την αλλαγή του διακόπτη επαφής πόρτας χώρου αποσκευών της κλειδαριάς πόρτας χώρου αποσκευών από ανοικτός σε κλειστός.
Η κίνηση της πόρτας χώρου αποσκευών ξεκινά μόλις αφήσετε το πλήκτρο πόρτας χώρου αποσκευών.
Το κλείσιμο της πόρτας χώρου αποσκευών μέσω του τηλεχειριστήριου δεν είναι όμως δυνατό.
Με κάθε επιφύλαξη για τυπογραφικά λάθη, σφάλματα και τεχνικές αλλαγές.