Τα φώτα στροφής διατίθενται μόνο σε συνδυασμό με τον προαιρετικό εξοπλισμό προσαρμοζόμενα φώτα σε στροφή. Τα φώτα στροφής φωτίζουν επιπρόσθετα με τα προσαρμοζόμενα φώτα στροφής την περιοχή εμπρός και πλάι στο αυτοκίνητο.
Για τα φώτα στροφής περιγράφονται τα παρακάτω εξαρτήματα:
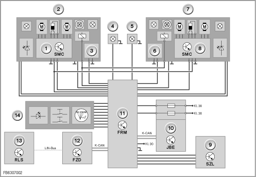
Για να μπορούν να ενεργοποιηθούν τα φώτα στροφής, πρέπει ο διακόπτης φώτων να είναι στη θέση ”A”. Για τον αυτόματο έλεγχο φώτων οδήγησης ο διακόπτης φώτων έχει μια πράσινη ενδεικτική λυχνία. Αν αναγνωριστεί ένα σφάλμα συστήματος, η ενδεικτική λυχνία αρχίζει να αναβοσβήνει. Ο διακόπτης φώτων είναι συνδεδεμένος απευθείας με τη μονάδα του χώρου των ποδιών (FRM).
Για τα φώτα στροφής απαιτείται ένας ειδικός προβολέας ομίχλης. Ο προβολέας ομίχλης περιλαμβάνει ένα κάτοπτρο για το φως στροφής. Μόλις ανάψει ο προβολέας ομίχλης, το φως της λάμπας προβολέα ομίχλης φτάνει στο κάτοπτρο για το φως στροφής. Το κάτοπτρο είναι ειδικά διαμορφωμένο και αντανακλά το φως στην περιοχή στροφής. Εξωτερικά ο προβολέας ομίχλης με λειτουργία φώτων στροφής αναγνωρίζεται από το ότι το κάτοπτρο είναι πλήρως χρωμιωμένο.
Ο RLSS βρίσκεται ενσωματωμένος στο μπροστινό παρμπρίζ στο πόδι του εσωτερικού καθρέπτη. Ο RLSS αναγνωρίζει τη μείωση του φωτισμού ή το σκοτάδι. Ο RLSS μεταδίδει σε μια υπέρβαση της οριακής τιμής ένα μήνυμα στο κέντρο λειτουργιών οροφής (FZD). Ο RLSS συνδέεται με το FZD μέσω του διαύλου LIN-Bus. Η FZD μεταδίδει αυτό το μήνυμα μέσω του K-CAN στη μονάδα χώρου ποδιών (FRM).
Στο SZL βρίσκεται ο διακόπτης φώτων φλας-φώτων πορείας. Ο διακόπτης φώτων φλας-φώτων πορείας ένα σήμα στο SZL. Το SZL μεταδίδει τα λαμβανόμενα σήματα απευθείας στη μονάδα χώρου ποδιών (FRM).
Ο έλεγχος για τα φώτα στροφής γίνεται από την FRM. Η FRM ελέγχει και την ενδεικτική λυχνία στο διακόπτη φώτων. Η FRM λαμβάνει όλες τις συνθήκες ενεργοποίησης απευθείας είτε μέσω του K-CAN. Η FRM βρίσκεται στο πλάι του χώρου ποδιών στην πλευρά του οδηγού κάτω από το ταμπλό.
Τα JBE είναι υπεύθυνα για την τροφοδοσία τάσης. Τα JBE συνδέονται μέσω του K-CAN με την FRM. Τα JBE βρίσκονται κάτω από το ταμπλό στο χώρο ποδιών συνοδηγού.

Δομή του προβολέα ομίχλης στο E70
Ευρετήριο |
Επεξήγηση |
Ευρετήριο |
Επεξήγηση |
|---|---|---|---|
1 |
Κάτοπτρο φώτων στροφής |
2 |
Κάτοπτρο προβολέα ομίχλης |
3 |
Λάμπα προβολέα ομίχλης |
|
|

Μπλοκ διάγραμμα E70
Ευρετήριο |
Επεξήγηση |
Ευρετήριο |
Επεξήγηση |
|---|---|---|---|
1 |
Ελεγκτής βηματικού μοτέρ (SMC) αριστερά |
2 |
Κύριος προβολέας αριστερά |
3 |
Μονάδα ελέγχου Ξένον αριστερά |
4 |
Προβολέας ομίχλης, αριστερά |
5 |
Προβολέας ομίχλης, δεξιά |
6 |
Μονάδα ελέγχου Ξένον δεξιά |
7 |
Κύριος προβολέας δεξιά |
8 |
Ελεγκτής βηματικού μοτέρ (SMC) δεξιά |
9 |
Κέντρο μεταγωγής στην κολόνα του τιμονιού (SZL) |
10 |
Ηλεκτρονικά Κουτιού Διακλάδωσης (JBE) |
11 |
Μονάδα χώρου ποδιών (FRM) |
12 |
Κέντρο λειτουργίας οροφής (FZD) |
13 |
Αισθητήρας ηλίου βροχής/φώτων πορείας (RLSS) |
14 |
Διακόπτης φωτισμού |
Το φως στροφής δεν ενεργοποιείται και απενεργοποιείται απότομα. Το φως στροφής ενεργοποιείται και απενεργοποιείται μεταβάλλοντας την έντασή του, σύμφωνα με ειδικές χρονικές περιόδους. Ανάλογα με την έκδοση χώρας το φως στροφής ενεργοποιείται και απενεργοποιείται κατά την οδήγηση σε στροφή.
Για τα φώτα στροφής περιγράφονται οι παρακάτω λειτουργίες συστήματος:
Με ακινητοποιημένο το αυτοκίνητο απενεργοποιείται το φως αλλαγής κατεύθυνσης μετά από ένα ορισμένο χρονικό διάστημα, π.χ. κατά την αναμονή σε ένα σηματοδότη. Τα φώτα στροφής μπορούν όμως να ενεργοποιηθούν εκ νέου μέσω του διακόπτη φώτων πορείας-φλας.
Η προς ενεργοποίηση πλευρά των φώτων στροφής εξαρτάται από τις παρακάτω συνθήκες:
Κατεύθυνση κίνησης αυτοκινήτου προς τα εμπρός
Κατεύθυνση κίνησης αυτοκινήτου προς τα πίσω
Μόνο σε έκδοση ΗΠΑ:
Αν αναγνωριστεί μια βλάβη στα φώτα στροφής, ισχύουν τα ίδια μηνύματα Check-Control όπως και για τους προβολείς ομίχλης.
Με κάθε επιφύλαξη για τυπογραφικά λάθη, σφάλματα και τεχνικές αλλαγές.