Για την εγγύησης του ”Real Time Traffic Information (RTTI)” τοποθετείται στη μονάδα ελέγχου IBOC ένας παθητικός διαχωριστής κεραίας. Έτσι μπορούν τα σήματα HF να είναι διαθέσιμα στη μονάδα ελέγχου IBOC και το CCC. Το RTTI είναι διαθέσιμο μόνο σε συνδυασμό με το σύστημα Πλοήγησης Professional. Το CCC παρέχει τις λαμβανόμενες πληροφορίες κυκλοφορίας στην πλοήγηση.

Ευρετήριο |
Επεξήγηση |
Ευρετήριο |
Επεξήγηση |
|---|---|---|---|
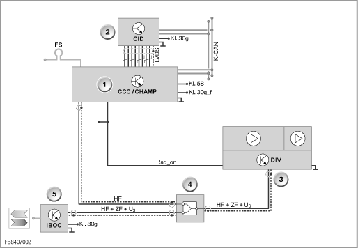
1 |
Μονάδα Head |
2 |
Κεντρική Οθόνη Πληροφοριών |
3 |
Ενισχυτής κεραιών με μονάδα διαφορικής λήψης |
4 |
Διαχωριστής κεραιών |
5 |
Μονάδα ελέγχου IBOC |
Θα περιγραφούν τα παρακάτω εξαρτήματα του διαχωριστή RTTI:

Ευρετήριο |
Επεξήγηση |
Ευρετήριο |
Επεξήγηση |
|---|---|---|---|
1 |
IBOC |
2 |
Διαχωριστής RTTI με βάση |
3 |
Σήμα AM-/FM (Ενισχυτής κεραιών με μονάδα διαφορικής λήψης) Κωδικός χρώματος φις: μαύρο |
4 |
Σήμα AM-/FM (CCC) κωδικός χρώματος φις: κίτρινο curry |
5 |
Σήμα AM-/FM (IBOC) κωδικός χρώματος φις: μαύρο |
Η μονάδα ελέγχου IBOC του Ραδιοφώνου High Definition είναι ένας υβριδικός δέκτης για τη λήψη ψηφιακών και αναλογικών πομπών ραδιοφώνου στην περιοχή συχνοτήτων AM και FM. Για τη λήψη των ψηφιακών σταθμών ακολουθείται η ίδια διαδρομή σήματος, όπως και για τη λήψη των αναλογικών σημάτων. Για το σκοπό αυτό μπορούν να χρησιμοποιηθούν και τα ήδη γνωστά εξαρτήματα ενισχυτής κεραιών με μονάδα διαφορικής λήψης και οι κεραίες AM και FM.
Η μονάδα ελέγχου IBOC αποκωδικοποιεί τα ψηφιακά δεδομένα ήχου και τα μεταδίδει μέσω του διαύλου MOST-Bus (Δίαυλος Μετάδοσης Δεδομένων Συστημάτων Πολυμέσων) στην επικεφαλής μονάδα. Η Επικεφαλής Μονάδα μετατρέπει τα δεδομένα ήχου σε αναλογικά σήματα NF. Τα σήματα NF αναπαράγονται μέσω των ηχείων.
Η μονάδα ελέγχου CCC λαμβάνει τους αναλογικούς πομπούς ραδιοφώνου στην περιοχή συχνοτήτων AM και FM. Σε συνδυασμό με το IBOC η λειτουργία δεν είναι στο CCC, αλλά στο IBOC. Για τη λήψη των αναλογικών σημάτων χρησιμοποιούνται τα ήδη γνωστά εξαρτήματα ενισχυτής κεραιών με μονάδα διαφορικής λήψης και οι κεραίες AM και FM.
Η ισχύς των κεραιών κατανέμεται ασύμμετρα. Ο δέκτης IBOC λαμβάνει ένα αποσβεσμένο κατά 1 dB, και η Επικεφαλής Μονάδα κατά 10 dB αποσβεσμένο σήμα. Έτσι η λαμβανόμενη στάθμη από την ενεργή κεραία FM κατανέμεται έτσι σε μια σχέση 9:1 (IBOC:RTTI). Η ισχύς των κεραιών κατανέμεται από τον διαχωριστή σε μια σχέση 10:1 (IBOC:RTTI). Η κατανομή αυτή της ισχύος των κεραιών είναι επαρκής, έτσι ώστε να μπορεί το CCC να λαμβάνει τα δεδομένα RTTI. Η διαφορική λήψη κεραιών ελέγχεται από τη μονάδα ελέγχου IBOC.
Για τον έλεγχο του διαχωριστή RTTI είναι διαθέσιμο ένα πρόγραμμα ελέγχου. Η πρόσβαση γίνεται μέσω της επιλογής ένδειξης σφάλματος διάγνωσης (65006_CCC:λειτουργική βλάβη) είτε μέσω της επιλογής λειτουργίας (Συνολικό όχημα/Αμάξωμα/Ήχος, Βίντεο, Πλοήγηση (Δακτύλιος MOST)/Πλοήγηση).
Με κάθε επιφύλαξη για τυπογραφικά λάθη, σφάλματα και τεχνικές αλλαγές.