Attraverso i tasti del centro di comando consolle centrale è possibile attivare e disattivare diverse funzioni nella vettura. Inoltre il centro di comando gestisce anche la regolazione elettrica del piantone sterzo e l'avvolgibile parasole.
Per il centro di comando consolle centrale si descrivono i seguenti componenti:
La centralina del centro di comando consolle centrale è disposta nel portattrezzi dietro il cassetto portaoggetti. Essa inoltra lo stato del tasto corrispondente nei relativi blocchi lato guidatore e passeggero via K-CAN alla centralina competente. La centralina del centro di comando consolle centrale include il software per l'attivazione della regolazione elettrica del piantone sterzo e dell'avvolgibile parasole.

Indice |
Spiegazione |
Indice |
Spiegazione |
|---|---|---|---|
1 |
unità di comando console centrale (SZM) |
2 |
Elettronica di comando |
3 |
Modulo base carrozzeria (KBM) |
4 |
Modulo gateway carrozzeria (KGM) |
5 |
Comfort Access (CA) |
|
|
L'elettronica di comando è disposta nel portattrezzi dietro il cassetto portaoggetti. Essa include l'elettronica di potenza per l'attivazione dei motorini della regolazione del piantone sterzo ed il motorino dell'avvolgibile parasole.
I blocchi tasti per il guidatore ed il passeggero sono disposti a destra e a sinistra del portacenere nella consolle centrale. A seconda dell'equipaggiamento questi sono disponibili nelle versioni 1a, 2a e 3a fila.
Il tasto SPORT è disposto a monte del selettore marce. Esso è collegato direttamente con la centralina del centro di comando consolle centrale.
L'interruttore di regolazione del piantone sterzo è disposto a sinistra del piantone stesso. Con l'interruttore di regolazione è possibile regolare la lunghezza e l'inclinazione del piantone sterzo. L'attivazione si effettua attraverso il centro di comando piantone sterzo (SZL).
L'avvolgibile parasole è disposto nella coda della vettura. Il pulsante di comando è disposto nel blocco interruttori della porta del guidatore.
Per il centro di comando consolle centrale si descrivono le seguenti funzioni:
Oltre ai tasti di comando delle funzioni supplementari dei sedili e delle funzioni del controllo dinamico della trazione e Park Distance Control il centro di comando consolle centrale gestisce anche la regolazione elettrica del piantone sterzo e l'avvolgibile parasole.
L'elettronica di comando, collegata con il centro di comando consolle centrale, serve ad attivare i motorini della regolazione elettrica del piantone sterzo e dell'avvolgibile parasole.
Il modulo gateway della carrozzeria (KGM) funge da gateway per i segnali di comando del pulsante per attivare l'avvolgibile parasole e per i segnali del centro di comando piantone sterzo per attivare la regolazione elettrica del piantone sterzo.

Indice |
Spiegazione |
Indice |
Spiegazione |
|---|---|---|---|
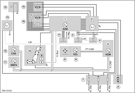
1 |
unità di comando console centrale (SZM) |
2 |
Elettronica di comando |
3 |
Tastierino a sinistra |
4 |
Tastierino a destra |
5 |
Modulo gateway carrozzeria (KGM) |
6 |
Motorino avvolgibile parasole |
7 |
Portafusibili posteriore |
8 |
Centro di comando piantone dello sterzo (SZL) |
9 |
Interruttore di regolazione piantone dello sterzo |
10 |
Blocco interruttori regolazione sedile guidatore/passeggero |
11 |
Modulo sedile lato guidatore |
12 |
Car Access System (CAS) |
13 |
Gruppo interruttori porta guidatore |
14 |
Pulsante avvolgibile parasole |
15 |
Motorino di regolazione piantone dello sterzo |
16 |
Motorino di regolazione piantone sterzo con sensori Hall |
17 |
Tasto SPORT |
|
|
I blocchi tasti sono collegati via bus LIN con la centralina del centro di comando consolle centrale. Lo stato dei tasti viene richiamato ciclicamente e trasmesso via K-CAN al modulo gateway della carrozzeria (KGM).
I blocchi tasti sono disponibili, a seconda dell'equipaggiamento della vettura, nelle versioni 1a, 2a o 3a fila. Nelle versioni 1a e 2a fila la visualizzazione delle funzioni si realizza mediante LED nei tasti. Nella versione 3a fila la visualizzazione si realizza mediante un menu Pop-Up nel Central Information Display (CID).
Sostanzialmente il pulsante per il controllo dinamico della trazione (DTC) o il Park Distance Control PDC è disposto nella fila superiore. Se la vettura non dispone di PDC, al suo posto è presente il pulsante del portellone posteriore o l'avvolgibile copribagagliaio.

Indice |
Spiegazione |
Indice |
Spiegazione |
|---|---|---|---|
1 |
Pulsante controllo dinamico della trazione |
2 |
Pulsante riscaldamento del sedile guidatore |
3 |
Pulsante aerazione attiva del sedile guidatore |
4 |
Pulsante Park Distance Control |
5 |
Pulsante riscaldamento del sedile passeggero |
6 |
Pulsante aerazione attiva del sedile passeggero |
Il centro di comando consolle centrale sorveglia i sensori Hall per la regolazione elettrica del piantone sterzo. In tal modo, sulla base degli impulsi del sensore Hall, è possibile sfruttare la posizione del piantone sterzo per il funzionamento della relativa memoria.
Il centro di comando consolle centrale riceve la richiesta di attivazione dei motorini per la regolazione del piantone sterzo via K-CAN. La centralina inoltra la richiesta all'elettronica di comando, che attiva i motorini.
Il centro di comando piantone sterzo (SZL) valuta il pulsante di regolazione del piantone stesso. Esso trasmette le richieste via PT-CAN al modulo gateway della carrozzeria (KGM). Il KGM converte il segnale sul K-CAN.
La richiesta per l'azionamento dell'avvolgibile parasole viene ricevuta via K-CAN. Il centro di comando consolle centrale valuta la richiesta e l'elettronica di comando attiva il motorino dell'avvolgibile parasole.
Il blocco interruttori della porta del guidatore valuta il pulsante dell'avvolgibile parasole. Esso è collegato attraverso un bus LIN con il modulo gateway della carrozzeria (KGM). Il KGM richiede ciclicamente dal blocco interruttori della porta del guidatore lo stato del pulsante e converte la richiesta di azionamento dell'avvolgibile parasole sul K-CAN.
A seconda dell'optional nel Central Information Display possono essere rappresentati menu Pop-Up. I menu Pop-Up dipendono dalle seguenti funzioni supplementari dei sedili:
La pressione del tasto di una di queste funzioni dei sedili provoca l'inserimento di questa funzione. All'inserimento compare dapprima lo stadio massimo della funzione attivata. Successivamente, premendo di nuovo il tasto, è possibile commutare fino a disinserire la funzione o a riattivarla nuovamente..
I menu Pop-Up delle singole funzioni supplementari dei sedili sono i seguenti:

Indice |
Spiegazione |
|---|---|
1 |
Riscaldamento sedili |
Attraverso il tasto del riscaldamento dei sedili si regola la potenza termica. La distribuzione del riscaldamento è regolata dal controller.

Indice |
Spiegazione |
|---|---|
1 |
Ventilazione attiva del sedile |
La regolazione della funzione climatizzatore e riscaldamento si effettua tramite il blocco tasti. Il rapporto tra la funzione del climatizzatore e quella del riscaldamento è regolato dal controller.

Indice |
Spiegazione |
|---|---|
1 |
Regolazione larghezza schienale |
La regolazione della larghezza dello schienale si effettua tramite il pulsante nel blocco tasti.
Il tasto SPORT attiva il programma Sport (controllo della dinamica di marcia FDC). I tempi d'inserimento si riducono. Le curve caratteristiche d'inserimento sono armonizzate sotto il profilo sportivo. Il motorino si attiva più spontaneamente in fase di accelerazione. All'avvio del motore il controllo della dinamica di marcia FDC è sempre disattivo.
Nella versione 1a e 2a fila dei blocchi pulsanti la visualizzazione delle funzioni si realizza attraverso un LED sul pulsante. Nella versione 3a fila è possibile solo più una visualizzazione dell'inserimento mediante i LED sul pulsante. La visualizzazione delle funzioni si realizza attraverso un menu Pop-Up nel Central Information Display CID.
Il menu Pop-Up delle funzioni supplementari dei sedili può essere oscurato da messaggi Check-Control per tutto il tempo in cui questi compaiono. La commutazione delle funzioni dei sedili è ancora possibile. In questa situazione l'unica visualizzazione possibile è solo quella d'inserimento mediante i LED del pulsante.
Nelle vetture senza optional il pulsante del portellone posteriore è disposto sul montante A ed in modo ridondante nel centro di comando della consolle centrale.