Il comando farfalle aria freni attivo migliora l'aerodinamica della vettura. In tal modo si ottiene una riduzione delle emissioni di CO2. In funzione della versione del motore e degli optional presenti, nella vettura è installato un comando farfalle aria freni attivo.
Il sistema è costituito da:
Entrambe le farfalle aria freni sono montate nella parte bassa del paraurti. La valvola di commutazione è fissata al duomo dell'ammortizzatore sinistro.
Le farfalle aria freni vengono azionate a depressione. La depressione necessaria viene generata dalla pompa a depressione del motore. La depressione agisce su una capsula a depressione disposta sul corpo della farfalla aria freno.

Indice |
Spiegazione |
Indice |
Spiegazione |
|---|---|---|---|
1 |
Paraurti |
2 |
Farfalla aria freno destra |
3 |
Farfalla aria freno sinistra |
|
|
Su ciascuna farfalla aria freno è installato un sensore Hall. I sensori Hall rilevano la posizione delle farfalle aria freni (aperte o chiuse).

Indice |
Spiegazione |
Indice |
Spiegazione |
|---|---|---|---|
1 |
Farfalla aria freno |
2 |
Sensore Hall |
3 |
Attacco depressione |
4 |
Capsula manometrica |
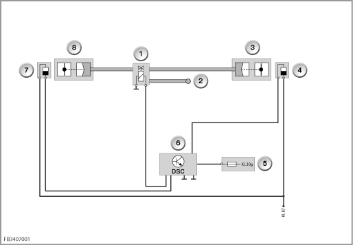
La valvola di commutazione viene azionata dal Controllo dinamico di stabilità (DSC).

Indice |
Spiegazione |
Indice |
Spiegazione |
|---|---|---|---|
1 |
Valvola di commutazione |
2 |
dalla pompa a depressione |
3 |
Farfalla aria freno destra |
4 |
Sensore Hall destro |
5 |
Alimentazione di tensione, morsetto 30g |
6 |
Controllo dinamico di stabilità (DSC) |
3 |
Sensore Hall sinistro |
4 |
Farfalla aria freno sinistra |
Attivando le farfalle aria freni si ottimizzano le caratteristiche aerodinamiche della vettura.
In base al funzionamento del motore, risultano due stati per le farfalle aria freni:
Motore SPENTO |
Farfalle aria freni aperte |
Motore ACCESO |
Le farfalle aria freni si chiudono dopo alcuni secondi |
Per evitare che i dischi freni si surriscaldino, le farfalle aria freni si aprono a partire da una temperatura dei dischi di 250 °C.
In caso di avarie, è possibile che le farfalle aria freni non siano più in gradi di aprirsi.
Per proteggere i dischi freni dai surriscaldamenti, la potenza del motore verrà pertanto ridotta.
Attenzione Effettuare le operazioni a motore spento.
Le operazioni sulle farfalle aria freni, in particolare il controllo degli impuntamenti delle farfalle, si possono effettuare solamente a motore disinserito. In caso contrario, vi è pericolo di lesioni.
Salvo refusi, errori e modifiche tecniche.