Avvertenza! Optional SA 5DF a seconda della versione del Paese soltanto in combinazione con determinati optional.
Al momento la regolazione attiva della velocità con funzione Stop&Go è disponibile solo con l'optional SA 205 ”Cambio automatico” o optional SA 2TB ”Cambio automatico sportivo”.
In alcuni mercati, per motivi legati a restrizioni di immatricolazione, l'ACC è disponibile senza funzione Stop&Go.
L'ACC senza funzione Stop&Go si differenzia per l'assenza dei sensori di prossimità.
In Europa, l'optional SA 5DF è disponibile soltanto in combinazione con il sistema di navigazione. Motivo: disinserimento prescritto per legge in caso di avvicinamento di emittenti radioastronomiche.

Indice |
Spiegazione |
Indice |
Spiegazione |
|---|---|---|---|
1 |
Asse centrale del sensore di prossimità sinistro |
2 |
Asse longitudinale della vettura |
3 |
Asse centrale del sensore di distanza |
4 |
Asse centrale del sensore di prossimità destro |
5 |
Sensore di distanza con sostegno |
6 |
Sensore di prossimità destro con sostegno |
7 |
Supporto paraurti |
8 |
Sensore di prossimità sinistro con sostegno |
Prestare attenzione alle avvertenze che seguono nell'assistenza:
Il seguente testo descrive la nuova regolazione attiva della velocità con funzione Stop&Go (optional 5DF).
La regolazione attiva della velocità con funzione Stop&Go è un ampliamento della regolazione attiva della velocità (ACC) finora conosciuta.
Come integrazione a tale regolazione la funzione Stop&Go permette:
La velocità desiderata può essere selezionata nell'intervallo tra 30 km/h e 180 km/h: in passi confortevoli da 10 o precisi da 1. Essa viene visualizzata sulla strumentazione. Inoltre sussiste la possibilità di selezionare 4 distanze.
Con il nuovo optional si impiega anche un nuovo sottobus: CAN sensore (S-CAN).
Per l'ACC vengono descritti i seguenti componenti:
I sensori di prossimità sono sensori radar (Short Range Radar).
Per l'ACC con la funzione Stop&Go sono montati 2 sensori di prossimità identici. Questi sensori sono montati sul supporto del paraurti anteriore con un sostegno in materiale sintetico.

Indice |
Spiegazione |
Indice |
Spiegazione |
|---|---|---|---|
1 |
Sensore di prossimità |
2 |
Ritegno |
I sensori di prossimità sono collegati mediante il CAN sensore (S-CAN) con la centralina LDM.
I sensori di prossimità hanno la seguente funzione:
I dati degli oggetti dei sensori di prossimità vengono utilizzati solo per la funzione ACC Stop&Go (non per il controllo dinamico adattativo dei freni).
LRR sta per Long Range Radar.

Indice |
Spiegazione |
Indice |
Spiegazione |
|---|---|---|---|
1 |
sensore di distanza |
2 |
Ritegno |
Il sensore di distanza (il precedente sensore ACC) è un sensore radar. Allo stesso tempo è una centralina. In tal modo il sensore di distanza dispone di un indirizzo della centralina ed è idoneo alla diagnosi ed alla programmazione.
Un sensore di distanza rileva la distanza, l'angolo nonché la velocità di oggetti in movimento. L'intervallo rilevato è di max 150 metri dalla vettura. Nella centralina LDM (gestione della dinamica longitudinale) vengono elaborati questi dati.
La centralina della gestione della dinamica longitudinale è montata sul supporto centraline, dietro il cassetto portaoggetti.

Indice |
Spiegazione |
Indice |
Spiegazione |
|---|---|---|---|
1 |
Supporto centraline |
2 |
Centralina LDM |
Per l'ACC con funzione Stop&Go la centralina LDM espleta le seguenti funzioni:
Le centraline LRR e LDM sono alimentare dalla centralina CAS con un cavo di wake-up specifico, disaccoppiato elettricamente dal solito cavo di wake-up. Questa soluzione è stata scelta in quanto il sensore di distanza è montato in una zona pericolosa (frontale della vettura). Se in caso di incidente il cavo di wake-up dell'LRR si danneggiasse (ad es. cortocircuito verso massa), grazie a questa soluzione si limiterebbero gli effetti su altre centraline.
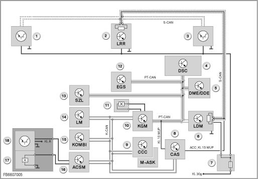
Il nuovo CAN sensore (S-CAN) collega:
L'S-CAN era necessario per l'elevato volume di dati dei sensori radar.
Questo volume avrebbe superato la libera capacità di trasmissione dei sistemi bus presenti

Indice |
Spiegazione |
Indice |
Spiegazione |
|---|---|---|---|
1 |
Sensore di prossimità sinistro |
2 |
Sensore di distanza (LRR) |
3 |
Sensore di prossimità destro |
4 |
Controllo dinamico di stabilità (DSC) |
5 |
Elettronica digitale del motore (DME) o Elettronica digitale diesel (DDE) |
6 |
Gestione dinamica longitudinale (LDM) |
7 |
Fusibile nel bagagliaio |
8 |
Car Access System (CAS) |
9 |
Car Communication Computer (CCC) e Multi-Controller sistema audio (M-ASK) |
10 |
Modulo gateway carrozzeria (KGM) |
11 |
Contatto porta lato guidatore |
12 |
Gestione elettronica del cambio (EGS) |
13 |
Unità di comando piantone sterzo (SZL) |
14 |
Modulo luci (LM) |
15 |
Strumentazione centrale (KOMBI) |
16 |
Advanced Crash Safety Module (ACSM) |
17 |
Contatto fibbia cintura |
18 |
Sensore di occupazione sedile |
Caratteristiche del CAN sensore:
Vengono descritte le seguenti funzioni del sistema:
Per convertire la funzione Stop&Go è necessario un insieme di sistemi complesso con funzioni ripartite in più centraline. La centralina LDM è collegata con queste altre centraline tramite dei bus dati.

Indice |
Spiegazione |
Indice |
Spiegazione |
|---|---|---|---|
1 |
Sensore di distanza (LRR) |
2 |
Sensore di prossimità sinistro |
3 |
Sensore di prossimità destro |
4 |
Unità di comando piantone sterzo (SZL) |
5 |
Modulo gateway carrozzeria (KGM) |
6 |
Strumentazione centrale (KOMBI) |
7 |
Controllo dinamico di stabilità (DSC) |
8 |
Gestione elettronica del cambio (EGS) |
9 |
Elettronica digitale del motore (DME) o Elettronica digitale diesel (DDE) |
10 |
Gestione dinamica longitudinale (LDM) |
Per la funzione generale sono collegate in rete le seguenti centraline:
Centralina |
Funzionamento |
|---|---|
DME o DDE: Gestione motore |
Trasformazione della richiesta momenti segnale ”Motore in funzione” |
DSC: Controllo dinamico di stabilità |
Condizioni di guida conversione degli interventi sui freni |
SZL: Unità comando piantone sterzo |
Leva di comando angolo di sterzata. attivazione trombe |
CCC, M-ASK: sistema di navigazione |
dati del sistema di navigazione (influsso sui parametri di regolazione) |
KOMBI: strumentazione |
Rappresentazione degli indicatori (ACC e messaggi Check Control) |
EGS: Gestione cambio |
Marcia |
CAS: Car Access System |
Stato del morsetto e cavo di wake-up |
KGM: Modulo gateway carrozzeria |
Contatto porta (il guidatore intende scendere) |
AHM: Modulo rimorchio |
Riconoscimento marcia con rimorchio |
ACSM. Modulo di sicurezza in caso di crash |
Occupazione sedile guidatore (il guidatore intende scendere) Contatto fibbia cintura (il guidatore intende scendere) |
RLS: Sensore pioggia/luci di marcia |
Stato corsia (bagnato) |
SZM: Unità di comando console centrale |
Tasto DTC |
LM: Modulo luci |
Attivazione lampeggiatore d'emergenza |
il controllo dinamico adattativo dei freni è una funzione del DSC. La centralina LDM è quindi il gateway tra l'S-CAN ed il PT-CAN.
Il controllo dinamico adattativo dei freni offre il massimo sfruttamento in situazioni di frenata d'emergenza. Quando il guidatore della vettura che precede frena bruscamente, il sensore di distanza riconosce questa situazione.
Il controllo dinamico dei freni supporta la frenata in maniera ottimale, evitando di tamponare.
A tal fine sono disponibili le seguenti funzioni:
Il controllo dinamico adattativo dei freni è sempre inserito con ACC attivato.
Esso è disponibile anche nell'ACC senza funzione Stop&Go.
Al raggiungimento dei limiti di funzionamento dell'ACC, il sistema può assumere comportamenti che vanno spiegati al cliente. Descrizione simili situazioni
Salvo refusi, errori e modifiche tecniche.