Central Head Unit and Multimedia Platform

CHAMP (solo versione USA)

Central Head Unit and Multimedia Platform (CHAMP) è una piattaforma multimediale della vettura. CHAMP è una dotazione di serie (Radio Business o SA 663: Radio BMW Professional).

Nella versione Europa si monta la generazione seguente di Multi-Controller del sistema audio (M-ASK).

Rispetto al M-ASK, l'unità CHAMP non dispone di sistemi di navigazione.

Le seguenti funzioni sono nuove per l'unità CHAMP:

Breve descrizione dei componenti

Di seguito si descrivono i seguenti componenti dell'unità CHAMP:

CHAMP: Central Head Unit and Multimedia Platform

CHAMP è il gateway (Head Unit) per il bus MOST e il K-CAN.

GR_FB8406001

Indice

Spiegazione

Indice

Spiegazione

1

6 tasti Preferiti

2

Tasto per esercizio in FM e AM (fisso nella versione USA)

3

Tasto MODE:

4

Central Head Unit and Multimedia Platform (CHAMP)

In un unico alloggiamento sono integrate più centraline e il lettore. CHAMP ha una struttura modulare: Nella CHAMP le funzioni sono raggruppate in centraline ”virtuali”. ”Virtuale” significa: sebbene le singole centraline siano raggruppate nell'unità CHAMP, esse operano come centraline ”separate” (ad es. nella programmazione).

Ai fini della diagnosi si distinguono le seguenti centraline ”virtuali”:

Sul retro dell'alloggiamento DIN della radio è disposto un elettroventilatore per il raffreddamento degli stadi finali dell'audio e dei processori.

Tasti Preferiti

I tasti Preferiti sono tasti programmabili.
Essi permettono di memorizzare le seguenti funzioni per rendere più rapido accedervi (a seconda degli optional):

GR_FB8406004

Indice

Spiegazione

Indice

Spiegazione

1

Lettore di CD

2

Tasti Preferiti

Nei tasti Preferiti è inserito un sensore capacitivo che reagisce al contatto.

L'occupazione di tutti i tasti Preferiti può essere cancellata dal menu ”Impostazioni” -> ”Vettura”. L'occupazione dei tasti Preferiti è descritta in modo dettagliato nel Libretto Uso e manutenzione.

CID: Central Information Display

Il CID è l'unità grafica centrale di visualizzazione. Il monitor a colori ha dimensioni di 6,5”.

GR_FB8406007

Indice

Spiegazione

Indice

Spiegazione

A

Lato anteriore

B

Lato posteriore

1

Central Information Display (CID)

2

Collegamento a spina per cavo dati LVDS

3

Collegamento a spina per bus CAN e alimentazione

 

 

Il Central Information Display è collegato con un cavo dati LVDS (Low Voltage Differential Signaling) all'unità CHAMP. Il cavo dati LVDS è una tecnica con cui i dati grafici possono essere trasmessi su un tratto più lungo. Per il cavo dati LVDS sono stati sviluppati collegamenti a spina specifici.
Il CID è collegato anche sul K-CAN.

Il CID contiene un fototransistor per la regolazione della luminosità del display a cristalli liquidi (in funzione della luminosità ambientale). Il display a cristalli liquidi viene riscaldato.

CON: Controller

Il Controller fornisce i segnali per la selezione nel menu e nei sottomenu. I sottomenu si selezionano ruotando e/o spingendo il controller. Al suo rilascio, il controller torna spontaneamente nella propria posizione di riposo.

GR_FB8406008

Indice

Spiegazione

Indice

Spiegazione

1

Controller

2

Tasto MENU:

3

tasto Push-toTalk

4

collegamento al Controrller

Dietro al Controller si trova il tasto MENU e il tasto Push-to-Talk. Con il tasto MENU si può richiamare il menu di avvio nel Central Information Display. Tramite il tasto Push-to-Talk viene attivato l'input vocale.

Il controller è collegato sul K-CAN. Il morsetto 58g alimenta il controller via K-CAN.

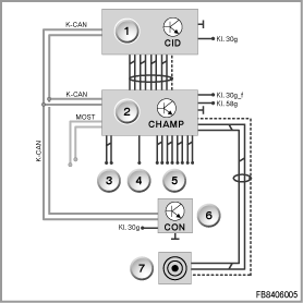
Funzioni del sistema

Di seguito sono descritte le seguenti funzioni CHAMP:

GR_FB8406005

Indice

Spiegazione

Indice

Spiegazione

1

Central Information Display (CID)

2

Central Head Unit and Multimedia Platform (CHAMP)

3

al diversity antenne

4

al diversity antenne

5

agli altoparlanti

6

Controller (CON)

7

Collegamento AUX-In

 

 

K-CAN

CAN carrozzeria

Kl. 30g

Morsetto 30g commutato

Kl. 30g_f

Morsetto 30 commutato sul MOST in caso di difetto

Kl. 58g

Illuminazione di localizzazione

MOST

Media Oriented System Transport (fibra ottica)

 

 


Sintonizzatore

CHAMP è dotata di un sintonizzatore doppio per AM/FM. Mentre il sintonizzatore 1 riceve l'emittente radio desiderata, il sintonizzatore 2 opera in sottofondo. Il sintonizzatore 2 analizza l'ambiente dell'emittente per individuare se vi sono segnali supplementari. Se un'emittente irradia un segnale più chiaro su un'altra frequenza, si commuta alternativamente su questa frequenza alternativa. Entrambi i sintonizzatori ricevono informazioni dal sistema dati radio (RDS) irradiati con il segnale dell'emittente FM. Con un'emittente AM impostata, con RDS si possono ricevere notiziari sul traffico da un'emittente FM. Alla ricezione di un notiziario sul traffico, l'emittente AM viene disattivata e il notiziario ricevuto tramite gli altoparlanti.

Controller del sistema audio

CHAMP, come controller del sistema audio, svolge le seguenti funzioni:

Pannello di comando CHAMP

La centralina nel pannello di comando CHAMP (CHAMP-BO) elabora i segnali del controller: ad es. la selezione operata nei menu e nei sottomenu. In aggiunta, essa controlla l'emissione di indicazioni sul Central Information Display (CID). I dati disponibili nel processore per la grafica vengono trasferiti immediatamente sotto forma di segnali digitali Low Voltage Differential Signaling (LVDS) al CID.

CHAMP gateway

La centralina gateway CHAMP costituisce l'interfaccia per lo scambio dati tra il bus MOST e il K-CAN. I due sistemi bus trasmettono dati con velocità e formati diversi. Per comunicare con tutti i sistemi, nel gateway CHAMP i dati vengono configurati in base al rispettivo bus.

Avvertenza per il Service

Avvertenze generali

Reset dell'unità CHAMP

L'unità CHAMP può essere resettata attraverso le seguenti misure:

Per il reset sull'unità CHAMP non sono previsti tasti o relative combinazioni.

Avvertenza! L'unità CHAMP può essere sostituita soltanto in blocco.

Nell'ambito del Service l'unità CHAMP viene sostituita soltanto in blocco.

Avvertenze per la diagnosi

Per l'unità CHAMP tra le funzioni centraline sono disponibili innumerevoli controlli.

Esempio: un CD inceppato nel lettore può essere espulso con le funzioni centraline.

I tasti Preferiti impostati con CHAMP (tasti programmabili) sono diagnosticabili con una funzione centralina.

Versioni specifiche per Paese

Versione Europa:

In sostituzione dell'unità CHAMP il Multi-Controller del sistema audio (M-ASK) è commercializzato come Radio BMW Professional.
Il M-ASK è riconoscibile dagli 8 tasti Preferiti.

GR_FB8406006

Indice

Spiegazione

Indice

Spiegazione

1

Multi-Controller sistema audio

2

8 Tasti Preferiti programmabili

Salvo refusi, errori e modifiche tecniche.