
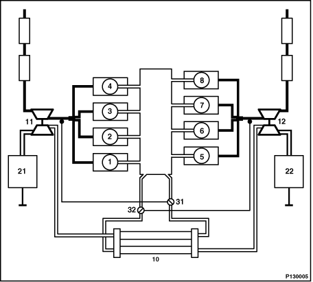
1 - 8 |
Cilindri da 1 a 8 |
10 |
Intercooler |
11 |
Turbocompressore 1 |
12 |
Turbocompressore 2 |
21 |
Flussometro massa d'aria 1 |
22 |
Flussometro massa d'aria 2 |
31 |
Valvola di ricircolo gas di scarico 1 |
32 |
Valvola di ricircolo gas di scarico 2 |