Avvertenza! Struttura del documento.
In questo documento vengono descritte innanzitutto le avvertenze di diagnosi principali. In allegato è possibile trovare la descrizione del funzionamento.
Se dopo una riparazione emergono problemi durante la cancellazione della memoria difetti, procedere come segue:
Attenzione:
in caso di determinati difetti le spie di controllo e avviso possono spegnersi solo dopo un breve giro di prova.
Dopo la sostituzione dell'unità DSC o della centralina DSC: i parametri per la spia forature pneumatici (Reifen Pannen Anzeige - RPA) e per la regolazione della velocità devono essere codificati attraverso Progman.
Per quanto riguarda la funzione DSC, la centralina si auto-codifica. Con questa procedura si memorizza anche il numero di telaio. Per tale motivo non è necessaria la taratura del sensore angolo di sterzata nel DSC 8/DSC 8Plus. Ad ogni avvio (accensione on) il DSC confronta il numero di telaio memorizzato con quello corrente. Il DSC si codifica in base al tipo di vettura se i numeri di telaio non coincidono. In questo caso i valori di taratura inizializzati dei sensori vengono riportati alla registrazione base (eccezione: sensore di accelerazione longitudinale).
Eseguire i seguenti interventi:
Dopo la sostituzione del sensore DSC eseguire la funzione Service ”Taratura sensore DSC”. Nel sensore DSC viene tarato il sensore di accelerazione longitudinale.
Il sensore angolo di sterzata costituisce un'unica unità con il centro di comando piantone dello sterzo. Il sensore dell'angolo di sterzata non può essere sostituito singolarmente. La funzione Service ”Taratura sensore angolo di sterzata” o, nelle vetture con sterzo attivo, la funzione ”Messa in funzione/regolazione sterzo attivo” deve essere eseguita dopo i seguenti interventi:
Il modello E70 viene equipaggiato di serie con il Controllo Dinamico Stabilità (DSC).
E60/E61 dal 03/2007.
DSC rappresenta un ulteriore sviluppo di DSC 8Plus. A fini di distinzione questo sistema di regolazione dell'autotelaio prende il nome di ”DSC Premium”. Fornitore del sistema per il DSC è Bosch.
Le funzioni di regolazione del DSC sono ulteriormente ottimizzate. Il miglioramento si è ottenuto grazie all'impiego di un pompa di ricupero con 6 pistoni ed un'elettronica più potente. Rispetto al modello precedente (E53) la E70 dispone di funzioni ampliate:
Un ulteriore grado di sicurezza si ottiene in combinazione con altri sistemi:
Il DSC è un sistema di regolazione della dinamica di marcia atto a mantenere la stabilità di marcia. Il DSC ottimizza:
Il DSC riconosce inoltre condizioni di marcia instabili, quali stati di sottosterzata o sovrasterzata. Il DSC aiuta a mantenere la vettura in una traiettoria sicura entro i limiti fisici.
A tal fine il DSC deve conoscere i seguenti parametri per la dinamica di marcia:
Inoltre la richiesta del guidatore viene riconosciuta dall'angolo di sterzata e dalla pressione esercitata sul pedale del freno. Inoltre i sensori di velocità ruota forniscono l'informazione sulla velocità delle singole ruote. Dai valori di misurazione disponibili viene calcolato lo stato effettivo della vettura in movimento. Questo stato viene confrontato con i valori nominali calcolati nella centralina DSC. Se i valori effettivi momentanei si discostano dallo stato nominale, il DSC si attiva e interviene attivamente sull'impianto frenante o sulla centralina di gestione motore.
Di seguito sono descritti i componenti per il controllo dinamico della stabilità:
L'unità DSC è composta dalla centralina DSC e dall'unità idraulica. La centralina DSC attiva mediante bobine valvola il gruppo idraulico.

Indice |
Spiegazione |
Indice |
Spiegazione |
|---|---|---|---|
1 |
Centralina DSC con collegamento a spina |
2 |
Unità idraulica |
3 |
Motore della pompa |
|
|
Nell'unità DSC è montato un sensore di pressione ai freni. Questo sensore rileva la pressione applicata attraverso il pedale del freno ed il servofreno.
Il sensore ha un campo di misura da 0 a 250 bar. Il suo punto zero viene tarato solo durante la marcia.
L'unità DSC permette con la nuova impostazione una regolazione più precisa. Nel motore della pompa funzionano 2 x 3 elementi della pompa di 6,5 mm. Con questo sistema si genera una dinamica di spinta essenzialmente migliore. In tal modo il pedale del freno pulsa di meno in caso di regolazione ABS. Inoltre si registra una maggiore qualità di regolazione in presenza dell'Hill Descent Control (HDC).

Indice |
Spiegazione |
Indice |
Spiegazione |
|---|---|---|---|
A |
DSC 8Plus |
B |
DSC Premium |
1 |
Portata [l/min] |
2 |
Durata [s] |
Il distributore di corrente nell'elettronica junction box (JBE) alimenta tensione all'unità. Una volta il morsetto 30 per la pompa di ricupero, una volta il morsetto 30 per le elettrovalvole. La centralina DSC monta il morsetto 30g.
I sensori di velocità ruota attivi rilevano la velocità periferica delle singole ruote. Inoltre tali sensori riconoscono il senso di rotazione (in avanti o indietro). Con ruota ferma il sensore trasmette un impulso ogni
0,75 secondi. Attraverso l'impulso di corrente viene segnalata la disponibilità del sensore di velocità ruota.
I sensori di velocità ruota attivi offrono i seguenti vantaggi:

Indice |
Spiegazione |
Indice |
Spiegazione |
|---|---|---|---|
1 |
Sensore di velocità ruota avantreno |
2 |
Sensore di velocità ruota retrotreno |
3 |
Impulso per il regime |
4 |
Informazioni supplementari, quali ad es. il senso di rotazione ed il gioco |
5 |
Andamento del segnale |
6 |
Cuscinetto ruota con magneti |
Sull'assale anteriore e posteriore attorno al cuscinetto ruota è montato un circuito di magneti (corona incrementale). I poli nord e sud della corona si alternano. Un polo nord con un polo sud corrisponde ad 1 incremento (paragone tra dente/vano interdentale di una ruota incrementale). Il sensore di velocità ruota è composto da 3 sensori Hall e da un'unità elettronica di valutazione.
I sensori di velocità ruota attivi variano la loro resistenza elettrica sotto l'influsso di un campo magnetico. Ciascun incremento provoca 2 impulsi nel sensore (96 impulsi/rotazione della ruota). Per la trasmissione dati alla centralina al fianco dell'impulso si aggiungono ancora altri dati. Questa elaborazione dati integrata va oltre il puro rilevamento del regime sotto il profilo funzionale. Sono ad es. possibili le seguenti informazioni supplementari:
Il sensore DSC misura:

Indice |
Spiegazione |
Indice |
Spiegazione |
|---|---|---|---|
1 |
Sensore DSC |
2 |
Collegamento a spina |
L'elemento sensore è composto da 2 sensori d'accelerazione piezoelettrici. Nella cella di misurazione dei sensori d'accelerazione è sospesa elasticamente una massa.
In caso di accelerazione accelerano anche le 2 masse. La forza necessaria a tal fine genera una tensione meccanica in materiale piezoelettrico. Lo spostamento della carica elettrica che si genera viene eliminato con elettrodi in metallo ed elaborato sotto forma di segnale. Dalla differenza dei due segnali di accelerazione si deriva l'angolo d'imbardata. Il sensore DSC fornisce quindi di volta di volta un segnale d'angolo d'imbardata ed un segnale d'accelerazione.
Il sensore di accelerazione longitudinale è necessario per l'assistenza alla partenza.
Il sensore DSC è collegato attraverso il CAN autotelaio (F-CAN) con la centralina DSC.
La centralina DSC alimenta tensione al sensore DSC.
Nel centro di comando piantone dello sterzo (SZL) è montato il sensore angolo di sterzata. Questo sensore rileva l'angolo di sterzata per via ottica e in assenza di contatto. Il sensore angolo di sterzata è fissato sul chip con l'elettronica di valutazione. Esso è composto dai seguenti componenti: disco graduato e sensore ottico.
Il disco graduato è collegato attraverso la cassetta della molla a bovolo con il volante. Quando si muove il volante, il disco graduato si sposta all'interno del sensore ottico. Sul disco graduato sono presenti diverse linee di riferimento per la valutazione.

Indice |
Spiegazione |
Indice |
Spiegazione |
|---|---|---|---|
1 |
Centro di comando piantone dello sterzo (SZL) |
2 |
Sensore ottico |
3 |
Disco graduato |
|
|
L'SZL è collegato attraverso il CAN autotelaio (F-CAN) con la centralina DSC.
Con il tasto DTC si passa allo stato d'esercizio del sistema di regolazione dell'autotelaio. Il tasto DTC porta la scritta ”DTC”. Con il tasto DTC si possono selezionare 3 stati di commutazione:
E70:
Il tasto DTC è disposto nel centro di comando consolle centrale (nessuna centralina). Il centro di comando consolle centrale è collegato con il riscaldamento e climatizzazione automatici integrati (IHKA). L'IHKA trasmette il segnale sul K-CAN.
E60 e E61 dal 03/2007:
Il tasto DTC è disposto nel gruppo interruttori a sinistra vicino al posacenere. Il gruppo interruttori è collegato all'unità di comando consolle centrale (SZM). La centralina SZM si trova nel portastrumenti dietro al cassetto portaoggetti.

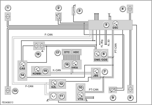
La grafica mostra il modello E70
Indice |
Spiegazione |
Indice |
Spiegazione |
|---|---|---|---|
1 |
Unità di comando console centrale |
2 |
Tasto HDC HDC sta per Hill Descent Control: sistema automatico di rallentamento in discesa |
3 |
Tasto DTC |
|
|
E70:
Anche il tasto HDC è montato nel centro di comando consolle centrale.
E60 e E61:
i tre tasti sullo sterzo, liberamente programmabili, possono essere memorizzati per il sistema automatico di rallentamento in discesa (HDC). HDC può quindi essere attivato tramite iDrive.
Il DSC riceve segnali in ingresso supplementari dai seguenti componenti:
Un eventuale livello insufficiente del liquido freni viene rilevato (nel serbatoio di compensazione attraverso un contatto Reed) e segnalato alla centralina DSC. In caso di livello liquido freni insufficiente il DSC rimane disattivato. Altrimenti sussiste il pericolo che nell'impianto frenante venga aspirata aria.
In combinazione con il segnale del sensore di pressione ai freni si riconoscono fasi di frenata.
Nell'interruttore delle luci di stop sono montati 2 interruttori (a 2 stadi). Uno dei segnali viene messo a disposizione del DSC attraverso un cavo. La centralina di gestione motore riceve entrambi i segnali. La centralina di gestione motore trasmette il segnale sul PT-CAN. Dai due segnali la centralina DSC riconosce se il pedale del freno è premuto.

Indice |
Spiegazione |
Indice |
Spiegazione |
|---|---|---|---|
1 |
Interruttore luci di stop |
2 |
Collegamento a spina |
Il Car Access System (CAS) alimenta l'interruttore delle luci di stop con morsetto R.
I sensori di usura pastiglie freno (anteriore sinistro e posteriore destro nelle pastiglie freno interne) fungono da informazione supplementare sullo spessore della pastiglia. Sulla base del l'informazione supplementare (2 riferimenti) si compensa il valore calcolato dal DSC.

Indice |
Spiegazione |
Indice |
Spiegazione |
|---|---|---|---|
1 |
Disco freno |
2 |
Pinza freno |
3 |
Sensore di usura pastiglie freno (esempio retrotreno) |
|
|
Lo spessore critico delle pastiglie freno viene visualizzato in rosso nella strumentazione centrale attraverso l'indicatore Service (Condition Based Service CBS) e la spia di avviso freni generale.
Di seguito sono riportate altre centraline coinvolte nel controllo dinamico della stabilità:
In caso di avaria o disturbo del DSC nel display LC compare un simbolo Check Control. I simboli Check Control hanno tutti un determinato significato.
In presenza di un messaggio Check Control è inoltre possibile visualizzare un avvertimento integrativo sul Central Information Display (CID).
Il CAS riceve dal DSC un segnale di regime. Il CAS riconosce dal segnale se la vettura è ferma o in marcia.
Il distributore di corrente nell'elettronica della junction box alimenta tensione all'unità DSC.
Morsetto 30 per la pompa di ricupero e le elettrovalvole.
Morsetto 30g per la centralina DSC.

La grafica mostra il modello E70
Indice |
Spiegazione |
Indice |
Spiegazione |
|---|---|---|---|
1 |
Sensore di velocità ruota anteriore sinistro |
2 |
Sensore di usura pastiglie freno lato anteriore sinistro |
3 |
Interruttore di livello liquido freni |
4 |
Sensore di velocità ruota lato anteriore destro |
5 |
Controllo dinamico della stabilità (DSC) |
6 |
Elettronica digitale del motore o elettronica digitale diesel (DME o DDE) |
7 |
Elettronica junction box (JBE) |
8 |
Sensore di regime ruota lato posteriore destro |
9 |
Sensore di usura pastiglie freno lato anteriore sinistro |
10 |
Ripartitore di coppia (VTG) |
11 |
Sensore DSC |
12 |
Centro di comando piantone dello sterzo (SZL) |
13 |
Sensore di velocità lato posteriore sinistro |
14 |
Car Access System (CAS) CAS |
15 |
Strumentazione centrale (KOMBI) |
16 |
Riscaldamento e climatizzazione automatici integrati (IHKA) |
17 |
Unità di comando console centrale |
18 |
Interruttore luci di stop |
F-CAN |
CAN autotelaio |
K-CAN |
CAN carrozzeria |
Kl. 30 |
Morsetto 30 |
Kl. 30g |
Morsetto 30g |
PT-CAN |
CAN Powertrain |
|
|
Di seguito sono descritte le nuove funzioni del DSC per la E70:
Altre funzioni del DSC note sono le seguenti:
Inoltre sono integrate anche le seguenti funzioni non rientranti nella regolazione della dinamica di marcia:
Il DTC è una versione ottimizzata del DSC per regolare l'aderenza su determinati fondi stradali. Il controllo dinamico della trazione (DTC) offre una trazione migliore in caso di stabilità di marcia parzialmente ridotta ed è quindi raccomandato solo in situazioni eccezionali. Nelle situazioni eccezionali riportate di seguito è opportuno attivare il DTC per un breve periodo:
La funzione DTC corrisponde al DSC con strategia di regolazione leggermente modificata. Il DTC può essere attivato mediante il disinserimento del DSC (tasto DTC). Il DTC costituisce mediante l'intervento sui freni la funzione di un bloccaggio differenziale di tipo convenzionale. In tal modo aumenta la trazione sulle ruote che si trovano su un fondo che offre un'aderenza maggiore.
Vantaggio: con il DTC è disponibile maggiore forza di trazione. Gli interventi per stabilizzare la vettura (ad es. riduzione della potenza del motore) vengono eseguiti leggermente dopo rispetto al DSC. In determinate situazioni il guidatore stesso deve intervenire in modo più deciso per stabilizzare la vettura.
Applicando in anticipo le pastiglie freni il tempo di attivazione dei freni si riduce. Rilasciando rapidamente il pedale dell'acceleratore (angolo del pedale dell'acceleratore) le pastiglie freno vengono applicate immediatamente. Il DSC genera bassa pressione ai freni, senza che si percepisca una chiara decelerazione della vettura. In tal modo si compensa il gioco tra pastiglia e disco freno. Se entro mezzo secondo non si frena, si riduce nuovamente la pressione freni generata in anticipo. L'applicazione anticipata delle pastiglie freno è attiva con velocità di marcia superiore a 70 km/h.
La frenatura di asciugatura elimina l'umidità che si deposita sul disco del freno su fondo stradale bagnato o in caso di pioggia, applicando leggermente le pastiglie freno. Anche questa funzione riduce il tempo di attivazione dei freni. A seconda del segnale del sensore di pioggia o della posizione dell'interruttore del tergilunotto il DSC genera ciclicamente bassa pressione freni. Non si rilevano quindi decelerazioni. Le pastiglie freno si applicano in modo ciclico ed i dischi si asciugano regolarmente. La ripetitività e la durata di applicazione delle pastiglie dipendono dai seguenti fattori:
Fading significa: effetto frenante ridotto in seguito ad una temperatura elevata dei dischi. Come reazione al riconoscimento del fading il DSC aumenta la pressione ai freni oltre a quella prescritta dal guidatore. Con temperatura dischi freni molto elevata grazie alla compensazione del fading si attivano:
Il DSC riconosce il fading nel seguente modo: Il DSC confronta la decelerazione corrente della vettura con un valore nominale riferito alla pressione ai freni corrente. Il DSC aumenta la pressione ai freni fino al raggiungimento della decelerazione nominale o fino a che tutte le ruote non si trovano nella regolazione ABS. Il processo termina quando si rilascia il pedale del freno o si scende al di sotto di una determinata soglia di velocità.
Nello spunto in salita è necessario passare rapidamente dal pedale del freno a quello dell'acceleratore. L'assistenza alla partenza impedisce che la vettura si muova autonomamente nelle seguenti situazioni:
A tal fine viene mantenuta la pressione ai freni necessaria a tenere ferma la vettura. La pendenza della strada viene rilevata dal sensore di accelerazione longitudinale nella centralina DSC. Da questa inclinazione si calcola la coppia frenante o la coppia motore necessaria. Al riconoscimento dell'intenzione di effettuare lo spunto la pressione ai freni viene scaricata non appena si raggiunge la coppia motore necessaria a spostare la vettura nel senso desiderato. In caso di azionamento del freno di stazionamento l'assistenza alla partenza si disattiva. Se rilasciando il pedale freno non si riconoscono intenzioni di partire per circa 2 secondi, anche in questo caso la l'assistenza si disattiva.
La regolazione della velocità con funzione frenante è integrata nel DSC. La regolazione della velocità mantiene costante la velocità selezionata tra 30 km/h e 250 km/h.
Rispetto alla regolazione della velocità tradizionale, sono disponibili le seguenti funzioni supplementari:
L'EMF è un freno di parcheggio.
Con motore in funzione il DSC applica la forza di ritegno per via idraulica.
A motore spento l'EMF applica la forza di ritegno per via meccanica attraverso l'unità di regolazione.
Il sistema antibloccaggio (ABS) impedisce il bloccaggio delle ruote in fase di frenata. Vantaggio: spazi di frenata brevi, la vettura rimane stabile e manovrabile. La pressione ai freni su tutte le ruote viene regolata in modo che ciascuna ruota giri in un campo di slittamento ottimale. Lo slittamento viene regolato in modo da poter trasmettere forze di frenata e tenuta laterale il più possibile elevate.
La ripartizione elettronica della forza frenante (EBV) è parte integrante dell'ABS. L'EBV regola la ripartizione della forza frenante tra l'avantreno ed il retrotreno in funzione del carico. Vantaggio: indipendentemente dal carico si ottengono spazi di frenata ottimali mantenendo una buona stabilità di marcia. L'usura delle pastiglie freno viene distribuita meglio. In caso di avaria dell'ABS la funzione EBV rimane attiva il più a lungo possibile. Per la funzione EBV occorrono i segnali di almeno 2 sensori di velocità ruota per asse.
Il Cornering Brake Control (CBC) è un'estensione dell'ABS. Il CBC aumenta la stabilità di marcia nel frenare in curva (”logica della curva”). Vantaggio: ottimizzazione della stabilità di marcia nella frenata parziale in curva. La dislocazione dei carichi ruota in curva può diminuire la stabilità di marcia sin dalle frenate più lievi. Il CBC genera all'occorrenza, in caso di frenata lieve non rientrante nel campo di regolazione dell'ABS, una coppia antagonista stabilizzante.
La regolazione della coppia trainante del motore (MSR) impedisce la tendenza al bloccaggio delle ruote motrici su fondo scivoloso. Nel passare alla marcia inferiore o in caso di improvvise variazioni di carico sussiste il pericolo (in particolare su fondo stradale con bassa aderenza) che le ruote motrici si blocchino per effetto della coppia trainante del motore. Attraverso i sensori di velocità ruota l'MSR riconosce la tendenza al bloccaggio fin dai primi sintomi. L'MSR riduce brevemente la coppia trainante con lievi accelerazioni. Vantaggio: le ruote motrici mantengono anche in fase di rilascio la loro tenuta laterale.
Il controllo automatico della stabilità (ASC) impedisce la rotazione a vuoto delle ruote in fase di accelerazione con interventi sui freni e sul motore. Vantaggio: maggiore trazione e migliore stabilità di marcia. Quando le ruote dell'asse trainato hanno un'aderenza diversa, la ruota che tende a girare a vuoto viene frenata. All'occorrenza si riduce anche la potenza del motore.
Lo stato corrente della vettura viene riconosciuto dal controllo dinamico di stabilità (DSC) dai segnali del sensore. Questo stato viene confrontato con i valori nominali stabiliti attraverso un modello di calcolo. In tal modo si possono riconoscere eventuali instabilità di marcia fin dai primi sintomi. In caso di scostamenti oltre la soglia di regolazione memorizzata nella centralina DSC, la vettura si stabilizza. La stabilizzazione (entro i limiti fisici) si ottiene riducendo la potenza motore e frenando le singole ruote. Gli interventi DSC sovrappongono le funzioni ABS e ASC. La funzione DSC è disinseribile con un tasto. L'R56 non dispone di controllo dinamico della trazione (DTC).
Il controllo dinamico dei freni (DBC) interviene in situazioni d'emergenza, intensificando automaticamente la pressione applicata ai freni. Vantaggio: spazi di frenata il più possibile brevi nelle frenate d'emergenza con il raggiungimento della regolazione ABS su tutte e 4 le ruote. Nelle frenate d'emergenza spesso non si preme con sufficiente energia il pedale del freno. In tal modo non si raggiunge il campo di regolazione ABS. Con l'aumento della pressione ai freni la pompa di ricupero porta i freni nel campo di regolazione ABS nelle seguenti situazioni:
Il controllo dinamico di stabilità (DSC) prestabilisce il valore nominale per la regolazione della trazione integrale con l'xDrive. La centralina DSC calcola il momento di bloccaggio della frizione a lamelle nel ripartitore di coppia. Il valore nominale dipende dalla tendenza alla sovrasterzata o alla sottosterzata della vettura ed allo slittamento delle ruote. Il valore nominale viene trasmesso sul PT-CAN alla centralina VTG. La centralina VTG ritrasmette il momento di bloccaggio effettivamente registrato alla centralina DSC. La centralina DSC calcola il momento di bloccaggio della frizione a lamelle nel seguente modo:
L'Hill Descent Control (HDC) è una regolazione automatica della velocità per la marcia in discesa nelle vetture con trazione integrale. L'HDC può essere inserito e disinserito dal centro di comando consolle centrale. Esso riduce automaticamente la velocità di marcia. Intervenendo sui freni di tutte e quattro le ruote la velocità di marcia si riduce a poco più della velocità di passo. Ne consegue una marcia in discesa stabile su fondo ripido e scivoloso. L'HDC mantiene questa velocità costante (le funzioni DSC rimangono tutte attive). Con il pedale dell'acceleratore ed il pedale del freno o il braccio di comando sterzo per la regolazione della velocità, questa può variare in modo continuo entro valori definiti. Di fabbrica il tasto liberamente programmabile in basso sul volante multifunzione è occupato dall'HDC.
Il controllo della stabilità del rimorchio riconosce le oscillazioni del rimorchio attorno all'asse verticale. Il sistema funziona a partire da una velocità di circa 65 km/h con presa rimorchio occupata. Il controllo dinamico di stabilità (DSC) sorveglia con l'ausilio dei sensori DSC la tendenza all'imbardata della vettura. Se l'insieme di vettura e rimorchio oscillano e si supera il valore limite, la potenza del motore viene ridotta. Inoltre il DSC frena automaticamente tutte e 4 le ruote. Con DSC disattivato o difettoso anche il controllo della stabilità del rimorchio è inefficiente.
La spia foratura pneumatici (RPA) non è una funzione della regolazione della dinamica di marcia. L'RPA è integrata nella centralina DSC, poiché per questa funzione occorrono i 4 segnali di velocità ruota. Il sistema confronta attraverso questi 4 segnali eventuali scostamenti della circonferenza di rotolamento delle singole ruote. In tal modo si riconosce una lenta perdita della pressione dei pneumatici.
La spia foratura pneumatici può essere inizializzata nel seguente modo:
Il CBS non è una funzione della regolazione della dinamica di marcia. Condition Based Service significa ”Service orientato al fabbisogno”. Nel CBS sono integrate diverse funzioni di manutenzione, ad es. olio motore, candele e pastiglie freno. Nella centralina DSC la percorrenza residua viene calcolata separatamente per le pastiglie freno anteriori e posteriori. Per il calcolo si tiene anche conto del segnale dei sensori di usura pastiglie freno (quote di riferimento 6 mm e 4 mm).
Attenzione: sostituzione della centralina DSC.
In caso di sostituzione della centralina DSC occorre tenere conto delle Istruzioni per le riparazioni (necessario attrezzo speciale).
Nel sistema di diagnosi BMW sono disponibili la seguente funzioni Service:
In caso di sostituzione, la centralina DSC deve essere codificata.
Avviando il motore il DSC è pronto a funzionare.
Salvo refusi, errori e modifiche tecniche.