La E70 può essere equipaggiata con l'optional 2VA ”Adaptive Drive”. Questo optional consta di 2 sistemi:
gestione della dinamica verticale (VDM) e barra stabilizzatrice attiva (ARS: designazione commerciale Dynamic Drive). Nel presente documento è descritta la gestione della dinamica verticale.
La gestione della dinamica verticale offre i seguenti vantaggi:

Indice |
Spiegazione |
Indice |
Spiegazione |
|---|---|---|---|
1 |
Centralina VDM |
2 |
Ammortizzatore con satellite posteriore destro (EDCSHR) |
3 |
Sensore altezza posteriore destro |
4 |
Sensore altezza posteriore sinistro |
5 |
Ammortizzatore con satellite posteriore sinistro (EDCSHL) |
6 |
Ammortizzatore con satellite anteriore sinistro (EDCSVL) |
7 |
Sensore altezza anteriore sinistro |
8 |
Sensore altezza anteriore destro |
9 |
Ammortizzatore con satellite anteriore destro (EDCSVR) |
|
|
F-CAN |
CAN autotelaio |
FlexRay |
Sottobus |
PT-CAN |
CAN Powertrain |
|
|
EDC sta per: controllo elettronico degli ammortizzatori.
La gestione della dinamica verticale (VDM) è una rielaborazione del controllo elettronico continuo degli ammortizzatori (EDC-K) della E65. La VDM è composta da una centralina principale e 4 satelliti ammortizzatori intelligenti collegati saldamente con gli ammortizzatori.
Come linea dati si realizza per la prima volta il bus dati FlexRay.
Di seguito sono descritti i componenti della gestione della dinamica verticale:
La centralina VDM è fissata sul supporto strumenti posteriore destro nel bagagliaio.

Indice |
Spiegazione |
Indice |
Spiegazione |
|---|---|---|---|
1 |
Comfort Access (CA) |
2 |
Modulo rimorchio (AHM) |
3 |
Park Distance Control (PDC) |
4 |
Gestione della dinamica verticale (VDM) |
5 |
Controllo elettronico dell'altezza (EHC) |
|
|
La VDM aumenta il comfort di marcia. Si ottiene maggior comfort se la carrozzeria viene mossa poco in senso verticale, evitando cioè di sollecitarla lungo la strada (fondo stradale irregolare, giunti) o in curva.
La centralina VDM richiede ai satelliti l'attivazione degli ammortizzatori (forza ammortizzante individuale per ruota). A tal fine la centralina VDM è collegata con i satelliti degli ammortizzatori mediante bus dati FlexRay rapidissimi.
Con una velocità di trasmissione dati di 10 MBit/s il FlexRay è chiaramente più rapido rispetto ai bus dati impiegati oggi nelle autovetture (settore carrozzeria e motore o autotelaio). Il FlexRay supporta, oltre alla larghezza di banda maggiore, una trasmissione dati in tempo reale. Il FlexRay può essere configurato con una determinata tolleranza sui difetti.
Sono disponibili 4 satelliti ammortizzatori:
Essi effettuano la regolazione elettronica delle forze ammortizzanti. I satelliti e le valvole EDC sono collegati agli ammortizzatori costituendo con essi un unico complessivo. Ciascun satellite ammortizzatore contiene un proprio sensore di accelerazione verticale. I satelliti hanno inoltre i seguenti compiti:

Satellite ammortizzatore: ad es. assale anteriore sinistro
Indice |
Spiegazione |
Indice |
Spiegazione |
|---|---|---|---|
1 |
Satellite ammortizzatore anteriore sinistro (EDCSVL) |
2 |
Molla in acciaio |
3 |
Ammortizzatore |
4 |
Valvola EDC |

Satellite ammortizzatore: ad es. assale posteriore destro
Indice |
Spiegazione |
Indice |
Spiegazione |
|---|---|---|---|
1 |
Satellite ammortizzatore posteriore destro (EDCSHR) |
2 |
Valvola EDC |
3 |
Ammortizzatore |
|
|
Sono disponibili in tutto 4 sensori di altezza:
I 4 sensori di altezza sono collegati con la centralina VDM. Essi forniscono informazioni dinamiche sull'altezza della carrozzeria alla centralina VDM. La gestione della dinamica verticale calcola le vibrazioni della carrozzeria e le accelerazioni delle ruote.
I sensori forniscono informazioni relative alla regolazione automatica della profondità del fascio luminoso.
I sensori di altezza doppi sull'assale posteriore emettono il segnale non solo alla centralina VDM, ma anche alla centralina EHC. Tali sensori portano la scritta ”doppio” sulla scatola.

Sensore di altezza: ad es. assale anteriore sinistro
Indice |
Spiegazione |
Indice |
Spiegazione |
|---|---|---|---|
1 |
Sensore di altezza |
2 |
Asta articolata |

Sensore di altezza: ad es. assale posteriore sinistro
Indice |
Spiegazione |
Indice |
Spiegazione |
|---|---|---|---|
1 |
Sensore di altezza |
2 |
Asta articolata |
Il pulsante SPORT è disposto nella consolle centrale dietro il selettore marce (GWS). Attivando il pulsante SPORT è possibile modificare la caratteristica di ammortizzazione:
Comfort <-> Sport.
Il pulsante è collegato elettricamente al selettore marce (GWS). GWS è una centralina specifica. Il segnale viene emesso sul PT-CAN.

Indice |
Spiegazione |
Indice |
Spiegazione |
|---|---|---|---|
1 |
Pulsante del freno di parcheggio |
2 |
Interruttore della leva del cambio (GWS) |
3 |
Pulsante SPORT |
|
|
Un LED di controllo nel tasto SPORT indica che il programma Sport è attivato. Nel display LC della strumentazione viene visualizzata la scritta ”SPORT”.
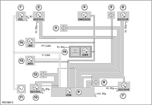
Altre centraline riportate di seguito emettono i segnali per la gestione della dinamica verticale:
La centralina ARS segnala l'accelerazione trasversale sul PT-CAN alla VDM. La centralina VDM necessita del segnale come valore sostitutivo.
La centralina DSC fornisce la velocità di marcia nonché la pressione freni sul PT-CAN alla VDM.
L'SZL fornisce il segnale del sensore dell'angolo di sterzata sull'F-CAN alla VDM (riconoscimento anticipato di una curva).
La centralina di gestione motore emette il segnale ”Motore in funzione”. Il segnale viene trasmesso sul PT-CAN.
La JBE fornisce lo stato dei morsetti. Inoltre essa è il gateway tra PT-CAN e K-CAN.

Indice |
Spiegazione |
Indice |
Spiegazione |
|---|---|---|---|
1 |
Unità di comando piantone sterzo (SZL) |
2 |
Satellite ammortizzatore anteriore sinistro (EDCSVL) |
3 |
Sensore altezza anteriore sinistro |
4 |
elettronica digitale del motore o elettronica digitale diesel |
5 |
Sensore altezza anteriore destro |
6 |
satellite ammortizzatore anteriore destro (EDCSVR) |
7 |
Satellite ammortizzatore posteriore destro (EDCSHR) |
8 |
Sensore altezza posteriore destro |
9 |
Centralina VDM |
10 |
Satellite ammortizzatore posteriore sinistro (EDCSHL) |
11 |
Sensore DSC |
12 |
Sensore altezza posteriore sinistro |
13 |
Barra stabilizzatrice attiva (ARS: Dynamic Drive) |
14 |
Elettronica Junction Box (JBE) |
15 |
Selettore marce con pulsante SPORT |
|
|
Di seguito sono descritte le funzioni della gestione della dinamica verticale:
Per ammortizzare i movimenti delle ruote e della carrozzeria, il movimento della vettura viene monitorato. Vengono quindi montati i seguenti assi:
Per il controllo vengono utilizzati i seguenti segnali:
Dai segnali viene valutata la situazione di marcia attuale.
Per l'asse normale la regolazione dell'ammortizzazione si divide in comfort e sicurezza.
Per quanto riguarda il comfort, la gestione della dinamica verticale ammortizza i movimenti della carrozzeria.
Per quanto riguarda la sicurezza, invece, la gestione della dinamica verticale ammortizza le accelerazioni delle ruote. Occorre quindi assicurarsi che le ruote aderiscano al fondo stradale. A seconda della situazione occorre trasmettere una forza di contatto ottimale.
La gestione della dinamica verticale tiene anche conto di sterzate (ad es. passaggio dalla marcia rettilinea a una curva). Se si riconosce un rapido aumento dell'angolo di sterzata, la centralina VDM individua l'inizio di una curva. Gli ammortizzatori possono essere azionati preventivamente. La gestione della dinamica verticale supporta quindi la barra stabilizzatrice attiva (ARS). VDM contribuisce quindi alla riduzione del rollio.
La gestione della dinamica verticale riconosce anche le frenate e le accelerazioni. A tal fine il DSC mette a disposizione il segnale attraverso la pressione ai freni e l'accelerazione longitudinale. Una pressione ai freni maggiore provoca normalmente il beccheggio della vettura. La VDM contrasta questo beccheggio regolando in modo più duro gli ammortizzatori anteriori. Anche il beccheggio della vettura viene contrastato in accelerazione.
A seconda del tipo di ammortizzazione selezionato (comfort o sportivo mediante pulsante SPORT) il livello della forza ammortizzante è adattato dalla centralina VDM. Indipendentemente da ciò, in situazioni di guida critiche il programma comfort selezionato offre la massima sicurezza.
A seconda del tipo di difetto presente la sicurezza contro le avarie si suddivide in 3 stadi:

Indice |
Spiegazione |
Indice |
Spiegazione |
|---|---|---|---|
1 |
Messaggio Check Control |
|
|
Attenzione: in caso di sostituzione degli ammortizzatori indicare la posizione di montaggio.
Gli ammortizzatori costituiscono unitamente ai satelliti ammortizzatori ed alla valvola EDC un unico complessivo. Nell'ordinare un pezzo di ricambio nuovo, è necessario indicare il tipo di vettura e la posizione di montaggio (ad es. lato anteriore sinistro). Sussistono limitazioni per quanto riguarda: motorizzazione, sospensioni ed optional (ad es. 3 file di sedili).
Avvertenza più memorie difetti per la gestione della dinamica verticale.
La centralina VDM memorizza solo difetti propri nella propria memoria. I difetti dei satelliti ammortizzatori vengono memorizzati nella relativa memoria. Per tale motivo in presenza di un difetto non si deve solo leggere la memoria della centralina VDM, ma anche quella dei satelliti ammortizzatori. Tali satelliti devono essere accessibili al sistema di diagnosi BMW. Per tale motivo la centralina VDM funziona anche come gateway per la diagnosi tra PT-CAN e FlexRay.
Attenzione: eseguire la taratura dei sensori di altezza.
Dopo aver sostituito la centralina VDM e un sensore di altezza, occorre reinizializzare i valori di taratura dei sensori di altezza. A tal fine nel sistema di diagnosi BMW occorre utilizzare la funzione Service ”Taratura altezza”.
Attenzione: eseguire la taratura dei sensori di accelerazione verticale.
Dopo aver sostituito uno o più satelliti ammortizzatori, occorre sempre eseguire la taratura dei sensori di accelerazione verticale. Nel sistema di diagnosi BMW deve essere utilizzata la funzione di assistenza ”taratura sensore accelerazione verticale”.
La vettura deve essere quindi ferma.
In caso di sostituzione, la centralina VDM deve essere ricodificata.
La gestione della dinamica verticale si attiva nelle seguenti condizioni:
Salvo refusi, errori e modifiche tecniche.