Alimentazione della tensione E70
Alimentazione della tensione E70
Un complesso di hardware e software assicura l'alimentazione della tensione ai sistemi della vettura. Essenziali per l'alimentazione della tensione sono 2 funzioni software:
- Gestione dell'energia
- Gestione della potenza
La gestione dell'energia provvede a garantire sempre la corrente necessaria al motorino d'avviamento.
Essa sorveglia la vettura anche a motore fermo.
La gestione dell'energia comprende tutti i componenti
della vettura che generano energia, la accumulano e la consumano.
I dati di gestione sono ripartiti su più centraline.
La gestione della potenza (Power management) è parte della gestione dell'energia.
Essa è compito della centralina di gestione motore (DME o DDE: elettronica digitale del motore o elettronica digitale diesel).
Durante la marcia la gestione della potenza regola la potenza dell'alternatore e la carica della batteria.
Breve descrizione dei componenti
Per l'alimentazione della tensione si descrivono i seguenti componenti:
- Batteria
- Alternatore
- Elettronica box di connessione
- distributore di corrente
- Sensore intelligente della batteria
- Car Access System
- elettronica digitale motore o elettronica digitale diesel
- Sistema multiplo di ritenuta
- interfaccia dati seriale
- cavi batteria
- box portarelè
Schema funzionale di sistema
Indice
|
Spiegazione
|
Indice
|
Spiegazione
|
1
|
Elettronica digitale del motore (DME) o elettronica digitale diesel (DDE)
|
2
|
Alternatore
|
3
|
Motorino d'avviamento
|
4
|
Distributore di corrente posteriore
|
5
|
Box portarelè
|
6
|
Riscaldatore elettrico supplementare (solo nella versione con motore diesel)
|
7
|
Elettronica junction box
(JBE) con distributore di corrente anteriore
|
8
|
Sensore intelligente della batteria (IBS) sul polo negativo della batteria
|
9
|
Polo positivo batteria
|
10
|
Car Access System (CAS)
|
11
|
Blocco fusibili
|
|
|
BSD
|
Interfaccia dati seriale
|
Kl. 15 WUP
|
Linea di attivazione (morsetto 15 wake-up)
|
Bus K
|
Bus carrozzeria
|
CAN K
|
CAN carrozzeria
|
PT-CAN
|
CAN Powertrain
|
|
|
Batteria
La capacità della batteria montata dipende dal motore e dall'equipaggiamento della vettura. Criteri di selezione della capacità necessaria sono:
- comportamento del motore nell'avviamento a freddo
- assorbimento di corrente di riposo
- fabbisogno di energia delle utenze a vettura ferma
(riscaldamento a vettura ferma, telefono, ecc.)
Alternatore
L'alternatore genera un livello variabile di tensione di carica batteria con motore in funzione.
La tensione di carica viene influenzata dalla gestione della potenza in funzione
della temperatura e della corrente, attraverso l'aumento del regime motore ad opera della DME/DDE.
JBE: elettronica junction box
La JBE è l'interfaccia dati centrale nella vettura (gateway per i bus).
La JBE è parte integrante della junction box. La junction
box è costituita dalla parte elettronica o dal distributore di corrente anteriore. Il distributore di corrente e la JBE non sono sostituibili separatamente.
Nei distributori di corrente sono inseriti fusibili e relè. Per l'alimentazione della tensione sono particolarmente importanti i seguenti relè:
- relè morsetto 15
(distributore di corrente posteriore)
- relè morsetto 30g per il
disinserimento delle utenze (distributore di corrente posteriore e anteriore)
- relè morsetto 30g-f per
il disinserimento in caso di difetto (distributore di corrente posteriore)
Distributore di corrente
Sono montati i seguenti distributori di corrente:
- distributore di corrente nel vano motore:
box dell'elettronica
- distributore di corrente anteriore nella junction box
- distributore di corrente posteriore
- blocchetto portafusibili
Il blocchetto portafusibili può essere sostituito solo al completo.Non
è possibile sostituire singolarmente i fusibili.
Il blocchetto contiene i fusibili delle seguenti utenze:
- Valvetronic
- Common rail (iniezione diesel)
- Riscaldatore elettrico
- Distributore di corrente anteriore nell'elettronica della junction box
- Distributore di corrente posteriore
- Sensore intelligente della batteria
- Elettroventilatore (motore diesel a 8 cilindri)
IBS: Sensore intelligente della batteria
Il sensore IBS è un sensore mecatronico intelligente dotato di un processore proprio. Il microprocessore è parte integrante del modulo elettronico. Il modulo elettronico serve a rilevare la tensione, la corrente addotta e la temperatura della batteria.
Nel modulo elettronico sono alloggiati i seguenti componenti:
- una shunt (resistenza di misurazione corrente)
- un sensore di temperatura
- l'elettronica di analisi su un circuito stampato
L'IBS misura permanentemente i seguenti valori batteria:
- tensione ai morsetti
- corrente di carica
- corrente di scarica
- temperatura della batteria
Per la trasmissione dati l'IBS è collegato tramite l'interfaccia dati seriale (BSD)
con l'elettronica digitale del motore (DME) o l'elettronica digitale diesel (DDE).
Indice
|
Spiegazione
|
Indice
|
Spiegazione
|
1
|
Misurazione della tensione batteria tra il polo positivo e il polo negativo
|
2
|
Misurazione della temperatura della batteria (T)
|
3
|
Microprocessore (C) nel sensore intelligente (IBS)
|
4
|
Elettronica digitale del motore (DME) o elettronica digitale diesel (DDE)
|
5
|
Misurazione della corrente (A) [indiretta,
in base alla caduta di tensione proporzionale (V) nella resistenza (shunt)]
|
6
|
Polo negativo batteria
|
7
|
Polo positivo batteria
|
|
|
BSD
|
Interfaccia dati seriale (BSD) per trasmissione dati alla DME e DDE
|
|
|
A vettura ferma e in marcia vengono richiamati i seguenti dati:
- Durante la marcia:
- calcolo dello stato batteria come base per lo stato di carica (SOC: ”State
of Charge”) e lo stato della batteria (SOH: State of Health”).
Bilanciamento della corrente di carica e scarica della batteria.
Sorveglianza permanente dello stato di carica batteria e trasmissione dei dati.
- Calcolo dell'andamento della corrente in fase di avviamento motore, per determinare lo stato della batteria.
In marcia l'IBS trasmette i dati alla centralina di gestione motore (DME/DDE)
tramite l'interfaccia dati seriale (BSD). Il software nell'IBS controlla la comunicazione con la centralina
di gestione motore (DME/DDE).
- Vettura ferma
A vettura ferma i valori di misura vengono richiamati ciclicamente, per riconoscere eventuali dispersioni di energia.
L'IBS è programmato in modo da sorvegliare ogni 40 secondi,
per poter aggiornare continuamente i valori di misura. La durata della misurazione è di circa 50 millisecondi (ms). Nell'IBS i valori di misura vengono registrati nella memoria per poter rilevare la corrente di riposo.
Riavviando il motore la DME/DDE controlla l'andamento della corrente di riposo. In caso di scostamenti dall'andamento definito, la DME/DDE registra un difetto nella propria memoria.
CAS: Car Access System
Il Car Access System partecipa alla gestione dei morsetti (morsetto R, morsetto 15, morsetto 30g).
La gestione dei morsetti fornisce messaggi essenziali per l'alimentazione della tensione.
Il CAS è collegato con i seguenti componenti e centraline:
- il Car Access System è collegato con un cavo diretto con il tasto START-STOP
e con l'alloggiamento del trasduttore di identificazione.
Il tasto START-STOP e l'alloggiamento sono posizionati in prossimità del piantone dello sterzo.
- Con il CAS sono collegati il motorino d'avviamento e la DME o la DDE.
La centralina CAS è un'utenza bus del K-CAN.
DME o DDE: elettronica digitale del motore o elettronica digitale diesel
La DME o DDE contribuiscono all'alimentazione della tensione come segue: alla riduzione della tensione dell'alternatore, la DME/DDE
aumentano il regime motore in base al fabbisogno. Il software per questa funzione è denominato ”Power management (gestione della potenza)”.
La DME/DDE è un'utenza bus del PT-CAN
(Powertrain Controller Area Network).
La DME/DDE valuta lo stato corrente della batteria.
In tal modo essa influisce anche sul morsetto 30g-f.
MRS: Sistema multiplo di ritenuta
Quando i sistemi di ritenuta si attivano, la centralina MRS invia un messaggio alle altre centraline. A seconda della gravità dell'incidente, la DME disinserisce, ad esempio, la pompa elettrica del carburante.
Interfaccia dati seriale
L'interfaccia dati seriale è il cavo dati tra la
centralina di gestione motore (DME o DDE) e l'alternatore.
Cavo batteria
2 cavi batteria collegano la batteria con il vano motore:
- uno dei cavi transita attraverso il punto di collegamento
per l'avviamento di emergenza verso il motorino d'avviamento e l'alternatore. Questo cavo è sorvegliato dal modulo di sicurezza in caso di crash.
- L'altro cavo serve ad alimentare tensione ed è diretto al blocchetto portafusibili.
Box portarelè
La dotazione di relè dipende dal tipo di motore e dalla versione per Paese.
- Relè Valvetronic nei motori a benzina
- Relè pompa aria secondaria (solo versione USA con motore a benzina)
- Relè per Common Rail (solo motori diesel)
Funzioni del sistema
Per l'alimentazione della tensione si descrivono le seguenti funzioni:
- Power management (”Advanced
Power Management”)/gestione della potenza
- Funzionamento d'emergenza in caso di avaria dell'interfaccia dati seriale
- Gestione dell'energia
Alimentazione della tensione alle centraline, disinserimento utenze a vettura ferma
e sorveglianza della corrente di riposo
- Trasmissione dati per l'alimentazione della tensione
Gestione della potenza
La gestione della potenza è un software della centralina di gestione motore
(DME/DDE: elettronica digitale del motore o elettronica digitale diesel).
La gestione della potenza
calcola i valori nominali per la regolazione dell'alimentazione della tensione.
Per la Serie E70 si impiega esclusivamente l'Advanced Power Management (APM).
Advanced Power Management
Indice
|
Spiegazione
|
Indice
|
Spiegazione
|
1
|
Advanced Power Management (APM)
|
2
|
Dati batteria: - corrente - tensione - temperatura
|
3
|
Sensore intelligente della batteria (IBS)
|
4
|
Motore
|
5
|
Utenza
|
6
|
Alternatore (G)
|
7
|
Batteria
|
8
|
Prescrizione valore nominale della tensione di carica
|
9
|
Disinserimento utenze o riduzione dell'assorbimento di corrente
|
10
|
Aumento del regime minimo
|
Determinante per il volume di funzioni espletato dall'Advanced Power Management
è il sensore intelligente della batteria (IBS). L'IBS emette alla gestione della potenza informazioni sullo stato della batteria. Il calcolo della temperatura della batteria in base alla temperatura esterna non è più necessario.
La temperatura della batteria viene misurata direttamente dall'IBS.
L'Advanced Power Management può espletare le seguenti funzioni:
- Aumento del regime minimo
Nelle vetture con motore a benzina il regime minimo viene aumentato di max 200 giri/min
non appena viene sottratta corrente alla batteria nonostante l'alternatore sia a pieno carico.
Nei motori diesel non è necessario aumentare il regime minimo. Perché: tra alternatore e motore a combustione il rapporto di trasmissione è superiore rispetto ai motori a benzina. Quindi l'alternatore è già a regime elevato con motore al minimo.
L'erogazione di potenza dell'alternatore è elevato anche a regime minimo. Non è necessario aumentare il regime.
- Tensione di carica ottimale
La tensione dell'alternatore è regolata in funzione della temperatura batteria calcolata.
La temperatura della batteria viene calcolata in base alla temperatura esterna. In base alla temperatura della batteria si calcolano i valori nominali per la tensione di carica. Questa informazione viene comunicata tramite l'interfaccia dati seriale al regolatore dell'alternatore.
- Test batteria
- Diagnosi dell'energia
- Disinserimento di determinate utenze o riduzione dell'assorbimento di corrente
Nelle vetture con IBS all'occorrenza si riducono o disinseriscono completamente
determinate utenze anche mentre il motore è in funzione. Durante la marcia vengono ridotte o completamente disinserite solo le utenze
non rilevanti per la sicurezza o non direttamente percepibili, ad esempio: l'attivazione cadenzata del riscaldamento del lunotto o dei sedili, la riduzione della
velocità del ventilatore della climatizzazione per la rottura di un pezzo, ecc.
Nelle vetture
con motore diesel viene regolato l'assorbimento di corrente del riscaldatore elettrico supplementare.
Il disinserimento di singole utenze o la riduzione dell'assorbimento di potenza riduce il fabbisogno di corrente in situazioni critiche.
In questo modo la batteria non si scarica.
Il disinserimento delle utenze si attiva solo in 2 condizioni:
- stato di carica della batteria nella zona critica
- alternatore a pieno carico
- Regolazione del riscaldatore elettrico supplementare
Nelle vetture con motore diesel e senza riscaldamento a vettura ferma lo scambiatore
di calore del riscaldamento viene riscaldato anche con un riscaldatore elettrico supplementare operante secondo il principio PTC.
Il riscaldatore supplementare elettrico rientra nelle utenze che richiedono una potenza
relativamente elevata (fino a 1200 W) e vengono quindi regolate dalla gestione della potenza. Inoltre, nelle vetture con climatizzatore posteriore si impiega un secondo riscaldatore
(600 W) per il vano posteriore. Questi carichi elevati sono regolati con le seguenti modalità:
- la centralina IHKA aziona il riscaldatore elettrico supplementare anteriore (via bus LIN)
e la centralina FKA quello posteriore (con un segnale modulato in ampiezza d'impulso).
- La DDE regola la potenza massima del riscaldatore (con un messaggio CAN).
La potenza massima del riscaldatore dipende dal carico dell'alternatore come segue:
- alternatore con carico fino al 70 %: il riscaldatore elettrico riceve piena potenza.
- Alternatore con carico tra il 70 % e l'80 %: il riscaldatore riesce a mantenere la potenza, ma non ad aumentarla.
- Alternatore sotto carico superiore all'80 %:
il riscaldatore deve ridurre gradualmente la potenza fino ad azzerarla
- Il riscaldatore elettrico supplementare regola la potenza calorifica dei registri termici in base alle istruzioni della DDE.
Gestione dell'energia
La gestione dell'energia sorveglia e controlla il bilancio energetico della vettura. Nella sorveglianza e controllo sono coinvolti diversi componenti.
La gestione dell'energia combina funzioni o segnali e curve caratteristiche atte a generare ed emettere segnali di comando.
Si descrivono le seguenti funzioni:
- Comando dei morsetti
- Trasmissione dati nella gestione dell'energia
- Alimentazione della tensione a vettura ferma
- sorveglianza corrente a riposo
Comando dei morsetti
Molte utenze sono collegate all'alimentazione della tensione attraverso il morsetto 30g
o 30g-f.
Determinate utenze continuano tuttavia ad essere alimentate direttamente dal morsetto 30. Ad esempio, l'impianto antifurto deve essere attivo anche con accensione disinserita.
Trasmissione dati nella gestione dell'energia
A motore fermo determinate utenze vengono disinserite tramite il morsetto 30g come segue: il CAS (Car Access
System) disinserisce il relè del morsetto 30g in modo temporizzato.
Alimentazione della tensione a vettura ferma
Per l'alimentazione della tensione alle utenze finora si conoscevano i seguenti morsetti:
- Morsetto 30:
positivo permanente
Diverse utenze continuano ad essere collegate direttamente sul morsetto 30.
- Morsetto R
Il morsetto R è commutato dal CAS.
- morsetto 15
Il morsetto 15 è commutato dal CAS.
- Morsetto 30g: positivo permanente commutato
Disinserimento temporizzato:
il relè del morsetto 30g è sempre presente.
Il relè del morsetto 30g disinserisce le utenze collegate circa 30 minuti dopo il disinserimento del morsetto R.
Se sulla vettura è montato un telefono, la temporizzazione del disinserimento è prolungata a 60 minuti. Il relè del morsetto 30g è attivato dal Car Access System (CAS).
- Morsetto 30g-f:
Disinserimento in caso di difetto
Il relè del morsetto 30g-f disinserisce le utenze collegate in caso di difetto. Esso è controllato dall'elettronica della junction box.
L'elettronica della junction box (JBE) sorveglia la corrente di riposo a vettura ferma. Vengono riconosciute le seguenti anomalie:
- Attivazioni ingiustificate sui sistemi bus
- Centraline che tengono permanente attivi i sistemi bus (ne impediscono la "commutazione in stato di riposo")
Per il relè del morsetto 30g-f valgono le seguenti condizioni di disinserimento e inserimento:
- Condizioni per il disinserimento
- Ricezione del messaggio ”Segnale OFF”.
Dopo 5 minuti il relè del morsetto 30g-f si disinserisce.
- La centralina di gestione motore rileva e analizza permanentemente lo stato della batteria. Qualora la capacità di avviamento scenda al di sotto del limite minimo, viene disinserito anche il relè.
- Trasmissione dati sui bus per 10 minuti dal disinserimento del morsetto 30g, senza che sussistano condizioni per l'inserimento.
- La vettura viene ”attivata” per 20 volte dal disinserimento del morsetto 30g, senza che sussistano condizioni per l'inserimento.
Il relè del morsetto 30g-f è un relè bistabile. Ogni stato di commutazione rimane attivo anche in assenza di corrente. In condizioni normali il relè è sempre inserito. In caso di difetti il relè disinserisce le utenze collegate.
- Condizioni per l'inserimento
Se il relè del morsetto 30g-f è disinserito, può essere riattivato solo in determinate condizioni.
Condizioni di attivazione del relè del morsetto 30g-f:
- Sbloccaggio della vettura
- Apertura di uno sportello/cofano o di una porta
- Inserimento del morsetto R
Sorveglianza della corrente di riposo
La sorveglianza della corrente di riposo si rende necessaria per diverse ragioni.
- Mantenere la batteria in grado di garantire l'avviamento del motore:
la gestione dell'energia emette una richiesta di disinserimento delle utenze a vettura ferma
quando la capacità di avviamento della batteria scende al di sotto del limite minimo.
Le utenze a vettura ferma devono disattivare le proprie funzioni indipendentemente
dallo stato dei morsetti e raggiungere entro 5 minuti lo stato di riposo.
- disinserimento utenze
Determinate utenze possono rimanere attive anche quando la sorveglianza della corrente di riposo della gestione dell'energia è già in corso.
Le utenze vengono disinserite in base a criteri diversi e sono suddivise nelle seguenti categorie:
- Utenze comfort
- Riscaldamento lunotto posteriore
- Riscaldamento sedili
Le utenze comfort si disinseriscono automaticamente a motore spento. Esse possono riattivarsi solo avviando nuovamente il motore.
- Utenze a vettura ferma prescritte per legge
- Luci di posizione
- Lampeggiatori di emergenza
Dopo aver spento il motore le utenze a vettura ferma prescritte
per legge devono rimanere pronte a funzionare per quanto necessario.
Queste utenze non vengono disinserite nemmeno al raggiungimento della capacità minima di avviamento della batteria.
- Utenze fisse
- Riscaldamento ausiliario
- Ventilatore ausiliario
- Componenti di comunicazione
(display,
morsetto 30g, servizi telematici)
Le utenze a vettura ferma indicate possono essere inserite a motore spento. Queste utenze si disinseriscono da sole al raggiungimento della capacità minima di avviamento della batteria. Il disinserimento viene richiesto dalla DME/DDE
attraverso un messaggio CAN.
- Utenze a disinserimento ritardato per caratteristiche intrinseche al sistema
- Ventilatore elettrico radiatore
Le utenze a disinserimento ritardato possono rimanere in funzione ancora per un determinato intervallo di tempo dopo aver spento il motore.
Trasmissione dati per l'alimentazione della tensione
Il CAS (Car Access System) inoltra i dati di gestione dei morsetti come segue:
- morsetto R ON
o OFF
- morsetto 15 ON o OFF
- ecc.
Il CAS (Car Access System) commuta i relè dei seguenti morsetti:
La JBE (elettronica junction box) commuta il relè dei seguenti morsetti:
Le centraline collegate a questi morsetti sono alimentate con tensione e ”attivate”.
I corrispondenti sistemi vengono attivati.
Le utenze sono principalmente alimentate dai morsetti 30g e 30g-f.
Determinate utenze continuano tuttavia ad essere alimentate direttamente dal morsetto 30.
Ad esempio, l'impianto antifurto deve essere attivo anche con accensione disinserita.
Quando la corrente della batteria con vettura in stato di riposo (a partire da 68 minuti dal disinserimento del morsetto R)
supera i 80 Milliampere (mA) (impostabili di fabbrica), nella DME/DDE viene memorizzato un difetto e al guidatore viene segnalato un messaggio Check Control (la batteria si scarica in stato di riposo).
Qualora si sospetti che l'assorbimento di corrente sia aumentato, è in ogni caso raccomandabile misurare la corrente di riposo.
Funzionamento d'emergenza in caso di avaria dell'interfaccia seriale
In caso di interruzione nell'interfaccia seriale tra centralina di gestione motore e alternatore,
la tensione dell'alternatore viene mantenuta costantemente a 14,3 V.
Avvertenza per l'Assistenza
Avvertenze generali
Le avvertenze generali riguardano i seguenti argomenti:
- carica di mantenimento della batteria
- protezione del sensore intelligente della batteria
- sostituzione della batteria
- alternatore
Carica di mantenimento della batteria
Avvertenza! Non collegare il caricabatteria all'accendisigari.
L'accendisigari viene alimentato dal distributore di corrente nella junction box tramite un relè. Disinserendo il morsetto 15 questo relè si diseccita.
Questo significa che il caricabatterie collegato all'accensigari viene sconnesso dalla batteria. Caricare la batteria solo attraverso il punto per l'avviamento di emergenza. Solo in questo modo l'alimentazione di energia può essere registrata dalla vettura.
Protezione del sensore intelligente della batteria
ATTENZIONE! Rischio di danneggiamento irreparabile in caso di sollecitazioni meccaniche.
- Non effettuare collegamenti supplementari sul polo negativo della batteria.
- Non modificare il cavo di massa.
Il cavo di massa serve anche a dissipare calore.
- Non effettuare collegamenti tra l'IBS (sensore intelligente della batteria) e la vite del sensore.
- Non scollegare il capocorda dal polo della batteria con troppa energia:
- Non tirare dal cavo di massa.
- Non applicare attrezzi sotto l'IBS per sollevare il capocorda.
- Non utilizzare i collegamenti dell'IBS per esercitare leva.
- Impiegare una chiave dinamometrica e serrare alla coppia prescritta nelle Istruzioni per le riparazioni.
- Non allentare o serrare la vite del sensore (vite torx).
- Evitare il contatto tra IBS e la massa.
Sostituzione della batteria
ATTENZIONE! Rischio di danneggiare irreparabilmente l'IBS e i cavi nel sostituire la batteria.
Nel sostituire la batteria l'IBS (sensore intelligente della batteria) e i
cavi possono danneggiarsi irreparabilmente per le sollecitazioni meccaniche.
Nel sostituire la batteria prestare attenzione a quanto segue:
- procedere sempre come da Istruzioni per le riparazioni.
- Evitare di sottoporre il sensore intelligente della batteria a sollecitazioni meccaniche.
Avvertenza! Nel sostituire la batteria procedere alla funzione Service ”Registrazione sostituzione batteria”.
Nel sostituire la batteria montarne una di capacità identica a quella montata di serie.
La capacità necessaria per la vettura è codificata nel Car Access System (CAS) e nell'elettronica del motore (DME/DDE).
- Nel montare una batteria di capacità diversa, ricodificare il CAS. Procedere alla ricodifica ”Batteria” con il Progman.
- Cancellare i difetti inerenti la sostituzione della batteria registrati nella memoria di gestione motore.
Alternatore
Il tipo di alternatore montato dipende dal motore e dall'equipaggiamento della vettura.
Avvertenza per la diagnosi
Diagnosi dell'energia
Uno stato di panne per batteria scarica o problemi nella rete di bordo può avere le cause più diverse. Nella maggior parte dei casi la causa non è la batteria stessa. Per questo motivo la sostituzione della batteria risolverà definitivamente il problema solo in rarissimi casi.
Invece, è necessaria una diagnosi sistematica delle fonti di difetto.
Spesso i difetti rilevati non sono più in corso quando si porta la vettura in officina. Quindi la diagnosi si basa sui dati memorizzati sulla vettura. Le informazioni sullo stato della batteria e sui cicli di funzionamento dei diversi sistemi bus sono memorizzate nelle rispettive centraline.
Queste informazioni possono essere richiamate e valutate dal sistema di diagnosi BMW. Nel sistema di diagnosi BMW è predisposto un modulo di test. Il modulo di test per la diagnosi dell'energia rileva tutti i dati delle rispettive centraline.
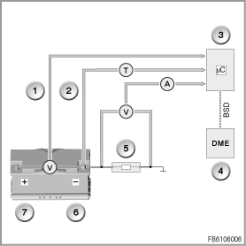
Indice
|
Spiegazione
|
Indice
|
Spiegazione
|
1
|
Rete di bordo con centraline
|
2
|
Elettronica junction box (JBE)
|
3
|
Sistema di diagnosi BMW
|
4
|
Elettronica digitale del motore (DME) o elettronica digitale diesel (DDE)
|
5
|
Sensore intelligente della batteria (IBS) sul polo negativo della batteria
|
|
|
Vengono visualizzate le seguenti informazioni:
- Informazioni rilevanti
Viene memorizzata solo se si suppone la presenza di un difetto.
- Informazioni standard
Possono essere rappresentate ogni volta.
La diagnosi dell'energia riconosce i seguenti difetti:
- errori di azionamento
- difetti sulla vettura
- Errori di azionamento
- Le luci di posizione, le luci di parcheggio o i lampeggiatori
d'emergenza sono rimasti inseriti per un periodo eccessivamente lungo a vettura ferma.
- Il morsetto R o 15 sono rimasti inseriti per un periodo eccessivamente lungo a motore spento.
- Periodo di fermo vettura troppo lungo.
- Viaggi frequenti di breve durata con più utenze inserite
- Difetti sulla vettura
- Batteria difettosa
- Alternatore difettoso
- Corrente di riposo eccessiva, parzialmente superiore a 80 Milliampere
(mA) con sistemi bus inattivi
- La vettura non commuta in stato di riposo: i sistemi bus rimangono attivi.
- La vettura viene continuamente attivata
Avvertenze per la codifica/programmazione
I dati della batteria sono codificati nel Car Access System (CAS). I dati possono essere rilevati con il sistema di diagnosi BMW.
Salvo refusi, errori e modifiche tecniche.