Tutte le funzioni dei tergicristalli possono essere comandate nella E70 con l'apposito interruttore a partire dall'inserimento del morsetto R. I tergicristalli vengono azionati da un motorino elettrico con riduttore.
Per i tergicristalli si descrivono i seguenti componenti:
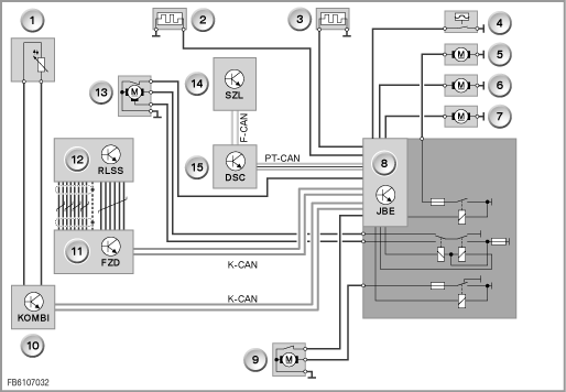
L'interruttore del tergicristallo si comanda con leggeri tocchi. Esso non si arresta in posizione. L'interruttore trasmette i suoi segnali al centro di comando piantone sterzo (SZL).
L'SZL costituisce l'interfaccia tra l'interruttore dei tergicristalli e l'elettronica della Junction Box (JBE). I segnali dell'interruttore dei tergicristalli vengono elaborati dall'SZL ed inoltrati al controllo dinamico di stabilità (DSC). L'SZL trasmette le sue informazioni via F-CAN al DSC.
Il DSC elabora le informazioni dell'SZL. Il DSC inoltra le richieste dell'SZL e l'informazione sulla velocità di marcia all'elettronica della Junction Box (JBE). Il DSC è collegato con la JBE via PT-CAN.
La JBE elabora le informazioni del DSC e del centro di comando nel tetto (FZD). Essa comanda il circuito di carico dei motorini dei tergicristalli e delle pompe lavacristalli. Il circuito di carico dei motorini dei tergicristalli si realizza mediante relè interni. L'interruttore di livello del liquido di lavaggio trasmette le proprie informazioni alla JBE.
Nelle vetture con RLSS questo espleta il comando a intermittenza automatico. L'RLSS è collocato nel piede dello specchietto sul parabrezza. Il funzionamento dei tergicristalli dipende quindi dall'intensità della pioggia e dalla velocità di marcia. L'RLSS trasmette la sua richiesta, ad es. azionamento dei tergicristalli, al centro di comando nel tetto (FZD). In caso di equipaggiamento senza RLSS l'intermittenza è prescritta per il funzionamento dei tergicristalli.
La strumentazione riceve le informazioni sulla temperatura esterna dall'apposito sensore. Essa inoltra le informazioni via K-CAN alla JBE.
L'FZD riceve il messaggio dall'RLSS. L'FZD inoltra il messaggio sul K-CAN alla JBE.
Il motorino dei tergicristalli è un rotore senza moduli elettronici. Il motorino del tergicristallo è stato concepito per due diversi livelli di funzionamento. Esso è attivato da due relè interni. La posizione finale (posizione di riposo) del motorino è riconosciuta da un contatto di azzeramento montato nel motorino stesso. Questo contatto adduce massa alla JBE non appena il motorino raggiunge la posizione finale (posizione di riposo). Il contatto di disconnessione viene utilizzato anche per il controllo del motorino tergitura.
Il motorino del tergicristallo posteriore è analogo sotto il profilo della struttura a quello anteriore. Esso è attivato elettricamente da un relè integrato nella JBE.
Le pompe lavacristalli per il lato anteriore e posteriore sono fissate sulla vaschetta del liquido di lavaggio. Esse sono attivate elettricamente dalla JBE.
Gli ugelli spruzzatori sono riscaldati elettricamente. In tal modo si evita che gelino. Esso è composto da resistenze termiche. Il riscaldamento degli ugelli è attivato elettricamente dalla JBE a partire da una temperatura esterna inferiore a 3 °C.
L'impianto lavafari è disponibile come optional. La JBE espleta l'attivazione della pompa di lavaggio dell'impianto lavafari. La pulizia dei fari si realizza solo con luci di marcia inserite. Essa si attiva ogni 5 azionamenti di un'operazione di lavaggio o di pulizia intensa. Il disinserimento del morsetto R resetta il blocco antiripetizione ed il contatore per gli azionamenti del lavaggio.

Vaschetta liquido di lavaggio E70
Indice |
Spiegazione |
Indice |
Spiegazione |
|---|---|---|---|
1 |
Vaschetta liquido di lavaggio |
2 |
Pompa lavacristallo anteriore |
3 |
Pompa lavacristallo posteriore |
4 |
Pompe di lavaggio per impianto lavafari |
5 |
Indicatore di livello liquido di lavaggio |
|
|

Schema a blocchi E70
Indice |
Spiegazione |
Indice |
Spiegazione |
|---|---|---|---|
1 |
Sensore di temperatura esterna |
2 |
Ugello spruzzatore sinistro termico |
3 |
Ugello spruzzatore destro termico |
4 |
Indicatore di livello liquido di lavaggio |
5 |
Pompe di lavaggio per impianto lavafari |
6 |
Pompa lavacristallo anteriore |
7 |
Pompa lavacristallo posteriore |
8 |
Elettronica Junction Box (JBE) |
9 |
motorino del tergicristallo posteriore |
10 |
strumento combinato |
11 |
Centro di comando nel tetto (FZD) |
12 |
Sensore pioggia-crepuscolare-solare (RLSS) |
13 |
motorino dei tergicristalli anteriori |
14 |
Centro di comando piantone dello sterzo (SZL) |
15 |
Controllo dinamico della stabilità (DSC) |
Per i tergicristalli si descrivono le seguenti funzioni:
Le funzioni dei tergicristalli possono essere comandate a partire dal morsetto R.
Sono possibili le seguenti funzioni:
Le funzioni di lavaggio possono essere comandate dal morsetto R ON. Per il lavaggio del parabrezza l'interruttore del tergicristallo deve essere tirato in senso opposto alla direzione di marcia. Per lavare il lunotto occorre premere l'interruttore del tergicristallo nel senso di marcia.
Con luci anabbaglianti inserite, ogni 5 operazioni di lavaggio, per il parabrezza, anche i fari vengono lavati.
Se con motorino dei tergicristalli inserito il contatto di azzeramento non riconosce il segnale per 16 secondi, per proteggere dal sovraccarico il motorino si disinserisce. Il reinserimento del motorino è nuovamente possibile solo dopo:
Salvo refusi, errori e modifiche tecniche.