La chiusura centralizzata nella R70 è ripartita sotto il profilo funzionale su più centraline. Il Car Access System (CAS) sorveglia tutti i processi della chiusura centralizzata. Il CAS è la centralina master per la chiusura centralizzata.
Le centraline coinvolte per la chiusura centralizzata sono:
Per la chiusura centralizzata si descrivono i seguenti componenti:
La serratura della porta del lato guidatore permette il bloccaggio meccanico o la doppia sicurezza e lo sbloccaggio della vettura. In caso di avaria dell'impianto elettrico della vettura la porta del lato guidatore può essere sbloccata con la chiave meccanica nel telecomando.
I segnali dei contatti porta vengono rilevati dal modulo vano piedi (FRM). L'FRM inoltra i segnali via K-CAN all'elettronica della Junction Box (JBE).
Il telecomando permette lo sbloccaggio ed il bloccaggio o la doppia sicurezza della vettura via radio. I segnali radio del telecomando vengono ricevuti attraverso il ricevitore del telecomando ed inoltrati al Car Access System (CAS). Il ricevitore del telecomando è montato nello specchietto interno.
Il tasto Center-Lock permette il bloccaggio o lo sbloccaggio dall'abitacolo. Vengono bloccati o sbloccati:
Il disinserimento e l'inserimento della doppia sicurezza non sono possibili mediante il tasto Center-Lock
Il pulsante interno del portellone posteriore è disposto nel centro di comando della consolle centrale (SZM). Il tasto esterno del portellone permette l'apertura del portellone a vettura sbloccata o ferma.
Tutte le funzioni per il comando della chiusura centralizzata sono integrate nella centralina CAS. I comandi vengono trasmessi via K-CAN all'elettronica della Junction Box (JBE).
Essa è la centralina interessata per la chiusura centralizzata. La JBE ha il compito di attivare tutti i motorini della chiusura centralizzata. La JBE è composta dall'elettronica Junction Box e dal distributore di corrente. La Junction Box è montata sotto il cassetto portaoggetti.
L'FRM valuta lo stato dei contatti porta. Bloccando o sbloccando la vettura con la chiave meccanica, l'FRM riconosce questa richiesta. L'FRM trasmette un messaggio sul K-CAN alla centralina CAS. Esso è montato sul montante A nel vano piedi del lato guida.

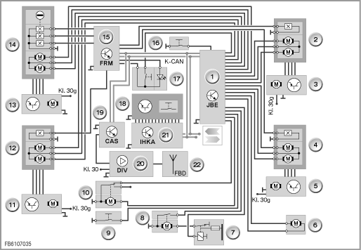
Schema a blocchi E70
Indice |
Spiegazione |
Indice |
Spiegazione |
|---|---|---|---|
1 |
Elettronica Junction Box (JBE) |
2 |
Motorino della chiusura centralizzata lato passeggero anteriore |
3 |
Dispositivo automatico Soft Close (SCA) porta del passeggero anteriore |
4 |
Comando chiusura centralizzata lato passeggero posteriore |
5 |
Dispositivo automatico Soft Close (SCA) lato passeggero posteriore |
6 |
Motorino chiusura centralizzata tappo serbatoio |
7 |
Relè per il motorino del dispositivo automatico Soft Close (SCA) |
8 |
Dispositivo automatico Soft Close (SCA) portellone posteriore |
9 |
Tasto portellone |
10 |
Motorino della chiusura centralizzata per il portellone posteriore |
11 |
Dispositivo automatico Soft Close (SCA) lato guidatore posteriore |
12 |
Comando chiusura centralizzata lato guidatore posteriore |
13 |
Dispositivo automatico Soft Close (SCA) porta del guidatore |
14 |
Motorino di chiusura centralizzata porta lato guida |
15 |
Modulo vano piedi (FRM) |
16 |
Pulsante cassetto portaoggetti |
17 |
Tasto Center Lock |
18 |
Centro di comando console centrale con pulsante portellone posteriore |
19 |
Car Access System (CAS) |
20 |
Ricevitore telecomando |
21 |
Riscaldamento e climatizzazione automatici integrati (IHKA) |
22 |
Antenna al lunotto posteriore |
Per la chiusura centralizzata si descrivono le seguenti funzioni:
Una porta bloccata non può essere aperta dall'esterno. E' però ancora possibile aprire la porta dall'interno. Per questo la maniglia deve essere tirata dall'interno due volte. Il bloccaggio si effettua quando
Una porta bloccata e in sicura non può essere aperta né dall'interno né dall'esterno. La doppia sicurezza si inserisce quando si blocca attraverso il cilindretto serratura della porta del guidatore o il telecomando. Condizioni per la doppia sicurezza:
Inserendo la doppia sicurezza della vettura si attiva anche l'impianto antifurto (DWA).
Una porta sbloccata può essere aperta dall'interno e dall'esterno. Sbloccando la vettura viene anche disattivato l'impianto antifurto DWA. In caso di avaria dell'alimentazione di tensione la porta lato guidatore può essere sbloccata con la chiave meccanica nel telecomando.
Il sistema multiplo di ritenzione (MRS) riconosce un urto. Al CAS viene trasmesso un segnale d'urto. Il messaggio viene trasmesso al K-CAN. Il CAS sblocca la vettura. Con un messaggio di crash vengono bloccati tutti i punti di comando. Così si evitano azioni involontarie della chiusura centralizzata per cortocircuiti delle linee provocati da incidenti. Dopo un urto la chiusura centralizzata può essere comandata solo se il morsetto R è stato disinserito per almeno tre secondi.
Se il CAS riconosce che nel vano di alloggiamento è innestato un telecomando, la doppia sicurezza della chiusura centralizzata si disinserisce. La chiusura centralizzata assume la posizione di ”Bloccaggio”. In caso di sbloccaggio forzato, si disattiva anche l'impianto antifurto.
Per proteggere il guidatore dal rischio di rimanere chiuso fuori della vettura, in caso di porta lato guidatore aperta tutti i comandi vengono inibiti. Nelle serrature delle porte non sono in tal modo necessarie ulteriori sicurezze meccaniche contro la chiusura involontaria.
Per proteggere i motorini della chiusura centralizzata dal sovraccarico, il CAS sorveglia il funzionamento antiripetizione. Vengono sorvegliati le porte, il portellone posteriore, il cassetto portaoggetti e lo sportello del serbatoio carburante. Se entro un minuto si verificano più di quindici azionamenti, i motorini non si sbloccano più per un determinato periodo di tempo.
Se la chiusura centralizzata si sblocca tramite il telecomando ed entro due minuti non si apre nessuna porta né il portellone posteriore, si ripete automaticamente l'operazione di bloccaggio.
Il campo di funzionamento per la chiusura centralizzata è stabilito tra 9 e 16 volt. Oltre questo intervallo i motorini non si attivano. Se l'alimentazione della tensione è interrotta, lo stato della chiusura centralizzata non varia (protezione antifurto!).
Al primo comando di sbloccaggio viene sbloccata solo la porta del conducente. In tutte le altre porte la chiusura centralizzata passa dalla sicura al bloccaggio. Il DWA si disinserisce e le porte rimangono bloccate. Al secondo comando si sbloccano le altre porte. Questa funzione può essere attivata attraverso la Car & Key Memory (a seconda della versione del Paese).
A partire da una velocità di ca. 16 km/h la chiusura centralizzata si blocca automaticamente. Questa funzione può essere attivata attraverso la Car & Key Memory.
Quasi tutte le funzioni della Car & Key Memory vengono impostate direttamente nella vettura.
Salvo refusi, errori e modifiche tecniche.