Il bloccaggio della seconda fila di sedili è sorvegliato nella E70 da più microinterruttori. I microinterruttori sono disposti nella seconda fila di sedili. Essi assicurano che il divanetto bloccato non si disimpegni inosservatamente. In tal modo aumenta la protezione dal rischio di infortuni per gli occupanti.
Per il bloccaggio della seconda fila di sedili si descrivono i seguenti componenti:
I microinterruttori della seconda fila di sedili sono disposti nella metà superiore e inferiore dei sedili. Nella metà superiore sono presenti quattro microinterruttori. La metà inferiore è sorvegliata da un microinterruttore. In caso di metà dei sedili bloccate regolarmente alla JBE viene trasmesso un segnale di massa. Qualora il segnale di massa venga interrotto, l'elettronica della Junction Box (JBE) non ne riconosce una.
La strumentazione riceve le sue informazioni dall'elettronica della Junction Box (JBE) via K-CAN. Se la JBE non trasmette l'informazione relativa alla seconda fila di sedili non bloccata regolarmente, la strumentazione trasmette un messaggio Check-Control opportuno. Questo messaggio segnala al guidatore che la fila di sedili non è bloccata regolarmente, avvisandolo quindi che sussiste un maggior rischio di infortunio per gli occupanti.
La JBE è la centralina che sorveglia il bloccaggio della seconda fila di sedili. Essa riceve un segnale di massa attraverso un microinterruttore. Qualora il segnale di massa venga interrotto, la JBE riconosce che la fila di sedili non è bloccata regolarmente. In tal caso essa trasmette un'informazione alla strumentazione via K-CAN.

Seconda fila di sedili nella E70
Indice |
Spiegazione |
Indice |
Spiegazione |
|---|---|---|---|
1 |
Microinterruttore metà inferiore dei sedili, bloccaggio nell'incastellatura dei sedili |
2 |
Microinterruttore metà superiore dei sedili, bloccaggio interno |
3 |
Microinterruttore metà superiore dei sedili, bloccaggio esterno |
4 |
Microinterruttore metà superiore dei sedili, schienale esterno |
5 |
Microinterruttore metà superiore dei sedili, glifo interno del cuscino dei sedili |
|
|

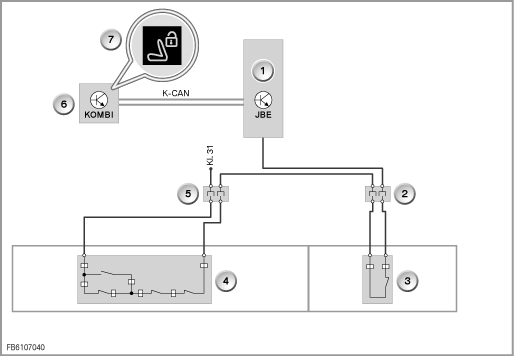
Schema a blocchi E70
Indice |
Spiegazione |
Indice |
Spiegazione |
|---|---|---|---|
1 |
Elettronica Junction Box (JBE) |
2 |
Connettore del sedile destro |
3 |
Microinterruttore seconda fila di sedili destra |
4 |
Microinterruttore seconda fila di sedili sinistra |
5 |
Connettore del sedile sinistro |
6 |
strumento combinato |
7 |
Messaggio Check-Control (divano posteriore non bloccato!) |
|
|
Per il bloccaggio della seconda fila di sedili si descrivono le seguenti funzioni:
Per la sorveglianza della metà superiore dei sedili sono montati dei microinterruttori nello schienale e nel piano d'appoggio del sedile. Sullo schienale è presente solo un microinterruttore esterno. Due microinterruttori sono disposti nell'incastellatura interna ed esterna del sedile. Un altro microinterruttore è disposto in corrispondenza del glifo del cuscino del sedile, nell'incastellatura. Quando lo schienale è reclinato non è bloccato. In caso di metà dei sedili regolarmente bloccata viene trasmesso un segnale di massa alla JBE.
Vengono sorvegliati i seguenti stati dei sedili:
La metà inferiore è sorvegliata solo da un microinterruttore. Il microinterruttore è disposto sul bloccaggio meccanico nel lato interno dell'incastellatura dei sedili. In caso di bloccaggio regolare della metà inferiore dei sedili l'interruttore è chiuso.
Se l'elettronica della Junction Box (JBE) riconosce che la seconda fila di sedili non è bloccata regolarmente, la strumentazione riceve un'informazione. La strumentazione trasmette un messaggio Check-Control. Il messaggio ”Divano posteriore non bloccato!” mira ad avvisare il guidatore che sussiste un maggior rischio di infortunio per gli occupanti.
Salvo refusi, errori e modifiche tecniche.