La servoassistenza delle luci abbaglianti (FLA) nella E70 supporta il guidatore nel comando delle luci abbaglianti. Con l'ausilio della servoassistenza, le luci abbaglianti si inseriscono e disinseriscono automaticamente a seconda della situazione del traffico. La servoassistenza riconosce i veicoli che precedono e che procedono in senso opposto nonché luoghi generalmente illuminati.
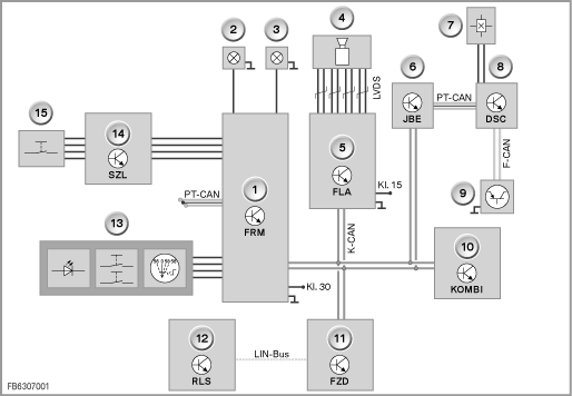
Per la servoassistenza luci abbaglianti si descrivono i seguenti componenti:
L'assistente abbaglianti può essere disattivato solo qualora l'interruttore luci si trovi in posizione ”A”. La posizione ”A” dell'interruttore sta per il controllo automatico delle luci di marcia.
Con l'interruttore degli indicatori di direzione-abbaglianti nell'SZL si attiva e disattiva la servoassistenza luci abbaglianti. I segnali degli interruttori indicatori di direzione - luci abbaglianti vengono rilevati e valutati nell'SZL. L'SZL trasmette i segnali dell'interruttore degli indicatori di direzione-abbaglianti direttamente al modulo vano piedi (FRM).
L'RLSS misura la luminosità ambiente. Al crepuscolo il modulo vano piedi (FRM) inserisce le luci anabbaglianti. La servoassistenza luci abbaglianti (FLA) può attivarsi solo con luci anabbaglianti inserite. Il presupposto è che l'interruttore luci si trovi in posizione ”A”. L'RLSS trasmette le sue informazioni via bus LIN al centro di comando nel tetto (FZD).
L'FZD elabora le informazioni dell'RLSS. L'FZD segnala al modulo vano piedi (FRM) la condizione di inserimento dell'RLSS via K-CAN.
Nella strumentazione sono previste le seguenti spie:
Il sensore d'immagine è una telecamera speciale per il riconoscimento di fonti luminose. Esso trasmette immagini alla servoassistenza luci abbaglianti (FLA). Le immagini vengono trasmesse attraverso un cavo dati LVDS (LVDS: Low Voltage Differential Signaling). L'FLA valuta queste immagini. Essa raccomanda l'inserimento o il disinserimento delle luci abbaglianti trasmettendo un messaggio via K-CAN al modulo vano piedi (FRM). La richiesta dipende dalle condizioni del traffico, dalla luminosità e dalla velocità di marcia.
Il DSC calcola la velocità di marcia dai segnali dei sensori di velocità ruota. Esso calcola la velocità d'imbardata dal segnale del sensore DSC. L'FLA sfrutta l'informazione della velocità d'imbardata per valutare meglio l'immagine in curva. Il DSC trasmette i risultati del calcolo della velocità di marcia e d'imbardata, via PT-CAN, all'elettronica della Junction Box (JBE).
L'FRM riceve diversi parametri in ingresso per le luci abbaglianti.
L'FRM elabora i seguenti parametri in ingresso:
In virtù dei parametri in ingresso, l'FRM decide se inserire o disinserire le luci abbaglianti. L'FRM attiva i fari delle luci abbaglianti. L'FRM attiva la spia di controllo nella strumentazione. In caso di avaria della servoassistenza luci abbaglianti, compare un simbolo Check-Control. L'FRM è collegato con il K-CAN.
La JBE riceve via PT-CAN i calcoli del DSC. La JBE trasmette le sue informazioni via K-CAN all'FRM.

Il grafico mostra lo specchietto interno della E70
Indice |
Spiegazione |
Indice |
Spiegazione |
|---|---|---|---|
1 |
Sensore pioggia-crepuscolare-solare (RLSS) |
2 |
Centralina FLA nello specchietto interno |
3 |
Tasti per il telecomando universale integrato |
4 |
LED per l'impianto antifurto |
5 |
Sensore d'immagine |
6 |
Copertura |

Schema a blocchi E70
Indice |
Spiegazione |
Indice |
Spiegazione |
|---|---|---|---|
1 |
Modulo vano piedi (FRM) |
2 |
Abbagliante sinistro |
3 |
Abbagliante destro |
4 |
Sensore d'immagine |
5 |
Dispositivo di assistenza abbaglianti (FLA) |
6 |
Elettronica Junction Box (JBE) |
7 |
Sensore di giri ruota |
8 |
Controllo dinamico della stabilità (DSC) |
9 |
Sensore DSC |
10 |
strumento combinato |
11 |
Centro di comando nel tetto (FZD) |
12 |
Sensore pioggia-crepuscolare-solare (RLSS) |
13 |
Interruttore luci |
14 |
Centro di comando piantone dello sterzo (SZL) |
15 |
Interruttore indicatori di direzione-abbaglianti |
|
|
La servoassistenza luci abbaglianti raccomanda, a seconda della situazione di traffico, di inserire o disinserire le luci abbaglianti trasmettendo un messaggio all'FRM. In virtù questa raccomandazione e diversi altri parametri in ingresso l'FRM decide se inserire o disinserire le luci abbaglianti.
Per la servoassistenza luci abbaglianti si descrivono le seguenti funzioni:

Campo di rilevamento del sensore d'immagine
Indice |
Spiegazione |
Indice |
Spiegazione |
|---|---|---|---|
1 |
Cono di luce dell'abbagliante |
2 |
Gruppi ottici posteriori di una vettura che precede |
3 |
Campo di rilevamento del sensore d'immagine in avanti |
4 |
Fari di una vettura che procede in senso opposto |
Il cono di luce degli abbaglianti ha una portata di circa 400 m. Il campo di rilevamento del sensore d'immagine ha una portata di circa 1000 m. In tal modo si assicura il riconoscimento di veicoli in arrivo in senso opposto prima che questi vengano abbagliati dal cono di luce dei fari abbaglianti. Se il sensore d'immagine riconosce una vettura che procede in senso opposto, l'FLA trasmette il messaggio di raccomandazione di disinserimento all'FRM. L'FRM disinserisce le luci abbaglianti.
Se il sensore d'immagine riconosce una vettura che precede, l'FLA trasmette il messaggio di raccomandazione di disinserimento all'FRM. L'FRM disinserisce le luci abbaglianti.
Se il sensore d'immagine riconosce un ambiente sufficientemente illuminato, l'FLA trasmette il messaggio raccomandazione di disinserimento all'FRM. L'FRM disinserisce le luci abbaglianti. Illuminazione sufficiente significa:
Se non vi sono motivi di smorzare le luci abbaglianti, l'FRM le inserisce. I fari aumentano d'intensità.
Nella strumentazione si accende la spia di controllo per la servoassistenza delle luci abbaglianti (arancione), non appena l'FLA si attiva. Inoltre si accende la spia di controllo delle luci abbaglianti (blu) non appena queste vengono inserite. Se il FLA riconosce un'avaria del sistema, compare un simbolo Check-Control (giallo).
Nelle seguenti circostanze, alcune funzioni del FLA possono essere limitate:
Per garantire un funzionamento perfetto della servoassistenza luci abbaglianti, occorre posizionare di precisione il sensore d'immagine in parallelo rispetto all'asse centrale. L'FLA può posizionarsi automaticamente di precisione nella marcia notturna fino a 3° in senso antiorario e 3° in senso orario. In tal modo si possono compensare lievi scostamenti dall'asse centrale. Le condizioni di marcia necessarie per l'orientamento automatico dell'assistente abbaglianti sono le seguenti:
Salvo refusi, errori e modifiche tecniche.