Le luci di svolta sono disponibili solo in combinazione con l'optional luci adattative in curva. Queste illuminano, oltre alle luci adattative in curva, la zona davanti e accanto alla vettura.
Per le luci di svolta si descrivono i seguenti componenti:
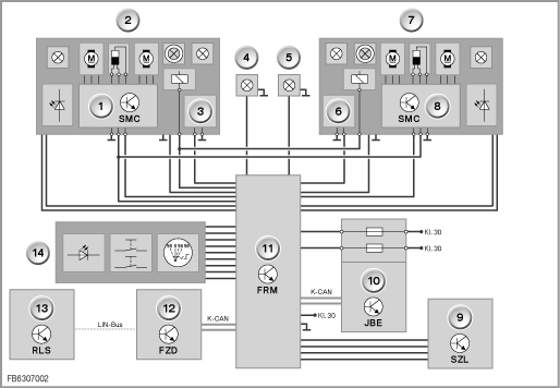
Per poter attivare le luci di svolta, l'interruttore luci deve essere posizionato su ”A”. Per il comando automatico delle luci di marcia l'interruttore dispone di una spia di controllo verde. Quando si riconosce un difetto del sistema, la spia di controllo inizia a lampeggiare. L'interruttore luci è collegato direttamente con il modulo vano piedi (FRM).
Per le luci di svolta occorrono fendinebbia speciali. I fendinebbia includono un riflettore per le luci di svolta. Non appena si inseriscono i fendinebbia, la luce della lampadina dei fari raggiunge il riflettore per le luci di svolta. Il riflettore ha una forma speciale e riflette la luce nella zona di svolta. Dall'esterno i fendinebbia con funzione luci di svolta sono riconoscibili dal riflettore completamente cromato.
L'RLSS è integrato sul parabrezza, nel piede dello specchietto interno. L'RLSS riconosce il crepuscolo o l'oscurità. Al superamento del valore di soglia esso trasmette un messaggio al centro di comando nel tetto (FZD). L'RLSS è collegato con l'FZD via bus LIN. L'FZD inoltra questo messaggio, via K-CAN, al modulo vano piedi (FRM).
Nell'SZL è presente un interruttore degli indicatori di direzione-abbaglianti. Questo interruttore trasmette i propri segnali all'SZL. L'SZL trasmette i segnali ricevuti direttamente al modulo vano piedi (FRM).
Il comando delle luci di svolta è espletato dall'FRM. L'FRM comanda anche la spia di controllo nell'interruttore luci. Esso riceve tutte le condizioni di inserimento direttamente o via K-CAN. L'FRM è disposto lateralmente nel vano piedi sul lato guidatore sotto la plancia portastrumenti.
La JBE è competente per l'alimentazione di tensione. Essa è collegata via K-CAN con l'FRM. La JBE è disposta sotto la plancia portastrumenti nel vano piedi lato passeggero.

Struttura dei fendinebbia nella E70
Indice |
Spiegazione |
Indice |
Spiegazione |
|---|---|---|---|
1 |
Riflettore luci di svolta |
2 |
Riflettore fendinebbia |
3 |
Lampadina fendinebbia |
|
|

Schema a blocchi E70
Indice |
Spiegazione |
Indice |
Spiegazione |
|---|---|---|---|
1 |
Controller motorino passo-passo (SMC) sinistro |
2 |
Faro principale sinistro |
3 |
Centralina faro allo xeno sinistro |
4 |
Fendinebbia sinistro |
5 |
Fendinebbia destro |
6 |
Centralina faro allo xeno destro |
7 |
Faro principale destro |
8 |
Controller motorino passo-passo (SMC) destro |
9 |
Centro di comando piantone dello sterzo (SZL) |
10 |
Elettronica Junction Box (JBE) |
11 |
Modulo vano piedi (FRM) |
12 |
Centro di comando nel tetto (FZD) |
13 |
Sensore pioggia-crepuscolare-solare (RLSS) |
14 |
Interruttore luci |
Le luci di svolta non si inseriscono e disinseriscono in modo brusco, bensì in modo attenuato, in base a parametri temporali speciali. A seconda della versione del Paese, queste luci si inseriscono e disinseriscono in curva.
Per le luci di svolta si descrivono le seguenti funzioni:
A vettura ferma le luci di svolta di disinseriscono dopo un determinato periodo di tempo, ad es. quando si è fermi ad un semaforo rosso. Le luci di svolta possono essere tuttavia reinserite agendo sulla leva degli indicatori di direzione-abbaglianti.
Il lato da attivare delle lui di svolta dipende dalle seguenti condizioni:
marcia avanti
retromarcia
Solo nella versione USA:
Quando si riconosce un difetto nelle luci di svolta, valgono gli stessi messaggi Check-Control dei fendinebbia.
Salvo refusi, errori e modifiche tecniche.