Nella X5 in versione USA è disponibile per la prima volta la Central Head Unit and Multimedia Platform (CHAMP). CHAMP è una piattaforma multimediale a bordo della vettura. CHAMP è di serie (optional SA 663: Radio BMW Professional).
Nella versione Europa si monta la generazione seguente di Multi-Controller del sistema audio (M-ASK).
Rispetto al M-ASK, l'unità CHAMP non dispone di sistemi di navigazione.
Le seguenti funzioni sono nuove per l'unità CHAMP:
Di seguito si descrivono i seguenti componenti dell'unità CHAMP:
CHAMP è il gateway (Head Unit) per il bus MOST e il K-CAN.

Indice |
Spiegazione |
Indice |
Spiegazione |
|---|---|---|---|
1 |
6 tasti Preferiti |
2 |
Tasto per esercizio in FM e AM (fisso nella versione USA) |
3 |
Tasto MODE: |
4 |
Central Head Unit and Multimedia Platform (CHAMP) |
In un unico alloggiamento sono integrate più centraline e il lettore. CHAMP ha una struttura modulare: Nella CHAMP le funzioni sono raggruppate in centraline ”virtuali”. ”Virtuale” significa: sebbene le singole centraline siano raggruppate nell'unità CHAMP, esse operano come centraline ”separate” (ad es. nella programmazione).
Ai fini della diagnosi si distinguono le seguenti centraline ”virtuali”:
Sul retro dell'alloggiamento DIN della radio è disposto un elettroventilatore per il raffreddamento degli stadi finali dell'audio e dei processori.
I tasti Preferiti sono tasti programmabili.
Essi permettono di memorizzare le seguenti funzioni per rendere più rapido accedervi (a seconda degli optional):

Indice |
Spiegazione |
Indice |
Spiegazione |
|---|---|---|---|
1 |
Lettore di CD |
2 |
Tasti Preferiti |
Nei tasti Preferiti è inserito un sensore capacitivo che reagisce al contatto.
L'occupazione di tutti i tasti Preferiti può essere cancellata dal menu ”Impostazioni” -> ”Vettura”. L'occupazione dei tasti Preferiti è descritta in modo dettagliato nel Libretto di uso e manutenzione.
Il CID è l'unità grafica centrale di visualizzazione. Il monitor a colori ha dimensioni di 6,5”.

Indice |
Spiegazione |
Indice |
Spiegazione |
|---|---|---|---|
A |
Lato anteriore |
B |
Lato posteriore |
1 |
Central Information Display (CID) |
2 |
Collegamento a spina per cavo dati LVDS |
3 |
Collegamento a spina per bus CAN e alimentazione |
|
|
Il Central Information Display è collegato con un cavo dati LVDS (Low Voltage Differential Signaling) all'unità CHAMP. Il cavo dati LVDS è una tecnica con cui i dati grafici possono essere trasmessi su un tratto più lungo. Per il cavo dati LVDS sono stati sviluppati collegamenti a spina specifici.
Il CID è collegato anche sul K-CAN.
Il CID contiene un fototransistor per la regolazione della luminosità del display a cristalli liquidi (in funzione della luminosità ambientale). Il display a cristalli liquidi viene riscaldato.
Il Controller fornisce i segnali per la selezione nel menu e nei sottomenu. I sottomenu si selezionano ruotando e/o spingendo il controller. Al suo rilascio, il controller torna spontaneamente nella propria posizione di riposo.

Indice |
Spiegazione |
Indice |
Spiegazione |
|---|---|---|---|
1 |
Controller |
2 |
Tasto MENU: |
3 |
Collegamento a spina sul controller |
|
|
Dietro al controller è disposto il tasto MENU. Con questo tasto si può richiamare il menu di avvio nel Central Information Display.
Il controller è collegato sul K-CAN. Il morsetto 58g alimenta il controller via K-CAN.
Di seguito sono descritte le seguenti funzioni CHAMP:

Indice |
Spiegazione |
Indice |
Spiegazione |
|---|---|---|---|
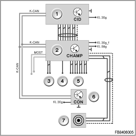
1 |
Central Information Display (CID) |
2 |
Central Head Unit and Multimedia Platform (CHAMP) |
3 |
al diversity antenne |
4 |
al diversity antenne |
5 |
agli altoparlanti |
6 |
Controller (CON) |
7 |
Collegamento AUX-In |
|
|
K-CAN |
CAN carrozzeria |
Kl. 30g |
Morsetto 30g commutato |
Kl. 30g_f |
Morsetto 30 commutato sul MOST in caso di difetto |
Kl. 58g |
Illuminazione di localizzazione |
MOST |
Media Oriented System Transport (fibra ottica) |
|
|
CHAMP è dotata di un sintonizzatore doppio per AM/FM. Mentre il sintonizzatore 1 riceve l'emittente radio desiderata, il sintonizzatore 2 opera in sottofondo. Il sintonizzatore 2 analizza l'ambiente dell'emittente per individuare se vi sono segnali supplementari. Se un'emittente irradia un segnale più chiaro su un'altra frequenza, si commuta alternativamente su questa frequenza alternativa. Entrambi i sintonizzatori ricevono informazioni dal sistema dati radio (RDS) irradiati con il segnale dell'emittente FM. Con un'emittente AM impostata, con RDS si possono ricevere notiziari sul traffico da un'emittente FM. Alla ricezione di un notiziario sul traffico, l'emittente AM viene disattivata e il notiziario ricevuto tramite gli altoparlanti.
CHAMP, come controller del sistema audio, svolge le seguenti funzioni:
La centralina nel pannello di comando CHAMP (CHAMP-BO) elabora i segnali del controller: ad es. la selezione operata nei menu e nei sottomenu. In aggiunta, essa controlla l'emissione di indicazioni sul Central Information Display (CID). I dati disponibili nel processore per la grafica vengono trasferiti immediatamente sotto forma di segnali digitali Low Voltage Differential Signaling (LVDS) al CID.
La centralina gateway CHAMP costituisce l'interfaccia per lo scambio dati tra il bus MOST e il K-CAN. I due sistemi bus trasmettono dati con velocità e formati diversi. Per comunicare con tutti i sistemi, nel gateway CHAMP i dati vengono configurati in base al rispettivo bus.
Reset dell'unità CHAMP
L'unità CHAMP può essere resettata attraverso le seguenti misure:
Per il reset sull'unità CHAMP non sono previsti tasti o relative combinazioni.
Avvertenza! L'unità CHAMP può essere sostituita soltanto in blocco.
Nell'ambito del Service l'unità CHAMP viene sostituita soltanto in blocco.
Per l'unità CHAMP tra le funzioni centraline sono disponibili innumerevoli controlli.
Esempio: un CD inceppato nel lettore può essere espulso con le funzioni centraline.
I tasti Preferiti impostati con CHAMP (tasti programmabili) sono diagnosticabili con una funzione centralina.
Versione Europa:
In sostituzione dell'unità CHAMP il Multi-Controller del sistema audio (M-ASK) è commercializzato come Radio BMW Professional.
Il M-ASK è riconoscibile dagli 8 tasti Preferiti.

Indice |
Spiegazione |
Indice |
Spiegazione |
|---|---|---|---|
1 |
Multi-Controller sistema audio |
2 |
8 Tasti Preferiti programmabili |
Salvo refusi, errori e modifiche tecniche.