L'immobilizzatore elettronico (EWS) svolge le funzioni di antifurto e consenso avviamento.
L'EWS di quarta generazione rappresenta un'evoluzione dell'EWS sinora utilizzato. Questa evoluzione utilizza una nuova e moderna procedura di codifica.
Ad ogni vettura è abbinato un codice segreto di 128 bit. Il codice segreto è memorizzato in una banca dati BMW. Di conseguenza esso è noto soltanto a BMW.
Il codice segreto viene programmato e bloccato nelle seguenti centraline:
Una volta che il codice segreto è bloccato nelle centraline, esso non può più essere cancellato o modificato. In tal modo ogni centralina è assegnata ad una determinata vettura. Le centraline si identificano reciprocamente in base al codice segreto e al medesimo algoritmo.
Nell'EWS di quarta generazione non è più presente il cavo diretto (cavo dati) fra DME/DDE e CAS (non presente in E83).
Per la trasmissione dati del segnale EWS vengono utilizzati il cavo dati CAN (PT-CAN e K-CAN) e il bus K (detto anche ”bus CAS”). Il bus K viene utilizzato quando non sia possibile inviare un segnale EWS al cavo dati CAN.
> E83: trasmissione dati fra centralina EWS e DME/DDE nella modalità consueta, tramite il cavo dati EWS.
Utilizzo dell'EWS di quarta generazione:
Preserie |
Motori |
Centralina di gestione motore |
|---|---|---|
Livelli di potenza: |
||
E60, E61, E63, E64 |
N52B25U1, N52B25O1, N52B30M1, N52B30O1 |
MSV80 |
N53B25U0, N53B30U0, N53B30O0, N54B30O0 |
MSD80 |
|
N43B20O0 |
MSD80.2 |
|
N46B20O2 |
MEV17.2.1 |
|
N47D20O0 |
DDE70 |
|
E81, E82, E87, E88, E90, E90 M3, E91, E92, E92 M3, E93, E93 M3 |
N43B16, N43B20U0, N43B20O0 |
MSD80.2 |
N45B16O2, N46B20U2, N46B20O2 |
MEV17.2.1 |
|
N51B30M0, N52B25U1, N52B25O1, N52B30U0, N52B30M1, N52B30O1 |
MSV80 |
|
N47D20U0, N47D20O0 |
DDE70 |
|
N53B30U0, N53B30O0, N54B30O0 |
MSD80 |
|
S65 |
MSS60 |
|
E83 |
N52B25O1, N52B30U1, N52B30O1 |
MSV80 |
N46B20O2 |
MEV17.2.1 |
|
N47D20O0 |
DDE70 |
|
E70 |
N52B30O1 |
MSV80 |
R55, R56 |
N12 |
MEV17.2 |
N14 |
MED17.2 |
|
Vengono descritti i seguenti componenti per l'EWS:
In ogni telecomando è integrato un transponder chip, in grado sia di trasmettere, sia di ricevere. La trasmissione dei dati avviene, come per un trasformatore, fra l'antenna toroidale nel vano di alloggiamento, oppure il blocchetto d'accensione (solo per E83), e il transponder chip. Il telecomando invia i dati alla centralina EWS o CAS e li riceve da essa.
Nel transponder chip è codificata anche l'abilitazione del telecomando per la relativa vettura.
La centralina EWS o CAS può gestire un massimo di 10 telecomandi ad essa corrispondenti, ossia è possibile gestire un massimo di 6 telecomandi in sostituzione.
La centralina EWS o CAS è in grado di identificare i singoli telecomandi. Ciò consente di disabilitare o abilitare singoli telecomandi. Se durante la comunicazione fra la centralina EWS o CAS e i singoli telecomandi si verificano errori, essi verranno memorizzati nella relativa memoria difetti, separati per ciascun singolo telecomando.
Nel vano di alloggiamento del telecomando, oppure attorno al blocchetto d'accensione (solo per E83), si trova un'antenna toroidale (bobina) per l'interrogazione del transponder chip. L'antenna toroidale consente la comunicazione fra transponder chip e centralina EWS o CAS.
Nelle vetture dotate di bloccasterzo elettrico, tale dispositivo, dopo una procedura di autenticazione CAS, viene alimentato elettricamente. Soltanto allora lo sterzo potrà essere sbloccato o bloccato. L'avviamento del motore è permesso solo con bloccasterzo elettrico sbloccato e in sicurezza.
> E83
Mediante il cavo dati EWS, le centraline EWS e DME/DDE effettuano la procedura di autenticazione reciproca.
Nelle vetture dotate di cambio automatico, il consenso avviamento avviene mediante la centralina EWS o CAS soltanto se il selettore si trovi in posizione ”P” o ”N”.
Le seguenti centraline sono preposte al funzionamento dell'immobilizzatore elettronico (EWS):
> non presente in E83
La centralina CAS è la centralina Master dell'EWS. L'EWS è integrato nella CAS.
Nella centralina CAS è memorizzato il codice segreto a prova di manipolazione.
La centralina CAS è un'utenza bus del K-CAN (CAN carrozzeria) e del bus K (bus carrozzeria).
La centralina CAS costituisce l'interfaccia con l'alloggiamento del telecomando.

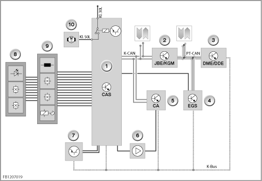
Indice |
Spiegazione |
Indice |
Spiegazione |
|---|---|---|---|
1 |
Comfort Access System (CAS) |
2 |
Elettronica box di connessione (JBE) oppure Modulo gateway carrozzeria (KGM) |
3 |
Elettronica digitale del motore (DME) o Elettronica digitale diesel (DDE) |
4 |
Gestione elettronica del cambio (EGS) |
5 |
Accesso comfort (CA: Comfort Access) |
6 |
Ricevitore telecomando |
7 |
Bloccasterzo elettrico |
8 |
Tasto START-STOP |
9 |
Vano di alloggiamento con telecomando |
10 |
Motorino d'avviamento |
Kl. 30L |
Morsetto 30L |
Kl. 50L |
Morsetto 50L |
Bus K |
Bus carrozzeria (detto anche ”bus CAS”) |
K-CAN |
CAN carrozzeria |
PT-CAN |
CAN Powertrain |
|
|
> solo per E83
La centralina EWS è un'utenza bus del bus K (bus carrozzeria).
La centralina EWS costituisce l'interfaccia con il blocchetto d'accensione.

Indice |
Spiegazione |
Indice |
Spiegazione |
|---|---|---|---|
1 |
Immobilizzatore elettronico (EWS) |
2 |
Motorino d'avviamento |
3 |
Elettronica digitale del motore (DME) o Elettronica digitale diesel (DDE) |
4 |
Gestione elettronica del cambio (EGS) |
5 |
Interruttore frizione per cambio meccanico (in base alla versione per Paese) |
6 |
Antenna toroidale (bobina) |
7 |
Interruttore accensione/avviamento |
8 |
Strumentazione centrale (KOMBI) |
9 |
Modulo base (GM) |
|
|
Bus K |
Bus carrozzeria |
Kl. 50 |
morsetto 50 |
PT-CAN |
CAN Powertrain |
|
|
La centralina DME/DDE emette il consenso all'avviamento soltanto quando dalla centralina EWS o CAS giunga un segnale di consenso corretto. Nella centralina DME/DDE è memorizzato il codice segreto a prova di manipolazione.
> E70, E81, E82, E87, E88, E90, E91, E92, E93, R55, R56
La JBE costituisce l'interfaccia dati fra PT-CAN (CAN Powertrain) e K-CAN (CAN carrozzeria).
> E60, E61, E63, E64
Il KGM costituisce l'interfaccia dati fra PT-CAN (CAN Powertrain) e K-CAN (CAN carrozzeria).
> E83
La strumentazione KGM costituisce l'interfaccia dati fra PT-CAN (CAN Powertrain) e bus K (bus carrozzeria).
> solo per E70
La gestione elettronica del cambio (EGS) è integrata nell'EWS di quarta generazione come immobilizzatore supplementare. La centralina EGS è un'utenza bus del bus K.
Il consenso al funzionamento del cambio avviene soltanto quando se la centralina CAS e la centealina EGS effettuino l'autenticazione reciproca.
Per l'optional SA 322 ”Accesso Comfort” (CA: Comfort Access), anziché il normale telecomando è necessario un trasduttore di identificazione. Il trasduttore di identificazione svolge anche le normali funzioni di un telecomando.
La centralina dell'Accesso Comfort (centralina CA) aziona le antenne dell'abitacolo e quelle esterne. In tal modo, è possibile richiamare possibili trasduttori di identificazione. Contemporaneamente, si attiva il ricevitore FBD per le risposte dei trasduttori di identificazione (FBD: Servizio Telecomando).
La centralina CAS è la centralina master per tutte le funzioni dell'optional SA ”Accesso Comfort”:
Per l'EWS vengono descritte le seguenti funzioni del sistema:
Nella fase di sbloccaggio tra il Car Access System (CAS) e il bloccasterzo elettrico si svolge una procedura di autenticazione. Il bloccasterzo elettrico può avviare lo sbloccaggio solo in caso di esito positivo della procedura di autenticazione. Per ragioni di sicurezza, il bloccasterzo elettrico non è alimentato a vettura in marcia. Esso viene alimentato solo per il processo di sbloccaggio o bloccaggio.
Se i dati di identificazione sono corretti, la centralina CAS attiva il motorino d'avviamento attraverso un relè presente nella centralina. Contemporaneamente, la centralina CAS invia alla centralina DME un segnale di consenso codificato per l'avviamento del motore. La centralina DME emette il consenso all'avviamento soltanto quando dalla centralina CAS giunga un segnale di consenso corretto.
Inserendo la chiave d'accensione nel blocchetto, oppure il telecomando nell'alloggiamento, avviene il seguente processo:
Nelle centraline sono memorizzati codici variabili identici, il cui valore varia appunto ad ogni avviamento. Il codice variabile viene formato da un numero casuale e dal codice segreto.
Taratura della centralina di gestione motore con immobilizzatore elettronico
Con l'introduzione del nuovo EWS di quarta generazione, la taratura fra centralina di gestione motore e immobilizzatore elettronico viene eliminata.
Da tale momento, determinate centraline potranno essere sostituite soltanto con quelle ordinate specificatamente per la vettura.
Avvertenza! Procedura in caso di centralina difettosa!
In caso di difetti in CAS, EWS (solo per E83) o DME/DDE, occorre attenersi ad una determinata procedura.
La centralina di ricambio deve essere ordinata in modo specifico per la vettura. A tale scopo occorre indicare i dati della vettura (numero del telaio).
Dopo la sostituzione delle centraline, la taratura EWS non è necessaria.
> E70
La sostituzione della gestione elettronica del cambio richiede invece la taratura. In fase di taratura, la centralina CAS trasmette un codice individuale alla centralina EGS. Tale codice individuale è necessario per la procedura di autenticazione, finalizzata al consenso funzionamento del cambio.
Importante
La sostituzione di prova delle centraline provviste di codice segreto non è possibile!
Le chiavi di riserva vengono fornite esclusivamente dal Servizio Vendita Parti di Ricambio BMW, su richiesta di un concessionario BMW. Tale Servizio provvederà a programmare per la vettura una delle 6 chiavi di riserva. Questa chiave non è una copia di quella smarrita, bensì una chiave completamente nuova.
Per ciascuna centralina EWS possono essere realizzate e consegnate al cliente non più di 6 chiavi di riserva corrispondenti.
Al primo inserimento di una nuova chiave nel blocchetto d'accensione, si verificherà un sensibile ritardo nell'accensione, da 1 a 2 secondi. A partire da tale momento, l'avviamento dovrà avvenire senza ritardo.
Le chiavi smarrite devono essere disabilitate mediante la diagnostica. Vedere anche ”Particolarità del programma di diagnostica”.
ATTENZIONE!
Per ogni nuova chiave consegnata viene creata la relativa documentazione in modo da garantirne la rintracciabilità in caso di richiesta da parte di compagnie di assicurazione o delle autorità.
In caso di perdita di tutti i telecomandi o di tutte le chiavi d'accensione, occorre una nuova centralina EWS o CAS.
La diagnostica (funzioni Assistenza) consente di disabilitare o abilitare elettronicamente singoli telecomandi o singole chiavi d'accensione.
Importante
In caso di disabilitazione elettronica non viene più dato il consenso all'avviamento né al motorino di avviamento, né alla centralina di gestione motore. È quindi indispensabile verificare che anche una chiave d'accensione disabilitata elettronicamente entri correttamente nelle serrature, in modo che tutte le porte ed i portelloni possano ancora essere aperti con essa.
In questo ambito, per ciascuna chiave d'accensione o per ciascun telecomando gestita/-o dalla centralina EWS o CAS, viene indicato se essa/-o sia già stata/-o rilevata/-o almeno una volta dalla centralina EWS o CAS; in altri termini, è possibile determinare anche per vetture di produzione meno recente quanti telecomandi, o quante chiavi d'accensione, siano già stati/-e utilizzati/-e in questa vettura.
Salvo refusi, errori e modifiche tecniche.